Designing driver power supply for high voltage semiconductor switches
- Authors: Tetyushkin V.S.1, Matveev D.A.1, Dmitriev S.B.1
-
Affiliations:
- National Research Mordovia State University
- Issue: Vol 11, No 15 (2023)
- Pages: 2-5
- Section: Articles
- Submitted: 28.11.2024
- Accepted: 28.11.2024
- URL: https://ogarev-online.ru/2311-2468/article/view/271657
- ID: 271657
Cite item
Abstract
The issues of designing control devices for power high-voltage semiconductor switches are considered. An overview of modern methods of galvanic isolation of the control system and the control pulse generator (driver) of a power semiconductor switch is presented. The conclusion is made about the expediency of using a current transformer for galvanic isolation of the power source from the driver. A block diagram of the driver power supply is proposed.
Full Text
В последние десятилетия благодаря стремительному развитию силовых полупроводниковых ключей (СПК) существенно расширилась область их применения, как по мощности, так и по частоте. Во всем мире силовая полупроводниковая техника широко применяется в электроэнергетике, электротехнологиях, электроприводе. Это электропередачи и вставки постоянного тока, статические компенсаторы реактивной мощности, гибкие интеллектуальные сети, регуляторы переменного напряжения, установки индукционной плавки, нагрева и закалки, преобразователи частоты. Техника высоких мощностей предполагает использование высоких напряжений, что в свою очередь предъявляет особые требования к силовым полупроводниковым ключам и сопутствующей элементной базе.
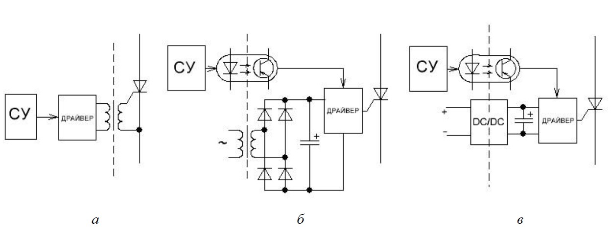
При проектировании высоковольтных полупроводниковых преобразователей, регуляторов напряжения и т.п. возникает проблема обеспечения гальванической (потенциальной) развязки между системой управления (СУ) и драйвером (Д) силового полупроводникового ключа. При этом необходимо реализовать развязку по каналу передачи информации о форме управляющих импульсов и каналу передачи энергии, требуемой для питания драйвера, обеспечивающего коммутацию СПК. Обе эти задачи традиционно решаются с помощью трансформаторов, DC/DC преобразователей и оптронов. На рисунке 1 представлены варианты гальванической развязки СУ и драйвера ПК [1].
Достоинства трансформаторной развязки в совместной передаче энергии и формы управляющего импульса, сравнительно простом обеспечении требований к динамическим параметрам управляющих импульсов, высокой температурной стабильности. К недостаткам трансформаторной развязки можно отнести практическую невозможность ее реализации при напряжениях более 3 кВ из-за сложностей обеспечения межобмоточной изоляции и громоздкости конструкции импульсного трансформатора. Это относится и к варианту с раздельной передачей энергии и информационного сигнала (рисунок 1, (б)), где трансформатор используется в источнике питания драйвера.
Рис. 1. Варианты гальванической развязки СУ и драйвера СПК: совместная передача энергии и формы управляющего импульса (а) и раздельная передача энергии и информационного сигнала с использованием оптрона и понижающего трансформатора (б), оптрона и DC/DC преобразователя (в).
Недостатки оптронного способа развязки – раздельная передача энергии и информационного сигнала и сравнительно невысокое напряжение изоляции современных оптронов 2,5…7,5 кВ [2]. В настоящее время при больших напряжениях изоляцию при передаче информационного сигнала можно обеспечить с помощью оптотрансмиттеров и оптоволоконных линий, однако проблема передачи энергии для питания драйвера при этом остается не решенной.
В данной статье описывается вариант решения проблемы, использующий для гальванической развязки при передаче энергии от источника питания к драйверу не трансформатор напряжения, а трансформатор тока (ТТ). Поскольку первичная обмотка ТТ имеет всего один виток, (фактически провод, проходящий через ось тороидального сердечника трансформатора) то обеспечить высокую прочность изоляции между первичной и вторичной обмотками конструктивно не составляет труда.
На рисунке 2 изображена структурная схема источника питания драйверов тиристорных ключей, разработанная для использования в высоковольтном регуляторе переменного напряжения (РПН) с вольтодобавочным трансформатором [3].
Рис. 2. Структурная схема источника питания драйверов.
Схема источника состоит из источника питания токовой петли (ИПТП), собственно токовой петли (ТП), трансформаторов тока ТТ1, ТТ2…ТТN, где: N – количество тиристорных ключей, и преобразователей ток/напряжение (ПТН). Питание ИПТП осуществляется от вспомогательного источника переменного напряжения UВСП.
Основным элементом схемы является ИПТП, нагрузкой которого служит ТП, представляющая собой провод, пронизывающий сердечники трансформаторов тока и являющийся частью последовательного LC – контура. ИПТП формирует в ТП переменный синусоидальный ток высокой частоты необходимой амплитуды. Для уменьшения габаритов сердечников ТТ рабочая частота токовой петли выбрана в диапазоне 45-50 кГц, при этом ток должен иметь синусоидальную форму с целью уменьшения электромагнитных помех и улучшения электромагнитной совместимости.
Вторичные обмотки ТТ подключены ко входам ПТН. Ток вторичных обмоток ТТ пропорционален току петли. ПТН, являющийся, по своей сути, нагрузкой ТТ, обеспечивает преобразование тока вторичной обмотки ТТ в напряжение питания драйвера СПК.
Мощность, потребляемая драйвером, определяется состоянием СПК (включен/выключен). Поскольку в РПН в определенные моменты времени одновременно могут быть включено разное количество СПК, то общее потребление мощности драйверами тоже будет различным. Это приведет к колебаниям тока ТП и, как следствие, колебаниям напряжения на выходе ПТН. Таким образом, ИПТП должен обеспечивать стабилизацию тока ТП. Кроме того, в процессе эксплуатации РПН возможны температурные изменения параметров реактивных элементов ТП, что может привести к изменению его резонансной частоты и рассогласованию резонансного контура ТП, что приведет, в свою очередь, к изменению тока ТП и искажению его формы. Также изменение напряжения вспомогательного источника питания ИПТП не должно приводить к изменению тока петли.
На основании изложенного можно сделать следующие выводы:
- питание ИПТП необходимо осуществлять от стабилизированного источника напряжения;
- ИПТП должен обеспечивать стабилизацию тока ТП;
- для обеспечения стабильности резонансной настройки резонансного контура ТП необходимо применение автоматической подстройки частоты.
About the authors
V. S. Tetyushkin
National Research Mordovia State University
Email: olegshishov@yandex.ru
Russian Federation
D. A. Matveev
National Research Mordovia State University
Email: olegshishov@yandex.ru
Russian Federation
S. B. Dmitriev
National Research Mordovia State University
Author for correspondence.
Email: olegshishov@yandex.ru
Russian Federation
References
- Воронин П. А. Силовые полупроводниковые ключи: семейства, характеристики, применение. – Изд. 2-е, перераб. и доп. – М.: Издательский дом «Додэка-XXI», 2010. – 384 с.
- Колпаков А. И. Драйверы SEMIKRON для управления тиристорными модулями // Компоненты и технологии. – 2004. – № 3. – С. 54.
- Нестеров С. А., Тетюшкин В. С., Матвеев Д. А. Статический регулятор напряжения для распределительных трансформаторов // Энергоэффективные и ресурсосберегающие технологии и системы. Материалы Международной научно-практической конференции / Редколлегия: П. В. Сенин [и др.], сост. С. Е. Федоров, отв. за выпуск В. Ф. Купряшкин. – Саранск, 2020. – С. 129–137.
Supplementary files









