Разработка системы управления режимами работы ЦТП котельной «Химмаш»
- Авторы: Ениватов А.В., Артемов И.И., Мочалин А.В.
- Выпуск: Том 11, № 5 (2023)
- Страницы: 52-57
- Раздел: Статьи
- Статья получена: 21.10.2024
- Статья одобрена: 21.10.2024
- URL: https://ogarev-online.ru/2311-2468/article/view/266999
- ID: 266999
Цитировать
Полный текст
Аннотация
В статье представлен анализ факторов, оказывающих наибольшее влияние на удельный расход электрической энергии в ЦТП. Для снижения влияния факторов предложена тепловая схема системы управления температуры горячей воды и схема узла учета ГВС с дополнительным оборудованием. При реализации предлагаемых мероприятий удельный расход электрической энергии снизится более чем в два раза, удельный расход топлива снизится на 10-15 кг у.т./Гкал.
Ключевые слова
Полный текст
Системы централизованного горячего водоснабжения оцениваются показателями эффективности [1] которые во многом зависят от группы и сочетания факторов. Их воздействие обуславливает многократный рост расчетного расхода греющего и нагреваемого теплоносителя и как следствие отклонения качественных паромеров (температуры и давления) теплоносителей, отпускаемых в сеть и потребителю. Дополнительными факторами также можно также выделить: качество управления характеристиками (производительностью и напором) повысительной и циркуляционной насосных станций; способа обеспечения пиковой тепловой нагрузки системы ГВС отдельных потребителей.
Для повышения эффективности работы системы ГВС от ЦТП «Химмаш» путем совершенствования системы управления режимами необходима оценка данных показателей для условий горячего водоснабжения от ЦТП котельной «Химмаш». Потребителями «горячей воды» ЦТП являются 41 жилых и административно-бытовых здания с суммарной средненедельной нагрузкой 2,25631 Гкал/ч. Общая характеристика сети ГВ Сот ЦТП
«Химмаш»: общая протяженность сети ГВС в однотрубном исчислении составляет 7833 м; средний наружный диаметр трубопроводов по материальной характеристике – 0,074 м.; объем трубопроводов сетей ГВС – 32,40 м³.
Обзор тепловых схем и схем управления системой ГВС в ЦТП установил, что в ЦТП применяют одноступенчатые и двух ступенчатые, параллельные и последовательные соединение теплообменного оборудования по отношению к греющему и нагреваемому теплоносителю со схемой управления по температуре горячей воды системы ГВС отпущенного потребителю [1]. На ЦТП котельной «Химмаш» применяется двухступенчатая последовательная схема. Так же имеется возможность в разных условиях подключения и по одноступенчатой, и по двухступенчатой параллельной. Управление осуществляется оператором дистанционно c применением блока управления Siemens S7-1200, корректируя задание в блоке управления котла. В зависимости от времени суток устанавливается та или иная температура на котлоагрегате.
В соответствии с методикой, приведенной [1; 2; 4] выполнена оценка затрат электрической энергии для системы ГВС от ЦТП котельной «Химмаш»:
, (1)
где ∆HH – развиваемый насосом напор, м; VH– расход воды при развиваемом напоре, м³/ч; ρ – плотность перекачиваемой воды, кг/м³; ηH – КПД насоса; ηэ – КПД электродвигателя.
Для повысительной насосной станции (при работе двух насосов) Vн =3,5м³/ч; ∆Hн = 34 м; ηн = 0,55.
5,95
Для циркуляционной насосной станции (при работе одного насоса) Vн = 25,35 м³/ч; ∆Hн = 35 м; ηн = 0,10.
24,05
Суммарный часовой расход электрической энергии насосными станциями составит 30 кВт·ч.
Фактический расход электрической энергии в условиях отсутствия автоматического регулирования и настроек системы может находится в широком диапазоне. На основании данных графиков насосов в диапазоне их работы мощности могут составить от 20,97 кВт до 38,25 кВт. Расчеты представлены ниже.
Для повысительной насосной станции при Vн = 5 м³/ч; ∆Hн = 35 м; ηн = 0,25.
1,898
при Vн = 67 м³/ч; ∆Hн= 28 м; ηн = 0,58.
8,77
Для циркуляционной насосной станции (при работе двух насосов) при Vн = 20 м3/ч; ∆Hн = 35 м; ηн = 0,1.
18,98
при Vн = 290 м3/ч; ∆Hн = 30 м; ηн = 0,80.
29,48
При этом качество снабжения потребителей горячей водой в соответствии со санитарными нормами и правилами при разных режимах фактической работы следует оценить после выполнения гидравлического расчета.
Для обоснования актуальности работы в соответствии с техническими характеристиками оборудования выполнена оценка плановых и допустимых фактических затрат электрической энергии на транспорт горячей воды системы ГВС. Плановый суммарный часовой расход электрической энергии насосными станциями 30 кВт·ч. Фактический расход электрической энергии в условиях отсутствия автоматического регулирования и настроек системы может находится в широком диапазоне от 20,97 кВт до 38,25 кВт.
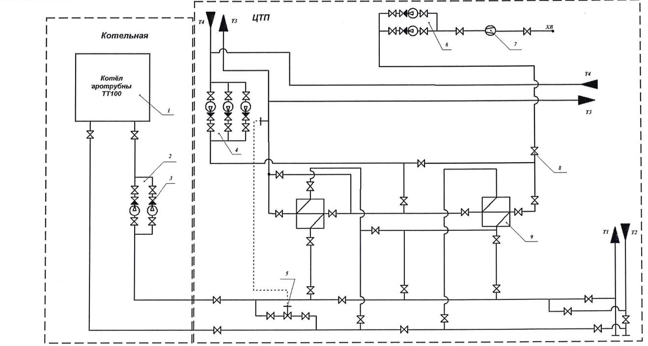
На рисунке 1 представлена схема системы управления температуры горячей воды. Для стабилизации температуры горячей воды в греющий контур «котлоагрегат- теплообменные аппараты» предлагаем включение перемычку между подающим и обратным трубопроводом с регуляторов расхода (напора) по поддержанию постоянного перепада давления прямого действия. В качестве уравновешивающей силы для данного регулятора использовать давление горячей воды отпущенного в систему ГВС. При возрастании потребления горячей воды давлений уменьшается, уменьшая пропускную способность перемычки между подающим и обратным трубопроводами контура.
Рис. 1. Тепловая схема системой управления температуры горячей воды: 1 – котел жаротрубный ТТ-100; 2 – насос сетевой К160/30; 3 – обратный клапан; 4 – насос циркуляционный К290/30; 5 – регулятор давления, РР-НО-100(0,1-0,63); 6 – насос повысительный К65-50-160; 7 – электромагнитный преобразователь расхода; 8 – запорная арматура; 9 – теплообменник ВВП 16-325-4000.
Результаты гидравлического расчета работы системы ГВС от ЦТП «Химмаш»: суммарный расход горячей воды по подающим трубопроводам при максимальной тепловой нагрузке 50,542 м³/ч; удельные линейные потери давления вводных участков (за отдельным исключением в обратном трубопроводе) находятся в предельной допустимой зоне до 300 Па/м; удельные линейные потери давления магистральных участков (за отдельным исключением) при условии одновременной максимальной нагрузки находятся выше предельного значения; суммарное падение напора при выше приведенных условиях наиболее загруженной магистрали (ЦТП – жилого дома ул. Менделеева №10) по подающему трубопроводу 2,925 м, по обратному 2,127 м.
Для реализации разработанных режимов на рисунке 2 представлена схема узла учета ГВС с дополнительным оборудованием: оборудование для управления температурой теплоносителя отпущенного в сеть системы ГВС; оборудование в тепловых узлах потребителя (на подающем трубопроводе вводного участка сети системы ГВС); регулятор давления, РР-НО-259(0,4-1,0) а также установки циркуляционного насоса на перемычке [3; 5].
Рис. 2. Схема теплового узла системы ГВС жилого дома: 1-первичный преобразователь расхода Ду32; 2-первичный преобразователь расхода Ду20; 3-задвижка чугунная фланцевая Ду50; 4-регулятор давления Ду32; 5-обратный клапан Ду50; 6-монометр; 7-кран; 8-фильт магнитно-механический Ду50; 9-кран шаровой Ду32; 10-кран спускной; 11-термометр; 12-15 фитинги; 16-насос циркуляционный DAB VA 35/180; 17-обратный клапан Ду32.
При реализации предлагаемых режимов мощности на приводах насосов будут следующие.
Для повысительной насосной станции (при работе двух насосов) при Vн = 35,5 м³/ч; ∆Hн = 34 м; ηн = 0,55.
5,95
Для циркуляционной насосной станции (при работе одного насоса) при Vн = 21,059 м³/ч; ∆Hн = 35 м; ηн = 0,3.
6,66
В режиме максимального водозабора составляет 9,94 кВт·ч· при потребление горячей воды 35,5 м³/ч. Удельный расход электрической энергии составит 0,355 кВт·ч/м³. Более двукратное снижение.
Мероприятия не затрагивает оптимизации сети ГВС, снижение нормативных потерь тепловой энергии не произойдет. Однако ввиду оптимизации расчетных расходов по участкам снизится фактическая средняя температура теплоносителя в сети, связи с чем нормативные потери тепловой энергии при транспортировки горячей воды снизятся не менее чем на 10%, что составляет 180,7 Гкал/год. Снижения фактических тепловых потерь в распределительной сети ГВС жилых домов можно принять как часть завышенного значения удельного расхода топлива при производстве тепловой энергии. Из производственных показателей завышение удельного расхода топлива за летний период составляет 20-25 м³/Гкал, что составляет более 78,6 тыс. м³ газа в год.
При реализации предлагаемых мероприятий удельный расход электрической энергии снизится на более чем в два раза. Снизится удельный расход топлива за счет снижения фактических тепловых потерь в теплосети ГВС и распределительной сети ГВС объектов на 10-15 кг у.т./Гкал.
Об авторах
А. В. Ениватов
Автор, ответственный за переписку.
Email: ogarevonline@yandex.ru
Россия
И. И. Артемов
Email: ogarevonline@yandex.ru
Россия
А. В. Мочалин
Email: ogarevonline@yandex.ru
Россия
Список литературы
- Ениватов А. В. Артемов И. Н., Девяткин Н. О. Совершенствование системы управления режимами работы централизованного горячего водоснабжения от центрального теплового пункта // Инженерный вестник Дона. – № 3. – 2021. – С. 241–253.
- Соколов Е. Я. Теплофикация и тепловые сети. Учебник для вузов. – М.: Издательский дом МЭИ, 2001. – 472 с.
- Штин Е. Н., Ильинский Н. Ф. Оптимизация систем горячего водоснабжения зданий // Радиоэлектроника, электротехника и энергетика: Пятнадцатая Междунар. науч.-техн. конф. студентов и аспирантов. Тез. докл. в 3-х т: Т. 2. – М.: Издательский дом МЭИ, 2009. – 480 с.
- МДК 4-05.2004 Методика определения потребности в топливе, электрической энергии и воде при производстве и передаче тепловой энергии и теплоносителей в системах коммунального теплоснабжения». Утверждена заместителем председателя Госстроя России от 12.08.2003. – Москва, 2004. – 79 с.
- Бычкова Е. В., Сарач Б. М., Штин Е. Н. Опыт использования регулируемого электропривода в системе горячего водоснабжения // Вестник МЭИ. – 2009. – № 1. – С. 183.
Дополнительные файлы








