Осинская подсвита усольской свиты нижнего кембрия центральной и южной частей Непско-Ботуобинской антеклизы: строение, условия формирования и биостратиграфическая характеристика
- Авторы: Токарев Д.А.1,2, Плюснин А.В.3, Терлеев А.А.1, Староселец Д.А.3, Никулин Е.В.3, Афонин И.В.4, Агашева Е.А.4
-
Учреждения:
- Институт нефтегазовой геологии и геофизики им. А.А. Трофимука СО РАН
- Новосибирский государственный университет
- Тюменский государственный университет
- Томский государственный университет
- Выпуск: Том 335, № 3 (2024)
- Страницы: 176-191
- Раздел: Статьи
- URL: https://ogarev-online.ru/2500-1019/article/view/267405
- DOI: https://doi.org/10.18799/24131830/2024/3/4275
- ID: 267405
Цитировать
Полный текст
Аннотация
Актуальность. Современная активная разведка и освоение углеводородсодержащих отложений Лено-Тунгусской нефтегазоносной провинции актуализировали исследования карбонатных пород осинской подсвиты. Особую перспективность среди них занимают работы, позволяющие выявить закономерности формирования ловушек нефти и газа.
Цель: представить результаты литолого-фациального, биостратиграфического и петрофизического изучения осинского горизонта южной и центральной части Непско-Ботуобинской антеклизы.
Объекты: карбонатные породы средней (осинской) подсвиты усольской свиты томмотского яруса нижнего кембрия, изученные по керну скважин.
Методы: комплекс ГИС, детальное литолого-седиментологическое описание керна, секвенс-стратиграфический анализ, петрографический анализ 300 образцов и изучение палеонтологических остатков кернового материала.
Результаты. На основании выполненных исследований выделены, прослежены и впервые описаны три зоны осадконакопления: глубоководная, краевая и мелководная. Для глубоководной зоны характерно некомпенсированное осадконакопление, присутствие одиночных рифов и приуроченность к депрессионным впадинам и прогибам. Она окаймлялась краевой зоной карбонатной платформы, связанной с повышенными толщинами подсвиты и распространением по площади рифов. Следом за ней располагалась мелководная зона, представленная средними и уменьшенными толщинами осинской подсвиты, её отложения сложены породами карбонатного зернистого и глинистого составов с маломощными одиночными рифами. Локализованная краевая зона карбонатной платформы протяжённого распространения согласуется с ранее выделенными Чамбинско-Алтыбско-Мирнинской и Верхнетохомско-Катско-Пилюдинской зонами распространения рифоподобных органогенных построек. На основании изученных скважин выполнено описание строения трех пачек согласно литолого-фациальному профилю. Приведен авторский вариант проведения границ пачек. Выявлено, что в глубоководной зоне перспективы поиска пород-коллекторов связаны с одиночными карбонатными постройками, в краевой с площадным биогермом, а в мелководной с детритовыми отложениями и мелкими биогермами. Показана приуроченность палеонтологических находок к выделенным зонам осадконакопления и пачкам. Определено, что в формировании второй и третьей пачек, краевой зоны карбонатной платформы участвовали водоросли, диагностированные в баундстоунах (автохтонные). Археоциаты диагностированы в детритовых карбонатных породах второй пачки (аллохтонные) в скв. № 7 и автохтонные в баундстоунах скв. 2Х. Крибрициаты найдены в баундстоунах третьей пачки (автохтонные). Археоциаты, крибрициаты, намакалатусы, известковые водоросли, изученные из керна скважин Западно-Ярактинская № 45, 361, Большетирская № 7, 3Х, 2Х, 4Х, 5Х, 6Х, являлись основными эдификаторами раннекембрийских органогенных построек (биостромы, биогермы, биогермные массивы, рифогенные образования).
Полный текст
Введение
Венд-кембрийский карбонатный комплекс юга Восточной Сибири в последнее время представляет собой объект пристального внимания геологов-нефтяников, так как является одним из основных нефтегазопродуктивных горизонтов Лено-Тунгусской провинции. Наибольшие перспективы в Иркутской области связывают с осинским продуктивным горизонтом. Уже доказана его продуктивность на таких месторождениях, как Марковское, Талаканское, Ичединское, Северо-Даниловское и др. [1]. В настоящий период в пределах всей Лено-Тунгусской нефтегазоносной провинции ведутся активные геологоразведочные работы, что делает исследования карбонатов осинской подсвиты особенно актуальными, поскольку результаты подобных изучений позволят установить закономерности образования ловушек углеводородов. Работа является продолжением цикла публикаций, посвящённых строению осинской карбонатной эпиконтинентальной платформы [2–5]. В настоящем исследовании авторы публикуют результаты комплексного литолого-биостратиграфического исследования различных типов разреза осинской подсвиты.
Объект и методы исследования
Основой для работы послужили результаты литолого-фациального и секвенс-стратиграфического анализа керна карбонатных пород осинской подсвиты, вскрытых скважинами Западно-Ярактинскими № 45 и 361, № 7 Большетирской, а также № 1Х, 2Х, 3Х, 4Х, 5Х и 6X. Территориально скважины располагаются на севере Иркутской области, в междуречье р. Лены и Нижней Тунгуски (рис. 1, а, b).
Общий метраж изученного керна составил более 900 м. Помимо этого изучался комплекс ГИС, включавший гамма- (ГК) и нейтронный-гамма (НГК) каротажи. Проведено петрографическое изучение шлифов в количестве 600 шт. При построении концептуальной фациальной схемы (рис. 1, с) использовались данные ГИС 875 скважин, а также данные сейсморазведочных работ 2D МОГТ. При литолого-фациальных, секвенс-стратиграфических и петрографических исследованиях применялась литература, перечисленная в работах [5–15], а также источники, посвящённые моделированию карбонатных систем [16–18].
Рис. 1. Район исследования (a) и местоположение изученных скважин на схеме тектонического районирования (b) и концептуальной фациальной схеме осинского шельфа (c). Условные обозначения к рисункам (a) и (b): 1 – граница Сибирской платформы; 2 – граница Непско-Ботуобинской антеклизы; 3 – номера изученных скважин. Условные обозначения к рисунку (с): 1 – зона мелководной седиментации; 2 – площадная рифовая система, окаймляющая крупные прогибы и впадины; 3 – относительно глубоководная зона; 4 – гидросеть; 5 – города; 6 – точки изученных скважин. Знаком вопроса отмечены участки с недостаточными скважинными данными (Вопросами обозначены области, не представленные скважинными данными)
Fig. 1. Study area (a) and location of the studied wells in the tectonic zoning scheme (b) and conceptual facies scheme of the Osinsky shelf (c). Symbols for figures (a) and (b): 1 – boundary of the Siberian platform; 2 – boundary of the Nepa-Botuoba anteclise; 3 – numbers of studied wells. Symbols for figure (c): 1 – zone of shallow water sedimentation; 2 – area reef system, bordering large troughs and depressions; 3 – deep water zone; 4 – hydraulic network; 5 – cities; 6 – points of the studied wells. A question marks areas with insufficient well data (Questions indicate areas not represented by borehole data)
Краткие сведения о геологическом строении
Объект изучения – карбонатные породы средней (осинской) подсвиты усольской свиты томмотского яруса нижнего кембрия. Осинская подсвита выделена М.А. Жарковым и В.В. Хоментовским [19, 20]. Стратотип находится в Иркутской области, в скважинах вблизи г. Усолье-Сибирское. Изучаемые разрезы скважин Непско-Ботуобинской антеклизы (НБА) соответствуют Непской зоне Ангаро-Непского фациального района, Иркутско-Байкитской области, и Ботуобинскому фациальному району, Ботуобинско-Олекминской фациальной области, которые входят в Турухано-Иркутско-Олекминский регион [21].
Непская фациальная зона, с типовым разрезом скв. Ярактинская-27, охватывает юг и центр НБА. Усольская свита делится на три подсвиты. Нижняя – галогенно-доломитовая, в интервале от подошвы свиты до подошвы осинской подсвиты. Среднеусольская (осинская) подсвита сложена карбонатными и сульфатно-карбонатными породами. Промышленные притоки углеводородов в осинской подсвите выделяются в одноимённый продуктивный горизонт. Верхнеусольская подсвита сложена карбонатно-галогенными породами. Осинская рифовая система окаймляет частично НБА по внешнему краю и на исследуемом участке прослеживается с севера на юг от Среднеботуобинского месторождения к Талаканскому и далее субпараллельно границе с Предпатомским прогибом. На севере она проходит субширотно по юго-восточному борту Тунгусской синеклизы. Содержание пород-коллекторов уменьшается по мере удаления от рифовой зоны от 50 до 5 % от мощности разреза, как в сторону развития глинисто-карбонатной подформации склона, так и в сторону лагунных и приливно-отливных отложений [22].
Литолого-фациальное строение
Основными типами пород, формирующими изучаемые отложения, являются в различной степени доломитизированные известняки, глинистые известняки и доломиты, а также сульфатизированные доломиты, переходящие в ангидриты.
В изученных разрезах осинского горизонта выделены типы пород, закономерно сменяющие друг друга по разрезу снизу вверх и соответствующие различным фациальным обстановкам мелководного шельфа. Детальное описание авторами рассмотрено в работах [1, 2]. Далее кратко перечислим их: 1. Доломитовый плоско-галечный конгломерат (флоатстоун); 2. Доломиты известковистые до известняков доломитистых (Породы), кристаллические, реликтово-мелкообломочные (грейнстоун); 3. Породы с несохранившейся первичной структурой; 4. Породы микритовые со структурой мадстоун; 5. Породы микрофитолитовые со структурой пакстоун; 6. Породы микрофитолитовые со структурой грейнстоун; 7. Породы реликтово-мелкообломочные со структурой грейнстоун и рудстоун; 8. Породы реликтово-микробиальные со структурой баундстоун; 9. Породы органогенно-микробиальные (цианобактериально-водорослевые), включая пластовые строматолиты или биоламиниты, со структурой баундстон; 10. Карстовая щебенчато-глыбовая брекчия известняков доломитистых, галитистых и микробиальных; 11. Породы микробиально-водорослевые со структурой баундстоун; 12. Породы строматолитовые со структурой байндстоун.
Выделенные выше литотипы были объединены в несколько групп по структурным признакам: глинистые, породы со структурой мадстоун (ЛТ-4); зернистые: пакстоун, грейнстоун и рудстоун (5, 6, 2, 7); обломочные, со структурой флоатстоун (1, 10); органогенные, баунстоун (8, 9, 11, 12).
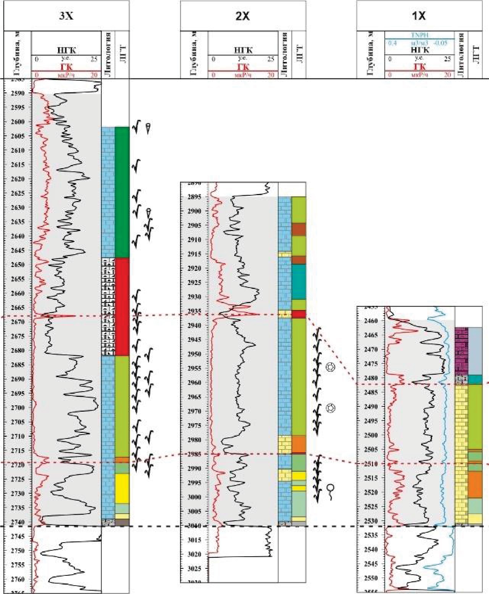
Формирование отложений происходило в условиях сублиторали, литорали и супралиторали. На (рис. 2–4) показана схема корреляции изученных скважин с распределением выделенных типов пород и обстановок осадконакопления (рис. 5).
Рис. 2. Схема корреляции изученных скважин (начало)
Fig. 2. Well survey correlation scheme (beginning)
Рис. 3. Схема корреляции изученных скважин (продолжение)
Fig. 3. Well survey correlation scheme (continuation)
Рис. 4. Схема корреляции изученных скважин (окончание)
Fig. 4. Well survey correlation scheme (ending)
Рис. 5. Условные обозначения к рис. 2–4. Линии и границы: 1 – линия выравнивания, подошва осинской подсвиты; 2 – достоверные границы пачек внутри осинской подсвиты; 3 – предполагаемые границы пачек. Номер пачки (4). Литология: 1 – известняки доломитистые и доломитовые; 2 – доломиты известковистые и известковые; 3 – доломиты глинистые; 4 – карбонатные брекчии; 5 – ангидриты доломитистые и ангидриты. Типы пород: 1 – доломитовый плоско-галечный конгломерат; 2 – доломиты известковистые до известняков доломитистых, кристаллические, реликтово мелкообломочные (грейнстоун); 3 – породы с несохранившейся первичной структурой; 4 – породы микритовые со структурой мадстоун; 5 – породы микрофитолитовые со структурой пактсоун; 6 – породы микрофитолитовые со структурой грейнстоун; 7 – породы реликтово-мелкообломочные со структурой грейнстоун; 8 – породы реликтово-микробиальные со структурой баундстоун; 9 – породы органогенно-микробиальные (цианобактериально-водорослевые), включая пластовые строматолиты или биоламиниты, со структурой баундстон; 10 – карстовая щебенчато-глыбовая брекчия известняков доломитистых, галитистых и микробиальных; 11 – породы микробиально-водорослевые со структурой баундстоун; 12 – породы строматолитовые со структурой байндстоун. Распределения типов пород по обстановкам осадконакопления: 1 – субаэральный перерыв (супралитораль); 2 – себха на супралиторали; 3 – верхняя литораль; 4 – нижняя литораль; 5 – верхняя сублитораль; 6 – нижняя сублитораль. Палеонтологические находки: 1 – известковые водоросли; 2 – археоциаты; 3 – мелкораковинная фауна; 4 – крибрициаты; 5 – проблематика
Fig. 5. Symbols for Fig. 2–4. Lines and boundaries: 1 – alignment line, the sole of the Osinskaya subformation; 2 – reliable boundaries of bundles inside the Osinskaya subformation; 3 – assumed boundaries of bundles. Pack number (4). Lithology: 1 – dolomitic and dolomitic limestones; 2 – calcareous and calcareous dolomites; 3 – clay dolomites; 4 – carbonate breccias; 5 – dolomitic anhydrites and anhydrites. Types of rocks: 1 – dolomite flat-pebble conglomerate; 2 – dolomites calcareous to dolomitic limestones, crystalline, relict small-block (grainstone); 3 – rocks with non-preserved primary structure; 4 – micrite rocks with madstone structure; 5 – microphytolite rocks with paktsoun structure; 6 – microphytolite rocks with grainstone structure; 7 – relict-small-block rocks with grainstone structure; 8 – relict-microbial rocks with boundstone structure; 9 – organogenic-microbial rocks (cyanobacterial-algae), including stratified stromatolites or biolaminites, with a boundstone structure; 10 – karst crushed-block breccia of dolomitic, halitic and microbial limestones; 11 – microbial-algal rocks with a boundstone structure; 12 – stromatolite rocks with a bindstone structure. Distribution of rock types by sedimentation conditions: 1 – subaeral break (supralitoral); 2 – sebha on the supralitoral; 3 –upper littoral; 4 – lower littoral; 5 – upper sublitoral; 6 – lower sublitoral. Paleontological finds: 1 – calcareous algae; 2 – archaeocyates; 3 – small-scale fauna; 4 – cribritiates; 5 – problematics
Зональность осинского шельфа
Анализ карт толщин, материалов сейсморазведки, ГИС и керна на большой площади юга и центра НБА позволил выделить и дифференцировать три зоны (макрофации), характеризующиеся определенным набором признаков.
Относительно глубоководная зона характеризовалась некомпенсированным осадконакоплением. Соответствует глубинам сублиторали в пределах шельфа. Локализовалась, по-видимому, в депрессионных впадинах и прогибах на мелководном шельфе (рис. 1, с). Литологически разрез представлен карбонатными глинистыми породами с прослоями зернистых и обломочных пород. От центральной части глубоководных зон к их периферии могут появляться одиночные биогермы. Биогермы представлены в основном конусовидными высокими, но небольшими по площади, органогенными постройками типа башен (пиннаклы по английской терминологии). Мощность до 100 м. Разрез краевой части такого пиннакла изучен в скв. 5Х на юго-западе Непского свода (рис. 4).
Краевая зона карбонатной платформы характеризуется повышенными толщинами, изрезанностью, неоднородностью, увеличивающимися в сторону глубоководной зоны, которую она окаймляет, и простирается в субмеридиональном направлении через Большетирское, Ичединское месторождения до свода НБА, где далее разворачивается в субширотном направлении и простирается на 130 км, заканчиваясь на Талаканском месторождении (рис. 1, с). Ширина зоны в поперечнике может достигать 4,5–11 км.
Во фронтальной части краевой зоны располагаются шлейфовые образования (склоновая часть краевой зоны). Примером служит скважина Западно-Ярактинская 361, описанная в работе [2]. Отложения представлены карбонатными зернистыми (преимущественно грейнстоун, рудстоун) и обломочными (флоатстоун) разностями с прослоями карбонатно-глинистых (мадстоун, вакстоун) пород. Мощность отложений в изученной скважине составляет 38 м.
Разрезы органогенных построек краевой зоны карбонатной платформы имеют сложное строение и неравномерную структуры. Преобладают органогенные породы. Они изучены в скважинах Западно-Ярактинская 45 [2], Большетирская 7 [1], а также 1X, 2Х, ЗХ, 4Х. Мощность отложений колеблется в диапазоне от 70 до 115 м, закономерно сокращаясь в сторону мелководья (рис. 2, 3).
Мелководная зона характеризуется средними и уменьшенными мощностями осинской подсвиты, карбонатным зернистым и глинистым составом отложений с маломощными одиночными биогермами изометричной и неправильной формы типа пэтч-риф. Мощность отложений колеблется в диапазоне 55–75 м. Разрез мелководной зоны изучен в скв. 6Х (рис. 4).
Строение и условия формирования
Осинская подсвита имеет трехчленное строение и разделяется исследователями на три пачки, или секвенса [1]. Далее по тексту авторы рассмотрят особенности строения каждой из пачек в зависимости от зоны шельфа.
Нижняя пачка (1) представлена известняками, реже доломитами (зернистыми, органогенными и обломочными) с прослоями карбонатно-глинистых и сульфатно-карбонатных пород. Накопление отложений происходило в условиях приливно-отливной равнины открытого мелководного шельфа. По керну диагностированы фации литорали и верхней (мелководной) сублиторали. Мощность пачки изменяется от первых метров до первых десятков метров. Вариации мощностей обусловлены унаследованным от предыдущего этапа рельефом дна и гидродинамическим режимом. Согласно схеме корреляции, показанной на (рис. 2–4), видно, что мощность отложений пачки в скважинах, попавших в зону краевой части карбонатной платформы, выше, чем в других скважинах. При этом дифференциация зон оскопления еще не произошла.
Средняя пачка (2) представлена карбонатно-глинистыми и глинисто-карбонатными породами в глубоководной зоне, карбонатными (зернистыми, органогенными и обломочными) породами в краевой зоне и карбонатными (органогенными и зернистыми) в мелководной зоне. Накопление отложений связано со вторым этапом осадконакопления. В это время общая трансгрессия достигла максимума и способствовала активной дифференциации отложений шельфа в период седиментации осинского горизонта. Далее по тексту рассмотрим особенности строения пачки в различных зонах.
Глубоководная зона с одиночными биогермами. В разрезе одиночного биогерма преобладают органогенные и органогенно-обломочные доломиты и известняки слоистые и пятнистые водорослевые, микрофитолитовые, сгустково-комковатые. Мощность отложений значительно меньше, чем в зоне краевой части карбонатной платформы, так как скважина вскрыла краевую часть.
Краевая зона карбонатной платформы. В разрезе склоновой части доминируют обломочные и органогенные доломиты. Разрезы органогенных построек представлены главным образом доломитами и известняками органогенными водорослевыми и микробиальными (баундстоунами), образующими каркасные постройки краевой зоны мощностью порядка 40–60 м. В скважинах Западно-Ярактинская 45, Большетирская 7, ЗХ и 2Х, как показано на рис. 2, в верхней части хорошо выражена и прослеживается по ГИС зона карста между 2 и 3 пачками мощностью до 20 м.
Мелководная зона в разрезе скважины 6Х представлена доломитами зернистыми (преимущественно пакстоун) с прослоями баундстоунов. Формирование отложений происходило в приливно-отливных и супралиторальных условиях. Разделение на пачки в донном разрезе дискуссионно.
Верхняя пачка (3) представлена карбонатными и карбонатно-глинистыми обломочными, органогенными, зернистыми породами, а также сульфатами. Накопление отложений связано с высоким и стабильным уровнем моря. Далее по тексту рассмотрим особенности строения пачки в различных зонах.
Глубоководная зона. В разрезе преобладают глинисто-карбонатные породы.
Краевая зона карбонатной платформы. В разрезе склоновой части доминируют доломиты обломочные. Разрезы органогенных построек представлены главным образом известняками, реже доломитами органогенными, образующими постройки мощностью порядка 30–50 м. Изменение в строении наблюдается в скважинах 2X и 1X. В 2Х наблюдается переход на более мелководные отложения (переходный подтип). В переходном подтипе наблюдается наличие прослоев грейнстоунов от слабоволнистых до косослоистых и пачка пластовых строматолитов с повышенными значениями гамма-каротажа. В скважине IX наблюдаются пластовые ангидриты, по-видимому, сформировавшиеся в изолированных условиях забарьерной лагуны.
Мелководная зона представлена карбонатнымизернистыми породами с прослоями глинисто-карбонатных и ангидритов. Обстановки схожи со второй пачкой.
Биостратиграфическая характеристика
При микроскопическом изучении палеонтологических остатков керна скважин осинской подсвиты усольской свиты раннего кембрия центральной и южной части НБА (скважины: Западно-Ярактинская № 45, 361, Большетирская № 7X, 3X, 2Х, 4X, 5X, 6X) отчетливо выделяются комплексы органических остатков (известковые водоросли, археоциаты, крибрициаты, мелкораковинная фауна) (рис. 6, 7). Проведенный палеонтологический и биостратиграфический анализ подтверждает раннекембрийский возраст вмещающих отложений.
Рис. 6. Фототаблица палеонтологических находок из осинской подсвиты. Фиг. 1. Archaeocyatha. шл. № 132645 гл. 2955,52 м; Фиг. 2. Archaeocyatha. шл. № 132662 гл. 2969,57 м; Фиг. 3. Namacalathus sp. шл. № 132701 гл. 2997,68 м; Фиг. 4. Namacalathus sp. шл. № 132701 гл. 2997,68 м; Фиг. 5. Renalcis polymorphus. шл. № 132645 гл. 2955,52 м; Фиг. 6. Bija sp, Korilophyton sp. шл. № 132645 гл. 2955,52 м; Фиг. 7. Renalcis granosus. шл. № 129414 гл. 2113,80 м; Фиг. 8. Archaesphaera cambrica. шл. № 89 гл. 1787,63 м; Фиг. 9. Renalcis seriata, Renalcis granosus. шл. № 105698 гл. 23786,19 м; Фиг. 10. Renalcis levis. шл. № 105703 гл. 2379,33 м; Фиг. 11. Chabakovia sp. шл. № 129414 гл. 2113,80 м; Фиг. 12. Ramifir sp. шл. № 105703 гл. 2379,33 м; Фиг. 13. Archaeocyatha. шл. № 132664 гл. 2970,50 м; Фиг. 14. Renalcis seriata. шл. № 132685 гл. 2991,33 м; Фиг. 15. Korilophyton sp. шл. № 132662 гл.
Fig. 6. Photo table of paleontological finds from the Osinskaya subformation. Fig. 1. Archaeocyatha. schl. no. 132645 chl. 2955.52 m; Fig. 2. Archaeocyatha. schl. no. 132662 hl. 2969.57 m; Fig. 3. Namacalathus sp. shl. no. 132701 hl. 2997.68 m; Fig. 4. Namacalathus sp. fl. no. 132701 hl. 2997.68 m; Fig. 5. Renalcis polymorphus. fl. no. 132645 hl. 2955.52 m; Fig. 6. Bija sp., Korilophyton sp. sl. no. 132645 hl. 2955.52 m; Fig. 7. Renalcis granosus. fl. no. 129414 hl. 2113.80 m; Fig. 8. Archaesphaera cambrica. fl. no. 89 hl. 1787.63 m; Fig. 9. Renalcis seriata, Renalcis granosus. fl. no. 105698 hl. 23786.19 m; Fig. 10. Renalcis levis. fl. no. 105703 hl. 2379.33 m; Fig. 11. Chabakovia sp. fl. no. 129414 hl. 2113.80 m; Fig. 12. Ramifir sp. fl. no. 105703 hl. 2379.33 m; Fig. 13. Archaeocyatha. fl. no. 132664 hl. 2970.50 m; Fig. 14. Renalcis seriata. fl. no. 132685 hl. 2991.33 m; Fig. 15. Korilophyton sp. fl. no. 132662 hl.
Рис. 7. Фототаблица палеонтологических находок из осинской подсвиты. Фиг. 1. Dubius uncatus. шл. № 140692 гл. 2602,69 м; Фиг. 2. Ramifir angulosus. шл. № 140724 гл. 2633,39 м; Фиг. 3. Botomaella sp. шл. № 140716 гл. 2626,54 м; Фиг. 4. Epiphyton scapulum. шл. № 140800 гл. 2684,48 м; Фиг. 5. Archaeocyatha. шл. № 140806 гл. 2688,80 м; Фиг. 6. Renalcis seriata. шл. № 140808 гл. 2690,65 м; Фиг. 7. Renalcis seriata. шл. № 140830 гл. 2712,42 м; Фиг. 8. Renalcis polymorphus. шл. № 140830 гл. 2712,42 м; Фиг. 9. Renalcis granosus. шл. № 140808 гл. 2690,65 м; Фиг. 10. Korilophyton inopinatum. шл. № 140802 гл. 2686,05 м; Фиг. 11. Renalcis levis. шл. № 140763 гл. 2661,59 м; Фиг. 12. Namacalathus sp. шл. № 118398 гл. 2567,65 м; Фиг. 13. Namacalathus. шл. № 110540 гл. 2488.72 м; Фиг. 14. Tubophyllum viktorii. шл. № 140814 гл. 2696,52 м. Фиг. 1–11, 14 – 3Х. Фиг. 12 – Западно-Ярактинская 361; 13 – Западно-Ярактинская 45
Fig. 7. Photo table of paleontological finds from the Osinskaya subformation. Fig. 1. Dubius uncatus. shl. no. 140692 hl. 2602.69 m; Fig. 2. Ramifir angulosus. fl. no. 140724 hl. 2633.39 m; Fig. 3. Botomaella sp. fl. no. 140716 hl. 2626.54 m; Fig. 4. Epiphyton scapulum. fl. no. 140800 hl. 2684.48 m; Fig. 5. Archaeocyatha. fl. no. 140806 hl. 2688.80 m; Fig. 6. Renalcis seriata. fl. no. 140808 hl. 2690.65 m; Fig. 7. Renalcis seriata. shl. no. 140830 hl. 2712.42 m; Fig. 8. Renalcis polymorphus. fl. no. 140830 hl. 2712.42 m; Fig. 9. Renalcis granosus. vll. no. 140808 hl. 2690.65 m; Fig. 10. Korilophyton inopinatum. ch. no. 140802 ch. 2686.05 m; Fig. 11. Renalcis levis. ch. 140763 ch. 2661.59 m; Fig. 12. Namacalathus sp. ch. no. 118398 ch. 2567.65 m; Fig. 13. Namacalathus. ch. 110540 ch. 2488.72 m; Fig. 14. Tubophyllum viktorii. sch. no. 140814 hl. 2696.52 m. Figs. 1–11, 14 – 3X. Figs. 12 – Zapadno-Yaraktinskaya 361; 13 – Zapadno-Yaraktinskaya 45
В отложениях, вскрытых скважиной Западно-Ярактинская № 45, ранее нами были обнаружены и определены остатки известковых водорослей (цианобактерий): Renalcis polymorphum, Renalcis levis, Botomaella zelenovi, Epiphyton zonatum Korde, Epiphyton celsum, Epiphyton scapulum, Chabakovia ramosa, Chabakovia nodosa, а также мелкораковинная фауна Namacalathus sp (рис. 6, фиг. 13). В скважине № 361 – известковые водоросли Renalcis polymorphum, Renalcis granosus, Renalcis sp, Renalcis levis, Renalcis seriata, Korilophyton sp (рис. 7, фиг. 15), Chabakovia sp и SSF Namacalathus Grotzinger (рис. 7, фиг. 12). С глубинами обнаруженных остатков можно познакомиться в публикации [2].
Скважина Большетирская № 7. Археоциаты рода Nochoroicyathus Zhur. и известковые водоросли Renalcis polymorphum, Renalcis gelatinosum, Renalcis granosum, Botomaella zelenovi. Помимо этого, встречена мелкораковинная фауна рода Namacalathus Grotzinger, Watters et Knoll. [1].
Скважина 3X. Известковые водоросли: Botomaella sp (рис. 7, фиг. 3), Epiphyton scapulum (рис. 7, фиг. 4), Epiphyton zonatum, Renalcis seriata (рис. 7, фиг. 6, 7), Renalcis polymorphus (рис. 7, фиг. 8), Renalcis granosus (рис. 6, фиг. 9), Renalcis levis (рис. 7, фиг. 11), Korilophyton inopinatum (рис. 7, фиг. 10), Tubophyllum viktorii (рис. 7, фиг. 14), Chabakovia sp; крибрициатиды: Dubius uncatus (рис. 7, фиг. 1), Ramifir angulosus (рис. 7, фиг. 2), а также археоциаты отряда Ayacicyathida (рис. 7, фиг. 5).
Скважина 2X. Известковые водоросли: Renalcis polymorphus (рис. 6, фиг. 5), Renalcis seriata (рис. 6, фиг. 14), Bija sp (рис. 6, фиг. 6), Korilopyton sp (рис. 6, фиг. 6); археоциаты (рис. 6, фиг. 1, 2, 13), мелкораковинная фауна Namacalathus sp (рис. 6, фиг. 3, 4).
Скважина 4X. Известковые водоросли: Renalcis levis (рис. 6, фиг. 10), Renalcis seriata, Renalcis granosus; крибрициатиды: Ramifir sp (рис. 6, фиг. 12); мелкораковинная фауна Namacalathus sp.
Скважина 5X. Известковые водоросли: Renalcis granosus, Renalcis polymorphus, Chabakovia sp (рис. 6, фиг. 11).
Скважина 6X. Проблематика (фораминиферы?) Archaesphaera cambrica (рис. 6, фиг. 8).
Представители мелкораковинной фауны рода Namacalathus Grodzinger характерны для эдиакарских отложений по всему миру [23–28]. Нами впервые они были обнаружены и описаны совместно с археоциатами в керне скважины Большетирская № 7 [1], что говорит и о ее раннекембрийском возрасте.
Согласно полученным результатам исследований выявлена следующая приуроченность палеонтологических находок, представленная в таблице.
Таблица. Приуроченность палеонтологических находок к макрофациям и пачкам
Table. Relevance of paleontological findings to macrophages and kidneys
Скважина Well | Макрофация Macrofation | Пачка Member | Палеонтологические находки/Paleontological finds |
№ 361 | Склоновая часть краевой зоны Slope part of the marginal zone | Нижняя Lower | Известковые водоросли Renalcis polymorphum, Renalcis granosus, Renalcis sp, Renalcis levis, Renalcis seriata, Korilophyton sp, Chabakovia sp, и SSF Namacalathus Grotzinger Calcareous algae Renalcis polymorphum, Renalcis granosus, Renalcis sp, Renalcis levis, Renalcis seriata, Korilophyton sp, Chabakovia sp, and SSF Namacalathus Grotzinger |
№ 45 | Краевая зона карбонатной платформы Marginal zone of the carbonate platform
| Верхняя Upper | Остатки известковых водорослей (цианобактерий) Renalcis polymorphum, Renalcis levis, Botomaella zelenovi, Epiphyton zonatum Korde, Epiphyton celsum, Epiphyton scapulum, Chabakovia ramosa, Chabakovia nodosa; мелкораковинная фауна Namacalathus sp Remains of calcareous algae (cyanobacteria) Renalcis polymorphum, Renalcis levis, |
№ 7 | Средняя Medium | Археоциаты рода Nochoroicyathus Zhur.; известковые водоросли Renalcis polymorphum, Renalcis gelatinosum, Renalcis granosum, Botomaella zelenovi; Archaeocyaths of the genus Nochoroicyathus Zhur.; calcareous algae Renalcis | |
3X | Верхняя Upper | Крибрициатиды: Dubius uncatus, Ramifir angulosus; археоциаты Cribriciatids: Dubius uncatus, Ramifir angulosus; archaeocyathids | |
Средняя Medium | Epiphyton scapulum, Epiphyton zonatum, Renalcis seriata, Renalcis polymorphus, | ||
2X | Средняя Medium | Известковые водоросли: Renalcis polymorphus, Bija sp, Korilopyton sp; археоциаты Calcareous algae: Renalcis polymorphus, Bija sp, Korilopyton sp; archaeocyaths | |
Нижняя Lower | Мелкораковинная фауна Namacalathus sp., Renalcis seriata Small crustacean fauna Namacalathus sp., Renalcis seriata | ||
4X | Средняя Medium | Известковые водоросли: Renalcis levis, Renalcis seriata, Renalcis granosus; Calcareous algae: Renalcis levis, Renalcis seriata, Renalcis granosus; | |
5X | Пиннаклы на относительно глубоководной зоне Рinnacles in a relatively deep-water area | Верхняя Upper | Известковые водоросли: Renalcis granosus, Renalcis polymorphus, Chabakovia sp. Calcareous algae: Renalcis granosus, Renalcis polymorphus, Chabakovia sp.
|
6X | Мелководная часть карбонатной платформы Shallow part of the carbonate platform | Средняя Medium | Проблематика (фораминиферы?) Archaesphaera cambrica. Problematics (foraminifera?) Archaesphaera cambrica.
|
Заключение
- Проведение региональных геологоразведочных работ на НБА позволило выделить, проследить и впервые описать три зоны осадконакопления – глубоководную, краевую и мелководную. Глубоководная зона характеризовалась некомпенсированным осадконакоплением с одиночными рифами. Локализовалась, по-видимому, в депрессионных впадинах и прогибах. Ее окаймляла краевая зона карбонатной платформы. Она характеризуется повышенными толщинами, связанными с площадными рифами. За ней располагалась мелководная зона, характеризующаяся средними и уменьшенными мощностями осинской подсвиты, карбонатным зернистым и глинистым составом отложений с маломощными одиночными рифами. Краевая зона карбонатной платформы, имеющая протяженное распространение, не противоречит работам предшественников и согласуется с Чамбинско-Алтыбско-Мирнинской и Верхнетохомско-Катско-Пилюдинской зонами распространения рифоподобных органогенных построек [29].
- На примере изученных скважин описано строение трех пачек согласно литолого-фациальному профилю. Приведен авторский вариант проведения границ пачек. Перспективы обнаружения коллекторов в глубоководной зоне связаны с одиночными постройками. В краевой зоне связаны как с площадным биогермом, так и с отложениями передового шлейфа (склоновыми отложениями). В мелководной зоне – как с детритовыми отложениями, так и с мелкими биогермами. Главным условием является отсутствие вторичного засолонения и сульфатизации пустотного пространства коллекторов.
- Представлены данные приуроченности палеонтологических находок к выделенным зонам осадконакопления и пачкам. В формировании второй и третей пачек, краевой зоны карбонатной платформы участвовали водоросли, диагностированные в баундстоунах, а значит автохтонные. Археоциаты диагностированы в детритовых карбонатных породах второй пачки (аллохтонные) в скв. № 7 и автохтонные в баундстоунах скв. 2Х. Крибрициаты диагностированы в баундстоунах третьей пачки (автохтонные).
- Археоциаты, крибрициаты, намакалатусы, известковые водоросли, изученные из керна скважин Западно-Ярактинская № 45, 361, Большетирская № 7, 3Х, 2Х, 4Х, 5Х, 6Х, являлись основными эдификаторами раннекембрийских органогенных построек (биостромы, биогермы, биогермные массивы, рифогенные образования) [30]. Для этой биоты характерны небольшие глубины (первые десятки метров, фотическая зона) литорали–сублиторали. Полученные палеонтолого-биостратиграфические данные подтверждают и существенно дополняют результаты проведенного литолого-фациального исследования.
- Выделенные зоны осинского шельфа (относительно глубоководная, краевая часть и мелководная часть карбонатной платформы) в первую очередь отличаются характером захоронения организмов. В биогермах и биостромах мы находим в первую очередь автохтонную биоту. Зернистые осадки, в частности мелководной зоны, характеризуются аллохтонной биотой. Выделение биофаций для характеристики разных типов разреза затруднено неравномерной доломитизацией разреза. В известняках мы можем увидеть и определить больше биоты, чем в доломитах.
Об авторах
Дмитрий Александрович Токарев
Институт нефтегазовой геологии и геофизики им. А.А. Трофимука СО РАН; Новосибирский государственный университет
Email: Tokarevda@ipgg.sbras.ru
кандидат геолого-минералогических наук, старший научный сотрудник Институт нефтегазовой геологии и геофизики им. А.А. Трофимука СО РАН; старший преподаватель кафедры исторической геологии и палеонтологии Геолого-геофизического факультета Новосибирского государственного университета
Россия, 630090, г. Новосибирск, пр. Академика Коптюга, 3; 630090, г. Новосибирск, ул. Пирогова,Алексей Владимирович Плюснин
Тюменский государственный университет
Автор, ответственный за переписку.
Email: a.v.plyusnin@mail.ru
ORCID iD: 0000-0002-2386-0287
кандидат геолого-минералогических наук, старший научный сотрудник лаборатории седиментологии и эволюции палеобиосферы
Россия, г. ТюменьАлександр Анатольевич Терлеев
Институт нефтегазовой геологии и геофизики им. А.А. Трофимука СО РАН
Email: Terleevaa@ipgg.sbras.ru
кандидат геолого-минералогических наук, старший научный сотрудник
Россия, 630090, г. Новосибирск, пр. Академика Коптюга, 3Дмитрий Андреевич Староселец
Тюменский государственный университет
Email: d_star1997@mail.ru
аспирант, лаборант-исследователь лаборатории седиментологии и эволюции палеобиосферы
Россия, г. ТюменьЕвгений Владимирович Никулин
Тюменский государственный университет
Email: nikulinev80@gmail.com
аспирант, лаборант-исследователь лаборатории седиментологии и эволюции палеобиосферы
Россия, г. ТюменьИгорь Викторович Афонин
Томский государственный университет
Email: heaven05@list.ru
кандидат геолого-минералогических наук, старший научный сотрудник научно-исследовательской лаборатории структурной петрологии и минерагении
Россия, 634050, г. Томск, пр. Ленина, 36Екатерина Андреевна Агашева
Томский государственный университет
Email: ekaterinaagasheva@gmail.com
инженер-исследователь испытательной лаборатории «Аналитический центр геохимии природных систем»
Россия, 634050, г. Томск, пр. Ленина, 36Список литературы
- Никулина М.Ю., Мышевский Н.В., Никулин Е.В. Классические и аномальные объекты, выявленные в результате геологоразведочных работ на территории Иркутской нефтяной компании // Нефтяное хозяйство. – 2020. – № 9. – С. 26–29.
- Новые результаты комплексного литолого-фациального и биостратиграфического изучения осинского горизонта нижнего кембрия юга Сибирской платформы (Большетирская скв. 7) / Д.А. Токарев, А.В. Плюснин, А.А. Терлеев, Н.А. Иванова, И.В. Вараксина, А.В. Липянина // Геология и минерально-сырьевые ресурсы Сибири. – 2021. – № 2. – С. 11–20.
- Токарев Д.А., Плюснин А.В., Терлеев А.А. Новые результаты комплексного литолого-фациального и биостратиграфического изучения осинского горизонта нижнего кембрия юга Cибирской платформы (скважины Западно-Ярактинские 45, 361) // Известия Томского политехнического университета. Инжиниринг георесурсов. – 2022. – Т. 333. – № 4. – С. 157–167.
- Токарев Д.А., Терлеев А.А., Плюснин А.В. Известковые водоросли (цианобактерии) усольской свиты нижнего кембрия юга Сибирской платформы (новые данные по скв. Ичединская № 45) // Теоретические и прикладные аспекты палеонтологии: материалы LXVII сессии палеонтологического общества при РАН. – СПб: Изд-во «ВСЕГЕИ», 2021. – С. 82–84.
- Вишняков С.Г. Генетические типы доломитовых пород северо-западной окраины Русской платформы // Труды Геол. института АН СССР. – 1956. – № 4. – С. 209–225.
- Киркинская В.Η. Смехов. Ε.Μ. Карбонатные породы-коллекторы нефти и газа. – Л.: Изд-во «Недра», 1981. – 255 с.
- Кузнецов В.Г. Литология – основы общей (теоретической) литологии. – М.: Изд-во «Научный мир», 2011. – 360 с.
- Маслов А.В. Осадочные породы: методы изучения и интерпретация полученных данных. – Екатеринбург: УГГУ, 2005. – 289 с.
- Теодорович Г.И. Аутигенные минералы осадочных пород. – М.: Изд-во «Гостоптехиздат», 1958. – 572 с.
- Dunham R.J. Classification of carbonate rocks according to deposition texture // Classification of Carbonate rocks. Simposium Amer. Assoc. Petrol.Geol. Mem. – Tulsa, 1962. – P. 108–121.
- Flügel E., Flügel-Kahler E. Phanerozoic reef evolution: basic questions and data base // Facies. – 1992. – Vol. 26. – P. 167–277.
- Уилсон Дж.Л. Карбонатные фации в геологической истории. – М.: Изд-во «Недра», 1980. – 463 с.
- Einsele G. Sedimentary basins, evolution, facies and sediment budget. – Berlin: Springer-Verlag, 2000. – 792 p.
- Stanley G. The history and sedimentology of ancient reef systems. – New York: Kluwer-Academic, 2001. – 458 p.
- Catuneanu O. Principles of sequence stratigraphy. 2nd ed. – Amsterdam: Elsevier, 2022. – 486 p.
- Ferreira D., Lupinacci W. Advanced techniques for 3d reservoir characterization: models for the Buzios field, Santos basin. – Niterói: Universidade Federal Fluminense, 2022. – 116 p.
- Tucker M.E. Shallow-marine carbonate facies and facies models Geological Society. – London, Special Publications, 1985. – Vol. 18. – P. 147–169.
- Alonso-Zarza A.M., Tanner L.H. Carbonates in continental settings: facies, environments, and processes. – Amsterdam: Elselvier, 2010. – 381 p.
- Мельников Н.В., Шабанов Ю.Я., Шабанова О.С. Стратиграфическая схема кембрийских отложений Турухано-Иркутско-Олекминского региона Сибирской платформы // Геология и геофизика. – 2010. – Т. 51. – С. 863–875.
- Жарков М.А., Хоментовский В.В. Основные вопросы стратиграфии нижнего кембрия и венда юга Сибирской платформы в связи с соленостью // Бюл. МОИП, Отд. геол. – 1965. – № 1. – С. 110–118.
- Мельников Н.В. Венд-кембрийский соленосный бассейн Сибирской платформы (стратиграфия, история развития). – Новосибирск, Изд-во СО РАН, 2009. – 146 с.
- Фортунатова Н.К., Швец-Тэнэта-Гурий А.Г., Ларкин В.Н. Строение и перспективы нефтегазоносности венд-нижнекембрийских отложений Непско-Ботуобинской антеклизы и ее обрамления // Геология нефти и газа. – 2010. – № 5. – С. 54–61.
- Grotzinger J.P., Watters W.A., Knoll A.H. Calcified metazonas in thrombolite-stromatolite reefs in the terminal Proterozoic Nama Group, Namibia // Paleobiology. – 2000. – Vol. 26. – P. 334–359.
- Carbonate reservoir as a source rock / G.N. Gordadze, M.V. Giruts, A.R. Poshibaeva, O.V. Postnikova, V.V. Poshibaev, O.A. Antipova, S.Yu. Rudakovskaya, V.N. Koshelev, V.G. Martynov // Journal of Siberian Federal University. Chemistry. – 2018. – Vol. 11. – № 4. – P. 575–592. doi: 10.17516/1998-2836-0101
- Hofmann H.J., Mountjoy E.W. Namacalathus-Cloudina assemblage in Neoproterozoic Miette Group (Byng Formation), British Columbia: Canada's oldest shelly fossils // Geology. – 2001. – Vol. 29. – P. 1091–1094.
- Cloudina-Namacalathus-Kolophyton association in the Vendian of Altai-Sayan Foldbelt (Siberia) / A.A. Terleev, A.A. Postnikov, D.A. Tokarev, O.V. Sosnovskaya, G.N. Bagmet // Neoproterozoic sedimentary basins: stratigraphy, geodynamics and petroleum potential: Proc. of the International conf. – Novosibirsk, 30 July – 02 August, 2011. – С. 96–98.
- Известковые водоросли и строматолиты: систематика, биостратиграфия, фациальный анализ: сборник научных трудов ИГиГ СО АН СССР / отв. ред. В.Н. Дубатолов, Т.А. Москаленко. – Новосибирск: Изд-во «Наука», 1988. – 228 с.
- Warren J.K. Evaporites: a compendium. – Berlin: Springer, 2016. – 1854 p.
- Шемин Г.Г. Модель строения, условия формирования и перспективы нефтегазоносности с выделением объектов поисково-оценочных работ осинского горизонта Нижнего кембрия центральных районов Сибирской платформы // Гео-Сибирь. – 2008. – Т. 5. – С. 100–104.
- Разрез переходных венд-кембрийских отложений восточной части Западно-Сибирской геосинеклизы (по результатам бурения параметрической скважины Восток-3) / Д.В. Гражданкин, Г.А. Карлова, А.Г. Клец, В.А. Конторович, С.В. Сараев, А.А. Терлеев, С.Ю. Беляев, И.В. Вараксина, А.С. Ефимов, Б.Б. Кочнев, К.Е. Наговицин, А.А. Постников, Ю.Ф. Филиппов // Геология и геофизика. – 2008. – № 12. – C. 1238–1247.
Дополнительные файлы









