Влияние структурных параметров и напряженного состояния на ползучесть цементных композитов
- Авторы: Ошкина Л.М., Селяев В.П., Коровкин Д.И., Андронычев Д.О.
- Выпуск: Том 4, № 5 (2016)
- Раздел: Статьи
- Статья получена: 14.03.2025
- Статья одобрена: 14.03.2025
- URL: https://ogarev-online.ru/2311-2468/article/view/283552
- ID: 283552
Цитировать
Полный текст
Аннотация
Рассмотрено влияние структурных параметров и напряженного состояния на ползучесть цементных композитов при совместном действии сжимающих напряжений и агрессивных сред. Предложено уравнение ползучести образцов цементных композитов с учетом усредненных реологических параметров материала. Предложены выражения для определения деградационной функции жесткости, зависящей от скорости переноса жидкости в объем образца, находящегося под действием сжимающих напряжений и химического взаимодействия материала с агрессивной средой.
Полный текст
В реальных условиях эксплуатации действию агрессивных сред подвержены конструкции, находящиеся под влиянием широкого диапазона нагрузок. При этом долговечность строительных конструкций во многом определяется не только их несущей способностью, но и деформативными характеристиками используемых материалов. Изменение параметров ползучести композитов в условиях воздействия агрессивных сред имеет крайне важное практическое значение при проектировании строительных конструкций, поэтому задача получения математических зависимостей для описания и прогнозирования происходящих деградационных процессов является крайне важной и актуальной.
Бетон представляет собой упругопластический материал, состоящий из трех фаз – жидкой, твердой и газообразной, количественное соотношение которых изменяется в процессе эксплуатации. Природа ползучести бетона объясняется его структурой, длительным процессом кристаллизации и уменьшением количества геля при твердении цементного камня. Под нагрузкой происходит перераспределение напряжений с испытывающей вязкое течение гелевой структурной составляющей на кристаллический сросток и зерна заполнителей. Одновременно развитию деформаций ползучести способствуют капиллярные явления, связанные с перемещением в микропорах и капиллярах избыточной воды под нагрузкой. С течением времени процесс перераспределения напряжений затухает и деформирование прекращается. Начиная с малых напряжений, при длительном действии нагрузки постоянного уровня в нем помимо упругих восстанавливающихся деформаций развиваются и нарастают неупругие остаточные или пластические деформации.
Центрально сжатые и растянутые элементы строительных конструкций из железобетона рассчитываются по несущей способности исходя из условия:
𝑁 ≤ 𝑁(0)𝐷(𝑁) = 𝜀пр 𝐸(0)𝐹(0)𝐷(𝑁),
где 𝑁(0) – сила, воспринимаемая сечением в момент времени t = 0; 𝐷(𝑁) – деградационная функция несущей способности.
Предельные деформации 𝜀пр при осевом сжатии или растяжении можно определить из интегрального уравнения ползучести, предложенного В. М. Бондаренко [1; 2]:
где 𝜀 – полные деформации в момент наблюдения 𝑡, 𝑡0 – время приложения напряжения 𝜎(𝑡);
𝑆𝑀, 𝑆𝑛 – функции напряжений для мгновенных и запаздывающих деформаций; –начальный модуль упругости; 𝑐(𝑡, 𝑡0) – мера ползучести.
Рассмотрим ползучесть образца композита, контактирующего с агрессивной средой и находящегося под действием центрально сжимающей нагрузки P. Предполагаем, что реологические параметры 𝐸0(𝑐), 𝐸Д(𝑐), 𝜏(𝑐) зависят от концентрации (𝑐) агрессивной среды. Тогда, согласно [3], для случая переменных свойств материала уравнение ползучести в линейном приближении имеет вид:
где 𝐸0 – начальный модуль упругости; 𝐸Д – длительный модуль упругости; 𝜏 – время релаксации.
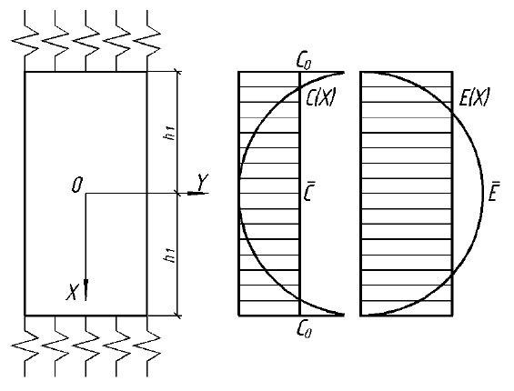
При неравномерном распределении концентрации жидкости по площади поперечного сечения образца для решения уравнения (2) воспользуемся методом усреднения реологических параметров (рис. 1).
Рис. 1. К расчету ползучести методом усреднения в зависимости от концентрации по высоте сечения:
ℎ1 + ℎ2 – высота поперечного сечения экспериментального образца;
𝐶(𝑋) – эпюра изменения концентрации агрессивной среды в объеме образца при двустороннем проникновении агрессивной среды;
𝐸(𝑋) – эпюра изменения прочностных свойств материала образца при двустороннем проникновении агрессивной среды.
Уравнение ползучести (2) после усреднения реологических параметров примет вид:
Если в момент 𝑡 = 0 концентрация агрессивной среды в материале равна нулю (𝑐 = 0), то решением уравнения (3) является функция
Предполагая, что начальные значения Е0 (СН) и 𝜏(СН) не зависят от концентрации среды, и выражая изменение ЕД по площади поперечного сечения элемента линейной или экспоненциальной функциями, находим ядро уравнения
В формуле (5) среднее значение длительного модуля деформации равно
где D(Wc)– деградационная функция жесткости, определяемая в общем случае из соотношения:
С учетом выражения (6) и ядра уравнения (5) деформации ползучести будут определяться из соотношения:
При действии сжимающих напряжений деградационная функция D(W) зависит от скорости переноса жидкости в объем и химического взаимодействия материала с агрессивной средой. Основной характеристикой скорости переноса жидкости в пористой среде является обобщенный коэффициент диффузии D, определяемый формулой [4, 5]:
Зависимость усредненного значения радиуса пор R от уровня сжимающих напряжений имеет вид уравнения:
Тогда выражение, определяющее деградационную функцию 𝐷(𝑊) при 𝑘2 = 1; 𝑘𝑚 = 1; 𝑘1 = 𝐸(𝑡)⁄𝐸(0), можно записать в виде:
По результатам проведенных исследований получены зависимости, позволяющие аналитически описать процессы ползучести, происходящие в материале конструкций на основе цементных вяжущих под действием сжимающих напряжений и агрессивных сред. Приведенные зависимости целесообразно использовать для описания процессов деградации цементных композитов, а также прогнозирования поведения и срока службы строительных конструкций.
Об авторах
Л. М. Ошкина
Автор, ответственный за переписку.
Email: ogarevonline@yandex.ru
Россия
В. П. Селяев
Email: ogarevonline@yandex.ru
Россия
Д. И. Коровкин
Email: ogarevonline@yandex.ru
Россия
Д. О. Андронычев
Email: ogarevonline@yandex.ru
Россия
Список литературы
- Бондаренко В. М. Некоторые вопросы нелинейной теории железобетона. – Харьков: Выща школа, 1968. – 323 с.
- Бондаренко В. М. К построению общей теории железобетона (специфика, основы, метод) // Бетон и железобетон. – 1978. – № 9. – С. 20–22.
- Соломатов В. И., Селяев В. П. Химическое сопротивление композиционных строительных материалов. – М.: Стройиздат, 1987. – 264 с.
- Ошкина Л. М. Химическое сопротивление наполненных цементных композитов при совместном действии сжимающих напряжений и жидких агрессивных сред: автореф. дис.... канд. техн. наук. – Саранск: Изд-во Мордов. ун-та, 1998. – 16 с.
- Селяев В. П., Соломатов В. И., Ошкина Л. М. Химическое сопротивление наполненных цементных композитов. – Саранск: Изд-во Мордов. ун-та, 2001. – 152 с.
Дополнительные файлы







