Control synthesis for 3D-printer step drive
- Authors: Kadyrkulova K.K., Mamatbekov I.M., Batyrkanov J.I.
- Issue: Vol 11, No 15 (2023)
- Pages: 21-28
- Section: Articles
- Submitted: 28.11.2024
- Accepted: 28.11.2024
- URL: https://ogarev-online.ru/2311-2468/article/view/271713
- ID: 271713
Cite item
Full Text
Abstract
A mathematical approach to the development of a model for controlling the movements of the working bodies of a 3D-printer drive in the form of recurrent relations is proposed. This makes it possible to solve the problem of synthesizing the laws of control of the drives of the working body of a 3D-printer for cases when it is impossible or difficult to analytically describe the prescribed trajectory of its movement, with less difficulty to implement the software and technical implementation of the synthesized control laws.
Keywords
Full Text
На сегодняшний день проблема управления движением объекта по предписанной траектории более или менее решена для линейных одномерных объектов, когда предписанная траектория задаётся в аналитической форме. Управляемый объект при этом описывается системой уравнений
(1)
где: 𝑥 = (𝑥1, 𝑥2, … , 𝑥n)𝑇 − вектор состояния, u = (u1,u2, … , um)𝑇 − вектор управления. Принимается, что вектор-функция 𝑓(𝑥, u, t) представляет собой непрерывную ограниченную функцию, имеющую частные производные по совокупности переменных 𝑥1, 𝑥2, … 𝑥n в области определния уравнения (1).
Предписанная траектория движения системы задается в виде уравнений
(2)
где – непрерывные функции движения от аргументов.
Для синтеза закона управления формируется полная производная по времени функции ψ(x, t) на движениях системы. В соответствии с (2) она выглядит следующим образом:
, (3)
а с учетом уравнений движения системы получаем
(4)
Разрешая это соотношение относительно искомой функции U(𝑥, t), находим закон управления, при котором движение объекта осуществляется по предписанной траектории. Но с практической точки зрения задача синтеза будет решена только в том случае, если закон управления обеспечивает также возвращение точки 𝑋 = (𝑥1, 𝑥2, … , 𝑥n) на предписанную траекторию 𝛹 (𝑥, 𝑡), если по каким то причина она окажется вне нее. Таким образом, закон управления должен обеспечивать не только процесс движения по предписанной траектории, но и обеспечивать стабилизацию требуемого движения [2].
Для такого закона управления, очевидно, должно выполняться соотношение
(5)
где 𝑅 (𝜓, 𝑥, 𝑡) – произвольная функция, обращающаяся в нуль на кривой (2), т. е.
(6)
Попытки синтеза управлений для шагового привода наталкиваются на то, что в большинстве случаев предписанные траектории аналитически описать невозможно. Кроме этого, математическая модель шагового привода, как объекта управления, описывается рекуррентными выражениями, а не непрерывными уравнениями. В связи с этими предлагается новый подход к синтезу законов управления для шаговых приводов.
Выведем математическую модель шагового привода, как объекта управления, а затем рассмотрим процедуру синтеза. Для синтеза законов управления рассмотрим шаговый двигатель с зубчатым передаточным механизмом на валу двигателя. При помощи этого механизма вращательное движение ротора двигателя преобразуется в поступательное движение механизмов (в конечном счете – печатающей головки) 3D-принтера.
Пусть на роторном валу шагового двигателя (ШД) посажено (установлено) зубчатое колесо (шестерня) с радиусом R и угловым расстоянием между двумя зубьями Da т. е. угол поворота ротора ШД, при действии единичного импульса составляет Da градусов, градусов. В дальнейшем требуется представить Da в радианах. Перевод из градусов в радианы осуществляется по следующей формуле:
(7)
При действии единичного импульса на ШД с посаженной на валу его ротора шестерней с радиусом R, одиночный угловой шаг поворота ротора преобразуется в поступательное движение шестерни на расстояние равное
(8)
где: a – шаг поворота ротора ШД при подаче единичного импульса (градусы); Lш – величина линейного шага шестерни при действии одного импульса на ШД.
Т. к. в ШД шаги осуществляются в дискретные моменты времени, то математическая модель (ММ) ШД, как объекта управления описывается с использованием конечно- разностного выражения
(9)
где: jk –текущее угловое положение ротора ШД на tk -м моменте времени; nk – количество управляющих импульсов подаваемых на ШД за отрезок времени [t𝑘, t𝑘+1]; jk +1 – угловое положение ротора ШД в tk +1 -й момент времени.
Формула (9) используется тогда, когда требуемые перемещения рабочих органов 3D- принтера описаны в угловых координатах. Однако в большинстве случаев необходимые перемещения описываются в линейных координатах. При этом аналогично (9), предлагается математическая модель (ММ) управления движениями рабочих органов 3D-принтера [3] следующего вида:
(10)
где: Xk, Yk, Zk – координаты рабочих органов принтера по осям X, Y, Z в k-й момент времени; Xk+1, Yk+1, Zk+1 – координаты рабочих органов по осям X, Y, Z в (k +1) момент времени; 𝑛kx, 𝑛ky, 𝑛kz – количества импульсов поданных на ШД приводов по осям X, Y, Z за указанный промежуток времени; lшх =lшy=lшz величины линейных шагов рабочего органа по осям X, Y, Z от действия одиночных импульсов на соответствующие ШД.
Если количество подаваемых на ШД импульсов за шаг по времени для каждой оси движения печатающей головки разное, то для обеспечения лучшего воспроизведения формы детали необходимо решать задачу оптимизации распределения во времени импульсов, подаваемых на ШД с меньшей частотой (более редко).
Для ШД, как объекта управления, целесообразно использовать математическую модель, содержащую выражения, связывающие управляемые величины X𝑘+1, 𝛶𝑘+1, 𝛧𝑘+1 с управляющими 𝑛kx, 𝑛ky, 𝑛kz. Подчеркнем, что эта ММ формально соответствует «независимому» управлению ШД по каждой из осей. Вопросы «синхронизации» импульсов управления при разном их количестве за шаг по времени в данной модели не учитываются.
Таким образом, в практическом плане задача управления ШД сводится к нахождению количества управляющих импульсов 𝑛kx, 𝑛ky, 𝑛kz. из формул (10) и подаче их на соответствующие ШД за отрезок времени [t𝑘, t𝑘+1]. При этом значения X𝑘+1, 𝛶𝑘+1, 𝛧𝑘+1 берутся из таблицы предписанных (требуемых) контрольных точек пространственной траектории движения рабочих органов 3D-принтера (она может строиться в автоматическом или полуавтоматическом режиме на основе компьютерных моделей объектов) [3].
Отметим, что в ряде случаев при планировании использования 3D-принтера приходится учитывать и инерционные характеристики ШД и рабочих органов, т. е. возможность корректной (полной) «отработки» ими всех поступивших импульсов управления за заданный промежуток времени.
Проиллюстрируем построение предписанной пространственной траектории движения рабочих органов 3D-принтера с помощью рисунка 1.
Рис. 1. Пространственная модель детали с нанесенными на нее контрольными точками.
По требуемой пространственной модели объекта с нанесенными на нее контрольными точками строим таблицу для предписанной траектории движения рабочего органа 3D-принтера (таблица 1).
Таблица 1
Предписанные координаты в различных точках траектории
tk | t0=0 | t1=1 | t2=2 | t3=3 | t4=4 |
Хк | 0 | 1 | 2 | 3 | 0 |
Ук | 0 | 1 | 2 | 3 | 0 |
Zk | 0 | 0 | 0 | 3 | 0 |
Отметим, что подсчет количества необходимых импульсов по формулам (10) для обеспечения перемещений, задаваемых таблицей 1, может приводить к тому, что расчетное количество импульсов (для определенности – по оси Х) будет выражаться не целым числом
(11)
В этом случае, берется ближайшее целое число (по стандартным правилам округления), а максимальная погрешность позиционирования ШД составит
(12)
Следовательно, чтобы уменьшить погрешность позиционирования ШД нужно уменьшить lш . А для этого, в свою очередь, нужно уменьшить величину единичного шага (поворота ротора) Da , которая достигается путем выбора ШД с необходимым количеством полюсов (в том числе – эквивалентных полюсов). Необходимая скорость движения ШД обеспечивается путем уменьшения или увеличения величины отрезка по времени [t𝑘, t𝑘+1] – при фиксированных количествах импульсов, которые должны быть поданы на ШД за этот отрезок. Уменьшение отрезка по времени увеличивает скорость движения (перемещения) ШД и, как следствие, печатающей головки.
Предложенная математическая модель управления движениями рабочих органов 3D-принтера была использована при практической реализации системы управления шаговыми приводами для прототипа 3D-принтера. Для управления ШД используется персональный компьютер, куда предварительно записывается информация о всех параметрах ШД, а также данные о предписанных движениях рабочих органов 3D-принтера.
В компьютере, на основе уравнений системы (10) и заданной величины отрезка по времени [tk, tk+1] осуществляется подсчет необходимого количества управляющих импульсов для подачи на обмотки ШД в течение каждого временного отрезка.
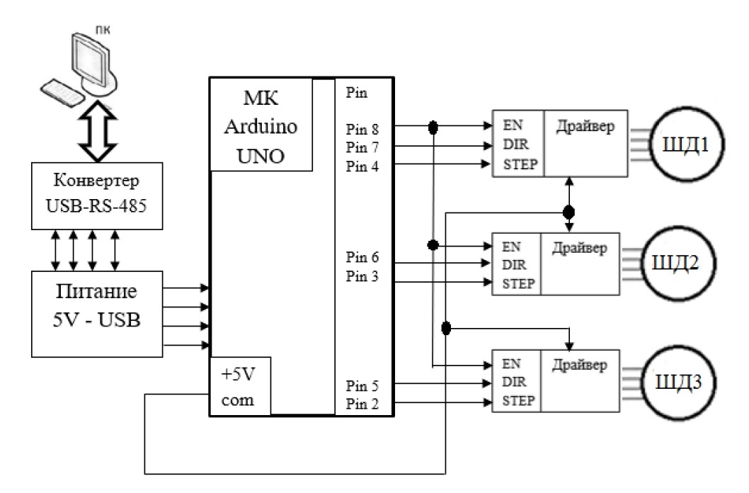
Функциональная схема системы управления ШД показана на рисунке 2. Она включает следующие объекты: персональный компьютер с портом USB (в силу традиционности); микроконтроллер; три электронных драйвера и сами ШД. Порт USB традиционно используется для передачи управляющих импульсов на устройство управления – его использование обеспечивает простоту соответствующих схемотехнических решений.
Рис. 2. Функциональная схема системы управления 3D принтером с использованием Arduino.
Пакет данных, записанный в программный последовательный код персонального компьютера, передается через порт USB в микроконтроллер. Принятые данные преобразуются в три дискретных сигнала для подачи на три входа драйверов каждого ШД. Все время работы ШД на входы EN всех драйверов подается высокий потенциал. В течение всего такта управления на вход DIR драйвера соответствующего двигателя подается низкий потенциал, если необходимо обеспечить направление вращения влево, и высокий потенциал, если необходимо обеспечить направление вращения вправо. При этом на входы STEP драйверов всех двигателей одновременно с частотой выполнения шагов подаются управляющие импульсы высокого уровня длительностью менее периода выполнения шагов, если соответствующий двигатель должен выполнить шаг, и подается низкий потенциал на входы STEP драйверов тех двигателей, для которых все требуемые на данном такте управления шаги уже выполнены. В результате таких действий все драйверы обеспечивают необходимую коммутацию обмоток своих шаговых двигателей, вызывающую одновременный поворот их валов на соответствующее количество шагов в требуемых направлениях [10; 11].
Описанный способ управления несколькими шаговыми двигателями, характеризуется тем, что управляющие импульсы на входы STEP драйверов двигателей за отрезок времени tшага, в течение которого двигатель должен совершить шаг, формируют с задержкой по времени. Для этого предварительно, до начала управления двигателями измеряют промежуток времени tп, за который ток потребления драйвера достигает своего среднего значения.
На рисунке 3 показан внешний вид разработанного прототипа 3D-принтера. При изготовлении опытного прототипа 3D-принтера взят ШД марки ДС4–6В и винтовой редуктор с длиной винта 84 мм и диаметром 3 мм. При эксперименте установлен, что винтовой редуктор за одиночный импульс перемещает нагрузку на 1,6 мм. Следовательно, lшх =lшy=lшz=1,6 мм.
Рис. 3. Внешний вид разработанного прототипа 3D-принтера.
Работоспособность опытного прототипа 3D-принтера подтверждена экспериментально.
About the authors
K. K. Kadyrkulova
Author for correspondence.
Email: olegshishov@yandex.ru
Russian Federation
I. M. Mamatbekov
Email: olegshishov@yandex.ru
Russian Federation
J. I. Batyrkanov
Email: olegshishov@yandex.ru
Russian Federation
References
- Батырканов Ж. И., Кадыркулова К. К. Траекторное управление объектом по таблично заданным программам // Известия КГТУ. – 2011. – № 24. – С. 290–295.
- Батырканов Ж. И., Кадыркулова К. К. Синтез законов управления по осуществлению движения управляемого объекта по предписанной программе // Вестник науки Костанайского социально-технического университета имени академика Зулхарной Алдамжар. – 2013. – № 3. – С. 29–33.
- Батырканов Ж. И., Кадыркулова К. К., Белялов Ш. А. Управление шаговым приводом 3D-принтера: математическая модель и вопросы технической реализации // Прикаспийский журнал: управление и высокие технологии. – 2016. – № 1 (33). – C. 128–138.
- Беллман Р. Введение в теории матриц. – М.: Наука, 1969. – 368 с.
- Бойчук Л. М. Метод структурного синтеза нелинейных систем автоматического управления. – М.: Энергия, 1971. – 185 с.
- Денисов Г. С., Снимщиков И. А. Микроконтроллеры. – Бишкек, 2014. – 183 с.
- Блум Дж. Изучаем Arduino: инструменты и методы технического волшебства / Пер. с англ. – СПб.: БХВ-Петербург, 2017. – 336 с.
- Евстифеев А. В. Микроконтроллеры AVR семейств Tiny и Mega фирмы «ATMEL». – М.: Издательский дом «Додэка-ХХ1», 2004. – 560 с.
- Егоров О. Д., Подураев Ю. В. Мехатронные модули. Расчет и конструирование: учеб. пособие. – М.: МГТУ «СТАНКИН», 2004. – 360 с.
- Иванов А. И. Способ потактового управления несколькими шаговыми двигателями с помощью персонального компьютера по каналу USB и устройство для его осуществления. – М.: МГТУ «СТАНКИН», 2019. – 45 с.
- Крутько П. Д. Обратные задачи динамики управляемых систем: Линейные модели. М.: Наука, 1987. – 304 с.
- Мелешин В. И., Овчинников Д. А. Управление транзисторными преобразователями электроэнергии. – М.: Техносфера, 2011. – 200 с.
- Ратмиров В. А. Системы с шаговыми двигателями. – М.; Л.: Энергия, 1964. – 136 с.
- Шаршеналиев Ж. Ш., Батырканов Ж. И. Синтез систем управления с заданными показателями качества. – Бишкек: Илим, 1991. – 174 с.
Supplementary files









