Water supply control system for production with uninterruptible power supply of automation elements
- Authors: Shishov O.V., Shumov D.A., Krasulin I.M.
- Issue: Vol 11, No 15 (2023)
- Pages: 6-12
- Section: Articles
- Submitted: 28.11.2024
- Accepted: 28.11.2024
- URL: https://ogarev-online.ru/2311-2468/article/view/271670
- DOI: https://doi.org/10.15507/огарёв-online.v11i15.271670
- ID: 271670
Cite item
Full Text
Abstract
The method of cement production used at Magma Ltd. is considered. A block diagram of the project and the development of a control system for this installation based on programmable logic controllers from a domestic manufacturer are presented.
Full Text
Группа компаний МАГМА – одно из крупнейших в России объединений предприятий, специализирующихся на добыче полезных ископаемых, производстве и дистрибуции строительных и отделочных материалов. В состав группы входит и завод по производству сухих строительных смесей, размещенный на территории Республики Мордовия.
В настоящий момент существует три метода изготовления цемента – сухой, мокрый и комбинированный. Мокрый метод позволяет осуществлять точный подбор состава исходного сырья при неоднородности исходных компонентов. В конечном итоге, это гарантирует получение высокого качества конечной продукции с заданными характеристиками. Достоинства этого метода определили его использование на указанном предприятии. Однако важной особенностью метода является то, что для данной технологии производства нужны колоссальные объемы воды. Единственным рациональным способом получения воды для предприятия является ее выкачивание из скважин.
Важность данного ресурса не просто потребовала разработки системы автоматизированной подачи воды на производство, но и безусловного обеспечения ее высокой надежности. Задача по разработке блоков управления системы подачи воды была поставлена перед компанией ООО «Авелкон». Хотя в целом задача подачи воды на предприятия является относительно типовой и существует достаточно большое число разработок систем управления соответствующими процессами [1, 2], высокие требования по надежности, в частности по обеспечению бесперебойного питания элементов автоматики, потребовали применения специальных решений, которые и были воплощены компанией.
Для гарантированного обеспечения непрерывности технологического процесса вода на производство подается из накопительного резервуара. Наполнение резервуара осуществляется с помощью двух глубинных насосов. Скважины с насосами расположены друг от друга на расстоянии примерно 40 м.
В зависимости от условий работы и времени наработки один из насосов принимается за основной, а второй – за дополнительный. Работой насосов управляет общая система управления. Задачами системы управления является:
- измерение текущего уровня воды в резервуаре;
- включение и выключение основного насоса;
- подключение при необходимости дополнительного насоса;
- определение того, какой насос выполняет в текущий момент функции основного, а какой – дополнительного.
Предусмотрена возможность задания уровней воды, при которых будет осуществляться включение и выключение основного и дополнительного насосов. Наполнение прекращается если уровень воды достигнет уровня выключения основного насоса. Если уровень воды в резервуаре опустится ниже заданных оператором уровней включений основного и дополнительного насоса, то включаются оба насоса. Включение дополнительного насоса также произойдет, если через 30 секунд работы основного насоса не будет обеспечена необходимая скорость роста уровня воды. Смена функции каждого насоса с основного на дополнительный и наоборот производится либо автоматически после окончания каждого очередного наполнения резервуара или определяется оператором. Измерение уровня воды в резервуаре осуществляется при помощи аналогового датчика давления воды, установленного на дне резервуара.
Ради повышения надежности данной системы, было принято решение о том, чтобы разработать два шкафа управления, пространственно-разнесенные друг от друга в различные помещения. Для питания оборудования, размещенного в этих помещениях, подведено отдельное силовое напряжение. Соответственно система управления состоит из двух шкафов. В каждом шкафу размещены силовые элементы управления соответствующим насосом. Если произошла пропажа силового питающего напряжения одного из шкафов, система управления должна автоматически перейти на питание от силового питающего напряжения другого шкафа. В таком случае управление осуществляется только тем одним насосом, который размещен в помещении, где присутствует силовое питающее напряжение.
Кроме всего прочего, техническое задание предусматривало предотвращение выхода из строя электродвигателей насосов при воздействии неблагоприятных эксплуатационных факторов, к которым можно отнести работу при чрезмерной нагрузке насосов, скачек питающего напряжения. Оператор должен иметь возможность задавать уровни включения и выключения насосов, выбора режима (автоматического или ручного) смены функций насосов. Должна была предусмотрена возможность отображения:
- общего уровня воды в резервуаре;
- функции каждого насоса;
- аварийной ситуации, заключающейся в падении силового питающего напряжения любого из шкафов с указанием не работающего насоса.
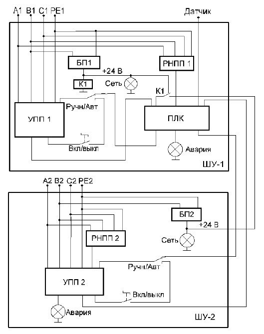
Заданный набор требований и обзор возможностей их обеспечения, позволил определиться с набором технических средств, требуемых для построения системы управления и разработать ее структурную схему (рисунок 1). Оборудование разнесено на два шкафа управления – ШУ1 и ШУ2. Оборудование каждого шкафа максимально унифицировано.
Рис. 1. Структурная схема системы управления автоматизированной подачи воды.
Для того, чтобы реализовать автоматическое управления и человеко-машинный интерфейс было решено применить программируемый логический контроллер (ПЛК). Современный рынок ПЛК широко представлен изделиями, как зарубежных, так и отечественных компаний. Было решено применить программируемое реле ПР200 российской компании ОВЕН [3, 4, 5]. Выбор был обусловлен отсутствием в проекте требований по высокой производительности, что позволяло выбрать простое и надежное устройство. Кроме того, в архитектуру этого контроллера включены элементы для организации несложного человеко-машинного интерфейса (многострочный текстовой дисплей и несколько кнопок для ввода/вывода информации и управления). Его функционала оказалось достаточно для данного проекта. Прежде всего контроллер решает какой насос надо запустить исходя из уровня воды в резервуаре, времени наработки каждого насоса. Программируемая система автоматического управления размещена в шкафу ШУ-1.
Непосредственное управление двигателями насосов осуществляется при помощи устройств плавного пуска (УПП1 и УПП2) Altistart 22 компании Schneider Electric, предназначенные для управления разгоном и торможением трехфазных асинхронных двигателей. В них используются улучшенные алгоритмы управления, которые предназначены для равномерного изменения частоты вращения и уменьшения нестабильности механизма в конце разгона, имеется встроенный терминал, что позволяет настраивать устройство и отображать параметры двигателя. Кроме всего, устройство плавного пуска выполняет функции контроля и защиты работы двигателя насоса. Для того, чтобы контролировать перекос фаз и напряжение, в каждом шкафу установлено реле напряжения и контроля фаз (РНПП1 и РНПП2).
Для реализации автоматического управления и человеко-машинный интерфейса было решено применить программируемый логический контроллер (ПЛК). Современный рынок ПЛК широко представлен изделиями, как зарубежных, так и отечественных компаний. Было решено применить программируемое реле ПР200 российской компании ОВЕН [3; 4; 5]. Выбор был обусловлен отсутствием в проекте требований по высокой производительности, что позволяло выбрать простое и надежное устройство. Кроме того, в архитектуру этого контроллера включены элементы для организации несложного человеко- машинного интерфейса (многострочный текстовой дисплей и несколько кнопок для ввода/вывода информации и управления). Его функционала оказалось достаточно для данного проекта. Прежде всего контроллер решает какой насос надо запустить исходя из уровня воды в резервуаре, времени наработки каждого насоса. Программируемая система автоматического управления размещена в шкафу ШУ-1.
Непосредственное управление двигателями насосов осуществляется при помощи устройств плавного пуска (УПП1 и УПП2) Altistart 22 компании Schneider Electric, предназначенные для управления разгоном и торможением трехфазных асинхронных двигателей. В них используются алгоритмы управления, которые предназначены для равномерного изменения частоты вращения и уменьшения нестабильности механизма в конце разгона, имеется встроенный терминал, что позволяет настраивать устройство и отображать параметры двигателя. Кроме всего, устройство плавного пуска выполняет функции контроля и защиты работы двигателя насоса. Для того, чтобы контролировать перекос фаз и напряжение, в каждом шкафу установлено реле напряжения и контроля фаз (РНПП1 и РНПП2).
Как уже указывалось, к каждому из шкафов подводится собственное силовое напряжение питания. Это необходимо для того, чтобы в случае пропажи силового напряжения питания на одном из шкафов, второй с высокой степенью вероятности оставался в работоспособном состоянии. Если в первом шкафу есть питающее напряжение с блока питания, контакты реле K1, установленного в этом же шкафу, находятся в разомкнутом состоянии, и питание ПЛК производится от блока питания первого шкафа. Если же питание всего первого шкафа пропадает, то контакты реле переходят в нормально замкнутое состояние и питание ПЛК будет поступать от блока питания, установленного во втором шкафу.
В первом шкафу выход РНПП1 подключен к одному из дискретных входов ПЛК, в то время, как во втором шкафу выход РНПП2 подключен к входу УПП2. Такая схема подключения необходима для того, чтобы была возможность отслеживать аварию, связанную с силовым напряжением питания первого шкафа.
Уровень воды в резервуаре отслеживается при помощи аналогового датчика давления, который находится на дне резервуара. Сигнал с этого датчика поступает на один из аналоговых входов ПЛК. При достижении одного из уровней включений насосов, контроллер, в зависимости от выбранного оператором режима работы, при котором определяются функции насосов, установленных в первом и втором шкафу, должен запускать основной или дополнительный насос, подавая управляющие воздействия на вход устройства плавного пуска первого и второго шкафа.
Ситуации, когда будут работать оба насоса, предусмотрено две: если будет достигнут уровень включения дополнительного насоса или мощности одного насоса будет недостаточно для поддержания необходимого уровня воды и она продолжит убывать.
На дискретные входы программируемого контроллера так же подается сигналы с устройств плавного пуска. Если ПЛК подал управляющее воздействие на устройство плавного пуска и в ответ не получил обратного сигнала, ПЛК делает вывод о том, что данный насос вышел из строя и незамедлительно запускает второй насос, соответственно оповещая оператора об аварии.
Программа контроллера была реализована на языке FBD в среде программирования фирмы ОВЕН – Owen Logic. Эта среда программирования предназначена для разработки алгоритмов, которые будут использоваться для работы программируемых реле. Интерфейс данной программы полностью русскоязычный, присутствуют онлайн-отладка и шаблоны для работы в сети RS-485.
Все компоненты первого шкафа управления были смонтированы в металлическом шкафу ЩМП-80.60.26 УХЛ1 IP65 IEK (800×600×260 мм). В дверце коробки первого шкафа прорезано отверстие для доступа к передней панели программируемого реле ПР200, на ней установлены световые индикаторы «Сеть» и «Авария», переключатель режимов работы, кнопка с фиксацией для ручного управления насосом. Внутри шкафа все компоненты установлены на DIN-рейке.
Данный проект введен в эксплуатацию на предприятии по производству цемента ООО «Магма».
About the authors
O. V. Shishov
Author for correspondence.
Email: olegshishov@yandex.ru
Russian Federation
D. A. Shumov
Email: olegshishov@yandex.ru
Russian Federation
I. M. Krasulin
Email: olegshishov@yandex.ru
Russian Federation
References
- Щит управления насосами (основной – резервный) ЩУН [Электронный ресурс]. – Режим доступа: https://owen.ru/project/shchit-upravleniya-nasosami-osnovnoj- rezervnyj-shchun (дата обращения 03.10.2023).
- Автоматизация управления насосами по уровню в РЧВ через GSM-канал [Электронный ресурс]. – Режим доступа: https://owen.ru/project/avtomatizacziya- upravleniya-nasosami-po-urovnyu-v-rchv-cherez-gsm-kanal (дата обращения 15.09.2023).
- Шишов О. В. Современные средства АСУ ТП. – М.; Вологда: Инфра-Инженерия, 2021. – 532 с.
- Шишов О. В. Программируемые контроллеры в системах промышленной автоматизации. (Учебник). – М.: ИНФРА-М, 2016. – 365 с.
- Программируемые реле [Электронный ресурс]. – Режим доступа: https: //owen.ru/catalog/programmiruemie_rele (дата обращения 10.09.2023).
Supplementary files







