Development of office building project by means of information technology modeling
- Authors: Dedyaeva Е.S.1, Konovalova Е.S.1, Lukinyh S.G.1, Oshkina L.М.1, Radaeva Е.Е.1, Smolyak А.А.1
-
Affiliations:
- National Research Mordovia State University
- Issue: Vol 12, No 9 (2024)
- Section: Articles
- Submitted: 18.11.2024
- Accepted: 18.11.2024
- URL: https://ogarev-online.ru/2311-2468/article/view/270635
- ID: 270635
Cite item
Full Text
Abstract
The article deals with the principles of information technology for modeling capital construction projects. It provides a definition of the information model of a capital construction project. The objectives and goals of the specialized professional retraining program «Information Technology in Construction» taught at Ogarev Mordovia State University are defined. The operation principles of the Russian Renga BIM system by Renga Software are considered. The study gives the techniques for developing a building information model in the Renga BIM system.
Full Text
В свете государственных решений по выполнению национальной программы «Цифровая экономика Российской Федерации» информационные технологии становятся приоритетными в строительной отрасли. Предполагается, что традиционная «ручная» технология проектирования зданий и сооружений должна замениться технологиями информационного моделирования объектов капитального строительства, конечным продуктом которых должен быть не просто комплект проектно-конструкторской документации, а трехмерная модель объекта, насыщенная информацией, которая может быть выведена из нее в графической, текстовой или другой форме в любой временной промежуток жизненного цикла объекта.
Термин «информационная модель объекта капитального строительства», как совокупность взаимосвязанных сведений, документов и материалов об объекте капитального строительства, формируемых в электронном виде на этапах выполнения инженерных изысканий, осуществления архитектурно-строительного проектирования, строительства, реконструкции, капитального ремонта, эксплуатации и (или) сноса объекта капитального строительства, сформулирован в СП 333.1325800.2020 «Информационное моделирование в строительстве. Правила формирования ИМ объектов на разных стадиях жизненного цикла» [1].
Вполне очевидно, что перспективы цифровой трансформации строительства будут зависеть от уровня соответствующей подготовки кадров. В связи с этим перед сферой образования встают задачи по подготовке специалистов, которые, наряду с получением образования по основному профилю, были бы компетентными в сфере цифровых технологий. В рамках федерального проекта «Развитие кадрового потенциала ИТ-отрасли», который входит в нацпрограмму «Цифровая экономика Российской Федерации», в Национальном исследовательском Мордовском государственном университете им. Н. П. Огарёва реализуется проект «Цифровые кафедры».
В институте архитектуры и строительства МГУ им. Н. П. Огарёва организовано обучение по дополнительной профессиональной программе профессиональной переподготовки (ДПП ПП) «Информационные технологии в строительстве», целью которой является формирование готовности слушателей к освоению нового вида профессиональной деятельности по использованию современных информационных технологий в строительстве, в том числе при подготовке проектной документации с использованием средств автоматизированного проектирования. В задачи программы входит: 1) изучение приемов создания, использования и сопровождения информационной модели объектов капитального строительства (ОКС) на всех этапах его жизненного цикла; 2) знакомство с основными программными продуктами, используемыми при создании информационных моделей ОКС; 3) получение практического опыта создания и использования информационных моделей ОКС. Создание информационной модели строительного объекта выполняется обучающимися в российской BIM-системе Renga компании Renga Software. Эта система позволяет создавать трёхмерные информационные модели зданий и сооружений, с проработкой архитектурных, конструктивных и инженерных решений, и получать на основе созданных моделей комплекты проектно-конструкторской документации автоматизированным образом.
Модели объектов, созданные в Renga и сохраненные в формате IFC, могут быть экспортированы в комплексы типа ЛИРА-САПР, СТАРКОН для выполнения конструкторских расчетов и конечно-элементного анализа, в комплексы типа КРЕДО для работы с цифровой моделью местности и генпланом, в программные продукты семейства 1С для оформления проектно-сметной документации и организации управления строительным производством. Renga может взаимодействовать со специализированными программными продуктами для организации технологического проектирования, выполнения физико-технических, гидравлических и аэродинамических расчетов, 3D-визуализации, VR-представления, 3D- печати.
В рамках обучения по программе «Информационные технологии в строительстве» командой обучающихся был разработан групповой проект офисного здания. В задачи проекта входило: 1) использование цифровых инструментов моделирования для воплощения архитектурных замыслов; 2) использование автоматизированных приемов получения проектно-конструкторской документации; 3) повышение эффективности процесса проектирования; 4) организация совместной работы участников проекта.
Проектируемое здание – это копия современного офисно-делового центра с названием «Куб», который реализован в г. Берлин (Германия). Это уникальное строение является воплощением современного дизайна и примером инновационных подходов к созданию уникального пространства объекта. Здание имеет интересный зеркальный фасад-аттракцион, выполненный из стекла и металла, позволяющий устроить открытые террасы (рисунок 1).
Рис. 1. Исходное фото объекта для информационного моделирования [2].
Объект предполагает десять этажей гибких офисных помещений; продуктовый рынок на первом этаже и офисный вестибюль; подземную парковку и оранжереи, террасу на крыше; а также дополнительные конференц-залы. В общей сложности здание занимает 16 500 кв.м гибкого модульного надземного пространства. Высота каждого этажа составляет 4 метра, что позволяет организовать открытые многофункциональные пространства для работы и отдыха. На каждом этаже запроектированы выходы на открытые и закрытые террасы, с которых открывается панорамный вид на округу. Внутри здание спроектировано с учетом будущих требований к гибким планировкам офисов и может соответствовать меняющимся конструктивным требованиям.
Этажи расположены вокруг центрального ядра и могут быть разделены на несколько отдельных блоков или соединены внутренними атриумами. Входная группа офисного здания организована с уровня первого этажа; для доступа маломобильных групп населения запроектирован подъёмник.
Основными несущими конструкциями здания являются монолитные железобетонные стены центрального ядра и 20 колонн, расположенных по периметру каждого этажа. Вертикальные несущие конструкции объединены горизонтальными дисками междуэтажных монолитных перекрытий. Основанием проектируемого здания является свайный фундамент с монолитным плитным ростверком [3–5]. Ограждающие конструкции здания представляют собой вентилируемые двойные остекленные фасады сложной геометрической формы, выполненные с применением витражных стальных конструкций [6].
Плоская эксплуатированная кровля проектируемого здания разработана с учетом пешеходных нагрузок. Крыша задумана как «пятый фасад» и завершает концепцию «Куб». Обширная терраса на крыше служит общим пространством и может использоваться как место для проведения встреч или мероприятий.
Информационное моделирование зданий в BIM-системе Renga рекомендуется выполнять в трехмерном пространстве 3d вида. Проектирование начинается с создания на рабочей плоскости базового уровня сетки координационных осей и привязке к ней типового этажа. В соответствии с принципом параметрического моделирования для несущих конструкций типового этажа первоначально задаются основные параметры – материал, состав, толщина, высота и др. Стены, перегородки и колонны первого этажа моделируются с использованием инструментов Стена и Колонна. С использованием инструментов Окно и Дверь организуются проёмы в созданных стенах и перегородках. Для организации лестничных клеток используются инструменты Лестница и Ограждение. Создание перекрытия и проёмов в нём производится с помощью инструментов Перекрытие и Проём.
Все последующие этажи создаются копированием первого этажа. Так как здание имеет необычную форму и этажи отличаются планировкой, новые этажи редактировались по мере необходимости. В результате последовательных действий была получена трёхмерная модель объекта (рисунок 2).
Рис. 2. 3D-модель здания (северо-западная изометрия).
В работе для создания модели здания использовались не только типовые, но также самостоятельно смоделированные 3D-объекты. Бесспорным достижением созданной модели являются уникальные фасады проектируемого здания, отличающиеся необычной геометрией. Фасад-аттракцион сложно создать стандартными инструментами, представленными в системе Renga. Для воплощения этой идеи было сформировано большое количество индивидуальных сборок-витражей. На первоначальном этапе в сферическом режиме измерений плоскость фасада делилась линией на контурные треугольники. После этого вымерялись стороны каждого треугольника и создавался витраж индивидуальной формы. Далее этот витраж устанавливался в стену нужной длины и минимальной высоты (100 мм). Созданный элемент преобразовывался в сборку, которой задавались различные параметры поворота в трёхмерном пространстве. Затем созданные отдельно треугольные витражи объединялись в единую фасадную сборку. На рисунке 3 представлена трёхмерная модель сборки фасада, на рисунке 4 – чертеж с фасадами смоделированного здания «Куб».
Рис. 3. Трёхмерная модель сборки фасада.
Рис. 4. Фасады смоделированного здания «Куб».
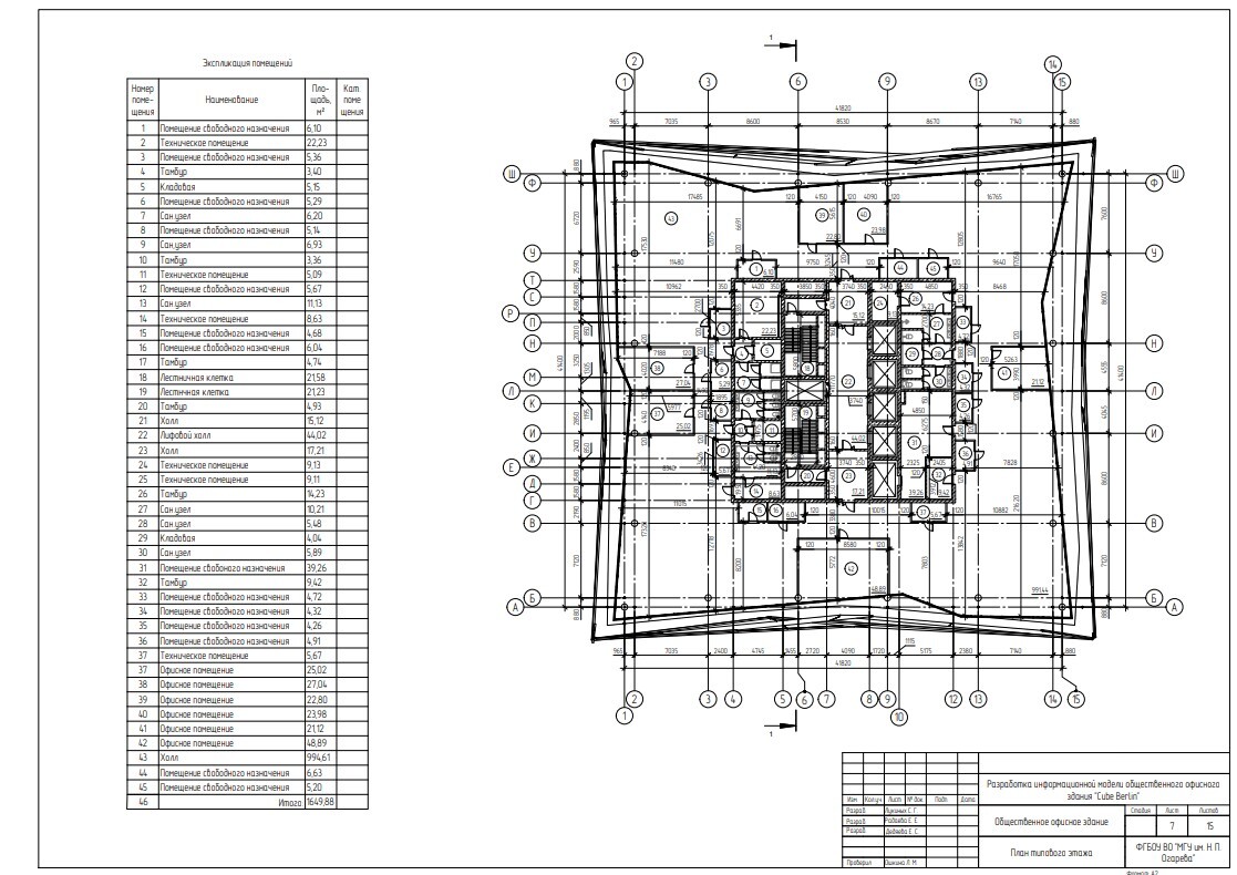
Результатом проектирования является получение комплекта проектно-конструкторской документации. На основе созданной модели «Куба» были получены архитектурно- строительные чертежи, чертежи конструктивного и инженерного разделов проекта, а также таблицы, экспликации, спецификации и прочие текстовые документы. На рисунке 5 в качестве примера представлен чертеж плана типового этажа с экспликацией помещений.
Рис. 5. Чертеж плана типового этажа с экспликацией помещений.
Информационная модель здания, созданная в BIM-системе Renga была экспортирована в программу для трехмерной архитектурной визуализации Lumion. На рисунке 6 представлен результат выполненной визуализации.
Рис. 6. Визуализация смоделированного объекта.
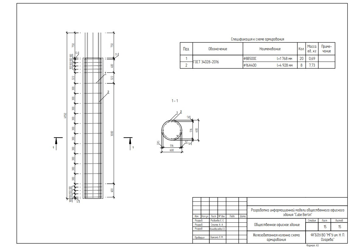
Конструктивный раздел проекта содержит информацию о несущих строительных конструкциях и их пространственном положении. BIM-система Renga располагает широкими возможностями и инструментарием для армирования объектов. Функция автоматизированного армирования монолитных железобетонных элементов значительно облегчает процесс раскладки арматуры. Благодаря инструментам, обеспечивающим гибкость в формировании документации, есть возможность создавать чертежи для отдельных элементов и конструкций. При помощи инструмента Легенда можно вывести на чертеж спецификацию армированных деталей. На рисунке 7 представлен чертеж схемы армирования железобетонной колонны со спецификацией.
Рис. 7. Схема армирования железобетонной колонны.
В данном проекте также разрабатывалась система бытовой канализации. В BIM- системе Renga можно создавать информационные модели внутренних трубопроводных систем различного назначения для проектируемых зданий и сооружений. Инструменты автоматизированной прокладки трубопроводных трасс в Renga позволяют максимально облегчить работу инженера. Имеющиеся библиотеки сантехнического оборудования и деталей позволяют быстро формировать чертежную документацию. На рисунке 8 приведена изометрия инженерной сети бытовой канализации проектируемого здания.
Рис. 8. Изометрия инженерной сети бытовой канализации.
Одной из особенностей информационных технологий моделирования является возможность совместной работы специалистов разных проектных групп для одновременной реализации различных разделов проекта. Над данным проектом работала команда из пяти человек. Разделение обязанностей между участниками коллектива по выполнению проекта и организации одновременной работы позволило нам обеспечить достаточно эффективное взаимодействие для уменьшения количества возможных ошибок и нестыковок. Это также способствовало повышению скорости создания 3D модели и наполнения ее информацией.
Разработанный проект представлялся на Марафоне цифровых кафедр 2.0 среди вузов Поволжского федерального округа, который проводился 3 апреля 2024 года в городе Нижний Новгород [7].
В результате выполненной работы по проектированию офисного здания «Куб» в BIM- системе Renga можно заключить, что использование инструментов информационного моделирования позволило повысить скорость и качество проектирования, вывести его на новый технологический уровень, улучшить взаимодействие между участниками проекта. Мы уверены, что получаемые компетенции позволят выпускникам вузов значительно повысить уровень востребованности при устройстве на работу и обеспечат преимущества при прочих равных условиях.
About the authors
Еkaterina S. Dedyaeva
National Research Mordovia State University
Email: katya.dedyaeva@inbox.ru
Студент 3 курса направления подготовки «Архитектура» (профиль «Архитектурное проектирование»)
Russian Federation, 68 Bolshevistskaya St., Saransk 430005Еkaterina S. Konovalova
National Research Mordovia State University
Email: ekaterina.konovalova.69.96@yandex.ru
Студент 3 курса направления подготовки «Архитектура» (профиль «Архитектурное проектирование»)
Russian Federation, 68 Bolshevistskaya St., Saransk 430005Sofiya G. Lukinyh
National Research Mordovia State University
Email: lukinykhsofiya@yandex.ru
Студент 3 курса направления подготовки «Архитектура» (профиль «Архитектурное проектирование»)
Russian Federation, 68 Bolshevistskaya St., Saransk 430005Larisa М. Oshkina
National Research Mordovia State University
Email: oshkinalm@yandex.ru
Кандидат технических наук, доцент кафедры инженерной и компьютерной графики
Russian Federation, 68 Bolshevistskaya St., Saransk 430005Еlizaveta Е. Radaeva
National Research Mordovia State University
Email: radaeva06022003@list.ru
Студент 3 курса направления подготовки «Архитектура» (профиль «Архитектурное проектирование»)
Russian Federation, 68 Bolshevistskaya St., Saransk 430005Аnna А. Smolyak
National Research Mordovia State University
Author for correspondence.
Email: smolyak.ani@yandex.ru
Студент 3 курса направления подготовки «Архитектура» (профиль «Архитектурное проектирование»)
Russian Federation, 68 Bolshevistskaya St., Saransk 430005References
- СП 333.1325800.2020. Информационное моделирование в строительстве. Правила формирования ИМ объектов на разных стадиях жизненного цикла. – М.: Стандартинформ, 2021. – 195 с.
- XN completes glass faceted cube Berlin office in Washington Platz, Germany [Электронный ресурс]. – Режим доступа: https://www.stirworld.com/see-features-3xn- completes-glass-faceted-cube-berlin-office-in-washington-platz-germany (дата обращения 12.05.2024).
- СП 63.13330.2012. Бетонные и железобетонные конструкции. Основные положения. – М.: Минстрой России, 2012. – 168 с.
- СП 267.1325800.2016. Здания и комплексы высотные. Правила проектирования. – М.: Стандартинформ, 2017. – 102 с.
- СП 430.1325800.2018. Монолитные конструктивные системы. Правила проектирования. – М.: Минстрой России, 2018. – 67 с.
- СП 426.1325800.2018. Конструкции фасадные светопрозрачные зданий и сооружений. – М.: Стандартинформ, 2019. – 27 с.
- Марафон цифровых кафедр [Электронный ресурс]. – Режим доступа: https://events.innopolis.university/marathon_dd20 (дата обращения 12.05.2024).
Supplementary files














