Методика расчёта запаса хода электромоторной лодки на солнечной энергии
- Авторы: Каплина В.В.1
-
Учреждения:
- Московский политехнический университет
- Выпуск: Том 336, № 1 (2025)
- Страницы: 139-146
- Раздел: Статьи
- URL: https://ogarev-online.ru/2500-1019/article/view/281574
- DOI: https://doi.org/10.18799/24131830/2025/1/4589
- ID: 281574
Цитировать
Полный текст
Аннотация
Актуальность: необходимость внедрения альтернативных источников энергии и электрификации транспортных средств, используемых для обеспечения транспортной доступности местонахождения природных ресурсов. Данный подход обеспечит транспортную доступность к закрытым природоохранным зонам, в которых запрещено движение транспорта с двигателями внутреннего сгорания. Кроме отсутствия выборов СО2, решаются такие проблемы, как высокий уровень шума, а также проблемы малой самодостаточности за счёт зависимости от заправочных станций. Цель: расчёт генерируемой фотоэлементами электроэнергии исходя из показателей инсоляции для выбранной широты местности и определение непрерывного времени движения лодки на электротяге с использованием солнечных панелей для применения в исследовательских работах. Объект: электромоторная лодка, построенная студенческой командой в рамках дисциплины «Проектная деятельность» Московского политехнического университета, используемая в качестве спортинвентаря для участия в соревнованиях, а также для проведения испытаний в различных областях науки. Методика: расчёт электроэнергии, получаемой от солнечной батареи лодки, исходя из открытых статистических данных инсоляции и последующая аппроксимация результатов относительно условного угла, зависящего от времени светового дня рассматриваемой широты; составление уравнения энергетического баланса всех источников и потребителей электроэнергии на борту лодки; решение уравнения графо-аналитическим методом. Результаты. Предложен метод расчёта времени движения электромоторной лодки с солнечными панелями на борту в качестве дополнительного источника электроэнергии. Получен аппроксимационный график генерируемой солнечными панелями электроэнергии для широты Томска. По итогам работы было рассчитано время движения лодки в летний день со скоростью 7 км/ч. Результаты исследования могут быть применены для расчётов энергобаланса судов, а также плавучих автономных платформ, обладающих самодостаточностью и необходимых для исследований, добычи и транспортировки георесурсов из закрытых природохраняемых зон.
Полный текст
Введение
Непрерывное обнаружение новых местоположений полезных ископаемых приводит к необходимости обеспечивать транспортную доступность на всём цикле работ [1]. Ввиду большого разнообразия георесурсов северных регионов России может возникнуть необходимость транспортного сообщения в закрытых природных зонах при помощи управляемого или автономного судна [2–5].
Проблемы эксплуатации водных транспортных средств с ДВС заключаются в отсутствии заправочных станций и прочих береговых локаций, необходимых для пополнения запасов топлива [6]. Возможность применения данного типа транспорта также полностью исключена в случае исследовательских работ на охраняемых природных территориях, для которых действуют особые ограничения касаемо выбросов отработавших газов и уровня шума [7–9].
Альтернативные источники энергии набирают популярность в последние десятилетия за счёт своего главного качества – отсутствия выбросов парниковых газов в атмосферу, которое приводит к повышению среднего показателя температуры по планете. Во избежание дальнейшего повышения температуры в 2015 г. было подписано Парижское соглашение [10], суть которого состоит в снижении выбросов в окружающую среду, развитии тенденций к низкоуглеродному миру и осуществлении скоординированных действий всех стран, подписавших соглашение, для сокращения уровня повышения температуры в этом столетии до 2 градусов Цельсия.
Использование электрического водного транспорта с применением альтернативных источников энергии обеспечивает автономность и независимость от береговой линии и заправочных станций, что позволяет применять его с целью разведки, добычи и транспортировки георесурсов, в том числе в природоохранных зонах [11–13].
Объект исследования
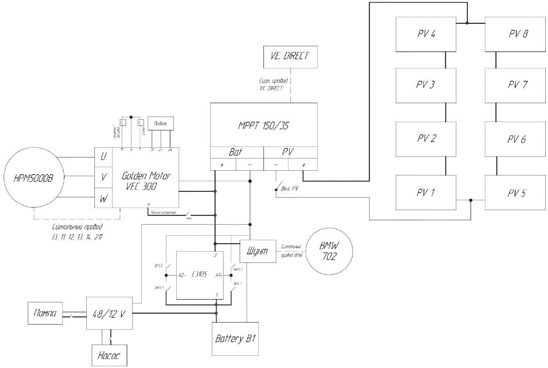
Объектом исследования является электромоторная лодка «Valentina Queen» (рис. 1, 2), построенная студентами Московского политехнического университета в рамках дисциплины «Проектная деятельность» в 2018 г. Лодка имеет фанерный корпус, ламинированный углетканью. В качестве силовой установки используется электрический мотор мощностью 5 кВт, 8 солнечных панелей суммарной мощностью 800 Вт, аккумуляторная батарея энергоёмкостью 1920 Вт·ч и номинальным напряжением 48 В. В состав дополнительного электрооборудования входят: контроллер электромотора; MPPT (Maximum Power Point Tracker)-контроллер солнечного заряда со слежением за точкой максимальной мощности; контактор; шунт; Bluetooth-модуль; преобразователь 48–12 В; трюмная помпа; насос; батарейный монитор, тумблеры и переключатели. Длина лодки 4,0 м; ширина 1,68 м; суммарный вес конструкции вместе с пилотом составляет 200 кг.
Данный прототип используется в качестве спортинвентаря для участия в соревнованиях, а также является платформой для опытов и исследований в области энергетики, фотовольтаики, гидродинамики и материаловедения.
Энерго-пропульсивная составляющая лодки имеет последовательный принцип работы. Генерируемая солнечной батареей электроэнергия поступает в аккумуляторную батарею, после чего передаётся электромотору. Одновременная зарядка и разрядка предполагают наличие аккумуляторов, обеспечивающих высокую производительность, долговечность и безопасность при большом количестве циклов заряда–разряда [14–18]. Соединение электрических компонентов лодки показано на рис. 3.
Рис. 1. Электрическая лодка «Valentina Queen», вид сбоку
Fig. 1. Electric boat "Valentina Queen", side view
Рис. 2. Электрическая лодка «Valentina Queen», вид сверху
Fig. 2. Electric boat "Valentina Queen", top view
Рис. 3. Электрическая схема лодки «Valentina Queen»
Fig. 3. Electrical diagram of the "Valentina Queen" boat
Солнечные панели соединяются параллельно-последовательным методом – два комплекта из четырёх последовательно соединённых панелей подключены параллельно. Такой подход обеспечивает необходимые для корректной работы системы напряжение и силу тока 72 В и 11,1 А, соответственно. В случае выхода из строя одной из панелей сохраняется работоспособность второго контура. Для обеспечения непрерывного мониторинга состояния солнечной батареи используется MPPT-контроллер заряда. Использование данного типа контроллеров позволяет отслеживать максимальную мощность, генерируемую солнечными панелями, и подстраивать напряжение и ток заряда для обеспечения максимальной эффективности и производительности системы [19, 20].
Результаты исследования
Время движения лодки определяется уравнением баланса источников и потребителей энергии (1):
(1)
где ΣWн – сумма энергий всех накопителей электрической энергии, Вт·ч; ΣWpv – сумма получаемой электрической энергии за время движения от всех солнечных панелей, Вт·ч; ΣWп – сумма потребляемой электрической энергии всеми потребителями лодки, Вт·ч.
Таблица 1. Почасовые показатели инсоляции
Table 1. Hourly solar insolation data
Часы/Hours | 0:00 | 1:00 | 2:00 | 3:00 | 4:00 | 5:00 | 6:00 | 7:00 |
Излучение всего неба (Втч/м2) All sky surface shortwave downward irradiance (Wh/m2) | 0,00 | 0,00 | 0,00 | 0,00 | 23,04 | 89,98 | 183,90 | 287,22 |
Часы/Hours | 8:00 | 9:00 | 10:00 | 11:00 | 12:00 | 13:00 | 14:00 | 15:00 |
Излучение всего неба (Втч/м2) All sky surface shortwave downward irradiance (Wh/m2) | 387,87 | 471,99 | 529,66 | 564,68 | 596,61 | 575,90 | 525,82 | 455,17 |
Часы/Hours | 16:00 | 17:00 | 18:00 | 19:00 | 20:00 | 21:00 | 22:00 | 23:00 |
Излучение всего неба (Втч/м2) All sky surface shortwave downward irradiance (Wh/m2) | 364,21 | 261,49 | 162,54 | 73,42 | 17,29 | 0,00 | 0,00 | 0,00 |
Рис. 4. Аппроксимация данных по выработке электроэнергии по местному времени
Fig. 4. Data approximation on electricity generation by local time
В данной лодке установлена одна литий-ионная аккумуляторная батарея энергоёмкостью 1920 Вт·ч. Для сохранения эксплуатационного ресурса АБ необходимо избегать его полного разряда и ограничить его до уровня, рекомендованного производителем и указанного в паспорте продукта. Для литий-ионных АБ допустимая глубина разряда составляет DOD (Depth of Discharge)=80 %. Таким образом полезная энергоёмкость, доступная для использования данным транспортом средством, составляет 1536 Вт·ч.
Для получения данных о поступающей энергии от солнечных панелей воспользуемся открытыми базами данных по инсоляции [21]. Значения средних почасовых показателей инсоляции были взяты для широты города Томска за июль 2023 г. Данные приведены в табл. 1
Рассчитаем количество энергии, вырабатываемой солнечной батареей лодки за каждый час, по формуле (2):
(2)
где Еинс – значение инсоляции за выбранный период для заданной широты, Вт·ч/м2; Рсп – суммарная мощность всех солнечных панелей, Вт; Ринс – максимальное значение солнечной радиации на 1 м2 земной поверхности, принимается равным 1000 Вт/м2.
Рис. 5. Аппроксимация данных по выработке электроэнергии по истинному времени
Fig. 5. Data approximation on electricity generation by apparent time
Для упрощения дальнейшей интеграции данных была выполнена аппроксимация функцией косинуса. Ниже представлены графики аппроксимирующей функции в сравнении с вычисленными значениями для местного (рис. 4) и истинного времени (рис. 5). Для Томска разница времени в июле составляет 86 минут. Данную величину необходимо учитывать при определении времени восхода и захода солнца при расчётах по истинному времени для конкретного дня.
Из графика для местного времени видно, что в период с 3:00 до 21:00 вырабатываемая солнечной батареей электроэнергия практически идеально совпадает с описывающей её функцией косинуса (3):
(3)
где Wmax – максимальное значение получаемой электроэнергии, Вт.
Для построения графика функции косинуса использовалась величина условного угла наклона солнца относительно линии горизонта α (4):
(4)
где t – фактическое время, для которого рассчитывается угол α; tв – время восхода солнца; tз – время захода солнца.
Значения условного угла α для каждого часа приведены в табл. 2.
Таблица 2. Значения условного угла α
Table 2. Values of the conditional angle α
Часы/Hours | 0:00 | 1:00 | 2:00 | 3:00 | 4:00 | 5:00 | 6:00 | 7:00 |
α, рад | – | – | – | 0,00 | 0,35 | 0,70 | 1,047 | 1,396 |
Часы/Hours | 8:00 | 9:00 | 10:00 | 11:00 | 12:00 | 13:00 | 14:00 | 15:00 |
α, рад | 1,745 | 2,094 | 2,443 | 2,793 | 3,142 | 3,491 | 3,840 | 4,189 |
Часы/Hours | 16:00 | 17:00 | 18:00 | 19:00 | 20:00 | 21:00 | 22:00 | 23:00 |
α, рад | 4,538 | 4,887 | 5,236 | 5,585 | 5,934 | 6,283 | – | – |
Для определения показателей расхода электрической энергии всеми системами лодки были проведены испытания. Скорость движения замерялась при помощи GPS-трекера Garmin eTrex 32x. Данные о расходе электроэнергии были сняты с батарейного монитора Victron Energy BMV-702.
Полученные данные были аппроксимированы линейной функцией и показаны на рис. 6.
Рис. 6. Зависимость расхода электроэнергии от скорости движения
Fig. 6. Dependency of electricity consumption on speed
Для использования графика в дальнейших расчётах показатель расхода электрической энергии выбирается исходя из постоянной скорости движения лодки.
Составим уравнение движения лодки, учитывающее все накопители и потребители энергии (5):
(5)
где Wa – аппроксимирующая функция показателей вырабатываемой солнечными панелями электроэнергии относительно условного угла α; αс – условный угол α, соответствующий времени старта лодки; αф – условный угол α, соответствующий времени финиша лодки; Wн – энергоёмкость аккумуляторной батареи; η – суммарный КПД АБ и зарядного устройства, которым в данном случае является контроллер заряда; Вт·ч; М – мощность, затрачиваемая на выбранной скорости, Вт; t – время движения лодки, ч.
Приведём уравнение энергетического баланса к одной неизвестной, выразив t через α. Конечное уравнение будет иметь вид (6):
(6)
Проинтегрируем уравнение, домножив подынтегральное значение на масштабирующий коэффициент (7):
(7)
Приведём полученное уравнение к t, подставив вместо α выражение (4) с соответствующими значениями t для α. Получим (8):
(8)
где tф – время финиша лодки; tc – время старта лодки.
Для решения данного уравнения рекомендуется применять графический метод или метод подбора значений в ПО Excel.
Примем начальные данные времени старта в 11:00 и скорости движения лодки 7 км/ч. Подставив значения времени старта и значение расходуемой мощности при заданной скорости движения, получим два графика, отображающие поступающую энергию от фотоэлектрических элементов и затрачиваемую электромотором энергию. Разницей графиков до точки пересечения является значение заряда АБ в конкретное время движения лодки. Точка пересечения графиков показывает момент остановки лодки.
Рис. 7. Графический метод решения уравнения
Fig. 7. Graphical method for solving the equation
Из рис. 7 видим, что при начале движения в 11:00 по местному времени с постоянной скоростью 7 км/ч запас хода лодки для широты Томска составит 1 час 40 минут.
Заключение
Лодки на солнечной энергии, а также аналогичные им беспилотные плавсредства могут стать рациональной альтернативой привычным видам водного транспорта при работах по изысканию, добыче и транспортировке георесурсов в ограниченных условиях особых природных территорий. В данной работе была рассмотрена обобщённая методика расчёта времени движения электромоторной лодки с использованием солнечных панелей. Стоит отметить, что расчётные показатели сопоставимы с реальными для данной лодки в описанной комплектации, что говорит о корректности выбранного метода. Предложенная методика может быть использована для предварительных расчётов плавучих средств: как пассажирских, так и беспилотных исследовательских платформ. Для дальнейшего совершенствования расчётов методика может быть дополнена учётом зависимости выработки солнечной энергии от ориентации панелей, а также от температуры.
Об авторах
Валентина Васильевна Каплина
Московский политехнический университет
Автор, ответственный за переписку.
Email: kaplinavv25@gmail.com
преподаватель Центра проектной деятельности и кафедры технической механики и компьютерного моделирования
Россия, МоскваСписок литературы
- Гасанова Э.Р., Мананков А.В. Проблемы транспортной инфраструктуры и пути их решения // 65-я юбилейная университетская научно-техническая конференция студентов и молодых ученых: Труды научно-тех. конф. – Томск, 25 апреля 2019. – Томск: Томск. гос. арх.-стр. ун-т, 2019. – С. 367–373.
- Martínez-Díaz M., Soriguera F. Autonomous vehicles: theoretical and practical challenges // Transportation Research Procedia. – 2018. – Vol. 33. – P. 275–282. doi: 10.1016/j.trpro.2018.10.103.
- Асанов А.А., Мекенбаев Б.Т., Турдакун уулу Нургазы. Разработка автономных плавучих водозаборов и гидростанций // Известия кыргызского государственного технического университета им. И. Раззакова. – 2022. – № 4. – С. 505–510.
- Григорьев М.Н. Создание новой логистики экспорта арктических минеральных ресурсов как условие их устойчивого освоения // Георесурсы. – 2023. – № 2. – С. 36–46. doi: 10.18599/grs.2023.2.3.
- Лебедева М.А. Управление развитием альтернативной энергетики в северном регионе России // Вестник владимирского государственного университета им. Александра Григорьевича и Николая Григорьевича Столетовых. – 2021. – № 3. – С. 48–64. doi: 10.18413/2409-1634-2021-7-2-0-2.
- Марченко М.А., Войтенок О.В., Демехин Ф.В. Проблемные вопросы организации заправки маломерных судов // Вестник Санкт-Петербургского университета Государственной противопожарной службы МЧС России. – 2011. – № 4. – С. 7–9.
- Ерофеева Н.В. Шум на судах: расчет, нормирование и методы борьбы // Неделя науки Санкт-петербургского государственного морского технического университета: Труды Всерос. фест. науки. – СПб, 22–26 ноября 2021. – СПб: Санкт-Пет. гос. мор. тех. ун-т, 2021. – С. 536–539.
- Остапенко С.П., Месяц С.П. Оценка потенциала восстановления экологического состояния природных экосистем, нарушенных при освоении георесурсов, по спутниковым данным // Горная промышленность. – 2023. – № 5S. – С. 80–86. doi: 10.30686/1609-9192-2023-5S-80-86.
- Маломерные суда: спектр их использования и проблемы / М.Н. Покусаев, К.Е. Хмельницкий, А.А. Кадин, Б.С. Айдынбеков, С.В. Власов // Вестник астраханского государственного технического университета. – 2023. – № 2. – С. 47–53. doi: 10.24143/2073-1574-2023-2-47-53.
- United Nations Climate Change. The Paris Agreement // UNCC. URL: https://unfccc.int/sites/default/files/english_paris_agreement.pdf (дата обращения 10.09.2023).
- Павленко И.В., Никитенко В.А., Авдеев Б.А. Разработка электроэнергетической установки маломерного судна с электродвижением // Образование, наука и молодёжь: Труды научно-практ. конф. – Керчь, 2–13 апреля 2018. – Керчь: Керч. гос. мор. тех. ун-т, 2018. – С. 156–160.
- Егорова Н.И., Митяков О.И. Экологические инновации и устойчивое развитие // Труды НГТУ им. Р.Е. Алексеева. – 2015. – № 3 – С. 299–305.
- Пичугин Д.Д., Чабанов Е.А. Использование солнечных батарей в качестве альтернативного источника энергии на водном транспорте // Транспорт: проблемы, цели, перспективы: Труды Всерос. научно-техн. конф. – Пермь, 15 февраля 2020. – Пермь: Перм. фил. Волж. гос. ун-т водн. тран., 2020. – С. 220–223.
- Лукутина Б.В., Муравлева И.О., Плотникова И.А. Системы электроснабжения с ветровыми и солнечными электростанциями. – Томск: Изд-во Томского политехнического университета, 2015. – 81 с.
- Кулова Т.Л., Скундин А.М. Проблемы развития литий-ионных аккумуляторов в мире и России // Электрохимическая энергетика. – 2023. – № 3. – С. 111–120. doi: 10.18500/1608-4039-2023-23-3-111-120.
- Larsson F., Andersson P., Mellander B. Lithium-ion battery aspects on fires in electrified vehicles on the basis of experimental abuse tests // Batteries. – 2016. – Vol. 2. – P. 1–13. doi: 10.3390/batteries2020009.
- Knoop J.E., Ahn S. Recent advances in nanomaterials for high-performance Li–S batteries // Energy Chemistry. – 2020. – Vol. 47. – P. 86–106. doi: 10.1016/j.jechem.2019.11.018.
- Grey C.P., Hall D.S. Prospects for lithium-ion batteries and beyond – a 2030 vision // Nature communication. – 2020. – Vol. 11. – P. 1–4. doi: 10.1038/s41467-020-19991-4.
- Canny D., Yusivar F. Maximum Power Point Tracking (MPPT) algorithm simulation based on fuzzy logic controller on solar cell with boost converter // International Conference on Smart Grid and Smart Cities. – Kuala Lumpur, Malaysia, 12–14 August 2018. – P. 117–121.
- A Review on MPPT algorithms for solar PV systems / S. Senthilkumar, V. Mohan, R. Deepa, M. Nuthal Srinivasan, T.S. Kumar, S.B. Thanikanti, N. Prathap // Granthaalayah. – 2023. – Vol. 11. – P. 25–64. doi: 10.29121/granthaalayah.v11.i3.2023.5086.
- Data Access Viewer. URL: https://power.larc.nasa.gov/data-access-viewer/ (дата обращения 28.08.2023).
Дополнительные файлы









