Power Supply of an Electrostatic Filter and a Bactericide UV Fluorescent Lamp from a Rechargeable Battery
- Authors: Bespalov N.N., Goryachkin Y.V., Yahlov A.V., Likanina D.A., Saygushev V.S.
- Issue: Vol 9, No 14 (2021)
- Pages: 33-38
- Section: Articles
- Submitted: 31.01.2025
- Accepted: 31.01.2025
- URL: https://ogarev-online.ru/2311-2468/article/view/278613
- ID: 278613
Cite item
Full Text
Abstract
The article discusses the structural and electrical schematic diagrams of the power source of an electrostatic filter and a bactericidal ultraviolet luminescent lamp from a storage battery with a voltage of +12 V. Modeling of the source operation in the NI Multisim 11 software package has been carried out. A prototype power source has been developed.
Full Text
В современном мире уровень загрязнения воздуха пылью, бактериями и вирусами с каждым годом возрастает. В настоящее время различные болезнетворные бактерии и вирусы, которые оказывают сильное негативное воздействие на здоровье и образ жизни современного человека в основном передаются воздушно-капельным путём. Воздействие на здоровье человека различного вида пыли также велико. В связи с этим актуальным является создание малогабаритных и высокоэффективных очистителей воздуха рециркуляторного типа с применением электростатической фильтрации и бактерицидным ультрафиолетовым облучением, питание которых осуществляется от низковольтных аккумуляторных батарей (АБ).
Для уменьшения влияния загрязнения воздуха на человека используются специальные устройства – очистители воздуха. Очиститель воздуха может, как очищать воздух, используя фильтры разной степени очистки, так и обеззараживать воздух, используя встроенные специальные бактерицидные лампы или устройства.
В настоящее время для очистки воздуха применяются следующие основные современные методы и технологии:
- HEPA-фильтрация;
- электростатическая фильтрация;
- бактерицидная ультрафиолетовая обработка воздуха;
- электроэффлювиальная ионизация воздуха;
- озонирование воздуха.
Наиболее высокоэффективным методом для очистки воздуха от пыли является электростатическая фильтрация дутьевого воздуха. Для работы электростатического фильтра применяются специальные высоковольтные генераторы постоянного напряжения, питаемые от сети переменного напряжения 220 В [1; 2].
В зависимости от конфигурации очистителей воздуха и используемых в нем электронных устройств используются различные типы источников питания (рисунок 1).
Рис. 1. Источники питания аппаратуры для очистки и обеззараживания воздуха
Нами решалась задача разработки источника питания электростатического фильтра от АБ. Для этого была рассмотрена структурная схема преобразователя напряжения, представленная на рисунке 2.
Рис. 2. Структурная схема источника питания электростатического фильтра
В качестве генератора с самовозбуждением (автогенератора) была использована схема мультивибратора на полевых транзисторах с трансформаторной связью с нагрузкой [2; 3].
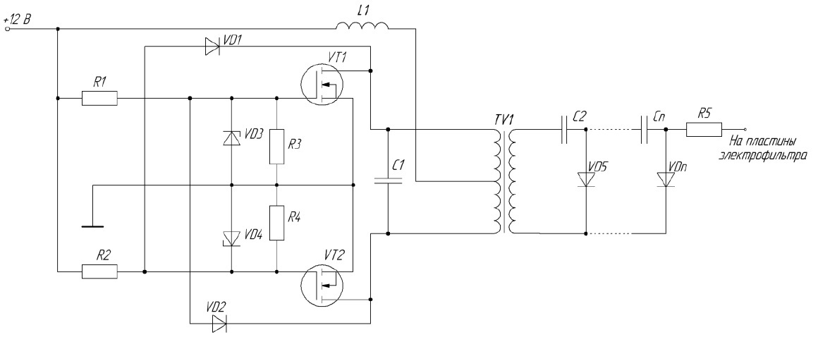
На рисунке 3 представлена разработанная электрическая принципиальная схема источника питания электростатического фильтра от АБ +12 В.
Рис. 3. Электрическая принципиальная схема источника питания электростатического фильтра от АБ +12 В
При подаче питания с АБ +12 В, через резистивные делителя напряжения R1–R3 и R2–R4 начинают протекать примерно одинаковые тока. При этом одновременно к затворам обоих полевых транзисторов прикладывается напряжение с резисторов R3 и R4, что обуславливает заряд входных ёмкостей. Из-за небольшого отличия характеристик транзисторов, один из них быстрее переходит в открытое состояние и начинает проводить ток. При этом через диод разряжается переход затвор-исток другого транзистора, который удерживается, таким образом, в закрытом состоянии. Преобразованное напряжение поступает на первичную обмотку повышающего трансформатора, где повышается до нескольких сотен вольт. К первичной обмотке трансформатора подключён конденсатор. В результате этого индуктивность первичной обмотки и конденсатор представляют собой резонансный контур, что обеспечивает формирование на обмотках трансформатора квазисинусоидальных сигналов напряжения. На вторичной обмотке формируется напряжение с действующим значением напряжения равным 220 В и частотой 20,8 кГц. К вторичной обмотке трансформатора подключается умножитель напряжения, который повышает напряжение до нескольких киловольт, а также вход системы облучения на основе бактерицидной ультрафиолетовой люминесцентной лампе.
Достоинствам данного схемного решения является простота схемотехнического решения, малые величины электрических помех и возможность создания электронной части очистительного устройства с малыми габаритами.
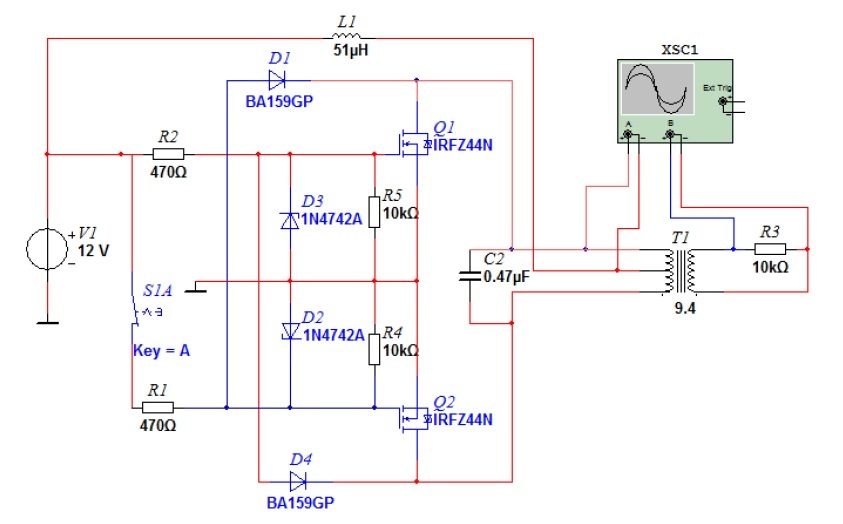
Предварительно электрические режимы схемы источника питания были определены при моделировании схемного решения в программной среде MULTISIM 11. Модель разрабатываемого источника питания показана на рисунке 4.
Рис. 4. Модель источника питания электростатического фильтра от АБ +12 В
В модели используется ключ S1A, необходимый для запуска схемы, поскольку в электрических моделях полевых транзисторов ёмкости затворов одинаковые. Работа схемы настроена на резонанс напряжений в первичной обмотке повышающего трансформатора с помощью конденсатора C2. Регулируя напряжение питания, можно изменять напряжение, снимаемое со вторичной обмотки.
На рисунке 5 представлены результаты моделирования сигналов напряжения на входе и выходе импульсного повышающего трансформатора.
Рис. 5. Осциллограммы, снимаемые осциллографом XSC1:
1 – напряжение первичной обмотки повышающего трансформатора; 2 – напряжение вторичной обмотки повышающего трансформатора
Из осцилограмм видно, что входной и выходной сигналы напряжения с трансформатора имеют синусоидальнуюформу. При этом амплитуда напряжения на первичной обмотке составляет 18,8 В при питании постоянным напряжением 12 В, а амлитуда напряжения на вторичной обмотке достигается величины 353 В.
При макетной реализации устройства выходной сигнал напряжения подавался на вход умножителя напряжения, на выходе которого формируется квазипостоянный сигнал напряжения величиной не менее 3,5 кВ. При испытании макетного образца его выходной сигнал также подавался на вход стандартного облучателя на основе бактерицидной ультрафиолетовой люминесцентной лампы.
На рисунке 6 представлен макетный образец источника питания электростатического фильтра от АБ +12 В при подключении к умножителю напряжения.
Рис. 6. Макетный образец источника питания электростатического фильтра от АБ +12 В
На выходе повышающего трансформатора было установлено выходное напряжение амплитудой 310 В. При данном подключении ток потребления источника составил 0,12 А.
При подключении выхода данного источника к облучателю на основе бактерицидной ультрафиолетовой люминесцентной лампы, состоящей из электронного пускорегулирующего аппарата и системе, питающей лампу, была достигнута его устойчивая работа (рисунок 7). В макете использовался ЭПРА фирмы КОМТЕХ – LINE 508 0 01. В качестве бактерицидной ультрафиолетовой лампы 8 Вт использовалась люминесцентная лампа Т5 8W 865/D. При данном подключении ток потребления от АБ источника составил 0,7 А.
Рис. 7. Макетный образец источника питания бактерицидной ультрафиолетовой лампы 8 Вт от АБ +12 В
Таким образом, при параллельном питании умножителя и системы бактерицидного ультрафиолетового облучения с применяемой лампой, общий ток потребления составляет 0,82. Это обеспечивает потребление от АБ активной мощности равной 9,84 Вт.
Данное схемное решение позволит в дальнейшем создавать портативную аппаратуру для очистки и обеззараживания воздуха, питаемую от АБ +12. Данное устройство необходимо применять в помещениях, в которых отсутствует промышленная сеть 220 В.
About the authors
N. N. Bespalov
Author for correspondence.
Email: ogarevonline@yandex.ru
Russian Federation
Yu. V. Goryachkin
Email: ogarevonline@yandex.ru
Russian Federation
A. V. Yahlov
Email: ogarevonline@yandex.ru
Russian Federation
D. A. Likanina
Email: ogarevonline@yandex.ru
Russian Federation
V. S. Saygushev
Email: ogarevonline@yandex.ru
Russian Federation
References
- Назаров М. Электростатический очиститель воздуха своими руками. Часть 1 – принципы работы [Электронный ресурс]. – Режим доступа: https://habr.com/ru/post/371071 (дата обращения 10.06.2021).
- Беспалов Н. Н., Яхлов А. В. Разработка и моделирование системы питания электростатического фильтра. [Электронный ресурс]. – Режим доступа: https://www.elibrary.ru/download/elibrary_46231165_41686990.pdf (дата обращения 28.06.2021).
- Простой ZVS-драйвер на MOSFET [Электронный ресурс]. – Режим доступа: http://www.electrolibrary.info/electronics/24-prostoy-zvs-drayver-na-mosfet.html (дата обращения 13.06.2021).
- Мухутдинов Р. Источник высокого напряжения, автогенератор [Электронный ресурс]. – Режим доступа: https://radiolaba.ru/vyisokoe-napryazhenie/istochnik-vyisokogo-napryazheniya-avtogenerator.html (дата обращения 15.06.2021).
Supplementary files













