Technology of Shopping Center Modeling in the Autodesk AutoCAD and ArchiCAD Systems
- Authors: Berezentseva A.A., Oshkina L.M., Nizina T.A.
- Issue: Vol 10, No 3 (2022)
- Pages: 47-60
- Section: Articles
- Submitted: 14.12.2024
- Accepted: 14.12.2024
- URL: https://ogarev-online.ru/2311-2468/article/view/273179
- ID: 273179
Cite item
Full Text
Abstract
The formation of an information model of the shopping center in AutoCAD 2018 and ArchiCAD 24 systems is completed. The technological sequence for creating the model is determined. The simulation results are presented. A comparative analysis of the models is carried out.
Full Text
Компьютерные технологии с каждым годом занимают все более высокие позиции, как в производственной сфере, так и в повседневной жизни современного человека. Необходимость внедрения информационной технологии для развития строительства объясняется требованиями к сокращению сроков проектирования и подготовки производства для выпуска новых и модернизируемых изделий, затрат на проектирование и производство [1–3]. Высокие темпы развития современного общества предполагают повышение качества и производительности инженерно-технических работ.
Вне всяких сомнений, для обеспечения должного уровня процесса проектирования возникает необходимость в использовании средств автоматизации проектных работ. С применением средств автоматизации снижается трудоемкость работ проектировщика и повышается его результативность. Кроме того, с помощью компьютерных технологий облегчается оформление конструкторских документов, насыщенных изображениями стандартных, типовых, унифицированных составных частей, упрощается модернизация существующих конструкций и другие виды работ [1].
В настоящее время вопросы изучения компьютерных технологий и средств автоматизированного проектирования (САПР) являются наиболее актуальными. Владение пакетами САПР наделяет специалистов неоспоримыми преимуществами в сложившихся условиях на рынке труда. Многие начинающие архитекторы, дизайнеры и проектировщики задаются вопросом использования наиболее предпочтительной программы САПР (CAD) для построения виртуальных проектов зданий с проектной документацией. В основном, выбор осуществляется между двумя популярными на российском рынке пакетами программ – ArchiCAD от компании Graphisoft и AutoCAD от компании Autodesk. В данной работе представлены результаты моделирования и сравнительный анализ информационной модели торгового центра в каждой из систем. Цель работы – изучение и сравнение функциональных возможностей популярных программных комплексов AutoCAD 2018 и ArchiCAD 24 при создании трехмерной модели торгового центра.
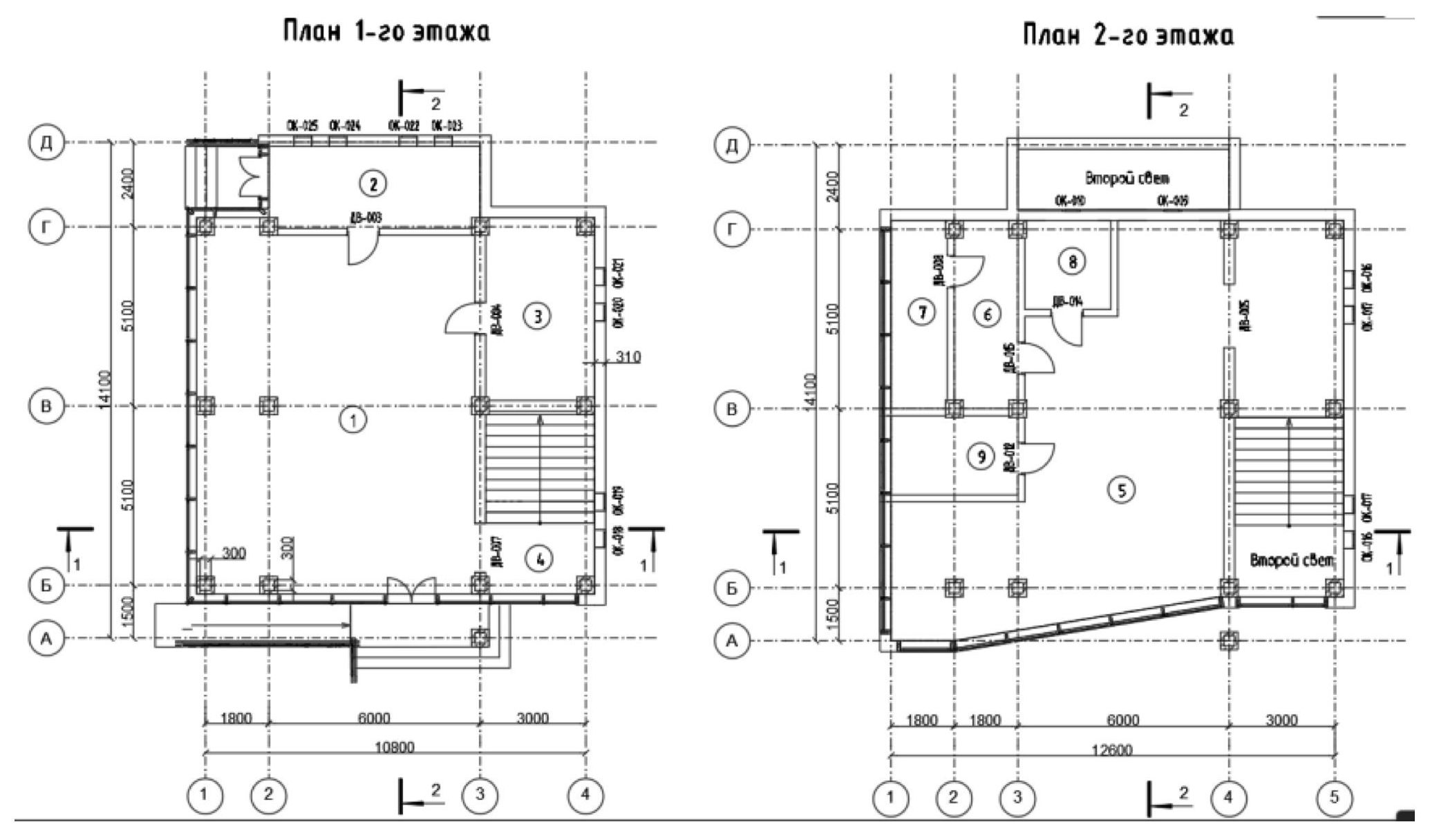
Проектируемым объектом является двухэтажный торговый центр сложной формы. На первом этаже расположен просторный торговый зал, подсобное помещение для персонала и склад. Второй этаж предназначен для кафе. Для сообщения между этажами здания предусмотрены лестничные клетки. Высота здания до наивысшей отметки конструктивного элемента составляет +7,900 м. Высота первого этажа равна 3,000 м, второго – 3,700 м. В плане здание представляет собой прямоугольник. Размеры здания в осях А – Д составляют 14,100 м. Здание имеет разную ширину в горизонтальных осях для первого и второго этажей и составляет 10,800 м и 12,600 м соответственно.
Конструктивная система здания – каркасная. Вертикальные и горизонтальные несущие элементы обеспечивают прочность, жесткость и устойчивость здания. Конструкции перекрытия и покрытия воспринимают приходящиеся на них вертикальные и горизонтальные нагрузки и воздействия, передавая их поэтажно на наружные и внутренние стены, которые, в свою очередь, передают эти нагрузки через фундаменты основанию. На рисунках 1 и 2 представлены планы 1-го и 2-го этажей и разрезы здания, выполненные в AutoCAD 2018.
Рис. 1. Планы 1-го и 2-го этажей торгового центра, выполненные в AutoCAD
Рис. 2. Разрезы этажей торгового центра, выполненные в AutoCAD
Для удобства работы при 3D-моделировании в Autodesk AutoCAD необходимо настроить рабочее пространство 3D и вывести несколько видовых экранов. Это осуществляется при помощи вкладки «Визуализация». Кроме того, в этой вкладке можно настроить разные визуальные стили (реалистичный, концептуальный, каркас, скрытый, эскизный и др.) и виды для проектирования будущего здания (вид спереди, слева, справа, изометрическую поверхность и др.) (рис. 3). Важно следить за тем, какой видовой экран активен и в каком видовом экране происходит создание фигуры, во избежание дальнейшей путаницы. Моделирование здания выполнялось согласно определенной технологической последовательности [4; 5].
Рис. 3. Контекстное меню выбора вида модели
Программа AutoCAD 2018 предоставляет пользователю весь необходимый набор для создания и редактирования пространственных моделей. Команды, предназначенные для 3D-моделирования твердых тел, находятся на ленте «Тело». В AutoCAD трехмерная модель создается при помощи примитивов: «Ящик», «Цилиндр», «Сфера». Построения осуществляются с использованием команд: «Выдавить», «Вытягивание», «Вращение», «Сдвиг» и «Лофт». Работу с многотельными моделями производят при помощи операций над телами: «Объединение», «Вычитание», «Пересечение». Таким образом, при помощи команд «Ящик» и «Вытянуть» идет построение стен, фундаментной плиты, перекрытий и покрытий торгового центра (рис. 4).
Рис. 4. Построение перекрытия первого этажа
Стены и колонны возводим также с помощью команды «ящик». Затем объединяем при помощи команды «Тело, объединение». Построение оконных и дверных проемов выполняется с использованием кнопки «Тело, вычитание».
Рис. 5. Модель первого этажа здания, выполненная в AutoCAD
При выполнении витражей и ограждения, некоторые мелкие элементы каркаса были разработаны отдельно и объединены в блоки для упрощения копирования элементов. Создание блоков осуществлялось с помощью кнопки «Создать блок», находящейся во вкладке «Вставка», раздел «Определение блока» (рис. 6).
Рис. 6. Модель второго этажа здания, выполненная в AutoCAD
Создание кровли производилось с помощью стандартных примитивов создания и редактирования, используемых в системе AutoCAD (рис. 7).
Рис. 7. Модель здания, выполненная в AutoCAD
После того, как была собрана модель торгового центра, производилось присвоение элементам конструкций соответствующих материалов. Это позволяет получить более реалистичное изображение объектов при визуализации. AutoCAD позволяет моделировать практически любые свойства материалов. При этом в стандартной версии программы имеется большая библиотека предварительно созданных материалов. Кроме того, материалы из библиотеки можно редактировать, изменяя любые их свойства в соответствии с требованиями, необходимыми для достоверного отображения изделия в процессе визуализации [4]. Итоговая трехмерная модель здания представлена на рисунке 8.
Рис. 8. 3D-модель торгового центра, выполненная в Autodesk AutoCAD 2018
Рассмотрим функций и возможности программы ArchiCAD в ходе разработки модели проектируемого здания [5]. ArchiCAD – это программный пакет для архитекторов, основанный на технологии информационного моделирования (Building Information Modeling – BIM), созданный фирмой Graphisoft. Этот продукт предназначен, в основном, для проектирования архитектурно-строительных конструкций и решений, а также элементов ландшафта, мебели и многого другого [4].
При работе в ArchiCAD используется концепция Виртуального Здания. Суть её состоит в том, что проект представляет виртуальную модель реального здания, существующую в памяти компьютера. Для её создания проектировщик на начальных этапах работы с проектом возводит здание, используя при этом инструменты, имеющие свои полные аналоги в реальности: стены, перекрытия, окна, лестницы, разнообразные объекты и т. д. Завершив этап моделирования, можно извлечь из «виртуального здания» все необходимые данные для создания проектной документации: планы этажей, фасады, разрезы, экспликации, спецификации, визуализации и пр.
Проектирование здания в ArchiCAD ведется поэтажно и начинается с назначения сетки разбивочных осей. Для этого необходимо ввести нужные параметры в окне «Параметры сетки осей». Далее велась расстановка колонн каркаса здания, создание перекрытия и назначение элементам конструкций необходимых параметров (рис. 9, 10). После создания каркаса первого этажа возводим стены. Для этого в панели инструментов выбираем «Инструмент стена» (по умолчанию геометрический вариант «Прямолинейная») и начинаем обводить колонны, поочередно кликая на угловые. Перегородки создаются по такому же принципу, как и стены, задавая необходимые размеры в «Параметрах стены» (рис. 10).
Рис. 9. Окно «Параметры колонны»
Рис. 10. Окно «Параметры стены»
Витражи задаем через инструмент «Навесная стена». Геометрический вариант выбираем «Прямолинейная (многосекционная)». Для настройки параметров навесной стены, необходимо кликнуть на нее два раза и в появившемся диалоговом окне (рис. 11) задать необходимые параметры. Здесь можно задать ряд ключевых параметров, таких как схема навесной стены, сечение профилей, материал и тип панелей. Высоту и длину навесных стен можно редактировать в рабочем пространстве.
Рис. 11. Окно «Параметры навесной стены»
Визуализацию навесной стены можно посмотреть в «Выпадающая Навигация» в разделе «Общая перспектива» и отредактировать по необходимости (рис. 12).
Рис. 12. Редактирование навесной стены
Двери и дверные проемы создаем через панель «Параметры двери». В данном окне можно задать необходимые параметры двери, выбрать стиль, ручку двери и т.д. Кроме этого, можно также поставить пустой дверной проем, выбрав в библиотеке вкладку «Пустые дверные проемы».
Окна задаем через «Параметры окна». Стандартная библиотека содержит огромное количество разнообразных окон и включает в себя прямоугольные, треугольные, многоугольные, арочные окна.
Лестницы вставляются в проекты как библиотечные элементы с помощью инструмента Лестница. Параметры лестниц задаются в соответствующем диалоговом окне (рис. 13).
Рис. 13. Окно «Параметры лестницы»
Второй этаж здания несколько отличается от первого, поэтому копированию подлежат только колонны. Для этого курсором выделяем колонны, копируем их и через «Выпадающий навигатор» переходим на второй этаж. Вставляем скопированные элементы. По умолчанию программа расположит их «по месту». Не забываем создать пол второго этажа, также при помощи «Инструмента перекрытие». Построение всех остальных элементов второго этажа осуществляется описанными выше действиями и возможностями (рис. 14).
Рис. 14. Модель двух этажей торгового центра, выполненных в ArchiCAD
На последнем этапе создаем кровлю. Для данного здания выбираем односкатную кровлю и вариант построения по двум точкам. Дальнейшие параметры и уклон задаем через окно «Параметры выбранной крыши».
Теперь осталось присвоить элементам нужные материалы через окно параметров элементов и 3D-модель торгового центра готова (рис. 15).
Рис. 15. 3D-модель торгового центра, выполненная в ArchiCAD
Рабочее пространство в ArhiCAD позволяет сгенерировать конструктивную Аналитическую Модель, основанную на физической (архитектурной) модели. Аналитическая Модель создается в фоновом режиме одновременно с Физической Моделью. Все изменения Физической Модели автоматически отражаются в Аналитической Модели. Аналитическая Модель не является отдельной моделью, но представляет собой упрощенное отображение Физической Модели (рис. 16, 17).
Рис. 16. Аналитическая Модель торгового центра, выполненная в ArchiCAD
Рис. 17. Аналитическая Модель торгового центра, выполненная в ArchiCAD, с наложением прозрачной Физической Модели
Выводы. В результате поэтапной работы над моделированием торгового центра был выполнен сравнительный анализ функциональных возможностей, преимуществ и недостатков двух систем. Полученные изображения пространственных моделей наглядно показывают различия при проектировании здания. Основной подход к работе в AutoCAD сводится к отрисовке графическими примитивами любых элементов чертежа. Набор инструментов черчения и рисования, настройка их свойств и параметров позволяет полностью соблюдать требования стандартов в отношении правил выполнения изображений и аннотаций – толщин и типов линий, текстовых стилей, простановки размеров и т.д.
Основной подход к работе в ArchiCAD сводится к созданию виртуальной модели здания, которая строится с использованием интеллектуальных объектов (стен, перекрытий, балок, окон и дверей и т.д.). Из получившейся трехмерной модели здания автоматически извлекается необходимая информация в форме чертежей (разрезов, фасадов, планов), спецификаций и другие документы. Имеющиеся в системе двумерные инструменты черчения используются только как вспомогательные средства для оформления документации проекта.
Построение концептуальных 3D-моделей возможно в обоих программных продуктах. Однако AutoCAD оперирует трехмерными примитивами, в то время как ArchiCAD работает с интеллектуальными инструментами и библиотеками готовых объектов, что значительно сокращает время работы над проектом. Принципы организации проекта в AutoCAD и ArchiCAD одинаковы. В пространстве модели (этажа) создается план здания или другие изображения.
По результатам выполнения сравнительного анализа можно сделать вывод о том, что каждая из рассмотренных систем (AutoCAD и ArchiCAD) обладает своей спецификой, имеет выраженные преимущества в определенных областях и видах работ, а их функциональные характеристики позволяют решать различные типы задач с разной степенью эффективности.
About the authors
A. A. Berezentseva
Author for correspondence.
Email: ogarevonline@yandex.ru
Russian Federation
L. M. Oshkina
Email: ogarevonline@yandex.ru
Russian Federation
T. A. Nizina
Email: ogarevonline@yandex.ru
Russian Federation
References
- Талапов В. В. Основы BIM: Введение в информационное моделирование зданий. – М.: ДМК Пресс, 2011. – 392 с.
- Паршина С. В., Козлятников И. С. Новая версия программного BIM обеспечения ALLPLAN 2020 [Электронный ресурс] // Огарев-online. – 2020. – №3. – Режим доступа: http://journal.mrsu.ru/arts/novaya-versiya-programmnogo-bim-obespecheniya-allplan-2020 (дата обращения 21.01.2022).
- Паршина С. В., Низина Т. А. Российский программный BIM-комплекс RENGA // Долговечность строительных материалов, изделий и конструкций: материалы Всерос. науч.-техн. конф, посвящ. 75-летию засл. деятеля науки РФ, акад. РААСН, д-ра техн. наук, проф. Селяева В.П. (3-5 дек. 2019 г.). – Саранск: Изд-во Мордов. ун-та, 2019. – С. 245-250.
- Ошкина Л. М. AutoCAD для архитекторов и дизайнеров. Часть 2. Моделирование пространственных объектов. – Саранск: Изд-во Мордов. ун-та, 2007. – 92 с.
- Ошкина Л. М. Жилой дом малой этажности: Метод. указания к проектированию в граф. среде ArchiCAD. – Саранск: Изд-во Мордов. ун-та, 2005. – 48 с.
Supplementary files






















