A general concept of constructing linear automation systems for movement of investigated parameter in time structures
- Авторлар: Algazin E.I.1
-
Мекемелер:
- Novosibirsk State Technical University
- Шығарылым: Том 30, № 3 (2024)
- Беттер: 446-455
- Бөлім: Automation. Information Technology. Control. Instruments
- URL: https://ogarev-online.ru/0136-5835/article/view/278507
- DOI: https://doi.org/10.17277/vestnik.2024.03.pp.446-455
- ID: 278507
Дәйексөз келтіру
Толық мәтін
Аннотация
In this paper, the principles of constructing linear automation systems designed to move their parameter under study in circuits with different time constants are considered. Modeling of such systems is based on realizations of electrical circuits that allow one to obtain the required time constants. To do this, on the basis of differential equations that describe the behavior of the circuits under study, characteristic equations are formed. The roots of these equations make it possible to determine the mode of operation of the circuits under study and the time constants. Electrical circuits are selected as the circuits, in which the parameter under study is the voltage on the capacitor.
Толық мәтін
Введение
Изначально рассматриваются цепи, являющиеся линейными системами автоматики (ЛСА). В цепи, состоящей из последовательно соединенных индуктивности L и емкости C, предварительно заряженной до напряжения , отсутствует диссипация. В остальных цепях содержится резистор, обусловливающий наличие диссипации.
Во всех рассматриваемых цепях существует обмен энергией между электростатическим полем конденсатора и магнитным полем катушки индуктивности. В цепях с резистором существует трансформация энергии обоих полей в тепловую энергию, выделяемую на резисторе R.
В зависимости от режима работы рассматриваемых цепей им соответствуют определенного вида корни, используемые при описании исследуемого параметра U0 – напряжения на конденсаторе. Для нахождения аналитического выражения постоянных интегрирования используется система уравнений. Матричная форма записи используется для проверки решения классическим способом.
В настоящей работе рассмотрены следующие режимы функционирования цепей: колебательный без диссипации для цепи, содержащей емкостный элемент и катушку индуктивности без резистивного элемента; колебательный с диссипацией для цепи второго порядка с наличием резистивного элемента; критический апериодический для цепи второго порядка с наличием резистивного элемента и апериодический для цепи второго порядка с наличием резистивного элемента.
При использовании матричного описания аналитических выражений исследуемого параметра (напряжения на конденсаторе) порядок цепи соответствует количеству реактивных элементов в ней и размерности используемых матриц. Это представление на плоскости. Увеличение порядка матриц (а также количества реактивных элементов в цепи) не ведет к качественному изменению результатов, а лишь усложняет вычисления и представление результатов.
Результатом исследований является получение корней, соответствующих определенному режиму функционирования рассматриваемых цепей.
В настоящей работе получены корни чисто мнимые, без вещественной части, комплексно-сопряженные, содержащие вещественную и мнимую части, и чисто вещественные, содержащие только вещественную часть.
Общепринято, что когда вычисляем постоянную времени исследуемой цепи, то принимаем ее равной обратному значению корня, взятого с обратным знаком. Это справедливо для всех корней, как для вещественных, так и для комплексных и мнимых.
Но при этом следует помнить, что в описании времени, которым является постоянная времени, появляется мнимая составляющая (в случае комплексных и мнимых корней). Об этом справедливо замечено в [1]. Поэтому необходимо найти данному явлению объяснение, позволяющее толковать наличие мнимой составляющей в описании постоянных времени.
Соответствие колебательных режимов без диссипации мнимым корням и с диссипацией комплексно-сопряженным корням дает объяснение в виде происходящего с исследуемым параметром колебательного процесса.
Постановка задачи
Даны следующие ЛСА:
- система, состоящая из последовательно соединенных катушки с индуктивностью L и конденсатора емкостью C. Источник питания отсутствует. Конденсатор предварительно заряжен до напряжения . (Далее цепь
- системы, состоящие из последовательно соединенных катушки с индуктивностью L, конденсатора емкостью C, предварительно заряженного до напряжения , а также резистора с сопротивлением R. В зависимости от значения R в таких цепях реализуется колебательный, критический апериодический и апериодический режим (далее цепь
Допущения: R, С и L – сосредоточенные элементы.
Источник питания отсутствует [2].
Необходимо:
- найти корни характеристического уравнения, описывающего режим работы данных электрических цепей;
- вывести аналитическое выражение исследуемого параметра (напряжения на конденсаторе);
- найти аналитические выражения для постоянных времени каждой из данных электрических цепей ЛСА.
Пути решения
Рассмотрим ЛСА в виде электрической цепи (рис. 1).
Рис. 1. Линейная система автоматики в виде электрической цепи L – C – 0 – U0
Опишем ее состояние на основе второго закона Кирхгофа (рис. 2).
Рис. 2. Линейная система автоматики после коммутации ключа вправо
Получим следующие уравнения:
Сложим их почленно
Продифференцируем обе части и упростим:
.
Получим характеристическое уравнение
,
откуда
.
Найдем выражение для исследуемого параметра в виде
,
где и – постоянные интегрирования.
Решим классическим методом:
;
Преобразуем:
;
;
;
;
;
;
.
Получим выражение для исследуемого параметра
Проведем проверку предыдущего решения с помощью матричного представления [3]:
;
;
;
.
Матрица A и имеют вид
.
Пусть для момента времени t = 0.
Тогда:
;
;
;
Рассмотрим цепь (рис. 3).
Рис. 3. Линейная система автоматики, реализованная в виде электрической цепи R – C – L – 0 – U0
Для реализации апериодического режима необходимо выполнение условия , где – значение сопротивления критического. Корни исследуемой цепи находим из ее характеристического уравнения.
.
Найдем выражение для исследуемого параметра в виде
.
При t = 0
;
,
откуда
;
.
Преобразуем к виду:
;
.
Проверим проведенные вычисления в матричной форме:
Откуда
.
Рассмотрим цепь , а это предельный апериодический режим при выполнении условия . Решение будем искать в виде
.
При t = 0
Проверим эти выкладки в матричной форме
При t = 0
.
Рассмотрим цепь . При выполнении условия , режим в цепи будет колебательный.
В рассматриваемом случае колебательного режима решение будем искать в виде
с учетом того, что , где ; а – угловая частота собственных затухающих или свободных колебаний в рассматриваемой цепи. Поскольку при t = 0
, (1)
то постоянные интегрирования имеют следующий вид:
.
Вместо и подставим их комплексные выражения:
После подстановки полученных комплексных выражений и в систему (1) получим тождества, что говорит о верности расчетов. Проверим в матричной форме:
откуда
.
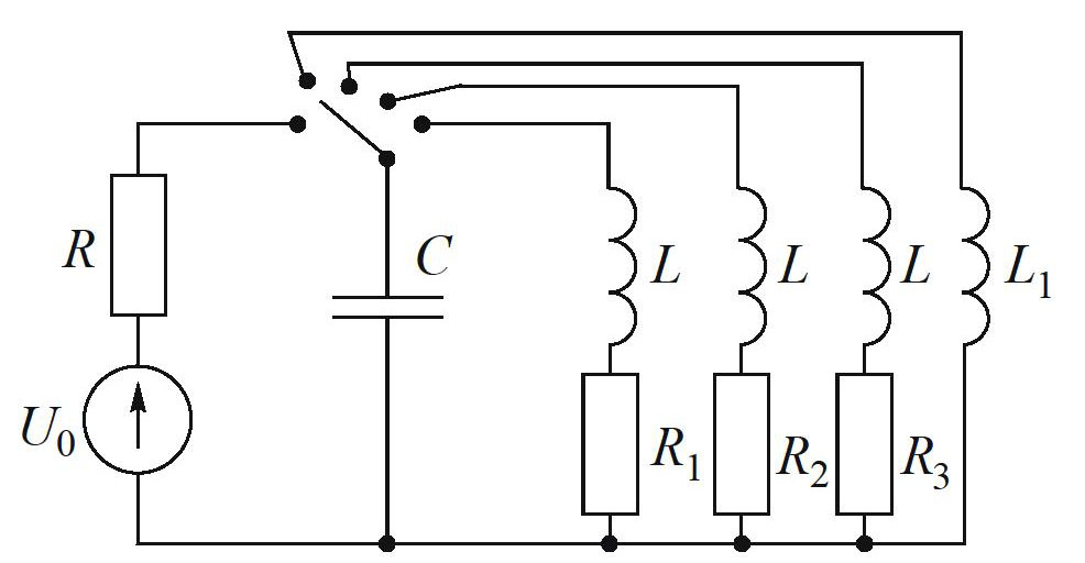
Объединим предыдущие цепи, изображенные на рис. 1 и 3, в одну цепь, которая и будет окончательным вариантом ЛСА (рис. 4).
Рис. 4. Окончательный вариант электрической цепи, реализующей ЛСА: ,
Цепь реализует незатухающий колебательный режим, которому соответствуют два мнимых корня, равные по модулю, но с различными знаками:
Цепь реализует затухающий колебательный режим, которому соответствуют два комплексно-сопряженных корня:
.
Цепь реализует критический апериодический режим, которому соответствуют два равных вещественных корня
.
Цепь реализует апериодический режим, которому соответствуют два различных вещественных корня
.
Формально-логический переход от корней (мнимых, комплексных, вещественных) к временным структурам jt, t + jt и t заключаются в том, что во всех случаях , откуда , где – постоянная времени рассматриваемой цепи, которая может быть чисто мнимая, комплексно-сопряженная или вещественная, что указывает на принадлежность к временной структуре.
Результаты
Для цепи найдена постоянная времени. Величина мнимая. Режим колебательный незатухающий.
Для цепи найдены постоянные времени для колебательного затухающего, критического апериодического и апериодического режимов работы цепи. Эти величины комплексно-сопряженные и вещественные.
Полученные постоянные времени принадлежат в случае цепи к мнимой структуре времени, в случае цепи – к комплексной либо вещественной структуре времени.
Полученная окончательная схема позволяет переводить исследуемый параметр из одной временной структуры в другую.
Выводы
Найденные постоянные времени для цепей и указывают на режим функционирования цепи. Общая концепция построения ЛСА для передвижения их исследуемого параметра в различных структурах времени заключается в установлении исходного состояния электрической цепи ЛСА и последующего переключения на ветвь, где постоянные времени мнимые, комплексно-сопряженные или вещественные.
Авторлар туралы
E. Algazin
Novosibirsk State Technical University
Хат алмасуға жауапты Автор.
Email: algazin@corp.nstu.ru
Doctor of Technical Sciences, Professor of the Department of Electronics and Electrical Engineering
Ресей, NovosibirskӘдебиет тізімі
- Arnold V.I. Dopolnitel'nyye glavy teorii obyknovennykh differentsial'nykh uravneniy [Additional Chapters in the Theory of Ordinary Differential Equations], Moscow: Nauka, Gl. red. fiz.-mat. lit-ry, 1978, 304 p. (In Russ.)
- Veselovsky O.N., Broslavsky L.M. Osnovy elektrotekhniki i elektrotekhnicheskiye ustroy-stva radioelektronnoy apparatury [Fundamentals of electrical engineering and electro-technical devices of radio-electronic equipment], Moscow: Vysshaya shkola, 1977, 312 p. (In Russ.)
- Yakovlev K.P. (Ed.). Kratkiy fiziko-tekhnicheskiy spravochnik [Brief physical and technical reference book], vol. 1. Matematika. Fizika [Mathematics. Physics], Moscow: Gos. izdatel’stvo fiz.-mat. literatury, 1960, 448 p. (In Russ.)
Қосымша файлдар





