The Information-Measuring and Control System with a Rangefinder Channel for Tertiary Processing of Radar Information of Increased Accuracy
- Authors: Sustin A.I.1, Pudovkin A.P.1, Panasyuk Y.N.1
-
Affiliations:
- TSTU
- Issue: Vol 30, No 2 (2024)
- Pages: 274-284
- Section: Automation. Information Technology. Control. Instruments
- URL: https://ogarev-online.ru/0136-5835/article/view/278047
- DOI: https://doi.org/10.17277/vestnik.2024.02.pp.274-284
- ID: 278047
Cite item
Full Text
Abstract
To increase the accuracy characteristics of information measuring and control systems (IMCS) using tertiary information processing, performing the tasks of dispatching support of maneuvering aircraft in the airfield area, as well as to increase the system capacity while maintaining a given level of safety, the IMCS structure is proposed using the method of weighted tertiary information processing with a posteriori weight coefficients that take into account changes in the range discrepancy to the aircraft at each step. The proposed structure is distinguished by the presence of range discrepancy meters in the Kalman filter of ground-based radar stations (radars), a calculator for the weighting coefficients of the control room, in which the weighting coefficients are determined at each step, taking into account the range discrepancy values obtained from the calculators of each of the radars.
Full Text
Введение
Повышение безопасности маневрирования воздушных судов (ВС) – важная задача информационно-измерительных и управляющих систем (ИИУС), выполняющих задачи диспетчерского сопровождения маневрирующих ВС в районе аэродрома. Согласно плану развития гражданской авиации на 2013 – 2028 гг. [1], утвержденному Международной организацией гражданской авиации (ICAO), а также п. 4.5.2.4.2. Федеральных авиационных правил т. 2 ч. 170 [2], ИИУС, выполняющая задачи диспетчерского сопровождения маневрирующих ВС, должна поддерживать третичную обработку радиолокационной информации. Решение задачи повышения точностных характеристик измерения координат движения ВС системой способствует повышению пропускной способности ИИУС при сохранении заданного уровня безопасности.
Обработка информации, поступающей от нескольких источников радиолокационной информации, принято называть третичной обработкой информации [3]. Главная задача третичной обработки информации в ИИУС – повышение точности оценки координат движения ВС за счет использования данных от нескольких РЛС. Третичная обработка информации проводится в диспетчерском пункте системы на основании результатов вторичной обработки информации о координатах ВС от каждой из используемых РЛС системы. Основными этапами третичной обработки информации являются сбор полученной от РЛС информации о движении ВС, приведение к единой системе координат и единому времени, оценка радиолокационной информации (РЛИ) о движении ВС, полученной от РЛС, укрупнение оцененной информации [3 – 5]. Наиболее важным этапом третичной обработки информации является оценка информации о движении ВС.
Оценка координат движения ВС, полученная от нескольких РЛС и приведенная к единой системе координат, проводится одним из методов: математического усреднения или весовой обработки информации.
Информационно-измерительная и управляющая система с применением третичной обработки информации
Рассмотрим ИИУС с дальномерным каналом, где используется третичная обработка информации.
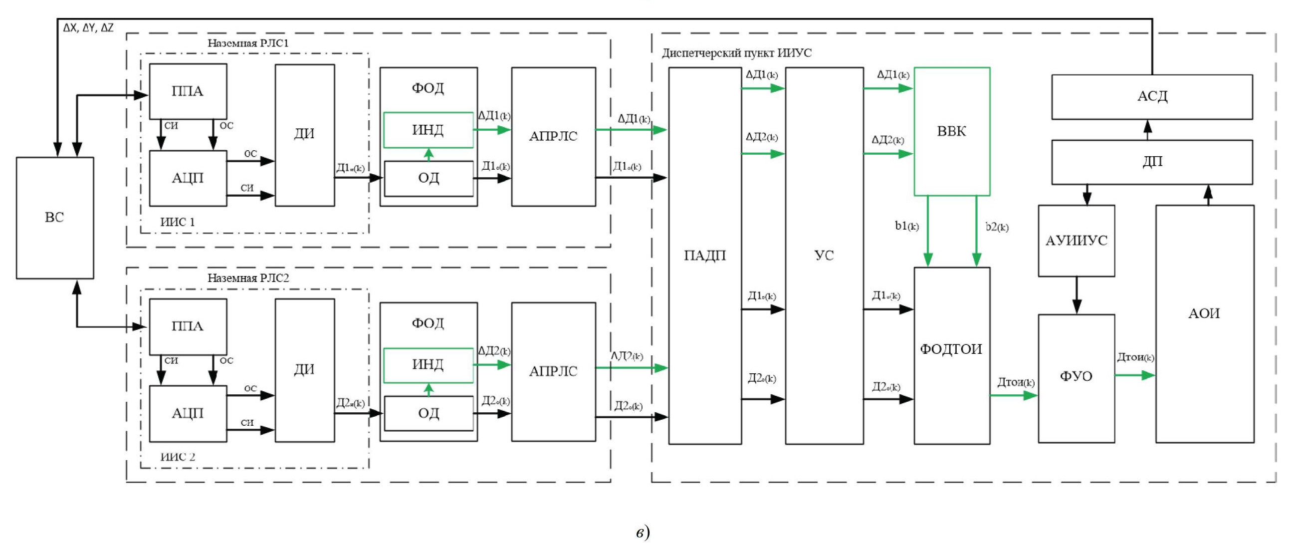
В зависимости от метода оценки дальности ВС относительно наземных РЛС при третичной обработке информации, структура ИИУС будет отличаться, однако можно выделить общие основные составляющие части: наземные РЛС1, РЛС2 и диспетчерский пункт (рис. 1, а).
Наземные РЛС идентичны. Каждая РЛС состоит из приемо-передающей аппаратуры (ППА), аналого-цифрового преобразователя (АЦП) дальности, датчика измерения дальности (ДИ), калмановского фильтра оценки дальности (ФОД) и аппаратуры передачи информации РЛС (АПРЛС). Приемо-передающая аппаратура формирует зондирующий сигнал, который излучается в пространство в сторону ВС. Отраженный сигнал (ОС) от ВС поступает на вход приемо-передающей аппаратуры, где происходит его обнаружение. Отраженный сигнал и синхронизирующий импульс (СИ) с выхода приемо-передающей аппаратуры поступают на АЦП дальности для преобразования аналоговых сигналов в цифровые. Затем цифровые сигналы ОС и СИ поступают на датчик измерения дальности, который регистрирует значение дальности до ВС методом измерения задержки по времени ОС относительно СИ. С выхода датчика измерения дальности, полученное значение поступает на калмановский фильтр оценки дальности, где осуществляется ее вторичная обработка. Оцененное значение дальности поступает в аппаратуру передачи информации РЛС, а затем в приемную аппаратуру диспетчерского пункта (ПАДП).
Диспетчерский пункт ИИУС состоит из диспетчера (ДП), приемной аппаратуры, устройства синхронизации координат и времени (УС), фильтра усреднения дальности (ФУД), фильтра укрупнения отметок (дальности) (ФУО), аппаратуры отображения информации (АОИ) диспетчера, аппаратуры управления ИИУС (АУ ИИУС), аппаратуры связи диспетчера (АСД). Информация о дальности до ВС с приемной аппаратуры диспетчерского пункта поступает в устройство синхронизации координат и времени, в котором информация от РЛС1 и РЛС2 приводится к единой системе координат и времени. В фильтре усреднения дальности проводится третичная оценка дальности до ВС с учетом радиолокационной информации от двух РЛС. Третичная оценка дальности через фильтр укрупнения дальности поступает на аппаратуру отображения информации диспетчера, где отображается информация дальности до ВС. Диспетчер использует информацию дальности до ВС, который при необходимости дает команду об укрупнении РЛИ, либо, при потенциальной вероятности возникновения конфликтных ситуаций ВС при маневрировании, передает команду с помощью аппаратуры связи об изменении пространственного положения ВС в горизонтальной и вертикальной плоскостях на величины ΔX, ΔY, ΔZ.
Одним из наиболее простых методов оценки информации о фазовых координатах ВС является метод математического усреднения. Метод математического усреднения заключается в нахождении среднего арифметического от значений фазовых координат движения ВС от каждой из РЛС в данный момент времени [4, 6]. При определении координат движения ВС (дальности, азимута, угла места) в РЛС информация поступает в диспетчерский пункт, где оценка проводится согласно формуле
(1)
здесь Xi – значение фазовой координаты движения ВС, полученное в результате третичной обработки информации в момент времени i; X1i, X2i – значения фазовых координат движения ВС, полученные в результате вторичной обработки информации в РЛС1 и РЛС2 соответственно в момент времени i.
Рассмотрим структуру ИИУС с применением метода математического усреднения при оценке дальности до ВС (см. рис. 1, а).
Рис. 1а. Структура ИИУС с применением третичной обработки информации методом математического усреднения дальности до ВС (а) (начало)
Рис. 1б. методом весовой обработки информации о дальности до ВС (б) (продолжение)
Рис. 1в. методом апостериорной весовой обработки (в) (окончание)
Главное достоинство данного метода – простота реализации в ИИУС, поскольку вычислительные затраты минимальные, однако точность оценки фазовых координат движения ВС при использовании данного метода не способна обеспечить безопасное движение ВС [4 – 6]. Это объясняется тем, что при использовании метода математического усреднения не учитываются точностные характеристики РЛС, входящих в состав ИИУС, а также параметры маневрирования ВС.
Более точным, но сложным в реализации, является метод весовой обработки информации, где оценка при третичной обработке информации проводится согласно выражению [3]
(2)
где b1i, b2i – значения весового коэффициента фазовой координаты движения ВС для информации, поступающей от РЛС1 и РЛС2 соответственно.
Метод математического усреднения координат ВС можно также считать методом весовой обработки. В таком случае радиолокационная информация, поступающая от двух РЛС, считается равной по весу, то есть b1 = b2 = 0.5 [3, 6, 9].
Весовые коэффициенты, используемые в существующих методах весовой обработки, являются априорными, то есть не изменяются в процессе маневрирования ВС [6, 9].
Так, при использовании метода весовой обработки, представленного в [3, 9], используются априорные данные о среднеквадратической погрешности оценки фазовых координат маневрирования ВС в РЛС согласно формуле
(3)
где σ1, σ2 – априорные значения среднеквадратических погрешностей (СКП) фазовых координат маневрирования ВС, не изменяющиеся в процессе маневрирования ВС.
Структура ИИУС с применением методов априорной весовой обработки при оценке дальности до ВС представлена на рис. 2.
Отличием структуры, представленной на рисунке 1, б, от структуры ИИУС с методом математического усреднения (см. рис. 1, а) является наличие фильтра оценки дальности третичной обработки информации (ФОДТОИ), где, учитывая априорные точностные характеристики РЛС системы, проводится оценка дальности согласно выражению (3).
Применение в ИИУС метода весовой обработки при оценке дальности до ВС способствует повышению точностных характеристик системы в сравнение с применением метода математического усреднения. Однако, поскольку весовые коэффициенты являются априорными, не учитываются апостериорные параметры маневрирования ВС и пространственное расположение РЛС [10, 11].
Решением данной проблемы является использование при оценке фазовых координат маневрирования ВС апостериорных параметров движения ВС. Так, в методе весовой обработки с апостериорными весовыми коэффициентами, представленном в [9, 10], таким параметром является невязка дальности до ВС. Оценка дальности до ВС при третичной обработке информации методом весовой обработки, описанным в [9, 10], проводится согласно выражению [12]
(4)
(5)
(6)
(7)
(8)
где D1, D2– дисперсии невязки по дальности для наземных РЛС1 и РЛС2 соответственно; ΔД1(k), ΔД2(k) – значения невязок дальности для наземных РЛС1 и РЛС2 соответственно; ΔДo1(k), ΔДo2(k) – оцененные значения дальности до ВС.
Структура ИИУС с применением метода апостериорной весовой обработки с применением невязки дальности при оценке дальности до маневрирующего ВС представлена на рис. 1, в.
Главным отличием предложенной структуры ИИУС с применением апостериорной весовой третичной обработки информации является использование измерителей невязки дальности (ИНД) в РЛС1 и РЛС2, где проводятся вычисления невязки дальности на каждом шаге измерения, а также фильтра оценки весовых коэффициентов (ВВК) в диспетчерском пункте, учитывающего информацию о невязке дальности, определяемую в процессе вторичной обработки информации в измерителях невязки дальности каждой из РЛС.
Информация о невязке дальности от РЛС поступает в аппаратуру приема диспетчерского пункта, откуда поступает в фильтр оценки весовых коэффициентов, где проводится оценка весовых коэффициентов в реальном времени, влияющая в дальнейшем на оценку дальности при третичной обработке информации [12, 13].
Заключение
Использование разработанной ИИУС с применением третичной обработки информации методом весовой апостериорной обработки, учитывающим невязки дальности, способствует улучшению точностные характеристик оценки дальности до 60 % по сравнению с ИИУС, использующими другие методы третичной обработки информации, а также позволяет повысить пропускную способности ИИУС при сохранении заданного уровня безопасности до 15 % [12, 14].
About the authors
A. I. Sustin
TSTU
Author for correspondence.
Email: sasasustin@mail.ru
ассистент кафедры «Радиотехника»
Russian Federation, TambovA. P. Pudovkin
TSTU
Email: resbn@mail.ru
доктор технических наук, профессор, заведующий кафедрой «Радиотехника»
Russian Federation, TambovYu. N. Panasyuk
TSTU
Email: resbn@mail.ru
кандидат технических наук, доцент кафедры «Радиотехника»
Russian Federation, TambovReferences
- Global'nyj aeronavigacionnyj plan na 2013-2028 gg. Mezhdunar. organizaciya grazhdanskoj aviacii [Global Air Navigation Plan for 2013-2028. International Civil Aviation Organization]. Montreal, 2013, 147 p. (In Russ.)
- [On the introduction of Aviation Regulations. Part 170 "Certification of aerodromes and airways equipment. Volume II. Certification requirements for the equipment of airfields and airways"]. Prikaz Ministerstva transporta RF. no. 12 dated 01/25/2016. [Access from the ConsultantPlus legal reference system]. (In Russ.)
- Panasyuk Yu.N., Pudovkin A.P. Obrabotka radiolokacionnoj informacii v radiotekhnicheskih sistemah [Processing of radar information in radio engineering systems]: Textbook. Tambov: Publishing house of FGBOU VO "TSTU", 2016. 84 p. (In Russ.)
- Kuzmin S. Z. Osnovy proektirovaniya sistem cifrovoj obrabotki radiolokacionnoj informacii [Fundamentals of designing systems for digital processing of radar information]. Moscow: Radio and Communications, 1986. 352 p. (In Russ.)
- Belotserkovsky G.B. Osnovy radiolokacii i radiolokacionnye ustrojstva [Fundamentals of radar and radar devices]: Textbook. Moscow: Soviet radio, 1975. 336 p. (In Russ.)
- Botov M.I., Vyakhirev V.A. Osnovy teorii radiolokacionnyh sistem i kompleksov [Fundamentals of the theory of radar systems and complexes]: Textbook. Krasnoyarsk: Siberian Federal University. Univ., 2013. 530 p. (In Russ.)
- Dementiev R.O., Selivanova Z.M. Obespechenie pomekhoustojchivosti izmeritel'nogo kanala intellektual'noj informacionno-izmeritel'noj sistemy distancionnogo kontrolya. Biotekhnicheskie, medicinskie i ekologicheskie sistemy i kompleksy. Biomedsistemy-2016: materialy XXIX Vseros. nauch.-tekhn. konf. studentov, molodyh uchenyh i specialistov [Biotechnical, medical and ecological systems and complexes. Biomedical systems-2016]: conference proceedings, Ryazan, December 07-09, 2016. Ryazan State Radio Engineering University. Ryazan: Ryazan State Radio Engineering University, 2016, pp. 110-113. (In Russ.)
- Rogachev A.I., Sustin A. I., Panasyuk Yu. N. [et al.] [Application of Kalman filtration for the method of dynamic weighting coefficients in tertiary information processing], Transactions of the Tambov State Technical University, 2019, vol. 25, no. 1, pp. 47-52. doi : 10.17277/vestnik.2019.01.pp.047-052. (In Russ., abstract in Eng.)
- Pudovkin A.P., Danilov S.N., Panasyuk Yu.N. Perspektivnye metody obrabotki informacii v radiotekhnicheskih sistemah [Promising methods of information processing in radio engineering systems]: monograph. St. Petersburg: Expert Solutions, 2014. 256 p. (In Russ.)
- Sustin A.I., Rogachev A.I. [Tertiary processing of radar information in a rangefinder channel], sb. nauch. tr. [Collection of scientific tr. Radioelectronics. Problems and prospects of development], Tambov, 2018, pp. 66-68. (In Russ.)
- Pudovkin A.P., Panaszuk Yu.N., Sustin A.I., Danilov S.N., Valepo L.G., Trapeznikova O.V. Algorithm synthesis for tertial information processing of distance measuring channel in information and measurement system of air traffic control. Journal of Physics: Conference Series: IV International Scientific and Technical Conference "Mechanical Science and Technology Update", MSTU, 2020. (In Russ.)
- Pudovkin A.P., Panasyuk Yu.N., Sustin A.I. Sposob ocenki dal'nosti do manevriruyushchego vozdushnogo sudna informacionno-izmeritel'noj sistemoj upravleniya vozdushnym dvizheniem s primeneniem tretichnoj obrabotki informacii [A method for estimating the range to a maneuvering aircraft by an information and measuring air traffic control system using tertiary information processing]. Russian Federation, Pat. 2780803 C1 IPC G01S 13/70, G01S 13/87. (In Russ.)
- Sustin A.I., Pudovkin A.P. Perspektivy razvitiya informacionno-izmeritel'noj sistemy dlya upravleniya vozdushnym dvizheniem s tretichnoj obrabotkoj informacii. Radioelektronika. Problemy i perspektivy razvitiya: Sb. tr. VIII Vseros. molodezh. nauch. konf. [Radioelectronics. Problems and prospects of development: Proceedings of the Eighth All-Russian Youth Scientific Conference], Tambov, May 10, 2023. Tambov: Tambov State Technical University, 2023, pp. 133-135. (In Russ.)
- Sustin, A. I. Informacionno-izmeritel'naya sistema s primeneniem tretichnoj obrabotki informacii dlya povysheniya tochnosti ocenki dal'nosti vozdushnyh sudov. Energosberezhenie i effektivnost' v tekhnicheskih sistemah: Materialy IX Vseros. nauch.-tekhn. konf. s mezhdunar. uchastiem dlya studentov, molodyh uchenyh i specialistov [Energy saving and efficiency in technical systems: Proceedings of the IX All-Russian Scientific and Technical Conference with international participation for students, young scientists and specialists], Tambov, October 19, 2022. Tambov: Publishing Center of the Tambov State Technical University, 2022, pp. 23-25. (In Russ.)
Supplementary files





