Palygorskite mineralization in the Induan sediments of the Moscow syneclise as an effect of regional and global paleogeographic change around the Permian-Triassic boundary
- Authors: Arefiev M.P.1, Shchepetova E.V.1, Pokrovskaya E.V.1, Shkurskii B.B.2, Nurgalieva N.G.3, Batalin G.A.3, Gareev B.I.3
-
Affiliations:
- Geological Institute, Russian Academy of Sciences
- Lomonosov Moscow State University
- Kazan Federal University
- Issue: Vol 519, No 2 (2024)
- Pages: 97-109
- Section: PALEOGEOGRAPHY
- Submitted: 06.03.2025
- Published: 28.12.2024
- URL: https://ogarev-online.ru/2686-7397/article/view/282630
- DOI: https://doi.org/10.31857/S2686739724120131
- ID: 282630
Cite item
Full Text
Abstract
The widespread occurrence of palygorskite is recorded throughout the territory of the Moscow syneclise in the Lower Triassic (Induan) – at the southeast (Vetluga-river basin), the northeast (Sukhona – Yug – Severnaya Dvina rivers basin) and the western part in the Gavrilov-Yam borehole at the beginning of the Triassic (Induan). Palygorskite is found in almost all types of Induan sediments and, together with smectites, is one of the main clay minerals, its maximum concentrations are measured in paleosols. The morphology of aggregates and the nature of their relationships with other sedimentary components indicate an autigenic origin. The presence of high-magnesian minerals (serpentine, Md-chlorite, talc-chlorite), that compose the clusts of meta-ultrabasites and being at least partially autogenous (Mg-chlorites) is associated with the palygorskite mineralization. The values of the Cr/Ni ratio (1.3–1.5) in the Induan sediments suggest active erosion of the ultrabasic complexes of the Urals at this time. During the transition across the Permian to Triassic in the Moscow syneclise, the ratio Σbases/Al in the continental sediments increases and the weathering index CALMAG decreases, which is consistent with the global climatic trend of warming and aridization at the Permian-Triassic transition over the word. The widespread occurrence of palygorskite in the lowest Lower Triassic of the Moscow syneclise was caused by increased delivery from the Urals of chemically unstable high-magnesian detrital material of ultrabasic rocks and products of their early metamorphism, as well as specifics of its processing (low mobility and high accumulation of leached components) by porous soil waters in continental environments with arid climate.
Full Text
О глинистых минералах континентальных пермо-триасовых отложений Московской синеклизы (МС) в литературе упоминается ([7, 8] и др.), но систематические исследования с определением состава ассоциаций, выяснением особенностей их распределения в разрезах и по площади, с оценкой эволюционных и фациальных изменений, выяснением происхождения основных компонентов и условий их накопления на фоне крупных палеогеографических событий, происходивших на рубеже перми и триаса, не проводились. Между тем решение этих вопросов дает возможность более широкого использования литостратиграфических методов для детальной корреляции разрезов пограничного пермо-триасового интервала, сложенного достаточно однообразными по облику континентальными отложениями; позволяет существенно уточнить региональные палеогеографические реконструкции и оценить влияние глобальных факторов на эволюцию осадконакопления и биоты в это время.
Нами впервые проведено систематическое изучение ассоциаций глинистых минералов в пограничных пермо-триасовых континентальных отложениях МС, проанализировано их распределение в разрезах различных ее частей с применением современной стратиграфической схемы, показана различная минералогическая специфика этих ассоциаций и объяснены ее причины с точки зрения направленной эволюции палеогеографических обстановок на рубеже перми и триаса в исследуемом регионе, реконструированной с применением комплекса литолого-геохимических методов.
Образцы были отобраны на юго- и северо-востоке МС – в бассейнах р. Ветлуга (Ветлужская группа обнажений) и р. р. Сухона – Юг – Сев. Двина (Северодвинская группа обнажений), а также в западной части МС – в скважине Гаврилов Ям (НПО “Недра”, г. Ярославль).
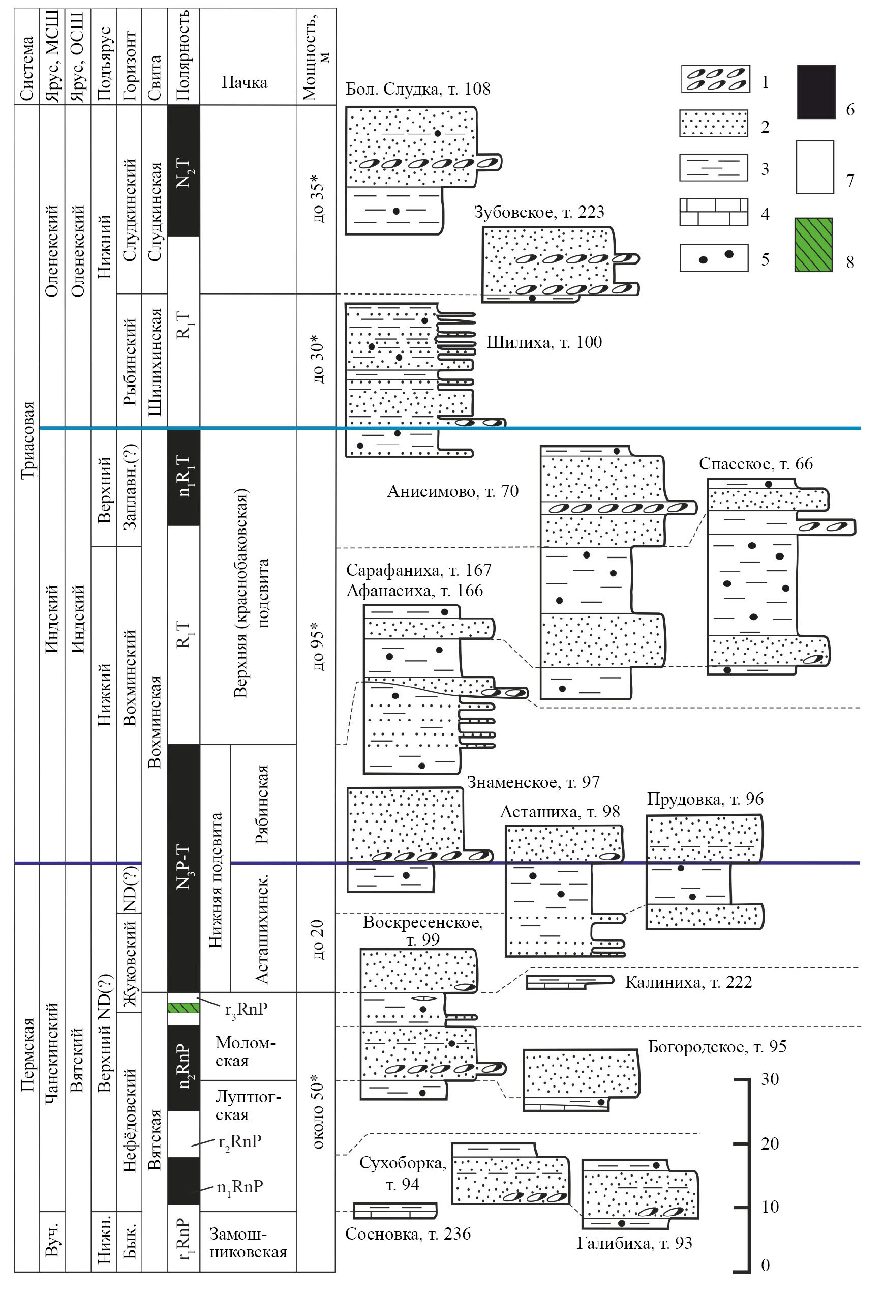
В береговых обрывах р. Ветлуги (рис. 1, 2) верхнепермские континентальные отложения (около 70 м) представлены маломощными серыми озерными известняками с прослоями мергелей, карбонатных глин и красноцветными алеврито-глинистыми породами, существенно более мощными по сравнению с карбонатными пачками. Красноцветные пачки включают фации аллювиальных русел – песчаные линзы и пластовые тела мощностью до 10.5 м, которые перекрыты пойменными отложениями со следами палеопедогенной трансформации. Серые карбонатные и красноцветные терригенные отложения закономерно чередуются, образуя циклиты. Подошвы циклитов проведены по наиболее ярко выраженным поверхностям эрозии в основании крупных песчаных врезов. Традиционные местные стратоны в основной части пермского разреза [5] в настоящей работе рассматриваются в ранге пачек и отнесены к вятской свите. Терминальная часть пермского разреза коррелируется с асташихинской пачкой вохминской свиты.
Рис. 1. Местоположение изученных пермских и триасовых разрезов. Условные обозначения: 1 – крупные населенные пункты, 2 – обнажения, 3 – граница распространения нижнетриасовых отложений (по [3] с уточнениями). А – долина р. Ветлуга. Обнажения: 1 – Зубовское, точка наблюдения (т. н.) 223; 2 – Бол. Слудка, т. н. 108; 3 – Спасское, т. н. 66; 4 – Шилиха, т. н. 100; 5 – Анисимово, т. н. 70; 6 – Афанасиха, т. н. 166; 7 – Сарафаниха, т. н. 167; 8 – Прудовка, т. н. 96; 9 – Асташиха, т. н. 98; 10 – Знаменское, т. н. 97; 11 – Воскресенское, т. н. 99; 12 – Богородское, т. н. 95; 13 – Галибиха, т. н. 93; 14 – Сухоборка, т. н. 94; 15 – Сосновка, т. н. 236. Б – бассейны р. р. Сухона, Малая Северная Двина, Юг. Обнажения: 16 – Мутовино, т. н. 28, 1350; 17 – Климово, т. н. 37; 18 – Аристово, т. н. 42 – Кузино, т. н. 154 – Верхнее Кузино, т. н. 158 – Балебиха, т. н. 151; 19 – Шолга, т. н. 4 – Пуртово, т. н. 163; 20 – Ананьино, т. н. 2; 21 – Недуброво, т н. 133; 22 – Кудрино, т. н. 103; 23 – Вахнево, т. н. 104 – Оксилово, т. н. 217. В – Ярославская область, г. Гаврилов-Ям, 24 – комплексная скважина Гаврилов-Ям.
Рис. 2. Корреляция пермских и триасовых обнажений в долине р. Ветлуга. 1 – гравелиты, конгломераты, 2 – пески, 3 – глины, 4 – известняки, 5 – карбонатные педогенные нодули, 6–8 – полярность: 6 – нормальная, 7 – обратная, 8 – аномальная с низким наклонением [9]. Вуч. – вучапинский ярус; Бык. – быковский горизонт; ND – слои с недубровской биотой; * – мощности по данным бурения скважин [3, 5].
Индские отложения долины р. Ветлуга входят в гипостратотип ветлужской серии нижнего триаса Восточно-Европейской платформы и представлены вохминской свитой. Подошва триаса проходит внутри этой свиты, примерно в кровле первого циклита, выделенного в асташихинскую пачку. Нижняя половина индских отложений соответствует рябинской пачке вохминской свиты, верхняя – краснобаковской подсвите. Мощность индских отложений по данным бурения – около 95 м [3]. Сводный разрез индского яруса построен по результатам изучения обнажений, вскрывающих отдельные его интервалы и их корреляции с учетом имеющихся биостратиграфических, палеомагнитных, изотопно-геохимических данных (см. рис. 2)
Разрез бассейна р. Ветлуга охарактеризован двумя глобальными стратиграфическими маркерами, которые позволяют коррелировать его с Международной стратиграфической шкалой. Это датированная находка вулканического пепла с возрастом 253.95±0.06 млн лет ([13], разрез Сухоборка) и негативный экскурс δ13С, выявленный в осадочных и педогенных карбонатах ([1], разрезы Асташиха, Прудовка), который коррелируется с подобным экскурсом под кровлей пермской системы в стратотипическом разрезе границы перми и триаса Мейшань (Китай). Присутствие обоих маркеров в разрезе бассейна р. Ветлуга противоречит прежним предположениям о крупном региональном перерыве осадконакопления в конце перми на территории МС.
В алеврито-глинистых породах в обнажении Асташиха встречен скелет дицинодонта Lystrosaurus georgi [5] – уровень коррелирует с тетраподовой зоной Lysrtrosaurus континентальной Гондваны, начинающейся в пермское время; в нижней части в обнажении Прудовка – пермские остракоды родов Suchonellina, Wjatkellina без однозначных триасовых элементов (определения М. А. Наумчевой). Находки указывают на пермский возраст первого циклита вохминской свиты.
Вторая часть исследованного материала была отобрана в долинах рр. Сухона, Сев. Двина, Юг и Кичменга (Северодвинская группа обнажений, рис. 1) – из типовых и опорных разрезов северодвинского и вятского ярусов татарского отдела пермской системы ОСШ России [11], перекрытых индскими отложениями. В верхнем северодвинском подъярусе (60 м) наряду с мелководными озерными, русловыми и пойменными аллювиальными осадками распространены отложения плай – временно-затопляемых эфемерных континентальных водоемов. Вятский ярус (125 м) представлен переслаиванием маломощных карбонатных пачек озерного генезиса и красноцветных терригенных осадков аллювиально-пойменного происхождения. Мощность песчаных линз, выполняющих русловые врезы, достигает 19 м. Широко представлены палеопочвы.
Граница перми и триаса так же, как в разрезах Ветлужской группы, проходит внутри вохминской свиты. Индский ярус в Северодвинской группе обнажений представлен вохминской свитой (110 м, по [3]) и, в отличие от пермских отложений, не содержит озерных карбонатных образований. В целом по фациальному облику индские отложения аналогичны одновозрастным породам бассейна р. Ветлуга.
В западной части триасового поля МС был изучен керн комплексной скважины Гаврилов-Ям (НПО “Недра”, г. Ярославль). Скважина прошла алеврито-глинистые породы вохминской свиты (инт. 92 м (скв. 22) – 160 м (скв. 32)) – преимущественно красноцветные, с маломощными бледно-голубоватыми прослоями. В основании вохминской свиты определены остракоды Suchonella sp. (инт. 158.7 м, определения Д. А. Кухтинова) пермского возраста. Более молодые остракоды триасовые.
В целом изученный материал представляет все фации алеврито-глинистых пермо-триасовых отложений – озёрные, аллювиальные пойменные и старичные, палеопочвы.
Пелитовая фракция <0.001 мм выделялась по стандартной методике методом отмучивания. Ренгенодифрактометрические исследования ориентированных препаратов в природном, насыщенном этиленгликолем и прокалённом (до 550–600°C) состояниях проводились (D8 Advance “Bruker”, CuKα, 40кВ, 40 мА) в лаборатории физических методов изучения породообразующих минералов ГИН РАН. Проанализирован 31 образец верхнепермских отложений северодвинского и вятского ярусов, 45 образцов индского и несколько образцов вышележащего раннеоленекского ярусов нижнего триаса. Для подтверждения диагностики и выяснения химического состава отдельных минералов проводились исследования с использованием сканирующего электронного микроскопа “TESCAN” VEGA3 LMH с системой энергодисперсионного микроанализа AztecLive Lite Ultim Max 40 (оператор Н. В. Горькова). Определения валового элементного состава верхнепермских и нижнетриасовых пород проводились методами рентгенофлуоресцентного анализа (S4 Pioneer “Bruker”, с использованием программного обеспечения Spectra-Plus) в ГИН РАН и в Институте геологии и нефтегазовых технологий КФУ (S8 Tiger “Bruker”). Всего проанализировано около 160 образцов.
В большинстве образцов, судя по распределению интенсивности рефлексов на дифрактограммах, основная фаза представлена смектитом или смешанослойным иллит-смектитом (рис. 3, 4). В значительно меньших количествах присутствует хлорит, постоянно отмечается слюда (иллит), редко – следы каолинита. В целом для вятского яруса верхней перми характерна хлорит-смектитовая ассоциация с низким содержанием слюд (см. рис. 3 б, в; 4 в, г).
Рис. 3. Различия в ассоциациях глинистых минералов континентальных отложений нижнего триаса (а) и верхней перми (б) на типичных дифрактограммах образцов Северодвинской группы обнажений: а, б – насыщенных органическими жидкостями для лучшего разрешения диагностических рефлексов минералов группы смектита; в – прокаленных для уточнения диагностики хлорита.
Существенные изменения наблюдаются при переходе к нижнетриасовым (индским) отложениям вохминской свиты. В них растет содержание хлорита, судя по характерному увеличению интенсивности его базальных рефлексов на дифрактограммах. Повышение концентрации хлорита в индском ярусе отчетливо наблюдается на востоке МС – как в Северодвинских, так и в Ветлужских разрезах, где, как установлено по увеличению мощности русловых отложений, широкому распространению минералов группы эпидота–цоизита [2] и датировке детритовых цирконов [10], в максимальной степени проявляется влияние Уральской питающей провинции.
В пермской части вохминской свиты, при сохранении доминирования смектита (иллит-смектита), в составе ассоциации появляется палыгорскит, который вначале фиксируется в следовых количествах. Выше, в индской части вохминской свиты палыгорскит распространен очень широко и, судя по высокой интенсивности его рефлексов, становится одним из основных минералов ассоциации, в количественном отношении уступая только смектиту или иллит-смектиту (см. рис. 3 а, 4 а). На северо-востоке и на юго-востоке МС, как в Ветлужских, так и в Северодвинских разрезах, палыгорскит выявлен во всех красноцветных алеврито-глинистых индских породах, обнаружен в том числе в песках (см. рис. 3 а, образец 151/9). Схожая ситуация наблюдается в скв. Гаврилов-Ям, где палыгорскит появляется на уровне 141.3 м, судя по интервалу – в нижнем индском подъярусе (индский отложения отвечают интервалу 157–92 м) и присутствует во всех пробах, отобранных выше.
Рис. 4. Различия в ассоциациях глинистых минералов континентальных отложений нижнего триаса (а) и верхней перми (б) на типичных дифрактограммах образцов из Ветлужской группы обнажений: а, в – насыщенных органическими жидкостями для лучшего разрешения диагностических рефлексов минералов группы смектита; б, г – прокаленных для уточнения диагностики хлоритов и серпентина.
Таким образом, палыгорскит является типичным компонентом глинистой фракции индского яруса, широко распространенным на всей площади МС.
В обогащённых палыгорскитом индских отложениях на дифрактограммах глинистой фракции рядом с типичным базальным рефлексом хлорита (~7.1 Å) часто присутствует рефлекс с заметно большим межплоскостным расстоянием (7.284), который сохраняется после прокаливания препарата до 550–600°C (см. рис. 4 а, б). Этот рефлекс соответствует серпентину и/или высокомагнезиальному хлориту и исчезает после обработки препарата 10% HCl (кипячение в течение 1 ч), в которой оба эти минерала растворяются.
Наблюдения в СЭМ показывают, что сколы алеврито-глинистых пород (почвенной массы) инкрустированы спутанно-волокнистыми агрегатами удлиненных волокон палыгорскита (рис. 5), которые развиваются в виде базального цемента вокруг кристаллокластов мелкой алевритовой размерности, иногда проникают в них, с частичным или почти полным замещением. Микрозондовый анализ, выполненный в участках максимальной концентрации волокон, позволяет диагностировать палыгорскит (табл. 1, спектры 3, 11, 20, 21), который заполняет почвенные поры (см. рис. 5 а), инкрустирует поверхность педов (см. рис. 5 б) и стенки пор, тесно ассоциируя с зернами обломочных минералов, обогащенных Мg (см. рис. 5 в, г). Особенности морфологии агрегатов и характер взаимоотношений с обломочными компонентами, а также селективная ассоциативная связь с первичными Mg-минералами указывают на аутигенное происхождение палыгорскита в нижнетриасовых отложениях, затронутых древним почвообразованием. Этот вывод подтверждает высокая интенсивность рефлексов этого минерала на дифрактограммах образцов, отобранных из палеопочвенных профилей. Палыгорскит присутствует в нижнетриасовых карбонатных почвенных нодулях, которые также были изучены в СЭМ. Палыгорскитовая минерализация, очевидно, формировалась с замещением смектитов, так как присутствие реликтов последних диагностируется по спектрам палыгорскитовых агрегатов с волокнистой текстурой.
Рис. 5. Палыгорскит и ассоциирующие высокомагнезиальные минералы обломочной фракции индских отложений (юго-восток МС, разрезы долины р. Ветлуга). а–б – спутанно-волокнистые агрегаты палыгорскита (а – заполнение почвенных пор, б – инкрустации поверхности педа), рябинская пачка вохминской свиты, разрез Афанасиха, т. 166 (слой 22); в–г – обломки серпентинизированных ультрамафитов, вохминская подсвита, разрез Спасское, т. 66 (слой 17). Цифрами обозначены точки анализа (см. табл. 1).
Электронно-зондовый микроанализ обломочных зерен в составе палеопочв, отобранных с различных уровней индского разреза, позволил диагностировать среди них высокомагнезиальные минералы, точное определение которых затруднено их тончайшими взаимными прорастаниями, а также существованием смешаннослойных образований. Тем не менее, с учетом стехиометрии и ряда других информативных особенностей состава, групповая принадлежность проанализированных минералов была диагностирована.
Наиболее богатые кремнием силикаты Mg и Al, содержащие незначительную примесь K и Ca (см. табл. 1, спектры 20, 21), при расчете методом зарядов на 42, хорошо укладываются в стехиометрию палыгорскита. Фазы, практически не содержащие Al, с суммой внететраэдрических катионов, близкой к трем (см. табл. 1, спектры 29, 82, 83), после нормирования на два атома Si, были отнесены к группе серпентина. Некоторые из проанализированных зерен при перасчете по зарядам не укладывались в общую формулу серпентинов и хлоритов [4, 6], поскольку количество Si в них существенно превышало 4 атома на формулу. Такие фазы относились к продуктам гидролиза серпентина типа корренситов, принадлежащих к смешаннослойным образованиям ряда хлорит-сапонит [12]. Нельзя исключать, что обогащенные кремнием слоистые силикаты (см. табл. 1, спектры 79, 80) относятся к дефектным хлоритам [6] или к смешаннослойным образованиям тальк-хлорит [4]. Заслуживают внимания заметно обогащенные хромом представители ряда хлорит-сапонит (см. табл. 1, спектр 79, 80). Среди минералов группы хлорита преобладают высокомагнезиальные разновидности (см. табл. 1, спектры 25, 26, 27).
Таблица 1. Состав магнезиальных минералов и минеральных образований индского яруса долины р. Ветлуга
Образец | Точка анализа | Оксиды | Минералы и минеральные образования | |||||||||
Mg | Al | Si | K | Са | Ti | Cr | Mn | Fe | Всего | |||
166/22 | 3 | 7.62 | 17.01 | 67.75 | 1.05 | 1.13 | – | – | 1.05 | 4.4 | 100 | палыгорскит |
166/22 | 11 | 5.84 | 17.02 | 67.75 | 1.6 | 1.37 | – | – | – | 6.43 | 100 | палыгорскит |
166/22 | 20 | 4.45 | 11.38 | 48.22 | 1.42 | 1.04 | 1.04 | – | – | 4.97 | 72.12 | палыгорскит |
166/22 | 21 | 4.44 | 13.86 | 51 | 1.57 | 1.17 | 1.17 | – | – | 6.82 | 79.85 | палыгорскит |
166/22 | 25 | 15.23 | 15.03 | 28.05 | 0.12 | 0.9 | – | – | 0.42 | 22.09 | 81.76 | Mg-хлорит |
166/22 | 26 | 14.4 | 17.19 | 29.31 | 0.19 | 0.56 | – | – | 0.58 | 19.12 | 81.08 | Mg-хлорит |
166/22 | 27 | 18.12 | 16.38 | 32.35 | 0.2 | 0.62 | – | – | – | 17.24 | 84.91 | Mg-хлорит |
166/22 | 29 | 27.32 | – | 38.89 | – | 0.23 | – | – | – | 1.19 | 67.63 | серпентин |
66/17 | 79 | 19.09 | 4.83 | 46.99 | 0.54 | 0.47 | 0.4 | 0.33 | – | 4.98 | 77.64 | смешанно- слойный хлорит-сапонит или Сr-тальк-хлорит |
66/17 | 80 | 16.31 | 2.85 | 35.67 | 0.35 | 0.36 | 0.18 | 0.34 | – | 5.19 | 61.25 | смешанно-слойный хлорит-сапонит или тальк-хлорит |
66/17 | 82 | 38.76 | – | 48.85 | – | 0.17 | – | – | – | 3.88 | 91.66 | серпентин |
66/17 | 83 | 35.59 | – | 47.37 | – | 0.21 | – | – | – | 3.4 | 86.57 | серпентин |
Примечание. Положение точек анализа см. рис. 5. Прочерк – элемент не обнаружен.
Все названные фазы, кроме палыгорскита, являются типичными минералами метаультрабазитов или относятся к продуктам их выветривания. Mg-хлорит может быть отчасти аутигенным, так как он часто образуется в эвапоритовых обстановках в умеренно-аридных (еще не “солевых”) условиях, где частичное упаривание поровых вод, иммобилизующее и концентрирующее Mg, может привести к образованию не только палыгорскита, но и аутигенного Mg-хлорита, который развивается за счет серпентина и других обломочных минералов метаультрабазитов [6].
В залегающей над индским ярусом шилихинской свите оленекского яруса палыгорскит встречается далеко не в каждом проанализированном образце, и можно говорить об уменьшении его концентрации.
Широкое развитие аутигенного палыгорскита в индской части вохминской свиты коррелируется с двумя важными геохимическими рубежами пограничного пермо-триасового интервала МС, о чем свидетельствуют закономерности распределения содержаний ряда микроэлементов.
Как установили Дж. Гарвер с соавторами [14], вероятное присутствие среди источников сноса ультраосновных пород реконструируется по повышенному содержанию в осадочных породах т. н. экзотических микроэлементов Cr (>150 г/т) и Ni (>100 г/т), характерным величинам отношения их концентраций Сr/Ni (~1.3–1.5) и высокой положительной корреляции между ними (≥0.9). Все перечисленные параметры характерны для нижнетриасовой индской части вохминской свиты, что отчетливо проявляется в разрезах долины р. Ветлуга (рис. 6, 7). В подстилающих верхнепермских отложениях вятской свиты содержание Сr примерно в половине исследованных образцов, как в алеврито-глинистых, так и в карбонатных, меньше 150 г/т. Содержание Ni колеблется в пределах 69.1–211.5 г/т. Значения отношения Cr/Ni в единичных случаях достигают 1.3. В индских отложениях содержание Сr регулярно превышает 150 г/т при норме 92–126 г/т ([19, 20, 16] и др.), а Ni – варьирует в пределах 133.5–269.6 г/т при норме 47–55 г/т ([19, 20, 16] и др.). Уровни разреза с высоким содержанием Сr, отражающим максимальный вклад ультрабазитового источника в общий объем осадочного материала, маркируют эпизоды наиболее активного влияния соответствующего петрофонда Уральской питающей провинции. Интервал значений отношения Сr/Ni около 1.3–1.5 в индских отложениях становится практически постоянным, что также указывает на усиление влияния уральского ультраосновного источника сноса обломочного материала в начале индского века.
Рис. 6. Содержание хрома и никеля в верхнепермских и нижнетриасовых отложениях Ветлужской группы разрезов. Условные обозначения на рис. 2. Уровни отбора образцов показаны кружками справа от колонок. Серое поле – среднее содержание Сr и Ni в тонкозернистых осадочных породах (по [19, 20, 16) и др.).
Рис. 7. Распределение величин литохимических индексов Cr/Ni, Σbases/Al и CALMAG в верхнепермских и нижнетриасовых отложениях Ветлужской группы разрезов. Условные обозначения на рис. 2.
В вохминской свите заметно увеличивается величина отношения суммарной концентрации оксидов щелочей и щелочноземельных элементов к алюминию, или индекс Σbases/Al = = (Na2O + MgO + K2O + CaO)/Al2O3, который рассчитывается с использованием молярных долей оксидов элементов и широко применяется как палеоклиматический индикатор, в том числе при исследовании палеопочв (обзор см. в работе [17]). Оценка проводилась в верхнепермских и нижнетриасовых терригенных породах, в разной степени затронутых палеопедогенной трансформацией. При расчете отношения Σbases/Al были исключены карбонатные породы и обогащенные непедогенным карбонатным материалом терригенные отложения.
При переходе от верхнепермской вятской свиты к асташихинской пачке вохминской свиты индекс Σbases/Al увеличивается: от минимальных значений (близких к 1) до 2.7 (см. рис. 7) и указывает на ослабление миграционной способности (мобилизации) щелочных и щелочноземельных элементов в засушливых условиях. В индских отложениях величина индекса колеблется преимущественно в пределах 1.5–2.5, достигая максимального значения 3.8, что свидетельствует о более аридных обстановках.
Индекс выветривания CALMAG = Al2O3/(Al2O3 + CaO + MgO)×100 [15], используется как индикатор влажности климата (см. рис. 7). Значения этого индекса в отложениях верхнепермской вятской свиты демонстрируют высокую вариабельность. Очень низкие величины (преимущественно 15–35) характерны для карбонатных пачек озерного генезиса, выявлены в узких стратиграфических интервалах и указывают на засушливые обстановки. Низкие величины сменяются очень высокими (до 76.86) в алеврито-глинистых отложениях, свидетельствуя о высокой степени выветривания пород питающей провинции и в палеопочвах. Из приведенных контрастных величин следует вывод, что вятский век поздней перми, в масштабах геологического времени (сотни тысяч лет), характеризовался в целом гидрологически контрастным климатом с преобладанием обстановок с относительно высоким индексом гумидности.
В верхнепермских отложениях вохминской свиты величина индекса CALMAG уменьшается, и в основном колеблется в пределах 50–60, отражая переход к более засушливым условиям. В индских отложениях вохминской свиты вариабельность индекса CALMAG колеблется от 31.84 до 67.44 при среднем значении 55.56. Отсюда в пределах МС в индское время в целом реконструируются более аридные обстановки по сравнению с основной частью вятского века поздней перми. Засушливые обстановки привели к ослаблению процессов химического выветривания в палеопочвах, невысокой степени обводнения почвенной массы, повышению концентрации магния в поровых почвенных водах, синтезу палыгорскита и, возможно, Mg-хлорита.
Таким образом, на широкое распространение палыгорскита в нижнетриасовых (индских) отложениях МС могли повлиять два фактора.
1) Транспортировка речными водами терригенного материала, диспергированного при разрушении ультраосновных пород Урала, обеспечило высокую концентрацию Мg в поровых почвенных водах индского ландшафта, достаточную для синтеза палыгорскита. Источником ионов Mg2+ преимущественно служили эродируемые породы офиолитового пояса Уральского орогена.
2) Широкое распространение палыгорскита в индском веке следует связывать с глобальным потеплением и аридизацией климата на рубеже перми и триаса, максимальное проявление которых установлено в инде [18]. В пределах МС на рубеже вятского и индского веков также реконструируется тренд потепления, выразившийся в увеличении значений δ18О в педогенных карбонатах [1]. Потепление и аридизация климата привели к снижению обводненности палеопочв и росту концентрации Mg2+ в поровых почвенных водах, что стало необходимым условием для синтеза палыгорскита. Широкое распространение палыгорскита является региональным отражением глобального потепления в эпоху великого позднепермского вымирания на рубеже перми и триаса и пришлось на заключительную фазу кризиса в индское время.
Поскольку палыгорскит отсутствует в верхнепермских отложениях, он может быть использован в стратиграфических целях – для определения в разрезе положения довольно однообразных по внешнему облику континентальных пород (или сложенных ими циклитов) относительно границы перми и триаса.
ИСТОЧНИК ФИНАНСИРОВАНИЯ
Исследования проведены в рамках государственного задания ГИН РАН (тема № 123032400064-7).
КОНФЛИКТ ИНТЕРЕСОВ
Авторы данной работы заявляют, что у них нет конфликта интересов.
About the authors
M. P. Arefiev
Geological Institute, Russian Academy of Sciences
Author for correspondence.
Email: mihail-3000@inbox.ru
Russian Federation, Moscow
E. V. Shchepetova
Geological Institute, Russian Academy of Sciences
Email: mihail-3000@inbox.ru
Russian Federation, Moscow
E. V. Pokrovskaya
Geological Institute, Russian Academy of Sciences
Email: mihail-3000@inbox.ru
Russian Federation, Moscow
B. B. Shkurskii
Lomonosov Moscow State University
Email: mihail-3000@inbox.ru
Russian Federation, Moscow
N. G. Nurgalieva
Kazan Federal University
Email: mihail-3000@inbox.ru
Russian Federation, Kazan
G. A. Batalin
Kazan Federal University
Email: mihail-3000@inbox.ru
Russian Federation, Kazan
B. I. Gareev
Kazan Federal University
Email: mihail-3000@inbox.ru
Russian Federation, Kazan
References
- Арефьев М. П., Кулешов В. Н., Покровский Б. Г. Изотопный состав углерода и кислорода в континентальных карбонатах поздней перми и раннего триаса Русской плиты: глобальный экологический кризис на фоне меняющегося климата. // ДАН. 2015. Т. 460. № 2. С. 1–5.
- Арефьев М. П., Голубев В. К., Кулешов В. Н., Кухтинов Д. А., Миних А. В., Покровский Б. Г., Силантьев В. В., Урузаева М.Н., Шкурский Б. Б., Ярошенко О. П., Григорьева А. В., Наумчева М.А. Комплексная палеонтологическая, седиментологическая и геохимическая характеристика терминальных (вязниковских) отложений пермской системы северо-восточного борта Московской синеклизы. Статья 1. Бассейн М. Сев. Двины. // Бюлл. МОИП. Отд. геол. 2016. Т. 91. Вып. 1. С. 24–49.
- Верхнепермские и нижнетриасовые отложения Московской синеклизы. М.: Недра, 1984. 140 с.
- Годовиков А. А. Минералогия. М.: Недра, 1983. 647 с.
- Граница перми и триаса в континентальных сериях Восточной Европы / Отв. ред. В. Р. Лозовский, Н. К. Есаулова. М.: ГЕОС, 1998. 246 с.
- Дриц В. А., Коссовская А. Г. Глинистые минералы: слюды, хлориты // Тр. ГИН. Вып. 465. М.: Наука, 1991. 175 с.
- Кринари Г. А., Ольнева Т. В., Седов С. Н. Дисперсные силикаты в изолированных опресненных бассейнах аридных зон и седиментационная цикличность. // Литология и полез. ископаемые. 1999. № 1. С. 27–37.
- Лозовский В. Р., Ерощев-Шак В. А., Уранова О. В. Глинистые минералы нижнетриасовых континентальных образований осевой зоны Московской синеклизы. // Литология и полез. ископаемые. 1968. № 1. С. 136–139.
- Фетисова А. М., Веселовский Р. В., Голубев В. К., Арефьев М. П. Магнитостратиграфия границы перми и триаса нижнего течения р. Ветлуга (Восточно-Европейская платформа, Нижегородская область). // Физика Земли. 2024. № 3. С. 51–74.
- Чистякова А. В., Веселовский Р. В., Семёнова Д. В., Ковач В. П., Адамская Е. В., Фетисова А. М. Стратиграфическая корреляция пермо-триасовых разрезов Московской синеклизы: первые результаты U–Pb-датирования обломочного циркона // ДАН. 2020. Т. 492. № 1. С. 23–28.
- Arefiev M. P., Golubev V. K., Balabanov Yu. P. et al. Type and reference sections of the Permian–Triassic continental sequences of the East European Platform: main isotope, magnetic, and biotic events (XVIII International Congress on Carboniferous and Permian. Sukhona and Severnaya Dvina Rivers field trip) / Ed. A. S. Alekseev. Moscow, 2015. 104 p.
- Beaufort D., Baaronnet A., Lanson B., Meunier A. Corrensite: A single phase or a mixed-layer phyllosilicate in the saponite-to-chlorite conversion series? A case study of Sancerre-Couy deep drill hole (France) // American Miner. 1997. V. 62. P. 109‒124.
- Davydov V. I., Arefiev M. P., Golubev V. K., Karasev E. V., Naumcheva M. A., Schmitz M. D., Silantiev V. V., Zharinova V. V. Radioisotopic and biostratigraphic constraints on the classical Middle–Upper Permian succession and tetrapod fauna of the Moscow syneclise, Russia // Geology. 2020. V. 48. № 7. P. 742–747. https://doi.org/10.1130/G47172.1
- Garver J. I., Royce P. R., Smick T. A. Chromium and nickel in shale of the Taconic foreland: a case study for the provenance of fine-grained sediments with an ultramafic source // J. Sed. Res. 1996. V. 66. P. 100–106.
- Nordt L. C., Driese S. D. New weathering index improves paleorainfall estimates from мertisols // Geology. 2010. V. 38. № 5. P. 407–410.
- Rudnick R. L., Gao S. Composition of the Continental Crust / Treatise on Geochemistry. Volume 3: The Crust / Eds. H. D. Holland, K. K. Turekian. Pergamon, 2003. P. 1–64.
- Sheldon N.D., Tabor N.J. Quantitative paleoenvironmental and paleoclimatic reconstruction using paleosols // Earth-Science Reviews. 2009. V. 95. P. 1–52.
- Sun Y., Joachimski M. M., Wignall P. B., Yan С., Chen Y., Jiang H., Lai H. Lethally hot temperatures during the Early Triassic greenhouse // Science. 2012. V. 338. P. 366–370.
- Taylor S. R., McLennan S. M. The Continental Crust: Its Composition and Evolution: an Examination of the Geochemical Record Preserved in Sedimentary Rocks. Oxford: Blackwell, 1985. 312 p.
- Wedepohl K. H. The composition of the continental crust // Geochimica et Cosmochimica Acta. 1995. V. 59(7). P. 1217–1232.
Supplementary files









