Probing alternative fuel compositions to determine electrical parameters
- Authors: Plotnikov S.A.1, Gnevashev P.V.1, Shishkin G.P.2, Kartashevich A.N.3
-
Affiliations:
- Vyatka State University
- Kirov State Medical University
- Belarusian State Agricultural Academy
- Issue: Vol 34, No 2 (2024)
- Pages: 178-190
- Section: Technologies, Machinery and Equipment
- Submitted: 31.08.2024
- Accepted: 31.08.2024
- Published: 28.06.2024
- URL: https://ogarev-online.ru/2658-4123/article/view/262710
- DOI: https://doi.org/10.15507/2658-4123.034.202402.178-190
- ID: 262710
Cite item
Full Text
Abstract
Introduction. In this paper attention is paid to the study of electrical parameters of fifteen compositions of alternative fuels. The task of developing non-contact methods of fuel composition analysis is relevant.
Aim of the Study. The study is aimed at obtaining dielectric constant data of alternative fuels for further search of the relationship with combustion process.
Materials and Methods. For the study there was used a capacitor consisting of two 175x102 mm aluminum plates and a Sinometex ZT-Y multimeter.
Results. When comparing the dielectric constant values of all presented alternative fuel compositions, there is found the dependence between the minimum and maximum content of added alcohol and vegetable oils in the mixture. This dependence manifests itself in the nature of dielectric constant values correlating with the capacitor electric capacity, if there is the mixture between the plates. It is observed for all three hydrocarbons added to the mixture: ethanol, rapeseed and colza oils. For example, the dielectric permittivity increases throughout the range from 10 to 50% of the added ethanol, rapeseed and colza oils, reaching the values from Ɛ =3.05 to 45.31; from Ɛ = 2.35 to 2.72; from Ɛ = 2.33 up to 2.8, respectively.
Discussion and Conclusion. The analysis of the dielectric constant values of various alternative fuel compositions shows that when the content of alcohol and vegetable oils in the mixture increases from 10 to 50%, the dielectric constant increases. And this is true for all three hydrocarbons: ethanol, rapeseed and colza oils.
Full Text
Введение. Получение точных данных о свойствах реальных веществ в любом состоянии1 требует создания усложненных установок, что приводит к увеличению затрат и времени2. На сегодняшний день автотракторные двигатели имеют «трепетное» отношение к качеству топливовоздушной смеси, подаваемой в камеру сгорания3. От ее качества зависит эффективность работы двигателя, его мощность, расход топлива, количество вредных выбросов в атмосферу4. Неправильный состав смеси может привести к быстрому износу деталей двигателя, снижению его ресурса, ухудшению экологических показателей5. Соответственно, разработка современных бесконтактных методов, способных выявлять наличие как примесей, так и присадок в составе топливной смеси, является важной исследовательской задачей [1–3].
Научным коллективом кафедры технологии машиностроения Вятского государственного университета задано новое направление безмоторного исследования показателей процесса сгорания [4–6], а также направление по идентификации жидких альтернативных топлив (АТ) на основе электрических данных6.
Общей целью научных исследований является разработка безмоторных методов определения параметров рабочего процесса дизеля 4ЧН 11,0/12,5 при работе на жидких топливах. В данной статье внимание преимущественно уделено исследованию электрических параметров пятнадцати составов альтернативных топлив.
Обзор литературы. Все чаще российские и зарубежные исследователи обращаются к изучению взаимосвязи электрических и физико-химических параметров углеводородных топлив. Так, учеными Казанского национального исследовательского технологического университета предложен простой рефракто-денсиметрический метод визуальной идентификации и установления групповой принадлежности индивидуальных органических веществ, а также оценки группового углеводородного состава светлых нефтепродуктов. Они доказали, что групповой состав нефтепродуктов можно установить с помощью измерения удельной рефракции [7; 8].
Зарубежным научным сообществом проведены исследования по взаимосвязям физико-химических свойств топлив с цетановым числом [9] и процентному содержанию биодизеля в дизельном топливе [10]. На основе данных физико-химических свойств происходит мониторинг качества обработки полимерного сырья и улучшение технологических параметров процесса производства товарного топлива [11–13].
Г. Е. Дунаевский с соавторами исследовали зависимость диэлектрической проницаемости бензина с различным значением октанового числа от наличия и концентрации присадок и установили, что добавление присадок к автомобильному топливу в среднем ведет к увеличению значений диэлектрической проницаемости7.
Ученые Кубанского государственного технологического университета широко исследуют вопрос применения теории термодинамического подобия для обобщения справочных данных диэлектрической проницаемости парафиновых, нафтеновых и ароматических углеводородов. Любое сравнение предполагает рассмотрение явлений в одинаковых условиях. При сопоставлении свойств веществ в качестве таких условий не могут быть приняты одинаковые параметры, так как, например, при одинаковых показателях температуры и давления различные вещества могут находиться в разных агрегатных состояниях. Согласно теории, физически подобными для всех веществ являются критические состояния, поэтому параметры вещества в критическом состоянии Pk, Tk, Vk принимают за основу сравнения термодинамических свойств газов и жидкостей. В работе ученых теория термодинамического подобия применялась к анализу зависимости диэлектрической проницаемости от температуры нескольких парафиновых, ароматических и нафтеновых углеводородов. Всего рассмотрено 15 веществ. Эти углеводороды интересны тем, что они входят в состав природных углеводородов (газ, нефть, газовый конденсат), которые являются ценнейшим сырьем для нефтеперерабатывающей и нефтехимической промышленности. Природные углеводороды при трении (в процессе заполнения хранилищ и перекачки с большой скоростью по трубам, а также фильтрации) легко электризуются, и на их поверхности могут образовываться и накапливаться заряды статического электричества, в связи с чем возможны взрывы и пожары.
Таким образом, изучение электрофизических свойств, одним из которых является диэлектрическая проницаемость, данных веществ и их составляющих вызывает как научный, так и практический интерес для ряда химических производств8. Несмотря на многочисленность публикаций по изучаемой проблематике, практически отсутствуют исследования по измерению диэлектрических свойств смесевых топлив. Авторы впервые показали, как изменяется диэлектрическая проницаемость топлив, основанных на смеси дизельного топлива, растительных масел и этанола.
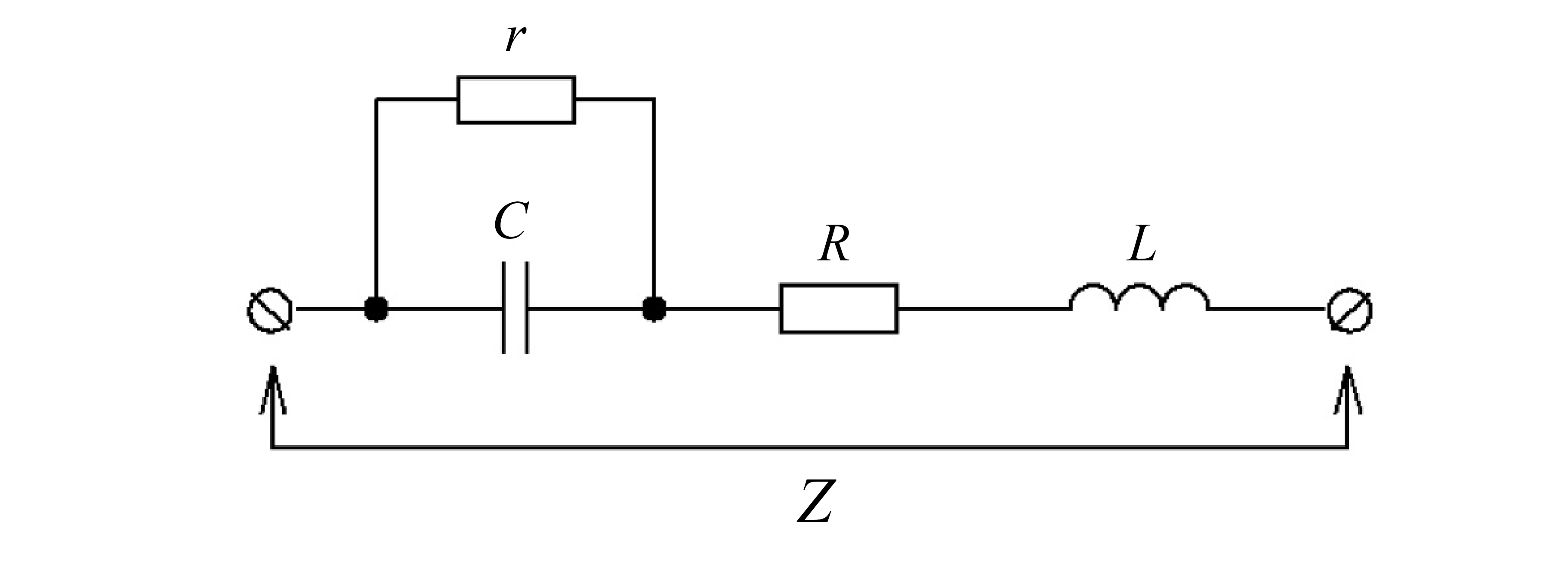
Материалы и методы. Диэлектрик – материал, который способен запасать энергию при приложении внешнего электрического поля. Если источник постоянного напряжения включен параллельно обкладкам плоского конденсатора, то больше заряда накапливается, когда между обкладками помещен диэлектрик. В случае отсутствия материала (вакуума) между обкладками накапливается меньшее количество заряда (рис. 1).
В электромагнетизме принято абсолютную диэлектрическую проницаемость называть диэлектрической проницаемостью и обозначать ее греческой буквой ε, которая является мерой электрической поляризуемости диэлектрика. Ее можно вычислить следующим образом:
, (1)
где Ссм – емкость конденсатора при наличии смеси между обкладками, nF; Свозд – емкость конденсатора по воздуху, nF.
Р и с. 1. Схема измерения электрических параметров АТ: Z – импеданс; С – собственно емкость; r – сопротивление через жидкость (определяет ток утечки); R – паразитное последовательное сопротивление; L – паразитная последовательная индуктивность
F i g. 1. Diagram of measurement of electrical parameters AT: Z – impedance; C – actual capacitance; r – resistance through the liquid (determines the leakage current); R – parasitic series resistance; L – parasitic series inductance
Источник: схема составлена авторами.
Source: Figure was compiled by the authors.
Материал с высокой диэлектрической проницаемостью поляризуется в ответ на приложенное электрическое поле сильнее, чем материал с низкой диэлектрической проницаемостью. Тем самым он накапливает в материале больше энергии. В электростатике диэлектрическая проницаемость играет важную роль в определении емкости конденсатора. Диэлектрическая проницаемость среды – физическая величина, характеризующая свойства изолирующей среды и показывающая зависимость электрической индукции от напряженности электрического поля.
Лабораторные исследования проводились на кафедре органической химии Вятского государственного университета. Объектами для исследования являлись смеси из двух видов дизельного топлива (ДТ), в которых содержится до 50 % возобновляемого источника энергии (сурепного, рапсового масла и этанола). Количество исследуемых смесей топлив составляло 15 шт.
Предметом исследований являлось определение электрических параметров составов топлив. В конечном результате выявлялось значение диэлектрической проницаемости для всех составов. Для измерения электрических параметров применялся мультиметр Sinometex ZT-Y (рис. 2).
Р и с. 2. Мультиметр Sinometex ZT-Y. Автор изображения П. В. Гневашев, 2022 г.
F i g. 2. Sinometex ZT-Y Multimeter. Photo by P. V. Gnevashev, 2022
Рассмотрим одни из основных получаемых параметров мультиметра с их диапазонами измерений: измерение сопротивления равно от 0,01 Ома до 10 МОм; генератор прямоугольных импульсов равен от 50 Гц до 5 кГц; емкость равна от 1 пФ до 1000 мкФ; постоянный и переменный ток равен от 0,1 мкА до 10 А; постоянное напряжение равно от 0,1 мкВ до 1000 В.
Результаты исследования. Изменение значений показателей процесса сгорания топлива в камере сгорания дизеля обычно связывают с физико-химическими свойствами топлив. Следующим этапом исследований явилось изучение отношения углеводородного топлива к электрическому току и снятие параметров для всех 15 исследуемых АТ (табл. 1–3).
Результаты проведенных измерений указывают на то, что изменение процентного содержания этанола в составе этаноло-топливной смеси (ЭТЭ) не влияет на омическое сопротивление конденсатора постоянному току (табл. 1). Однако увеличение массового содержания этанола с 10 до 50 % в составе эмульсии повышает электроемкость состава, применяемого в качестве диэлектрика конденсатора. Например, если емкость конденсатора при наличии смеси ДТ с содержанием этанола 10 % составляет С = 1,7 nF, добавление спирта 50 % в смесь дает емкость С = 16,3 nF. Резкий перепад в сторону увеличения значения емкости конденсатора происходит при достижении массового содержания этанола около 30 %. Это явление происходит из-за имеющегося свойства накопления электричества именно этанолом.
Полученные значения электрофизических величин обусловлены тем, что этанол, используемый в качестве добавляемого вещества, не содержит в своем составе солей и органических примесей, в связи с чем не меняет электрическое сопротивление (R = 1,3 МОм) полученной топливной смеси (табл. 1).
Т а б л и ц а 1. Электрические параметры топлив различного состава с добавлением до 50 % этанола в смеси
T a b l e 1. Electrical parameters of fuels of different composition with addition of up to 50% of ethanol in the mixture
Состав топлива / Fuel composition | Емкость конденсатора при наличии смеси между обкладками, С, nF / Capacitance of the capacitor if there is the mixture between the plates, C, nF |
ДТ 90 % + Э 10 % / DF 90% + E 10% | 1,7 |
ДТ 80 % + Э 20 % / DF 80% + E 20% | 2,5 |
ДТ 70 % + Э 30 % / DF 70% + E 30% | 8,1 |
ДТ 60 % + Э 40 % / DF 60% + E 40% | 12,0 |
ДТ 50 % + Э 50 % / DF 50% + E 50% | 16,3 |
Примечания: R – сопротивление между обкладками конденсатора равно 1,3 МОм; C – емкость конденсатора по воздуху (перед каждым измерением) равна 0,304 nF.
Notes: R – resistance between capacitor plates 1.3 Mom; C – air capacitance of the condenser (before each measurement) 0.304 nF.
Источник: здесь и далее в статье все таблицы составлены авторами.
Source: Hereinafter in this article all tables were drawn up by the authors.
Полученные измерения указывают на то, что изменение процентного содержания РМ в составе топливной смеси в большей степени (в отличие от спирта) влияет на омическое сопротивление конденсатора постоянному току (табл. 2). Например, в смеси ДТ с 10 %-ным содержанием рапсового масла R = 12,4 МОм, тогда как при добавлении РМ до 50 % значение становится R = 9,7 МОм. Соответственно, происходит снижение при условии увеличения содержания РМ. При этом электроемкость состава, применяемого в качестве диэлектрика конденсатора, изменяется в противоположную сторону. С увеличением содержания РМ в АТ с 10 до 50 % растет и значение емкости с 0,757 nF до 0,820 nF.
Что касается величины прямоугольного переменного тока I, то здесь значение изменяется незначительно и пропорционально присутствию РМ. При увеличении содержания РМ в смеси происходит рост с 5,31 до 5,45 мкА, при добавлении сурепного масла – снижение (табл. 3).
Состав топлива с сурепным маслом имеет увеличенное сопротивление между обкладками конденсатора по отношению к смесям с РМ (табл. 3). В смеси ДТ с 30 %-ным содержанием рапсового масла R = 11,2 МОм, а в смеси ДТ с 30 %-ным содержанием сурепного масла R = 28,0 МОм. Величина же прямоугольного переменного тока в смеси ДТ с содержанием сурепного масла от 10 до 50 % снижается (с 4,1 до 2,3 мкА).
Т а б л и ц а 2. Электрические параметры топлив различного состава с добавлением до 50 % рапсового масла в смеси
T a b l e 2. Electrical parameters of fuels of various compositions with the addition of rapeseed oil up to 50% in the mixture
Состав топлива / Fuel composition | Сопротивление между обкладками конденсатора, R, МОм / Resistance between capacitor plates, R, MOm | Емкость конденсатора при наличии смеси между обкладками, С, nF / Capacitance of the capacitor if there is the mixture between the plates, C, nF | Величина прямоугольного переменного тока с частотой 200 кГц I, при t = 20 °C, мкА / Value of a rectangular alternating current with a frequency of 200 kHz I, at t = 20 °C, MC |
ДТ 90 % + РМ 10 % / DF 90% + RSO 10% | 12,4 | 0,757 | 5,31 |
ДТ 80 % + РМ 20 % / DF 80% + RSO 20% | 11,8 | 0,765 | 5,36 |
ДТ 70 % + РМ 30 % / DF 70% + RSO 30% | 11,2 | 0,780 | 5,38 |
ДТ 60 % + РМ 40 % / DF 60% + RSO 40% | 10,4 | 0,805 | 5,41 |
ДТ 50 % + РМ 50 % / DF 50% + RSO 50% | 9,7 | 0,820 | 5,45 |
Примечание: С – емкость конденсатора по воздуху (перед каждым измерением) равна 0,302nF.
Note: C – air capacitance of the condenser (before each measurement) 0.302 nF.
Т а б л и ц а 3. Электрические параметры топлив различного состава с добавлением до 50 % сурепного масла в смеси
T a b l e 3. Electrical parameters of fuels of various compositions with the addition of up to 50% of colza oil in the mixture
Состав топлива / Fuel composition | Сопротивление между обкладками конденсатора, R, МОм / Resistance between capacitor plates, R, MOm | Емкость конденсатора при наличии смеси между обкладками, С, nF / Capacitance of the capacitor if there is the mixture between the plates, C, nF | Величина прямоугольного переменного тока с частотой 200 кГц I, при t = 20 °C, мкА / The value of a rectangular alternating current with a frequency of 200 kHz I, at t = 20 °C, MC |
ДТ 90 % + Сурепное масло 10 % / DF 90% + wintercress oil 10% | 34,0 | 0,749 | 4,1 |
ДТ 80 % + Сурепное масло 20 % / DF 80% + wintercress oil 20% | 30,0 | 0,760 | 3,8 |
ДТ 70 % + Сурепное масло 30 % / DF 70% + wintercress oil 30% | 28,0 | 0,777 | 3,4 |
ДТ 60 % + Сурепное масло 40 % / DF 60% + wintercress oil 40% | 27,0 | 0,801 | 2,9 |
ДТ 50 % + Сурепное масло 50 % / DF 50% + colza oil 50% | 20,0 | 0,808 | 2,3 |
Примечание: С – емкость конденсатора по воздуху (перед каждым измерением) равна 0,304 nF.
Note: C – air capacitance of the condenser (before each measurement) 0.304 nF.
Как и предполагалось, растительные масла не являются диэлектриками [23]. Анализ данных показывает неоднозначную зависимость для всех представленных смесей. Емкость конденсатора по воздуху при всех испытуемых 15 смесях АТ остается постоянной (табл. 1–3). Исследуемые величины нуждаются в дальнейшем детальном изучении причин возникновения таких зависимостей. Результаты расчета диэлектрической проницаемости представлены в таблице 4.
Т а б л и ц а 4. Диэлектрическая проницаемость топлив различного состава с добавлением АТ до 50 % в смеси
T a b l e 4. Dielectric permittivity of fuels of various compositions with the addition of up to 50% of AF in the mixture
№ п/п | Состав топлива / Fuel composition | Диэлектрическая проницаемость Ɛ при t = 20 °C / Dielectric permittivity Ɛ at t = 20 °C | ||
Этанол / Ethanol | Рапсовое масло / Rapeseed oil | Сурепное масло / Colza oil | ||
1 | 90 % ДТ + 10 % Э / DF 90% + E 10% | 3,05 | – | – |
2 | 90 % ДТ + 10 % РМ / DF 90% + RSO 10% | – | 2,35 | – |
3 | 90 % ДТ + 10 % Сурепное масло / DF 90% + colza oil 10% | – | – | 2,33 |
4 | 80 % ДТ + 20 % Э / DF 80% + E 20% | 7,98 | – | – |
5 | 80 % ДТ + 20 % РМ / DF 80% + RSO 20% | – | 2,41 | – |
6 | 80 % ДТ + 20 % Сурепное масло / DF 80% + colza oil 20% | – | – | 2,5 |
7 | 70 % ДТ + 30 % Э / DF 70% + E 30% | 27,5 | – | – |
8 | 70 % ДТ + 30 % РМ / DF 70% + RSO 30% | – | 2,54 | – |
9 | 70 % ДТ + 30 % Сурепное масло / DF 70% + colza oil 30% | – | – | 2,65 |
10 | 60 % ДТ + 40 % Э / DF 60% + E 40% | 39,47 | – | – |
11 | 60 % ДТ + 40 % РМ / DF 60% + RSO 40% | – | 2,63 | – |
12 | 60 % ДТ + 40 % Сурепное масло / DF 60% + colza oil 40% | – | – | 2,76 |
13 | 50 % ДТ + 50 % Э / DF 50% + E 50% | 45,31 | – | – |
14 | 50 % ДТ + 50 % РМ / DF 50% + RSO 50% | – | 2,72 | – |
15 | 50 % ДТ + 50 % Сурепное масло / DF 50% + colza oil 50% | – | – | 2,8 |
Сравнивая значения диэлектрической проницаемости всех представленных составов альтернативных топлив между минимальным и максимальным содержанием добавленного спирта и растительных масел в смесь, можно проследить зависимость. Обнаруживается взаимосвязь характера значений диэлектрической проницаемости с электроемкостью конденсатора при наличии смеси между обкладками. Так, например, диэлектрическая проницаемость растет во всем диапазоне от 10 до 50 % добавленного этанола, рапсового и сурепного масел. Она равна значениям от Ɛ = 3,05 до 45,31; от Ɛ = 2,35 до 2,72; от Ɛ = 2,33 до 2,8.
Обсуждение и заключение. Изменение процентного содержания этанола в составе этаноло-топливной эмульсии не влияет на омическое сопротивление конденсатора постоянному току, увеличение же массового содержания этанола с 10 до 50 % в составе эмульсии повышает электроемкость состава. Здесь емкость конденсатора при наличии смеси ДТ с содержанием этанола 10 % составляет С = 1,7. Добавление спирта 50 % в смесь дает емкость С = 16,3 nF.
Установлено, что в смеси ДТ с 10 %-ным содержанием рапсового масла R = 12,4 МОм, тогда как при добавлении РМ до 50 % значение становится R = 9,7 МОм. Электроемкость состава, применяемого в качестве диэлектрика конденсатора, изменяется в иную сторону. С увеличением содержания РМ в АТ с 10 до 50 % растет и значение емкости от 0,757 nF до 0,820 nF.
Состав топлива с сурепным маслом имеет увеличенное сопротивление между обкладками конденсатора. Величина прямоугольного переменного тока в смеси ДТ с содержанием сурепного масла от 10 до 50 % снижается (с 4,1 до 2,3 мкА).
Взаимосвязь прослеживается между характером значений диэлектрической проницаемости с электроемкостью конденсатора при наличии смеси между обкладками, причем во всех трех добавляемых в смесь углеводородах (этанол, рапсовое и сурепное масла).
На основе полученных данных в дальнейшем будет производиться выяснение связи диэлектрической проницаемости Ɛ с показателями процесса сгорания: максимальным давлением цикла Рz, жесткостью процесса сгорания (dp/dφ)max, скоростью тепловыделения (dχ/dφ)max и т. д. Результаты проведенного исследования вносят вклад в развитие анализа процесса действия двигателей внутреннего сгорания при работе на альтернативном топливе.
1 Льотко В., Луканин В. Н., Хачиян А. С. Применение альтернативных топлив в двигателях внутреннего сгорания / Под ред. В. Льотко, В. Н. Луканина. М. : МАДИ, 2000. 311 с.
2 Александров А. А., Архаров И. А. Моторные топлива. Современные аспекты безопасного хранения и реализации в городах-мегаполисах. М. : Изд-во МГТУ им. Н. Э. Баумана, 2011. 352 с.
3 Итинская Н. И., Кузнецов Н. А. Топлива, масла и технические жидкости : справочник. М. : Агропромиздат, 1989. 303 с.
4 Николаев В. Ф., Кутушев И. Р., Хамедзянов А. К. Рефракто-магнитооптический метод оценки эксплуатационных и теплотехнических характеристик реактивных и дизельных топлив // Вестник Казанского технологического университета. 2003. № 2. С. 302‒314. EDN: HUWHRB
5 Никифоров А. Н. Научные основы использования топлива и смазочных материалов в сельском хозяйстве. М. : Агропромиздат, 1987. 248 с.
6 Смольников М. В., Плотников С. А., Гневашев П. В. Результаты электрических измерений углеродосодержащих смесей с дизельным топливом // Будущее технической науки : мат-лы XXII Всерос. молодежн. науч.-техн. конф. Н. Новгород : НГТУ им. Р. Е. Алексеева, 2023. С. 369–370.
7 Диэлектрические свойства нефтепродуктов авиационной промышленности в области крайневысоких частот / Г. Е. Дунаевский [и др.] // СВЧ-техника и телекоммуникационные технологии : мат-лы докладов 25-ой Междунар. Крымской конф. Т. 2 (6–12 сентября 2015 г., г. Севастополь). Севастополь : Севастопольский государственный университет, 2015. С. 952‒953. EDN: UPCAVJ
8 Диэлектрические свойства автомобильного топлива с присадками в КВЧ диапазоне / Р. А. Кремзер [и др.] // Актуальные проблемы радиофизики АПР 2019 : сб. тр. 8-й Междунар. науч.-практ. конф. (1‒4 октября 2019 г., г. Томск). Томск, 2019. С. 212–213.
About the authors
Sergey A. Plotnikov
Vyatka State University
Author for correspondence.
Email: PlotnikovSA@bk.ru
ORCID iD: 0000-0002-8887-4591
ResearcherId: R-8491-2016
Dr.Sci. (Eng.), Professor of the Chair of Mechanical Engineering Technology
Russian Federation, KirovPavel V. Gnevashev
Vyatka State University
Email: pasha-moon@mail.ru
ORCID iD: 0009-0008-1131-9195
ResearcherId: JNE-2158-2023
Postgraduate Student of the Chair of Mechanical Engineering Technology
Russian Federation, KirovGennady P. Shishkin
Kirov State Medical University
Email: shgp45@mail.ru
ORCID iD: 0009-0004-6591-8653
ResearcherId: JPE-5148-2023
Cand.Sci. (Ped.), Associate Professor of the Chair of Physics and Medical Informatics
Russian Federation, KirovAnatoly N. Kartashevich
Belarusian State Agricultural Academy
Email: kartashevich@yandex.ru
ORCID iD: 0000-0002-3649-1521
Dr.Sci. (Eng.), Professor, Head of the Chair of Tractors, Cars and Machines for Environmental Management
Belarus, GorkiReferences
- Gorenflo S., Tauer U., Hinkov I., Lambrecht A., Helm H. Determination of the Water Content in Petroleum Products Using Terahertz Transmission Spectroscopy. Terahertz and Gigahertz Electronics and Photonics. 2006;6120:61200L. https://doi.org/10.1117/12.644495
- Skvortsov B.V., Silov E.A., Solntseva A.V. [Determining the Interrelation Between Detonation Characteristics Indicators and Electrodynamic Parameters of Hydrocarbon Fuels on the Basis of Statistical Modelling of Componental Structure]. Vestnik of Samara University. 2010;(1);166–173. Available at: https://clck.ru/3ARhsG (accessed 08.10.2023). (In Russ.)
- Tabrisov R.B., Sultanova V.F., Nikolaev A. Refracto-Densimetric Method for Controlling Motor Gasoline Regulatory Compliance with Euro-4 and -5 on Total Aromatic Hydrocarbon and Oxygen Content]. Bulletin of Kazan Technological University. 2012;(9):228–232. Available at: https://clck.ru/3ARkSa (accessed 08.10.2023). (In Russ., abstract in Eng.)
- Plotnikov S.A., Gnevashev P.V. Determination of the Optimal Composition of Mixed Fuel Based on Environmental Indicators of Diesel Engine. Tractors and Agricultural Machinery. 2021;88(2):16–20. (In Russ., abstract in Eng.) https://doi.org/10.31992/0321-4443-2021-2-16-20
- Plotnikov S.A., Shishkin G.P., Reznik E.N., Gnevashev P.V., Smolnikov M.V. Engineless Methods of the Estimation of Operational Properties Fuels for Agricultural Machinery. Herald of Ryazan State Agrotechnological University Named after P.A. Kostychev. 2021;13(2):110–115. (In Russ., abstract in Eng.) https://doi.org/10.36508/RSATU.2021.50.2.015
- Plotnikov S.A., Shishkin G.P., Smolnikov M.V., Gnevashev P.V., Kutergin N.Yu. Non-Motorized Methods for Evaluating the Operational Properties of Alternative Fuels with Ethanol Additives. Alternative Fuel Transport. 2022;(6):72–76. (In Russ., abstract in Eng.) EDN: QWVVMO
- Nikolaev V.F., Romanova U.G., Tabrisov I.I., Mineev A.E., Valeev T.A., Ilyasov R.A., et al. [Visualization of Group Composition of Light Petroleum Products and Liquid Organic Synthesis Products]. Herald of Technological University. 2015;18(22):43–46. (In Russ.) EDN: VDKHXP
- Nikolaev V.F., Tabrisov I.I., Penkovsky A.I., Sultanova R.B. Express Method for Total Content Assessment of Aromatic Hydrocarbons and Oxygen in Finished Gasolines by Refractometry and Densimetry. Fuel. 2015;142:94–101. https://doi.org/10.1016/j.fuel.2014.10.042
- Ladommatos N., Goacher J. Equations for Predicting the Cetane Number of Diesel Fuels from Their Physical Properties. Fuel. 1995;74(7):1083–1093. EDN: AOMQKR
- De Souza J.E., Scherer V.D., Caceres J.A.S., Caires A.R.L., M’Peko J.C. A Close Dielectric Spectroscopic Analysis of Diesel/Biodiesel Blends and Potential Dielectric Approaches for Biodiesel Content Assessment. Fuel. 2013;105:705–710. https://doi.org/10.1016/j.fuel.2012.09.032
- Sater N.A., Grigorov A., Tulska A., Nahliuk M., Lazorik P. Theoretical Basis of Application of the Parameter of Dielectric Permeability of Hydrocarbon Feedstock During its Processing. EAI International Conference on Automation and Control in Theory and Practice. 2023;139–150. Available at: https://clck.ru/3ARqLf (accessed 08.10.2023).
- Alvarez J.O., Jacobi D., Althaus S., Elias S. Dielectric Characterization of Geochemical Properties of Liquid Hydrocarbons from 25 ⁰C to 125 ⁰C. Fuel. 2021;288:119679. https://doi.org/10.1016/j.fuel.2020.119679
- Arik E., Altan H., Esenturk O. Dielectric Properties of Diesel and Gasoline by Terahertz Spectroscopy. Journal of Infrared, Millimeter and Terahertz Waves. 2014;35(9):759–769. Available at: https://clck.ru/3ARsG7 (accessed 08.10.2023).
Supplementary files




















