Conversion of carbon monoxide and carbon dioxide from combustion products into chemically useful substances
- Authors: Saparev M.E.1, Minkina S.A.1, Ryabovol V.S.2
-
Affiliations:
- Samara State Technical University
- LLC PrivolzhskNIPIneft
- Issue: Vol 15, No 4 (2025)
- Pages: 40-45
- Section: HEAT SUPPLY, VENTILATION, AIR CONDITIONING, GAS SUPPLY AND LIGHTING
- URL: https://ogarev-online.ru/2542-0151/article/view/353009
- DOI: https://doi.org/10.17673/Vestnik.2025.04.06
- ID: 353009
Cite item
Full Text
Abstract
The objective of this article is to consider the processes of complete and incomplete combustion of gas in the combustion chamber of a boiler unit, the amount and composition of combustion products, proposals for converting these products into chemically useful substances and their further use. A corresponding option for reconstructing the gas path of a boiler room is proposed.
Full Text
Введение
Из-за большого выделения угарного и углекислого газов в атмосферу возникает ряд проблем. Загрязнённый воздух вызывает респираторные заболевания, например астму и бронхит, может провоцировать болезни сердечно-сосудистой системы, диабет и онкологические заболевания. Газы, загрязняющие атмосферу, из воздуха попадают в осадки, а оттуда в почву, что вызывает отравление живых существ и нарушение пищевых цепочек.
Виды продуктов при полном и неполном сгорании газа
Котельные агрегаты, использующие в качестве топлива природный газ [1], в настоящее время широко применяются благодаря своей высокой эффективности и экологической чистоте, что делает их идеальным выбором для отопления как жилых, так и промышленных объектов [2, 3].
В зависимости от количества воздуха, подаваемого в топку котельного агрегата, происходит полное или неполное сгорание топлива [4].
Химическая реакция полного сгорания природного газа [5]:
СН4 + 2О2 + 7,52N2 = СО2 + 2Н2О + 7,52N2.
В результате полного сгорания газа образуются негорючие газы, такие как углекислый газ (СО2), азот (N2) и водяные пары (H2O). Пламя прозрачно-голубоватого цвета. При неполном сгорании газа (из-за недостаточного количества воздуха) выделяется: угарный газ (СО), несгоревшие горючие углеводороды, атомный углерод (сажа). В атмосферу выходит азот, непрореагировавший кислород, водяные пары (в количестве 2 м3 из 1 м3 газа). Визуально при полном сгорании пламя светло-голубое или голубовато-фиолетовое.
Топливо в котельном агрегате может сгорать полностью или неполностью, это можно определить по коэффициенту полезного действия котельного агрегата.
При полном сгорании газа выделяется углекислый газ. Этот газ можно отделить от остальных продуктов сгорания, пропустив его через хлопчатый гидроксид калия. В результате реакции образуется карбонат калия, известный как поташ. Указанное взаимодействие между концентрированным гидроксидом калия и углекислым газом описывается следующим уравнением [5]:
2KOH + СO2 = K2СO3 + H2O, (1)
где 2KOH – концентрированный гидроксид калия; СО2 – углекислый газ; K2CO3 – карбонат калия (поташ); H2О – вода.
В промышленности поташ представлен в двух формах: кальцинированный и полутораводный. В зависимости от их физико-химических свойств поташ классифицируется на несколько сортов. Этот материал применяется в различных отраслях, включая химическую и стекольную промышленность, в противопожарных мероприятих, в легкой промышленности и других сферах. В строительстве поташ служит в качестве добавки, предотвращающей замерзание бетона, а в химической промышленности используется для производства красок и более эффективно, чем сода, удаляет сероводород из газовых смесей. В легкой промышленности потом применяется при обработке кожи, в производстве детергентов. Он также является компонентом оптического стекла. В сфере пожарной безопасности поташ применяется для обработки деревянных конструкций. Кроме того, он зарегистрирован как пищевой консервант E501.
При неполном сгорании образуется угарный газ. Предлагается использовать его реакцию с гидроксидом калия для синтеза формиата калия. Известно, что угарный газ не является солеобразующим оксидом, но при определенных условиях, а именно при высоком давлении и температуре 120–130 оС, возможно протекание реакции [5]:
CO + KOH = HCOOK, (2)
где СО – угарный газ; КОН – гидроксид калия; НСООК – формиат калия.
Формиат калия (также известный как калий муравьинокислый, химическая формула HCOOK и KHCO2) представляет собой органическое соединение, соль муравьиной кислоты. В чистом виде это белый мелкокристаллический порошок без запаха.
Формиат калия находит применение в различных сферах:
- в виде водного раствора для добуривания и ремонта буровых скважин;
- в строительстве в качестве антиморозной добавки в бетон, штукатурку и клей для плитки;
- в холодильных системах и кондиционерах как компонент хладоносителя;
- в пищевой промышленности как консервант и заменитель соли;
- как добавка в антиобледенительные материалы для уменьшения воздействия на окружающую среду и металлические части транспорта;
- для производства раствора для травления при окрашивании текстиля и обоев.
Угарный газ способен взаимодействовать с водородом, в результате чего образуются органические соединения (процесс Фишера-Тропша, химическая реакция, протекающая в присутствии катализатора, в которой угарный газ и водород превращаются в различные жидкие углеводороды) [5]. В основном используются катализаторы на основе железа и кобальта. Наиболее известное применение этого процесса ‒ производство синтетических углеводородов для масел или топлива без использования нефти, например из угля.
В статье для расчетов была принята котельная с тремя котлами КВГМ-30 и одним котлом КВГМ-20 для г. Брянска. Все расчеты были выполнены в соответствии с методическим пособием [6]: расчет процессов горения ‒ табл. 1; расчет теплосодержания воздуха и продуктов сгорания ‒ табл. 2; плотность дымовых газов ‒ ρсг = 0,77 кг/м3; тепловой баланс для каждого котла ‒ табл. 3; аэродинамический расчет котельного агрегата, в котором: дымовая труба принята из кирпича 45 м; количество дымовых газов, проходящих через дымовую трубу, VТР = 220486,1 м3/ч, средняя температура дымовых газов на участке до дымовой трубы θСР = 150,37 оС, средняя скорость дымовых газов wср = 13,12 м/с.
Таблица 1. Результат расчета процессов горения
Table 1. Calculation results for combustion processes
Величина и расчетная формула | V0 = 9,91 м3/м3; V0H2O = 2,04 м3/м3; VRO2 = 1,06 м3/м3; V0N2 = 7,84 м3/м3 | ||
Топка | Газоход конвективного пучка | ||
первый | второй | ||
Коэффициент избытка воздуха за поверхностью нагрева α = αт+ΣΔαi | 1,10 | 1,15 | 1,25 |
Средний коэффициент избытка воздуха в поверхности нагрева αср = (α′ + α′′)/2 | 1,08 | 1,13 | 1,20 |
Объём избыточного воздуха (αср - 1) V0, м3/м3 | 0,74 | 1,24 | 1,98 |
Действительный объем водяных паров VН2О, м3/м3 | 2,06 | 2,06 | 2,08 |
Действительный объем дымовых газов Vг, м3/м3 | 11,69 | 12,19 | 12,93 |
Объемная доля трехатомных газов в продуктах сгорания РRО2 | 0,09 | 0,09 | 0,08 |
Объемная доля водяных паров в продуктах РН2О | 0,18 | 0,17 | 0,16 |
Суммарная доля трехатомных газов и водяных паров, rn= rRО2 + rН2О | 0,27 | 0,26 | 0,24 |
Масса дымовых газов (привести формулу для соответствующего вида топлива) | 14,68 | 15,33 | 16,30 |
Таблица 2. Расчет теплосодержания воздуха и продуктов сгорания
Table 2. Calculation of the heat content of air and combustion products
q, оС | Iго, МДж/м3 | Iво, МДж/м3 | Iг =Iго + (α - 1) · Iво, МДж/м3 | ||
αт2 = 1,1 | αΙкп´´ = 1,15 | αΙΙкп´´ = 1,25 | |||
Iт´´ | IΙкп´´ | IΙΙкп´´ | |||
100 | 1,52 | 1,31 | 1,65 | 1,72 | 1,85 |
200 | 3,07 | 2,63 | 3,34 | 3,47 | 3,73 |
300 | 4,66 | 3,96 | 5,06 | 5,25 | 5,65 |
400 | 6,29 | 5,34 | 6,83 | 7,09 | 7,63 |
500 | 7,96 | 6,74 | 8,64 | 8,97 | 9,65 |
600 | 9,67 | 8,18 | 10,49 | 10,90 | 11,71 |
700 | 11,43 | 9,65 | 12,39 | 12,88 | 13,84 |
800 | 13,24 | 11,14 | 14,35 | 14,91 | 16,02 |
900 | 15,08 | 12,63 | 16,34 | 16,97 | 18,24 |
1000 | 16,96 | 14,15 | 18,38 | 19,08 | 20,50 |
1100 | 18,85 | 15,72 | 20,42 | 21,20 | 22,78 |
1200 | 20,70 | 17,28 | 22,43 | 23,30 | 25,02 |
1300 | 22,69 | 18,85 | 24,58 | 25,52 | 27,40 |
1400 | 24,68 | 20,46 | 26,72 | 27,75 | 29,79 |
1500 | 26,65 | 22,07 | 28,85 | 29,96 | 32,16 |
1600 | 28,65 | 23,68 | 31,02 | 32,20 | 34,57 |
1700 | 30,67 | 25,29 | 33,20 | 34,47 | 37,00 |
1800 | 32,70 | 26,90 | 35,39 | 36,73 | 39,42 |
1900 | 34,75 | 28,55 | 37,61 | 39,04 | 41,89 |
2000 | 36,80 | 30,20 | 39,82 | 41,33 | 44,35 |
Таблица 3. Тепловой баланс котла КВГМ-20
Table 3. Thermal balance of the KVM-20 boiler
Рассчитываемая величина | Формула или обоснование | Результаты расчета |
Располагаемое тепло топлива QрР, МДж/м3 | Привести формулу для данного вида топлива | 37,09 |
Температура уходящих газов υух, оС | Принимается из характеристик котла | 160 |
Теплосодержание уходящих газов Iух, кДж/ м3 | Принимается по таблице теплосодержаний | 2978 |
Температура холодного воздуха tхв, оС | Принимается по заданию | 30 |
Теплосодержание холодного воздуха Iхво, кДж/ м3 | Iхво = Vо·Схв·tхв | 396,01 |
Потери тепла с уходящими газами q2, % | q2= Q2/ QрР·100 = (Iух - αух·Iхво) · (100 - q4)/ QрР | 6,7 |
Потери тепла от химической недожога q3, % | Принимается по приложению 3–5 по виду сжигаемого топлива и виду топки | 1,5 |
Потери тепла в окружающую среду q5, % | Рассчитывается по виду котла | 1,163 |
Суммарные потери тепла ∑qi , % | q2 + q3 + q5 | 9,363 |
КПД котла ηк.а., % | η к.а.=100– ∑qi | 90,64 |
Тепло, полезно используемое в к.а., Qк.а., МДж/м3 | Рассчитывается по виду котла (привести соответствующую формулу) | 93948,18 |
Полный расход топлива β, м3/ч | β = Qк.а.·100/ QрР· η к.а. | 2785 |
Расчетный расход топлива βр, м3/ч | βр = β, мазут, газ βр = β·(1 - q4/100), твердое топливо | 2785 |
Коэффициент сохранения тепла φ | φ = 1 - q5 / (q5 + ηк.а.) | 0,99 |
Кроме того, были выполнены расчеты по количеству используемых и получаемых веществ для реакции (2) [7]. Реакция происходит при условиях: t = 120 - 130 oC и Р = Ратм.
Пусть V(CO) = 100 м3.
Тогда n(CO) = V/Vм кмоль;
n(CO) = 100 м3 / 22,4 м3/кмоль = 4,46 кмоль;
n(CO) : n(KOH) = 1:1, следовательно,
n(KOH) = 4,46 кмоль;
m(KOH) = n×M;
m(KOH) = 4,46 кмоль × 56 кг/кмоль = 249,76 кг – нужно взять KOH на 100 м3 (СО);
n(CO) : n(HCOOK) = 1:1, следовательно,
n(HCOOK) = 4,46 кмоль × 101 кг/кмоль = 450,46 кг – выход продукта в массе.
Аналогично был выполнен расчет по формуле (1) для получения K2CO3.
В результате установлено, что из 100 м3 СО и 100 м3 КОН получается 450 кг формиата калия (НСООК), а из 100 м3 СО2 и 100 м3 КОН получается 1231 кг карбоната калия – поташ (К2СО3).
Применим данные расчеты к нашему примеру: при полном сгорании получаем 2714183,891 кг карбоната калия, при не полном сгорании ‒ 992187,45 кг формиата калия.
Предложение по использованию продуктов сгорания
Как отмечено ранее, при полном сгорании выделяется углекислый газ, в случае неполного сгорания – угарный газ (СО). Для их утилизации на основе реакций (1) и (2) предлагается использовать концентрированный гидроксид калия.
Газовый тракт котельной делится на два участка: первый – от котла к дымососу, второй – от дымососа к дымовой трубе [6]. В данном исследовании рассматривается реконструкция второго участка. Ранее дымовые газы проходили путь от котлов к дымовой трубе в едином газоходе. Предлагается сделать два пути и расположить в них КОH (хлопчатый). Вещество засыпают в сетчатые фильтры (ёмкость, состоящая из сетчатых пластин), которые будут располагаться внутри труб. Первый путь будет использоваться для режима полного сгорания, второй – для неполного сгорания. Необходимо учитывать углы наклона труб в зависимости от режима работы котельной. При попадании газа в любую из труб происходит реакция с химическим веществом, однако если часть газа не вступила в реакцию, то он удаляется через дымовую трубу. Расходный материал можно транспортировать в железнодорожных вагонах (тип вагонов: зерновой). Материалы, используемые для установки, ‒ железо и чугун. Всего, как показывают расчеты, потребуется три одинаковых блока, чтобы продукты сгорания полностью прореагировали с гидроксидом калия. В конечном варианте, при соблюдении всех условий реакции, мы можем получить при полном сгорании (1) карбонат калия (К2СО3), при неполном сгорании (2) – формиат калия (HCOOK). Химически полезные вещества (карбонат калия и формиат калия) будут поступать в резервуар (накопительный бак) [8, 9]. Из резервуара можно будет провести транспортировочные трубы для дальнейшего использования на различных предприятиях.
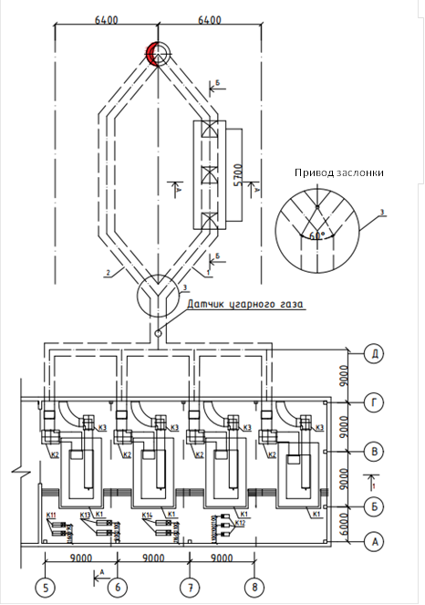
На рис. 1 приведена часть плана котельной [7] (котельные агрегаты с обвязкой газоходами к дымовой трубе) с установкой на втором участке газового тракта (дымосос – дымовая труба) установки по отбору газов. На рис. 2 показаны разрезы А-А и Б-Б газового тракта котла.
Рис. 1. План котельной с установкой отбора газов
Fig. 1. Layout of a boiler room with gas sampling equipment
Рис. 2. Разрезы А-А и Б-Б
Fig. 2. Sections A-A and B-B
Вывод
Согласно выполненным расчетам, предлагаемая установка позволит перерабатывать угарный и углекислый газы в полезные химические вещества для дальнейшего использования. Таким образом, предложенная установка позволит одновременно получать полезные химические вещества и улучшать экологическую ситуацию за счет дополнительной очистки выбросов.
About the authors
Mikhail Ev. Saparev
Samara State Technical University
Author for correspondence.
Email: msx072007@yandex.ru
ORCID iD: 0000-0002-7383-7042
PhD in Engineering Science, Associate Professor of the Heat and Gas Supply and Ventilation Chair
Russian Federation, 443100, Samara, Molodogvardeyskaya st., 244Svetlana Ab. Minkina
Samara State Technical University
Email: minkina.svetlana2011@yandex.ru
Senior Lecturer of the Heat and Gas Supply and Ventilation Chair
Russian Federation, 443100, Samara, Molodogvardeyskaya st., 244Vladislav S. Ryabovol
LLC PrivolzhskNIPIneft
Email: r.v.s.03@mail.ru
Design Engineer of category 3
Russian Federation, 443125, Samara, Silovaya st., 11References
- Code of Rules “Boiler Plants”, Updated Edition of “SNiP II-35-76” “SP 89.13330.2016”.
- Minkina S.A., Uryadov M.I. Reconstruction of Gas Ducts of Water Boilers with Installation of Flue Gas Pumps. Gradostroitel’stvo i arhitektura [Urban Construction and Architecture], 2020, vol. 10, no. 4, pp. 42–49. (in Russian) doi: 10.17673/Vestnik.2020.04.6
- Balandina O.A., Puring S.M. Research of Infl uence of Air Temperature on the level of nitrogen oxides in smoke gases of boiler plants. Gradostroitel’stvo i arhitektura [Urban Construction and Architecture], 2019, vol. 9, no. 4, pp. 27–32. (in Russian) doi: 10.17673/Vestnik.2019.04.5
- Delyagin G.N., Lebedev V.I., Permyakov B.A., Khvanov P.A. Teplogenerirujushhie ustanovki [Heat generating units]. Moscow, Bastet, 2010. 425 p.
- Vlasova I.V., Usova S.V. Analiticheskaja himija i fiziko-himicheskie metody analiza [Analytical Chemistry and Physical and Chemical Methods of Analysis]. Omsk, Publishing House of Omsk State University, 2014. 109 p.
- Minkina S.A. Teplovoj i ajerodinamicheskij raschety kotel’nyh agregatov [Thermal and aerodynamic calculations of boiler units]. Samara, SamGASU, 2013. 104 p.
- Ivanov A.P., Sidorov B.N. Technology of Production and Application of Potassium Carbonates and Formiates. Himicheskaja promyshlennost’ [Chemical industry], 2019, no. 4, pp. 45‒52. (in Russian)
- Minkina S.A. Teplovye shemy kotel’nyh ustanovok. Raschet i proektirovanie oborudovanija [Thermal Schemes of Boiler Plants. Calculation and Design of Equipment]. Samara, Samgasu, 2015. 130 p.
- Roddatis K.F., Poltoreckij A.N. Spravochnik po kotel’nym ustanovkam maloj proizvoditel’nosti [Handbook on Small-Capacity Boiler Plants]. Moscow, Energoatomizdat, 1989. 488 p.



