New in assessing the fire resistance of reconstructed reinforced concrete ribbed building panel
- Authors: Ilyin N.A.1, Mordovsky S.S.1, Korunov A.A.2
-
Affiliations:
- Samara State Technical University
- LLC “Specialized developer” Samara-Eurostroy“
- Issue: Vol 14, No 3 (2024)
- Pages: 4-10
- Section: BUILDING CONSTRUCTIONS, BUILDINGS AND FACILITIES
- URL: https://ogarev-online.ru/2542-0151/article/view/271360
- DOI: https://doi.org/10.17673/Vestnik.2024.03.01
- ID: 271360
Cite item
Full Text
Abstract
The article describes the innovative application of a methodology for assessing the design fire resistance of a reconstructed reinforced concrete ribbed floor panel based on the criterion of the occurrence of a limit state based on loss of load-bearing capacity. In this case, the fire resistance limit of a bending element is established without thermal force destruction based on a set of single quality indicators of structural concrete and reinforcing steel, which simplifies engineering calculations and reduces the cost of expensive experiments. The results of a study of the influence of the geometric dimensions of a reconstructed reinforced concrete ribbed panel, the heating scheme of the design section in fire conditions, the placement of the main and additional reinforcement in the design section, the depth of the cores of the main and additional reinforcement and the degree of its fire protection, the thermal diffusion coefficient of structural concrete, the magnitude of the test load on the panel are presented. and the intensity of stress in the rods of longitudinal working reinforcement to the design fire resistance indicator, which is established based on the loss of load-bearing capacity. The use of the new proposed technical solution makes it possible to determine the design fire resistance of a reconstructed reinforced concrete ribbed panel without natural thermal force effects, simplifies engineering calculations, increases the reliability of statistical quality control of reinforced concrete materials and non-destructive tests, and reduces experimental costs.
Full Text
Проектный предел огнестойкости реконструированной железобетонной ребристой панели здания и сооружения может быть определен натуральными огневыми испытаниями или научным расчетом [1‒6].
Классическая методика научного расчета предела огнестойкости реконструированной железобетонной ребристой панели трудоемка и весьма дорога. Следовательно, разработка математического описания оценки проектного предела огнестойкости реконструированной железобетонной ребристой панели здания и сооружения весьма актуальна и экономически выгодна.
Научная значимость инновационной методики выявления проектного предела огнестойкости заключается в исследовании закономерности поведения реконструируемой железобетонной ребристой панели в условиях стандартного пожара.
Для достижения данной цели научно-исследовательской работы необходимо решить следующие задачи:
Необходимость выявления показателей огнестойкости реконструированной железобетонной ребристой плиты возникает при коренной перестройке здания или сооружения, усилении его элементов, приведении проектной огнестойкости в соответствие с требованиями строительных норм и технического регламента по пожарной безопасности [5, 7‒9].
При реконструкции здания или сооружения возможно переустройство и перепланировка помещений (пожарных отсеков), изменение их назначения, замена строительных конструкций и оборудования. Это влияет на корректировку требуемой и фактической степени огнестойкости здания или сооружения.
Предложенная авторами статьи методика оценки проектной огнестойкости реконструированной железобетонной ребристой панели состоит в установлении показателей пожарной защиты здания или сооружения в части гарантированной длительности сопротивления ребристой панели в условиях пожара, а также в упрощении методики оценки проектного предела огнестойкости реконструированной железобетонной ребристой панели по признаку потери несущей способности [2, 9‒11].
Необходимость обеспечения несущей способности железобетонных ребристых панелей перекрытия возникает при реконструкции зданий, усилении их несущих конструкций, приведении проектной огнестойкости ребристых панелей в соответствие с требованиями современных норм при проведении экспертизы и восстановлении железобетонных конструкций здания после пожара.
Увеличение несущей способности реконструированной железобетонной ребристой панели в 1,5‒2 раза при определённых условиях может дать рост проектного предела огнестойкости в 4‒6 раз.
Существуют методы определения времени наступления предельного состояния по потере несущей способности под нормативной испытательной нагрузкой в условиях стандартного огневого воздействия [1, 3, 4, 10]. То есть натурные огневые испытания проводят на проектном образце конструкции, в огневых печах. Такие испытания трудоемки, неэффективны и небезопасны.
Существуют методы определения времени наступления предельного состояния по признаку потери несущей способности [11, 12]. Но таким методом невозможно учесть особенности дополнительного армирования продольных ребер панели перекрытия, а также увеличение степени огнезащиты условных стержней рабочей арматуры и значительное снижение интенсивности силовых напряжений растяжения в них.
Существует разработка [13] по определению проектного предела огнестойкости по признаку потери несущей способности.
Положительный эффект предлагаемого подхода состоит в обеспечении несущей способности железобетонной ребристой панели перекрытия здания в условиях пожара, исключении при этом натурных огневых испытаний, а также повышении достоверности результатов и сокращении времени и трудоемкости получения результатов оценки несущей способности усиленной железобетонной ребристой панели в условиях пожара [6‒8, 14].
Для определения предела огнестойкости реконструированной железобетонной ребристой панели перекрытия по критерию потери несущей способности при пожаре необходимо проведение технического осмотра (обследования), при котором устанавливают вид бетона и арматуры и их показатели прочности, условия опирания и крепления, геометрические размеры панелей и их основных расчетных сечений, взаимное расположение стержней продольной арматуры и толщину защитного слоя бетона, схемы обогрева основного рабочего сечения при пожаре и условия нагревания продольной арматуры. Также важным является установление интенсивности силовых напряжений в панели при пожаре.
Для определения предела огнестойкости реконструированной железобетонной ребристой панели перекрытия по критерию потери несущей способности при пожаре (Fu(R), мин) решают уравнение
(1)
где Jσs,red – интенсивность силовых напряжений в условном стержне рабочей арматуры реконструированной железобетонной ребристой панели; С – степень огнезащиты условного стержня продольной арматуры бетоном, см; tcr – критическая температура нагрева основной продольной арматуры (°С); n – эмпирический показатель класса арматуры (в пределах 2,6–4,4); e = 2,72 – натуральное число.
Степень огнезащиты условных стержней продольной арматуры (С, см) определяют по уравнению
(2)
где m02 – показатель условленного нагрева условного стержня продольной арматуры при двустороннем подходе тепла; amin – минимальная глубина залегания условного стержня продольной арматуры панели по одной из осей координат расчетного сечения, мм; Dвт – коэффициент термодиффузии бетона, мм2/мин.
Величину показателя условий нагрева условного стержня продольной арматуры при двустороннем подходе тепла (m02 ≥ 0,5) к ней вычисляют по уравнению
(3)
где ax1, ax2, ay, red – глубина залегания условного стержня продольной арматуры по осям координат основного расчетного сечения сочлененных железобетонных ребристых панелей перекрытия, мм.
Интенсивность силовых напряжений в условном стержне продольной арматуры реконструированной железобетонной ребристой панели (Jσs,red ≤ 1) вычисляют по уравнению
(4)
где Jн = 0,625 – нормативная интенсивность силовых напряжений в основной арматуре до реконструкции панели (при kз = 1,6); Rs и Rs, доп – нормативное сопротивление растяжению основной и дополнительной арматуры, МПа; kf = 1,4 – коэффициент условий работы панели по нагрузке.
Величину коэффициента термодиффузии бетона (Dвт, мм2/мин) определяют экспериментально или принимают в зависимости от вида бетона:
- бетон тяжелый (влажность 3 %) на известняковом/гранитном щебне: Dвт = 19,5/22,2 мм2/мин;
- керамзитобетон (влажность 5 %) на керамзитовом/перлитовом песке: Dвт = 16,5/14,7 мм2/мин.
Исключение натурных термосиловых испытаний реконструированной железобетонной ребристой панели перекрытия существующего здания и их замена на неразрушающие испытания снижают трудоемкость оценки их проектной огнестойкости. Следовательно, условия испытания реконструированной железобетонной ребристой панели на огнестойкость по признаку потери несущей способности значительно упрощены, снижение затрат на испытание существенно.
Применение математической модели процесса сопротивления реконструированных железобетонных ребристых панелей термосиловому воздействию и использование построенного аналитического выражения (1) повышают точность и достоверность обеспечения несущей способности реконструируемых железобетонных ребристых панелей перекрытия в условиях высокотемпературного воздействия заданной продолжительности.
Температура среды стандартного пожара определяется по формуле
, где τст – длительность огневого воздействия; мин [1, 2, 15].
Реконструкцию железобетонной ребристой панели перекрытия (рис. 1) производят следующими способами: полку панели усиливают набетонкой из легкого бетона, армируя её дополнительной арматурной сеткой; продольные ребра панели усиливаются анкером из полосовой стали, зафиксированным стяжным болтом, зазор между анкером и поверхностью ребра панели заполняется цементным раствором, далее на анкер привариваются дополнительные стержни продольной арматуры, которые затем покрывают цементным раствором, предварительно загрунтовав.
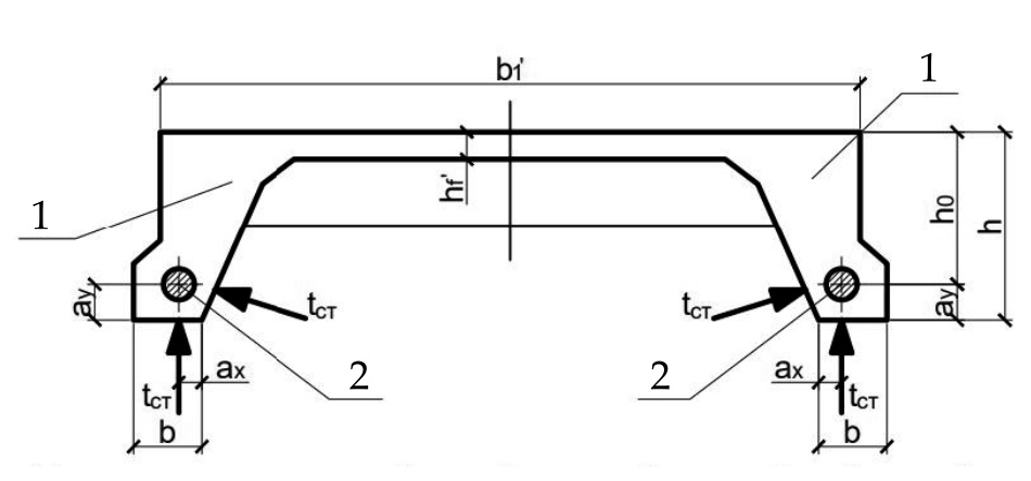
Рис. 1. Поперечное сечение сборной железобетонной ребристой панели перекрытия до реконструкции: 1 – продольное ребро панели; 2 – основная продольная арматура; b – ширина продольного ребра, мм; bʹ1 – ширина полки панели, мм; hʹf – толщина полки панели, мм; h – высота продольного ребра, мм; h0 – рабочая высота сечения, мм; ax и ay – глубина залегания продольной арматуры по осям координат, мм; tст – температура среды стандартного пожара, °С
Обеспечение несущей способности реконструированных железобетонных ребристых панелей перекрытия (рис. 2) зданий в условиях пожара осуществляют в следующей последовательности.
Сначала производят визуальный осмотр панелей перекрытия. Назначают комплекс единичных показателей качества железобетонной ребристой панели, влияющих на обеспечение их несущей способности в условиях стандартного огневого воздействия длительностью 180 – 200 мин. Выявляют условия опирания усиливаемых панелей, закрепления концов дополнительной арматуры в основном расчетном сечении сочлененных панелей. Затем оценивают единичные показатели качества реконструируемой железобетонной ребристой панели перекрытия, выявляя проектный предел огнестойкости железобетонной ребристой панели по признаку потери несущей способности.
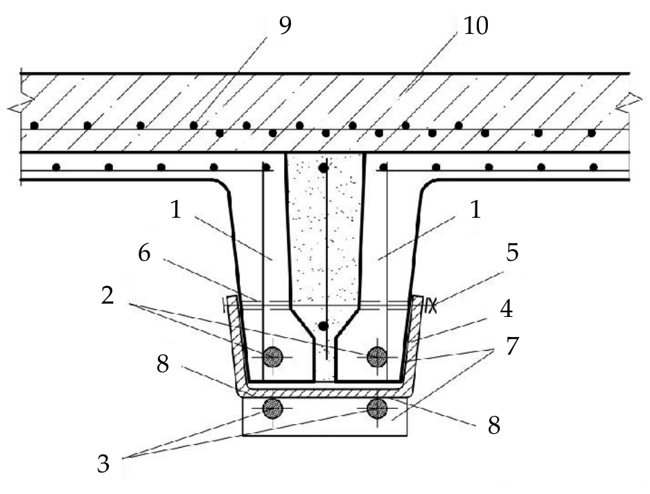
Рис. 2. Поперечное сечение сочлененных железобетонных ребристых панелей перекрытия, усиленного горизонтальными затяжками снизу и монолитной плитой сверху: 1 – продольное ребро панели; 2 – основная продольная арматура; 3 – дополнительная арматура – тяжи затяжки; 4 – анкер из полосовой стали; 5 – стяжной болт, оборудованный шайбой и высокой гайкой; 6 – сквозное отверстие в ребрах сопряженных панелей; 7 – цементный раствор; 8 – сварные швы; 9 – дополнительная арматурная сетка полки плиты; 10 – дополнительная монолитная плита из легкого бетона
К основным единичным показателям качества реконструируемой железобетонной ребристой панели перекрытия, обеспечивающим несущую способность в условиях пожара, относят (рис. 3): геометрические размеры реконструируемой железобетонной ребристой панели и высоту основного сечения, глубину залегания, класс по прочности, приведенный диаметр условного стержня основной продольной и дополнительной арматуры, интенсивность силовых напряжений и критическую температуру нагрева основной арматуры, коэффициент термодиффузии бетона и степень огнезащиты продольной основной и дополнительной арматуры.
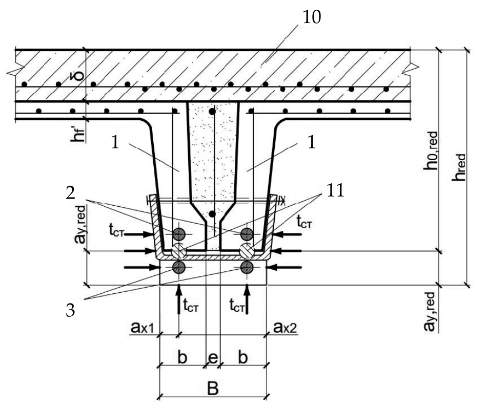
Рис. 3. Расчетное сечение железобетонной ребристой панели перекрытия, усиленной горизонтальной затяжкой снизу и монолитной плитой из легкого бетона сверху при расчете огнестойкости: 1 – продольное ребро панели; 2 – основная продольная арматура; 3 – дополнительная арматура – тяжи затяжки; 10 – дополнительная монолитная плита из легкого бетон; 11 – условный стержень продольной арматуры; b – ширина продольного ребра, мм; B – ширина сечения, мм; h – высота расчетного сечения, мм; e – величина зазора между продольными ребрами, мм; ax1, ax2, ay,red – глубина залегания условного стержня продольной арматуры по осям координат основного расчетного сечения сочлененной железобетонной ребристой панели перекрытия, мм; tст – температура среды стандартного пожара, °С
Пример. Железобетонная ребристая панель размером в плане 6×1,5 м, толщиной полки = 50 мм; основная продольная рабочая арматура панели в сочлененных продольных ребрах 2∅20 А600 (tст = 505 °C; n = 3,6; Rs = 600 МПа), глубина заложения amin = 35 мм; интенсивность напряжений Jн = 0,625; бетон тяжелый на известняковом щебне: (коэффициент термодиффузии Dтв = 22,2 мм2/мин, толщина защитного слоя umin = 25 мм), показатель условий двустороннего обогрева рабочего стержня продольной арматуры панели m02 = 0,53; степень огнезащиты арматуры бетоном C = 2,56 см; предел огнестойкости ребристой панели без усиления Fu(R) = 43 мин ≪ R = 180 мин (для панелей перекрытия здания особой степени огнестойкости) [2, 15].
Для повышения огнестойкости существующей железобетонной ребристой панели принята реконструкция сочлененных продольных ребер в средней части пролета панели в виде затяжки из дополнительной гладкой горячекатаной арматуры 2∅20 А240 (As = 2×314,2 = 628,4 мм2; Rs,yc = 240 МПа; n = 2,3).
Решение:
1) Приведенный диаметр основной и дополнительной арматуры продольных ребер
где d1 и d2 – диаметр основной и дополнительной арматуры продольных ребер, мм.
2) Осевые расстояния
ax1 = umin + 0,5 × dred = 25 + 0,5 × 28,3 = 39,2 мм,
где umin – толщина защитного слоя, мм; dred – приведенный диаметр основной и дополнительной арматуры продольных ребер, мм.
ax2 = 2 × b + e - ax1 = 2 × 70 + 10 - 39,2 = 111 мм,
где b – ширина продольного ребра, мм; e – величина зазора между продольными ребрами, мм; ax1 – глубина залегания условного стержня продольной арматуры, мм; ay,red = 56 мм.
3) Показатель условий двустороннего нагрева условного стержня арматуры (m02 > 0,5) определяют по уравнению (3):
где ax1, ax2, ay,red – глубина залегания условного стержня продольной арматуры по осям координат основного расчетного сечения сочлененных железобетонных ребристых панелей перекрытия, мм.
4) Степень огнезащиты условного стержня арматуры бетоном (С, см) вычисляют по уравнению (2):
где m02 – показатель условленного нагрева условного стержня продольной арматуры при двустороннем подходе тепла; amin – минимальная глубина залегания условного стержня продольной арматуры панели по одной из осей координат расчетного сечения, мм; Dвт – коэффициент термодиффузии бетона, мм2/мин.
5) Интенсивность силовых напряжений в условном стержне продольной арматуры реконструируемой железобетонной ребристой панели (Jσs,red) вычисляют по уравнению (4):
где Jн – нормативная интенсивность силовых напряжений в основной арматуре до усиления панели; Rs и Rs,доп – нормативное сопротивление растяжению основной и дополнительной арматуры, МПа; kf – коэффициент условий работы панели по нагрузке.
6) Проектный предел огнестойкости реконструированной железобетонной ребристой панели по несущей способности (Fu(R), мин) вычисляют по уравнению (1):
где Jσs,red – интенсивность силовых напряжений в условном стержне продольной арматуры реконструированной железобетонной ребристой панели; С – степень огнезащиты приведенного стержня продольной арматуры бетоном, см; tcr – критическая температура нагрева основной продольной арматуры (°С); n – эмпирический показатель класса арматуры; e = 2,72 – натуральное число.
Заключение. Так как проектный предел огнестойкости реконструированной железобетонной ребристой панели по несущей способности, Fu(R) = 207 мин > 180 мин = Ru тр, следовательно, несущая способность панелей перекрытия здания после реконструкции в условиях пожара обеспечивается.
Вывод. По результатам проведенных научных и патентных исследований [6‒8, 11, 13, 16] разработана математическая зависимость для оценки проектной огнестойкости реконструированной железобетонной ребристой панели перекрытия здания по признаку потери несущей способности в условиях пожара; представлено обоснование основных конструктивных параметров, выявляющих предел огнестойкости реконструированной железобетонной ребристой панели; приведен пример оценки проектного предела огнестойкости по признаку потери несущей способности реконструированной панели здания.
About the authors
Nikolay Al. Ilyin
Samara State Technical University
Author for correspondence.
Email: qaer1@yandex.ru
PhD of Engineering Sciences, Professor of the Reinforced Concrete Structures Chair
Russian Federation, 443100, Samara, Molodogvardeyskaya st., 244Sergey S. Mordovsky
Samara State Technical University
Email: qaer1@yandex.ru
PhD of Engineering Sciences, Associate Professor of the Reinforced Concrete Structures Chair
Russian Federation, 443100, Samara, Molodogvardeyskaya st., 244Alexander Al. Korunov
LLC “Specialized developer” Samara-Eurostroy“
Email: alexkor77789@gmail.com
Russian Federation, 443034, Samara, Yubileinaya st., 53A
References
- Yakovlev A.I. Raschet ognestojkosti stroitelnyh konstrukcij [Calculation of fire resistance of building structures]. Moscow, Strojizdat, 1988. 143 p.
- Technical regulations on fire safety requirements. FL no. 123-2008*. Moscow, 2022. (art. 87 requirements for fire resistance and fire hazard of buildings, structures and fire compartments).
- Orlova S.S., Pankova T.A., Zatinackij S.V. Zdaniya, sooruzheniya i ih ustojchivost’ pri pozhare [Buildings, structures and their resistance to fire]. Saratov, Publishing house «Saratov source», 2015. 130 p.
- Milovanov A.F. Ognestojkost zhelezobetonnyh konstrukcij [Fire resistance of reinforced concrete structures]. Moscow, Strojizdat, 1996. 304 p.
- Ilyin N.A., Panfilov D.A. Ocenka ognestojkosti proektiruemyh zhelezobetonnyh konstrukcij zdanij: monografiya [Fire resistance assessment of designed reinforced concrete building structures: monograph]. Samara, SamSTU, 2017. 186 p.
- Panfilov D.A., Ilyin N.A., Zhilcov Yu.V., Blinkova E.V. Methodology for assessing the fire resistance of composite building structures. Gradostroitelstvo i arhitektura [Urban planning and architecture], 2018, vol. 8, no. 3, pp. 12‒17. (in Russian) doi: 10.17673/Vestnik.2018.03.3
- Ilyin N.A., Panfilov D.A., Kolesnev N.A., Silantev I.A. Assessment of the design fire resistance of a two-span reinforced concrete beam of a building. Gradostroitelstvo i arhitektura [Urban planning and architecture], 2019, vol. 9, no. 4, pp. 16‒21. (in Russian) doi: 10.17673/Vestnik.2019.04.3
- Ilyin N.A., Panfilov D.A., Zhilcov Yu.V. An innovative method for assessing the fire resistance of a monolithic reinforced concrete beam slab of a building. Gradostroitelstvo i arhitektura [Urban planning and architecture], 2021, vol. 11, no. 4, pp. 43‒47. (in Russian) doi: 10.17673/Vestnik.2021.04.5
- Ilyin N.A., Mordovsky S.S., Ilyakova K.V., Korunov A.A. Sposob opredelenija ognestojkosti zhelezobetonnoj rebristoj paneli perekrytija po kriteriju poteri nesushhej sposobnosti pri pozhare [Method for determining the fire resistance of a reinforced concrete ribbed floor panel according to the criterion of loss of bearing capacity in case of fire]. Patent RF, no. 2023110751, 2023.
- State Standard 30247.1-94. Building structures. Test methods for fire resistance. Load-bearing and enclosing structures. (In Russian)
- Ilyin N.A., Panfilov D.A. Sposob ocenki ognestojkosti zhelezobetonnoj balochnoj konstrukcii zdanija [Method of fire resistance assessment of reinforced concrete beam structure of the building].Patent RF, no. 2615048, 2015.
- Ilyin N.A., Panfilov D.A., Ilyina V.N. Sposob ocenki ognestojkosti balochnoj konstrukcii [Method for assessing the fire resistance of a beam structure]. Patent RF. no. 2650704, 2017.
- Ilyin N.A., Panfilov D.A., Zhilcov Yu.V. Sposob ocenki ognestojkosti zhelezobetonnoj plity s zashhemleniem po konturu [A method for assessing the fire resistance of a reinforced concrete slab with pinching along the contour]. Patent RF, no. 2674570, 2017.
- Ilyin N.A. Tehnicheskaya ekspertiza zdanij, povrezhdennyh pozharom [Technical examination of buildings damaged by fire]. Moscow, Strojizdat, 1983. 200 p.
- SR 2.13130.2020. Fire protection systems. Ensuring fire resistance of protected objects. (In Russian)
- Ilyin N.A., Panfilov D.A., Zhilcov Yu.V. Sposob ocenki ognestojkosti prednaprjazhennoj zhelezobetonnoj plity [Method for assessing the fire resistance of a prestressed reinforced concrete slab].Patent RF, no. 2671910, 2017.
Supplementary files





