The Analysis of the Possibility to Use a Pyrohydraulic Generator in the Emergency System of an Aircraft Landing Gear
- Авторлар: Penno A.F.1, Belovodsky Y.P.1
-
Мекемелер:
- Hero of the Soviet Union Serov Krasnodar Air Force Institute for Pilots
- Шығарылым: № 1 (2025)
- Беттер: 117-131
- Бөлім: Aircraft Technology
- URL: https://ogarev-online.ru/2312-1327/article/view/278973
- DOI: https://doi.org/10.51955/2312-1327_2025_1_117
- ID: 278973
Дәйексөз келтіру
Толық мәтін
Аннотация
A number of problematic issues related to the design features and operation of the main and emergency landing gear systems of modern aircraft are considered. Some contradictions have been noted between the necessity to improve reliability and certain difficulties in using additional emergency landing gear systems on military aircraft. As a result of the analysis of various landing gear extension systems, the Yak-130 aircraft was identified as the object of implementation of the authors’ development on the use of a pyrohydraulic generator in the emergency landing gear extension system. The principle of design and operation of the main units of the proposed system is shown. Using the example of the nose landing gear of an aircraft, a schematic diagram of the functioning of the proposed method of extending the landing gear with a pyrohydraulic generator is demonstrated. Based on the results of the study, the feasibility was confirmed and the possibility of using a pyrohydraulic generator in the emergency landing gear system of an aircraft was justified.
Негізгі сөздер
Толық мәтін
Введение
Шасси самолёта – это сложное техническое устройство, представляющее совокупность опор, предназначенных для стоянки и движения воздушного судна по земле, а также снижения нагрузок на конструкцию в процессе взлета и посадки летательного аппарата1,2 [Житомирский, 2005; Шасси летательного…, 2022; Currey, 1988].
На современных воздушных судах, для достижения высоких летно-технических характеристик, шасси выполнены убирающимися в полете3 [Кондрашов, 1991; Кузьмин, 2021]. Работа по уборке и выпуску шасси, как правило, обеспечивается гидравлической системой самолёта, в состав которой входит большое количество агрегатов, расположенных в различных частях воздушного судна4 [Гидравлическая система…, 2015]. Поломка или некорректная работа даже одного из них может привести к аварийной ситуации, выражающейся в отказе уборки шасси или их выпуска, что способно привести к разрушению летательного аппарата на этапе его взлёта или посадки [Пенно и др., 2022; Zhang et al., 2014].
Для обеспечения надежности самолёта используются независимые друг от друга гидравлические системы, широко применяются дополнительные (аварийные) пневмосистемы и т.п., участвующие в процессе выпуска шасси [Бороденко и др., 1972; Патент № 2780009 C1..., 2022; Пенно, 2024; Фролов и др., 2023]. Это позволило заметно снизить количество отказов систем, отвечающих за выпуск шасси, но не исключило их полностью. К тому же, возможность установки нескольких общепринятых аварийных систем может быть ограничена из-за усложнения конструкции, увеличения веса и недостаточного внутрифюзеляжного пространства воздушного судна.
Похожие проблемы существуют и в военной авиации, где еще более остро стоит вопрос возможности применения на самолёте дополнительного оборудования, обеспечивающего работу системы уборки и выпуска шасси. Это в первую очередь касается истребительной авиации [Ахунов и др., 2022; Бюшгенс и др., 2018; Пять поколений …, 2019; Самые лучшие…, б.г.]. На воздушных судах данного типа предусмотрена максимально плотная компоновка агрегатов внутри фюзеляжа5. Внедрение дополнительных устройств, как правило, связано со значительными трудностями. Сопутствующее этому изменение массы самолёта также является критичным, поскольку влияет на летные характеристики летательного аппарата.
Истребитель предназначен для ведения боевых действий, вследствие чего возможно огневое поражение самолёта противником6. Каждая из систем, участвующих в выпуске шасси (гидравлическая, пневматическая), состоит из различных агрегатов и коммуникаций в виде трубопроводов и шлангов, повреждение которых неминуемо приведет к отказу системы и возникновению аварийной ситуации7 [Дмитренко, 2023]. Применение дополнительных систем аналогичного типа увеличит количество объектов поражения, что снижает надёжность применения самих систем.
Для решения обозначенной проблемы, выражающейся в необходимости повышения надежности системы выпуска шасси на современном боевом воздушном судне и определенных затруднениях при использовании существующих аварийных систем как дополнительных, предлагается применение пирогидравлического генератора (ПГГ) в качестве источника энергии, обеспечивающего выпуск шасси самолёта.
Правильность вектора нашего исследования подтверждается разработками как отечественных, так и зарубежных ученых [Патент № 2729924 C2…, 2020; Складываемый руль…, 2019.], касающихся вопросов различных вариантов использования пирогидравлических систем в конструкции современных летательных аппаратов.
Материалы и методы
В качестве материалов исследования рассматривалось устройство и принцип работы систем современных летательных аппаратов истребительной авиации, обеспечивающих процесс основного, а также аварийного выпуска шасси.
Анализ изучаемого материала выявил определенные противоречия, связанные с необходимостью повышения надежности авиационной техники в виде использования дополнительного оборудования и ограниченными возможностями по его размещению на воздушном судне.
Цель проводимого исследования заключается в обосновании целесообразности и возможности применения ПГГ как источника давления в системе аварийного выпуска шасси самолёта.
Исходя из цели исследования, необходимо решение следующих частных задач:
- на основании анализа конструктивных особенностей систем основного и аварийного выпуска шасси самолётов истребительной авиации определить воздушное судно, на примере которого исследовать возможность внедрения предлагаемого способа аварийного выпуска шасси с использованием ПГГ;
- раскрыть особенности конструкции ПГГ и дополнительного оборудования, необходимого для работы системы;
- показать принципиальную схему функционирования системы аварийного выпуска шасси воздушного судна с применением авторской разработки;
- обобщить итоги исследования, отметить преимущества и возможные недостатки предлагаемой системы;
- представить заключение о целесообразности и возможности применения ПГГ в процессе аварийного выпуска шасси.
Решению поставленных задач способствовало использование математического метода, а также теоретического метода в виде анализа, обобщения и моделирования предлагаемой авторской разработки.
Практическая значимость проводимого исследования заключается в повышении надежности воздушного судна вследствие размещения дополнительного оборудования системы аварийного выпуска шасси самолёта.
Дискуссия
В процессе рассмотрения устройства, конструктивных особенностей и работы систем выпуска и уборки шасси современных самолётов истребительной авиации, а также учебно-боевого самолёта Як-1308,9,10, определена их принципиальная схожесть как при основном, так и при аварийном выпуске шасси. В связи с этим, а также учитывая ведомственную принадлежность рассматриваемых летательных аппаратов, в качестве объекта исследования определен самолёт Як-130, в конструкцию которого предлагается внести изменения для демонстрации авторской разработки по применению ПГГ.
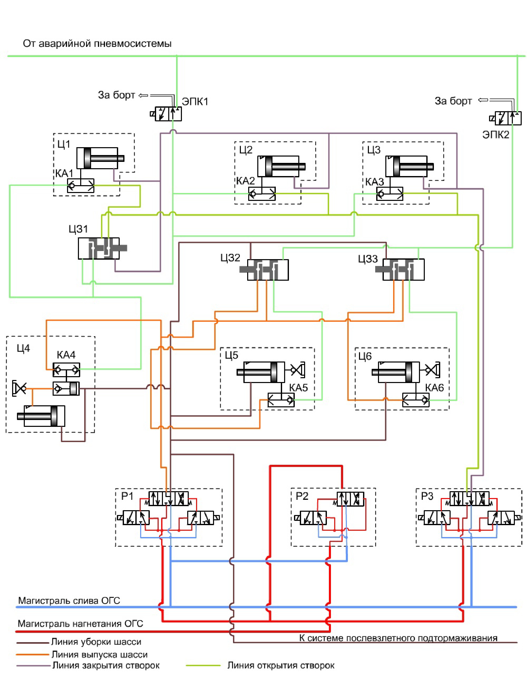
На самолёте Як-130 основной выпуск шасси осуществляется через электронную систему управления общесамолётным оборудованием (СУОСО) от общей гидравлической системы (ОГС), в которой насос располагается на левом двигателе, и функционирование системы зависит от его работоспособности. Аварийный выпуск шасси, под управлением СУОСО, производится от аварийной пневматической системы, в работе которой используется давление азота в соответствующих баллонах. Обе системы имеют большое количество агрегатов. Потребители (гидравлические цилиндры) системы выпуска шасси связаны с источниками давления трубопроводами значительной протяженности (рис. 1).
Основной способ уборки и выпуска шасси самолёта выполняется от ОГС с рабочим давлением 203-220 кгс/см².
Электрогидравлический распределитель Р3 по заданному алгоритму управляет процессом открытия и закрытия всех створок ниш шасси самолёта и замка убранного положения передней стойки.
Работу замков убранного положения основных стоек, выпуск и уборку всех стоек шасси обеспечивает электрогидравлический распределитель Р1. Конструктивной особенностью является то, что при неоткрытии хотя бы одной из створок, или неоткрытии одного из замков убранного положения – шасси не выпускаются.
Самолёт Як-130 оборудован аварийной пневматической системой выпуска как отдельно передней стойки, так и всех стоек шасси в зависимости от сложившейся ситуации и выбора действий в ней лётчика. Давление зарядки пневмосистемы – 190-210 кгс/см2. При снижении давления азота в системе на момент аварийного выпуска шасси ниже 100 кгс/см2 выпускается только передняя стойка шасси11.
Рисунок 1. Принципиальная схема системы уборки-выпуска шасси самолёта Як-130: ЭПК1, ЭПК2. Электропневмоклапан; Ц1. Цилиндр створок передней опоры шасси; Ц2, Ц3. Цилиндр створок левой (правой) опоры шасси; ЦЗ1. Цилиндр замка убранного положения передней опоры; ЦЗ2, ЦЗ3. Цилиндр замка убранного положения левой (правой) основной опоры шасси; Ц4. Цилиндр подкос передней опоры шасси; Ц5, Ц6. Цилиндр уборки-выпуска левой (правой) основной опоры шасси; КА1, КА2, КА3, КА4, КА5, КА6. Клапан аварийный; Р1, Р2, Р3. Распределитель электрогидравлический
В процессе аварийного выпуска шасси, согласно программе управления, участвуют два электропневмоклапана (ЭПК1, ЭПК2) (рис. 1). Для выпуска передней стойки шасси в кабине самолёта переключатель устанавливается в соответствующее положение, при этом срабатывает ЭПК1. Под действием давления азота открываются створки всех ниш шасси, замок убранного положения передней стойки и производится выпуск самой стойки.
Аварийный выпуск всех стоек шасси самолёта осуществляется после установки переключателя в необходимое положение. Первоначально срабатывает ЭПК1, открываются все створки ниш и выпускается передняя стойка.
После фиксации створок ниш основных стоек в выпущенном положении срабатывает электропневмоклапан ЭПК2, азот подается на открытие замков убранного положения основных стоек и в цилиндры выпуска самих стоек. При отсутствии сигнализации об открытии створок ниш основных стоек шасси, ЭПК2 не запитывается – шасси останутся в убранном положении.
При невыпуске одной из основных стоек шасси, на данном воздушном судне, посадка запрещена. Экипаж обязан катапультироваться12 [Проблематика..., 2022].
Исходя из конструктивных особенностей, можно отметить несколько факторов, влияющих, по нашему мнению, на безопасность полетов, связанных с работой основной и аварийной систем выпуска шасси самолёта Як-130. К ним относятся:
- отказ левого двигателя автоматически приводит к отказу ОГС и невозможности выпуска шасси самолёта основным способом;
- отсутствие сигнализации о выпущенном положении створок ниш стоек шасси (не выпуск, неисправность в системе сигнализации) не позволяет автоматике продолжить процесс выпуска всех шасси от гидравлической системы и выпустить основные стойки при аварийном их выпуске;
- не предусмотрена возможность отдельного аварийного выпуска одной из основных стоек шасси;
- большое количество трубопроводов, находящихся под высоким давлением гидравлической и пневматической систем, невозможность по рассмотренным причинам их дублирования способны привести к быстрому отказу в результате механического (боевого) их повреждения.
Для повышения надежности воздушного судна предлагается применение ПГГ, выполняющего роль источника давления в системе аварийного выпуска шасси самолёта (рис. 2).
Рисунок 2. Принцип устройства пирогидравлического генератора: 1. Трубопровод; 2. Корпус; 3. Поршень; 4. Пирозаряд. А. Гидравлическая полость; Б. Азотная полость
ПГГ состоит из трубопровода (1) подвода гидрожидкости к потребителям, корпуса (2), внутри которого располагается поршень (3), (А) – гидравлическая полость (ГП) и (Б) – азотная полость, а также пирозаряда (4).
При конструировании корпуса ПГГ могут быть использованы характеристики гидроаккумулятора, входящего в состав ОГС самолёта Як-130, так как данный гидроаккумулятор рассчитан на воздействие давления, создаваемого в ОГС.
Предполагается, что давление от пирозаряда будет достаточным для функционирования системы и не превысит максимальных значений, создаваемых в процессе работы ОГС. Методика подбора пирозаряда для ПГГ требует отдельного изучения и в данном исследовании не рассматривается.
Объем гидравлической жидкости в ПГГ должен соответствовать необходимому для обеспечения работы гидроцилиндров, участвующих в выпуске стойки шасси, с учетом 10% запаса жидкости и рассчитывается по формуле:
, (1)
где VГП – гидравлическая полость ПГГ;
VСШ – объем полости выпуска цилиндра стойки шасси;
VСТВ – объем полости выпуска цилиндра створок стойки шасси;
VЗАМ – объем полости цилиндра открытия замка убранного положения стойки шасси;
VТР – объем трубопроводов.
Для компенсации теплового расширения жидкости в ПГГ, при изменении температуры окружающего воздуха в диапазоне –60 … +60°С, предусмотрена газовая полость, заполненная азотом, объем которой рассчитывается по формуле:
, (2)
где VГКП – газовая компенсационная полость;
VГП – гидравлическая полость ПГГ;
VТР – объем трубопроводов;
βt – коэффициент объемного теплового расширения;
Δt – температурный диапазон.
Трубопроводы подвода гидравлической жидкости от ПГГ к потребителям аналогичны трубопроводам, применяемым в гидросистемах воздушного судна.
С целью автономности аварийного выпуска предполагается использовать для каждой стойки шасси отдельный ПГГ с установкой его в соответствующую нишу, в непосредственной близости от гидроцилиндров. Тем самым значительно уменьшается количество и протяженность необходимых трубопроводов.
Кроме того, предлагаемая конструкция допускает возможность аварийного выпуска как всех стоек шасси, так и любой стойки в отдельности. Для этого в кабине самолёта размещается пульт аварийного выпуска шасси (рис. 3).
Рисунок 3. Пульт аварийного выпуска шасси
Установкой галетного переключателя задается режим работы, затем нажатием кнопки подается напряжение на все или на выбранный пирозаряд системы аварийного выпуска.
Для функционирования системы необходимо применение переключающего клапана (ПК) (рис. 4), который перекроет магистраль ОГС и откроет подачу жидкости от ПГГ к цилиндрам выпуска шасси при отсутствии давления в ОГС.
Рисунок 4. Принцип устройства переключающего клапана: 1. Поршень; 2. Корпус; 3. Пружина. а) Работа от ОГС; б) Работа от ПГГ
Поршень ПК при отсутствии давления в ОГС под действием усилия пружины и не активированном ПГГ находится в крайнем левом положении (рис. 4а). Сообщение между магистралями ОГС и ПГГ отсутствует. Наличие давления в ОГС создает дополнительное усилие на поршень ПК, тем самым обеспечивая условия для штатной работы системы уборки и выпуска шасси.
При отказе ОГС и срабатывании пирозаряда ПГГ давление жидкости сдвигает поршень ПК вправо, открывая ее подачу к гидроцилиндрам – выполняется аварийный выпуск шасси (рис. 4б).
Для демонстрации работы аварийного выпуска шасси от ПГГ нами определена передняя стойка шасси самолёта Як-130.
На рисунке 5 показана принципиальная схема работы предлагаемой системы.
Рисунок 5. Принципиальная схема работы системы выпуска передней стойки шасси от пирогидравлического генератора
В представленной схеме устанавливаются: пирогидравлический генератор (ПГГ), два переключающих клапана (ПК1, ПК2) и дроссель (Др).
Необходимость двух ПК обусловлена особенностью работы системы выпуска передней шасси самолёта (рис. 1), где гидравлическая жидкость под давлением подводится к цилиндру замка стойки и цилиндру створок при срабатывании электрогидравлического распределителя Р3 по одной магистрали, а к цилиндру выпуска передней стойки при срабатывании электрогидравлического распределителя Р1 по другой магистрали.
Применение дросселя (Др) обеспечивает некоторое замедление и поступление гидравлической жидкости на выпуск стойки после открытия замка убранного положения и открытия створок.
Рассмотрим работу предлагаемой схемы аварийного выпуска передней стойки шасси.
При установке переключателя в кабине самолёта в положение «ПЕР» и нажатии кнопки (рис. 3) происходит срабатывание пирозаряда (рис. 5), гидравлическая жидкость под давлением поступает в переключающий клапан ПК1, перекрывает магистраль ОГС и приводит в действие гидроцилиндры открытия замка убранного положения стойки и открытия створок ниши. Одновременно гидравлическая жидкость с замедлением через дроссель, переключающий клапан ПК2, приводит в действие цилиндр выпуска передней стойки шасси. Стойка шасси выпускается.
Индикация положения стойки осуществляется работой штатной системы сигнализации и не требует дополнительных элементов.
Учитывая принципиальную схожесть устройства и принципа работы всех стоек шасси самолёта Як-130, можно утверждать, что расчет характеристик агрегатов и алгоритм работы системы аварийного выпуска основных стоек от ПГГ будет осуществляться аналогичным образом.
Результаты
Основными результатами проведенного исследования по использованию пирогидравлического генератора в системе аварийного выпуска шасси являются:
- на основании анализа определено воздушное судно как пример возможного внедрения предлагаемой схемы аварийного выпуска шасси;
- представлена авторская разработка ПГГ с расчетами основных характеристик агрегата и обоснована необходимость дополнительного оборудования для функционирования системы;
- показан принцип устройства и работы аварийного выпуска шасси летательного аппарата с использованием источника энергии в виде ПГГ;
- автономность предлагаемой схемы позволяет произвести выпуск шасси самолёта при отказе левого двигателя, поломке (повреждения) агрегатов, цепей управления, входящих в состав систем основного или аварийного выпуска;
- в авторской разработке заложена возможность аварийного выпуска как всех стоек шасси воздушного судна, так и каждой стойки в отдельности;
- расположение ПГГ в каждой нише шасси, в непосредственной близости от гидроцилиндров выпуска шасси и их створок подразумевает небольшое количество трубопроводов, необходимых для обеспечения работы системы, и, как следствие, повышение живучести летательного аппарата при ведении боевых действий;
- размещение дополнительного оборудования, входящего в состав авторской разработки, не требует существенного изменения конструкции летательного аппарата и не способно оказывать влияние на его летные характеристики.
Исходя из схемы функционирования основной и аварийной систем выпуска шасси самолёта Як-130, которая принципиально схожа с соответствующими системами современных истребителей, предлагаемая авторами конструкция способна заменить существующую аварийную систему или использоваться как дополнительная при условии ее применения перед аварийной пневмосистемой.
К некоторым недостаткам предлагаемого способа аварийного выпуска шасси можно отнести увеличение объема работ в процессе технического обслуживания системы и восстановления работоспособности после ее применения.
Заключение
Полученные результаты исследования позволяют сделать положительное заключение о целесообразности и возможности применения ПГГ в системе аварийного выпуска шасси самолёта.
Предлагаемое конструктивное решение устраняет выявленные противоречия между необходимостью использования дополнительных систем выпуска шасси воздушного судна и затруднениями, связанными с усложнением конструкции, увеличением массы самолёта, а также с размещением необходимого оборудования внутри фюзеляжа.
Небольшое количество агрегатов, входящее в состав представленной системы, расположение их вблизи основных потребителей, предусмотренная автономность работы каждой стойки самолёта повышают надежность системы выпуска шасси в процессе повседневной эксплуатации и при возможных повреждениях, в том числе боевых.
Внедрение системы выпуска шасси с использованием ПГГ, ее техническое обслуживание требуют определенных материальных затрат, которые можно считать оправданными в случае возникновения аварийной ситуации и безопасной посадки воздушного судна.
Таким образом, предлагаемая система с использованием пирогидравлического генератора может рассматриваться как самостоятельная или дополнительная аварийная система выпуска шасси самолёта, применение которой способно повлиять на повышение надежности авиационной техники в целом.
1 Житомирский Г. И. Конструкция самолётов: учебник для студентов вузов. 6-е изд., испр. М.: Инновационное машиностроение, 2021. 416 с.
2 Егер С. М. Основы авиационной техники: учебник / С. М. Егер, А. М. Матвеенко, И. А. Шаталов. Под ред. И. А. Шаталова. М.: Машиностроение, 2003. 720 с.
3 Подружин Е. Г. Конструкция и проектирование летательных аппаратов. Шасси: учеб. пособие / Е. Г. Подружин, В. М. Степанов. 2-е изд. Новосибирск: Изд-во НГТУ, 2020. 68 с.
4 Захаров А. С. Авиационное гидравлическое оборудование: учеб. пособие / А. С. Захаров, В. И. Сабельников. Новосибирск: Изд-во НГТУ, 2017. 406 c.
5 Трубачев И.В. Конструкция и летная эксплуатация боевого воздушного судна (самолёт МиГ-29): учебное пособие / И. В. Трубачев, В. В. Трубачев. Краснодар: КВВАУЛ, 2018. 141 с.
6 Мирошников И. И. Особенности практической аэродинамики самолётов семейства Су-27: учебное пособие / И. И. Мирошников, Ю. В. Семянив, С. А. Прошкин. Краснодар: КВВАУЛ, 2022. 267 с.
7 Руководство по лётной эксплуатации самолёта Як-130. Книга 1. М.: ОАО «ОКБ им. А. С. Яковлева», 2013. 368 с.
8 Пенно А. Ф. Конструкция и лётная эксплуатация воздушного судна. Самолёт Як-130: учебное пособие / А. Ф. Пенно, Ю. П. Беловодский, А. М. Клименко. Краснодар: КВВАУЛ, 2023. 267 с.
9 Трубачев И. В. Конструкция и лётная эксплуатация боевого воздушного судна (самолёт МиГ-29): учебное пособие / И. В. Трубачев, В. В. Трубачев. Краснодар: КВВАУЛ, 2018. 141 с.
10 Руководство по лётной эксплуатации самолёта Су-30СМ. Книга 3. Том 1. М.: ОАО «ОКБ им. Сухого», 2012. 530 с.
11 Пенно А. Ф. Конструкция и лётная эксплуатация воздушного судна. Самолёт Як-130: учебное пособие / А. Ф. Пенно, Ю. П. Беловодский, А. М. Клименко. Краснодар: КВВАУЛ, 2023. 267 с.
12 Руководство по лётной эксплуатации самолёта Як-130. Книга 1. М.: ОАО «ОКБ им. А. С. Яковлева», 2013. 368 с.
Авторлар туралы
Anatoly Penno
Hero of the Soviet Union Serov Krasnodar Air Force Institute for Pilots
Хат алмасуға жауапты Автор.
Email: anpenno@mail.ru
ORCID iD: 0009-0006-4514-2848
Candidate of Pedagogic Sciences
Ресей, 135, Dzierżyński St., Krasnodar, 350090Yury Belovodsky
Hero of the Soviet Union Serov Krasnodar Air Force Institute for Pilots
Email: yury_belovodsky@mail.ru
ORCID iD: 0009-0001-3777-7900
Candidate of Technical Sciences, Associate Professor
Ресей, 135, Dzierżyński St., Krasnodar, 350090Әдебиет тізімі
- Aircraft chassis (2022). Available at: https://ru.ruwiki.ru/wiki/Aircraft chassis# (accessed 19 January 2025). (in Russian).
- Aircraft hydraulic system (2015). Available at: https://avia.pro/blog/gidravlicheskaya-sistema-samoleta (accessed 19 January 2025). (in Russian).
- Akhunov A. R., Nasyrov I. R., Sharipov I. V. (2022) Features of the layout and technological solutions of super-maneuverable combat aircraft. In the collection: Young researcher: Challenges and prospects. collection of articles based on the materials of the CCXLIII international scientific and practical conference. Moscow, pp. 418-421. (in Russian).
- Borodenko V. A., Kolomiets L. V. (1972). Airplane Tu-134. Design and operation. Moscow: Transport. 368 p. (accessed 19 January 2025). (in Russian).
- Byushgens G. S., Sukhanov V. L. (2018). The look of a modern fighter. Scientific notes of TsAGI. 49(4): 38-51. (in Russian).
- Currey N. S. (1988). Aircraft Landing Gear Design: Principles and Practice. Washington: AIAA Education Series, 1988. 373 p.
- Dmitrenko A. Yu. (2023). Methodological features of training flight crews to act in special situations in flight during aircraft failures. Humanitarian scientific journal. 4-1: 28-36. (in Russian).
- Five generations of Sukhoi (2019). Available at: https://rostec.ru/media/news/pyat-pokoleniy-sukhogo (accessed 19 January 2025). (in Russian).
- Frolov G. K., Godovets V. K. (2023). Modern circuit solutions for emergency landing gear retraction drives. Youth Bulletin of UGATU. 28(2): 132-138. (in Russian).
- Kondrashov N. A. (1991). Design of retractable landing gear for aircraft. Moscow: Mashinostroenie, 1991. 224 p. (in Russian).
- Kupriyanov N. A., Proshkin S. A., Solodovnik P. D. (2022). Problems of studying the flight manual when developing the knowledge and skills of fighter aviation cadets on actions in special cases in flight. Crede Experto: transport, society, education, language. 1: 37-51. (in Russian).
- Kuzmin Yu. V. (2021). History of the creation of retractable landing gear. Available at: https://cyberleninka.ru/article/n/istoriya-sozdaniya-ubirayuschegosya-shassi (accessed 19 January 2025). (in Russian).
- Patent No. 2729924 C2 Russian Federation, IPC B64C 27/04, B64D 41/00, F02C 7/272. Auxiliary drive system for the helicopter propulsion system shaft: No. 2018139099: application. 04/24/2017: publ. 08/13/2020 / R. Thirie, K. Sergin, G. Demaison; applicant SAFRAN HELICOPTER ENGINES. – EDN YSUTUP.
- Patent No. 2780009 C1 Russian Federation, IPC B64C 25/22, B64C 25/30. emergency landing gear extension drive: No. 2022101851: app. 01/27/2022: publ. 09.19.2022 / R. R. Kalimullin, N. A. Polyakov, G. K. Frolov, V. A. Tselishchev; applicant: Federal State Budgetary Educational Institution of Higher Education "Ufa State Aviation Technical University". EDN WKWJEX. (in Russian).
- Penno A. F. (2024). Application of powder charges in the emergency release system of an aircraft landing gear. Crede Experto: transport, society, education, language. 3: 117-133. (in Russian).
- Penno A. F., Belovodsky Yu. P. (2022). Some proposals for increasing the reliability of the hydraulic system of an aircraft. Interuniversity collection of scientific papers. Digest of articles. 26: 65-71. (in Russian).
- Shestakov S. A., Zemskov V. A., Vinogradov A. A., Natolochny D. I. (2019). Folding rudder of an aircraft with a pyrohydraulic deployment system. XLIII Academic Readings on Cosmonautics: Collection of theses on cosmonautics, dedicated to the memory of academician S.P. Korolev and other outstanding domestic scientists - pioneers of space exploration. In 2 volumes, Moscow, January 29 – 01. Volume 2. – Moscow: MSTU im. N.E. Bauman, 2019. pp. 251-253. (in Russian).
- The best military aircraft in the world: top 10 modern combat fighters. Available at: https://poletomania.ru/stati/o-vozdukhoplavanii/samye-luchshie-voennye-samolety-v-mire (accessed 19 January 2025). (in Russian).
- Zhang W. G., Lin. G. (2014). Analysis of Aircraft Hydraulic System Failures. Engineering Advanced Materials Research. 989-994. 2947-2950. doi: 10.4028/ href='WWW.SCIENTIFIC.NET/AMR.989-994.2947' target='_blank'>WWW.SCIENTIFIC.NET/AMR.989-994.2947. (in Russian).
- Zhitomirsky G. I. (2005). Aircraft design. Moscow: Mashinostroenie, 2005. 406 p. (in Russian).
Қосымша файлдар






