Theoretical justification of the choice of the speed mode during the driving test express diagnostics of transmission units
- Autores: Leliovsky K.Y.1
-
Afiliações:
- Nizhny Novgorod State Technical University named after R. E. Alekseev
- Edição: Nº 6 (2023)
- Páginas: 92-106
- Seção: Transport
- URL: https://ogarev-online.ru/2077-7175/article/view/287411
- DOI: https://doi.org/10.25198/2077-7175-2023-6-92
- ID: 287411
Citar
Texto integral
Resumo
The relevance of the study is determined by the need to solve the problem of operational management of the current technical condition of the rolling stock. Based on this, technical diagnostics activities become important because they allow you to quickly identify the current technical condition of the vehicle in question. At the same time, it is important, even at the stage of planning diagnostic measures, to choose such operational modes of movement along the test section that would ensure the best information content of the test runs. The theoretical substantiation of the choice of speed modes of arrivals of the studied vehicles along the test section of the road during express diagnostics was the purpose of this work. Research methods: analytical mechanics, differential methods, matrix calculus methods, mathematical numerical methods. The main results are in the proposal of a dynamic model of the vehicle transmission, which takes into account the disturbing effects from the engine and from the support base of the test section, where diagnostic runs are carried out. The amplitude-frequency characteristics of vibration accelerations of the vehicle body are calculated when it moves at given speeds along the simulated test diagnostic section. The practical significance of the study is confirmed by the results of the analysis of the obtained graphs, during which a conclusion was made about the most vibration-dangerous frequency ranges. This is important, since vibrations that occur at certain frequencies, which are directly dependent on the speed of movement, as a rule, cause the most intense responses in specific components and parts of transmission units. Further research is related to the theoretical substantiation of the choice of rational ranges of speed modes of the studied vehicles on the test diagnostic section of the support base, taking into account the characteristics and features of its surfaces. The results of the work are aimed at improving the system of maintenance and repair of the rolling stock of motor vehicles, namely, its diagnosis to determine the presence and degree of development of operational defects and damage, as well as the current technical condition of the transmission units.
Palavras-chave
Texto integral
Введение
Поддержание автотранспортной техники в постоянной оперативной готовности, связанное с управлением их параметрами технического состояния, является сложной и актуальной задачей. В ходе эксплуатации автотранспортная техника может быть ограничена по «живучести», при отсутствии каких-либо ограничений по проходимости. Это может явиться причиной полной, невозвратной потери транспортного средства в силу его сохранения на месте отказа. В этой связи значимым является техническое диагностирование, своевременное проведение которого позволит выявить транспортное средство, потеря подвижности по «живучести» которого будет идентифицировано как высоковероятное. Это позволит обосновано не назначать его на выполнение транспортной работы и избежать отказа, который может стать причиной схода с линии и неспособностью дальнейшего выполнения ею транспортной работы. Такое транспортное средство своевременно будет направлено на проведение ремонтно-технологических мероприятий, необходимых для восстановления работоспособности его элементов конструкции, в том числе, агрегатов трансмиссии. Это обуславливает необходимость выбора физических характеристик, позволяющих достоверно определить возникновение и развитие эксплуатационных повреждений в агрегатах трансмиссии с минимальными затратами труда.
В данной статье рассмотрено моделирование возмущающих воздействий на элементы трансмиссии транспортных средств, обусловленных движением по различным дорогам, а также работой двигателя. Известно, что в зависимости от них определённые конкретные агрегаты и узлы трансмиссии вибрационно нагружаются в большей степени, в то время, как остальные – в меньшей. В силу большого разнообразия опорных оснований, встречающихся в реальных условиях эксплуатации, при проведении расчётов моделируется движение по специальному тестовому диагностическому участку дороги изменяющегося известным образом микропрофиля, параметры которого заданы. Подбором скорости движения исследуемого транспортного средства при моделировании его движения по данному участку, научно обосновываются наиболее виброопасные эксплуатационные режимы для различных агрегатов трансмиссии. Цель работы – разработать теоретические основания для корректного подбора скоростного режима движения по тестовому диагностическому участку посредством составления комплексной динамической модели, обеспечивающей возможность выявления параметров колебаний силового агрегата, учитывая крутильные колебания в трансмиссии и возмущающие воздействия со стороны микропрофиля [1–3; 5–7]1.
Обзор и анализ литературы
В работах [3; 4; 11; 12; 19] авторы анализируют динамику механических агрегатов, работающих совместно с двигателями внутреннего сгорания, в том числе в составе трансмиссий транспортных средств. Предлагаются и рассчитываются физические, математические и имитационные модели машинных агрегатов. Их применение позиционируется авторами, в основном, для проработки вопросов, связанных с проектированием транспортных средств. Для цели, обозначенной в данной статье, авторы указанных источников предлагаемые ими динамические модели не позиционируют.
Рассмотрены работы аналогичной тематики [2; 7; 8; 9; 13; 17; 18; 20], в которых рассмотрено движение транспортно-технологических машин во взаимодействии их с опорным основанием. Рассматриваются вопросы вибродиагностики отказов и неисправностей механических коробок передач на основе динамических моделей их функциональных элементов с учетом возмущающих воздействий от перемещения по опорному основанию. Однако вопросам, связанным с разработкой теоретических оснований для корректного подбора скоростного режима движения по тестовому диагностическому участку, внимания не уделено.
В работах [1; 5; 6; 10; 15; 19] рассматриваются теоретические основы изучения динамических систем, подбора их параметров, а также математические описания. Вопросы практического приложения авторы данных статей подробно не рассматривают.
В проанализированных источниках [1–22] напрямую не рассматриваются вопросы оперативного управления техническим состоянием транспортных средств: разработки теоретических основ выбора рациональных диапазонов скоростных режимов движения исследуемых транспортных средств на тестовом диагностическом участке дороги с учётом характеристик и особенностей его поверхностей, что обуславливает актуальность проводимого исследования. На основании обзора и анализа использованных источников были сформулированы его актуальность и цель.
Составление эквивалентной динамической модели
В ходе создания модели динамики трансмиссии объектов исследования вводим следующие базовые допущения:
- массы элементов конструкции транспортного средства полагаем сосредоточенными в центрах их инерции;
- валы, обладающие упругими свойствами, представляются в виде упругих в угловом направлении стержневых звеньев, условно не обладающих собственной массой;
- элементы, характеризующиеся неупругими сопротивлениями, представляются сопротивлениями условных сосредоточенных фрикционных муфт;
- крутящие моменты в динамических звеньях с упругими связями ограничиваются максимальным моментом трения муфты сцепления и пределом по условию сцепления колес с опорным основанием.
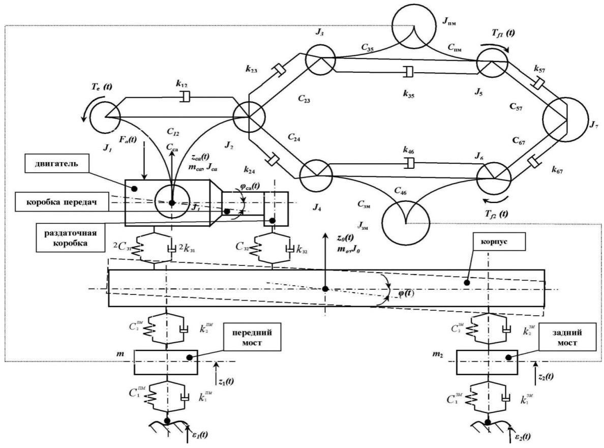
В приведённой модели элементы конструкции корпуса и шасси представлены сосредоточенной инерционной подрессоренной массой mc. При моделировании заменяем её на многомассовую эквивалентную динамическую систему, приведённую на рисунке 1.
Рисунок 1. Эквивалентная комплексная динамическая модель транспортно-технологического средства с колёсной формулой 4×4 для расчёта вертикальных, продольно – угловых, крутильных колебаний трансмиссии, а также пространственных колебаний силового агрегата при движении по различному опорному основанию
Источник: разработано автором на основе [13]
При этом целесообразно объединить массы правых и левых колёс ведущих мостов, а также жёсткости их полуосей ввиду практически полного их подобия при установившемся движении по однородному опорному основанию. Условные сосредоточенные фрикционные муфты введены как элементы, характеризующие пределы жёсткости по условию сцепления правого и левого задних колес с опорным основанием, исключаются из рассмотрения потому, что при движении по дороге без отрыва их пробуксовка незначительна даже при разгрузке моста. В модели вводятся условные демпфирующие элементы, учитывающие рассеивание энергии в трансмиссии (неконсервативной динамической системе), связанное с относительным перемещением её масс: m0, m1, m2, mса – массы корпуса (кузова), переднего, заднего моста в сборе с колесами, силового агрегата соответственно;
z0(t), z1(t), z2(t), zса(t) – линейные перемещения корпуса (кузова), переднего моста, заднего моста, силового агрегата;
– жесткости передних и задних колёс, передних и задних подвесок машины, опор силового агрегата;
– коэффициенты демпфирования передних и задних колёс, передних и задних подвесок машины, опор силового агрегата;
– угловые перемещения (колебания) корпуса (кузова) и силового агрегата;
С12, С23, С24, С46, С57, С67 – крутильные жёсткости силового агрегата, переднего и заднего карданных валов, переднего и заднего моста, полуосей переднего и заднего моста, тангенциальные жёсткости шин;
k12, k23, k24, k35, k46, k57, k67 – коэффициенты неупругого сопротивления силового агрегата, переднего и заднего карданных валов, полуосей переднего и заднего моста, тангенциальные податливости шин;
Сса, СПМ, СЗМ – жёсткости опор силового агрегата, а также упругих элементов передней и задней подвески на скручивание;
ε1(t), ε2(t) – возмущающие силы, действующие со стороны опорного основания;
Fa(t) – внешняя инерционная сила, действующая на силовой агрегат;
Te(t) – крутящий (возмущающий) момент, действующий со стороны двигателя;
Tf1(t), Tf2(t) – моменты сопротивления качению колёс (возмущающие моменты), действующие со стороны дороги;
l1, l2, l3, l4, l5, l6, l7 – геометрические параметры эквивалентной динамической модели (объекта исследования).
В качестве объектов исследования выбраны транспортно-технологические средства (ТТС) 3007 «Кержак» и 3910 «Ункор». Приведем технические параметры, указанные на схеме, характерные для данных транспортных средств (таблица 1). Коэффициенты жесткости, демпфирования (неупругого сопротивления), конструкционных элементов, их моменты инерции определяются в ходе специализированных экспериментальных исследований и выбираются при моделировании в качестве исходных данных. Они приведены в источнике [15].
Таблица 1. Геометрические параметры объектов исследования для модели
Наименование | l1, м | l2, м | l3, м | l4, м | l5, м | l6, м | l7, м |
ТТС 3007 | 1,725 | 1,725 | 2,150 | 0,250 | 0,155 | 1,525 | 0,050 |
ТТС 3910 | 1,350 | 1,350 | 1,420 | 0,182 | 0,075 | 0,653 | 0,120 |
Источник: разработано автором
Запишем общее уравнение аналитической механики для эквивалентной комплексной динамической модели транспортного средства с колёсной формулой 4×4, приведённой на рисунке 1. Исходя из особенностей построения данной системы, а также их соответствия положениям теоретической механики, составим его в дифференциальной форме Даламбера – Эйлера. На основании принятых ранее допущений полагаем исследуемую систему квазиконсервативной, т. е. практически полностью соответствующей теореме о сохранении полной механической энергии [4; 8–12]2. В таком случае мы имеем возможность записать её энергетический баланс на основе принципа Гамильтона:
, (1)
где
Т – кинетическая энергия рассматриваемой динамической системы,
П – потенциальная энергия рассматриваемой динамической системы,
(t0, t1) – временной отрезок рассмотрения динамики системы (интегрирования).
Для рассматриваемой динамической модели составим выражения для кинетической и потенциальной энергий, а также функции Рэлея:
Кинетическая энергия системы:
(2)
Потенциальная энергия системы:
(3)
Диссипативная функция Рэлея:
(4)
На основании записанных нами выражений энергий исследуемой динамической системы составим общее уравнение аналитической механики в форме Лагранжа второго рода. В качестве обобщённых координат выбираем элементарные угловые перемещения φi динамических звеньев системы относительно собственных осей.
. (5)
Для рассматриваемой системы оно запишется следующим образом:
(6)
.
Вычисление характеристик составленной модели
Поскольку мы имеем дело с диссипативной динамической колебательной системой с конечным числом степеней свободы, то для упрощения решения системы дифференциальных уравнений необходимо записать её в матричной форме [11; 14; 16–19; 22]. Представление системы дифференциальных уравнений (6) в матричной форме (7) также упрощает её решение. Используем для этого преобразование Лапласа. При этом применим прямое преобразование к каждому члену системы уравнений, рассматриваемому как функция действительной переменной. Получим систему алгебраических уравнений для изображений членов системы уравнений (6). Для корректности применения преобразования Лапласа введём следующие допущения:
- силовой агрегат и кузов транспортного средства являются абсолютно твёрдыми телами с массами, сосредоточенными в центрах инерции;
- эквивалентная колебательная система является линейной;
- рассматриваются колебания транспортного средства в продольной и вертикальной плоскости, а также крутильные колебания в трансмиссии;
- колебания правого и левого борта машины протекают одинаково.
(7)
где
xi – вектор – столбец линейных перемещений и угловых колебаний инерционных масс,
М – матрица инерционных коэффициентов элементов системы,
С – матрица коэффициентов линейной и угловой жёсткости,
К – матрица коэффициентов демпфирования,
Q(t) – вектор – столбец возмущающих сил и моментов.
(8)
(9)
здесь – возмущающее воздействие на задние колеса со стороны дороги;
– интервал времени, требующийся для проезда неровности опорной поверхности автотранспортным средством,
где
l1 – расстояние от центра масс до передней оси,
l2 – расстояние от центра масс до задней оси,
Va – скорость движения машины.
Полученная система алгебраических уравнений решается относительно изображений искомых функций комплексной переменной. Введём следующие обозначения связей, формируемых с помощью преобразования Лапласа:
(10)
где
s = u + jw – значение комплексной переменной Лапласа.
При определении реакции системы на единичный импульс, (преодоление машиной единичной неровности), т. е. передаточной функции, её начальное состояние для перемещения и скоростей выбирается в момент времени t = 0 ( и f (0) = 0). Согласно правилу 2 первой теоремы смещения преобразования Лапласа рассматриваемая реакция системы запишется в виде:
(11)
Система дифференциальных уравнений, представленная в матричном виде (7) после преобразования Лапласа, запишется в следующем виде:
(12)
Из уравнения (12) можно алгебраически выразить амплитудно-частотную характеристику колебательной системы, рассматриваемой на рисунке 1.
, (13)
где
W(jω) – амплитудно-частотная характеристика колебательной системы,
– вектор – строка, определяющий характер возмущения системы,
G – вектор – столбец, определяющий характер возмущения системы.
(14)
Выполненные преобразования Лапласа (10) – (12) будут применимы для любого динамического звена эквивалентной модели колебательной системы ТТС, рассмотренной в работах [15; 20]. Можно выбирать любое из них для последующего вычисления амплитудно-частотной характеристики колебательного процесса (вертикальное ускорение какой-либо точки кузова, колебания агрегатов трансмиссии относительно кузова и т. п.). В зависимости от особенностей выбора и характеристик выбранного динамического звена будет изменяться характер и вид амплитудно-частотной характеристики W(jω).
Вычислим средние квадратические значения виброускорений силового агрегата ТТС с колесной формулой 4×4 при возмущающем воздействии на неё случайных неровностей микропрофиля некоторых типов опорного основания в процессе его движения. Наиболее удобно провести указанные вычисления в программной среде MathLAB. Для упрощения их восприятия приведём на рисунке 2 блок-схему алгоритма определения средних квадратических значений виброускорений силового агрегата, реализуемого в среде MathLAB.
Рисунок 2. Блок-схема вычисления средних квадратических значений виброускорения при случайном возмущающем воздействии со стороны дороги и двигателя
Источник: разработано автором
Спектральные плотности колебаний силового агрегата при проведении расчетов посредством реализации блок-схемы вычисляются по следующим формулам:
, (15)
. (16)
Средние квадратические значения виброускорений вычисляются по следующей формуле:
. (17)
При приложении к различным входам системы нескольких случайных возмущающих сигналов, носящих стационарный характер, спектральная плотность сигнала на выходе вычислится:
, (18)
где
n – количество входов возмущающего воздействия.
Спектральную плотность вертикальных колебаний силового агрегата транспортного средства при воздействии микропрофиля тестового диагностического участка и двигателя вычислим по формуле:
, (19)
где
и – квадраты модуля частотных характеристик воздействия неровностей дороги на передний и задний мост ТТС и на его силовой агрегат;
и – квадраты модуля частотных характеристик воздействия крутящего момента и сил инерции на силовой агрегат;
и – квадраты модуля частотных характеристик воздействия моментов сопротивления движению на передний и задний мост ТТС и на его силовой агрегат;
и – спектральные плотности колебаний переднего и заднего мостов;
и – спектральные плотности колебаний, связанных с крутящим моментом, генерируемым двигателем и силами инерции, действующими на двигатель;
и – спектральные плотности колебаний, связанных с воздействием моментов сопротивления движению дороги на передний и задний мост ТТС.
На основании блок-схемы, представленной на рисунке 2, в программной среде MathLAB составим алгоритм вычисления спектральных характеристик виброускорений силового агрегата ТТС при моделировании их движения по грунтовому, а также по крупнобулыжному дорожному основанию тестового диагностического участка, и проведем расчетно–теоретическое экспериментальное исследование. Тип опорного основания при моделировании выбирается как наиболее часто встречающийся в рассматриваемых районах эксплуатации (Сибирь, Дальний Восток).
Результаты и выводы
На рисунке 3 приведены примеры результатов выполненных в программной среде MathLAB вычислений спектральных плотностей виброускорений силового агрегата ТТС, при моделировании их движения по грунтовому и крупнобулыжному дорожному основанию тестового диагностического участка.
Рисунок 3. Графики зависимости спектральных плотностей виброускорений силового агрегата ТТС 3007 «Кержак» от скорости его движения, рассчитанные для разных случаев движения: а) на 1-й ступени в трансмиссии по разбитой грунтовой дороге, б) на 2-й ступени в трансмиссии по разбитой грунтовой дороге, в) на 3-й ступени в трансмиссии на крупнобулыжном участке дороги, г) на 4-й ступени в трансмиссии на твёрдом грунтовом участке дороги
Источник: разработано автором
В частности, представлены графики расчетных спектральных плотностей виброускорений, вычисленные при моделировании движения ТТС «Кержак» со скоростями 20 км/ч на 1-й, 2-й ступенях в трансмиссии и 4-й ступени на скорости 40 км/ч – по грунтовому дорожному основанию тестового диагностического участка, а также на 3-й ступени на скорости 40 км/ч – по крупнобулыжному дорожному основанию тестового участка. Данные тестовые диагностические режимы движения представляются предпочтительными в плане информативности при проведении экспресс-диагностики агрегатов трансмиссии по характеристикам их вибрационной нагруженности в ходе эксплуатации. Анализ полученных графиков удобнее провести в табличной форме. Из таблицы 2 видно, что расчетные величины виброускорений колебаний силового агрегата ТТС при моделировании их движения по грунтовому и крупнобулыжному дорожному основанию тестового диагностического участка со скоростью 20 км/ч на 1-й и 2-й ступенях в трансмиссии, главным образом, обусловлены воздействиями со стороны микропрофиля тестового диагностического участка, чем крутильными колебаниями в трансмиссии (их доля менее 1%).
Таблица 2. Влияние неровностей дороги и работающего двигателя на колебания силового агрегата ТТС
Значения виброускорений силового агрегата | ||||||
Вертикальных | Продольно – угловых | |||||
неровности дороги | силы инерции | крутящий момент | неровности дороги | силы инерции | крутящий момент | |
Движение на 2-й передаче по разбитой грунтовой дороге | ≈77% | ≈22% | ≈1% | ≈97% | ≈2% | ≈1% |
Движение на 3-й передаче на крупнобулыжном участке дороге | ≈70% | ≈29% | ≈1% | ≈96% | ≈3% | ≈1% |
Движение на 4-й передаче на участке с твердым грунтовым покрытием | ≈16% | ≈83% | ≈1% | ≈60% | ≈39% | ≈1% |
Источник: разработано автором
Влияние воздействий со стороны дороги достигло 77% при моделировании движения на 2-й передаче по разбитой грунтовой дороге и 70% – на 3-й передаче на крупнобулыжном участке. При моделировании движения на 4-й передаче на твёрдом грунтовом участке дороги наибольшее влияние оказывали инерционные силы в трансмиссии (до 83%). В двух предыдущих случаях их доля составляет 29% и 22% соответственно.
Анализ графиков, приведенных на рисунке 3, даёт возможность разделить частотную область данных спектральных характеристик на пять диапазонов. В каждом из них наблюдаются всплески спектральных плотностей виброускорений, обусловленные влиянием динамики элементов конструкции объектов исследования при их движении по различному опорному основанию с различными скоростями:
- в диапазоне № 1 (f1 = 0 – 1 Гц) повышение амплитуд спектральной плотности виброускорений силового агрегата исследуемых ТТС объясняется резонансными явлениями в подвеске. В блок-схеме (рисунок 2) и формуле (16) оно выражается в возрастании величин её передаточной функции. Это означает то, что при данных режимах движения подрессоренная масса ТТС над задним мостом интенсивно раскачивается;
- в диапазоне № 2 (f2 = 1 – 4 Гц) увеличение амплитуд спектральной плотности виброускорений силового агрегата можно объяснить резонансными явлениями, связанными с воздействием микропрофиля дороги, увеличивающимся при повышении скоростей движения по любому из выбранных опорных оснований;
- в диапазоне № 3 (f3 = 4 – 8 Гц) увеличение амплитуд спектральной плотности виброускорений силового агрегата объясняется резонансными явлениями, в вертикальных и продольно-угловых направлениях его самого на собственных частотах;
- в диапазоне № 4 (f4 = 8 – 20 Гц) увеличение амплитуд спектральной плотности виброускорений силового агрегата не отмечается. Известно, что в данном диапазоне находится собственная частота вертикальных колебаний коробки передач и раздаточной коробки объектов исследования. Однако, исходя из характера полученных расчетных графических зависимостей, можно сделать вывод о том, что в указанном частотном отрезке амплитудных резонансных явлений не наблюдается при любой скорости движения по любому из выбранных опорных оснований;
- в диапазоне № 5 (f5 = 20 – 100 Гц) некоторое повышение амплитуд спектральной плотности виброускорений силового агрегата исследуемых ТТС, особенно с увеличением их скорости движения, связано с резонансными явлениями, обусловленными вращением коленчатого вала двигателя при работе в диапазоне частот 600…6000 мин-1. Следует отметить, что наиболее ярко выраженный амплитудный всплеск наблюдается на рисунке 3, г, что можно объяснить относительно высоким скоростным режимом [20–22].
Заключение
Научная новизна полученных результатов заключается в том, что установлены новые теоретические зависимости, обосновывающие влияние эксплуатационных режимов движения ТТС по различным опорным основаниям на характеристики вибрационных процессов, протекающих в агрегатах их трансмиссии.
Теоретическая ценность для развития отрасли эксплуатации автомобильного транспорта заключается в том, что выявленные закономерности вносят вклад в изучение эффективности управления техническим состоянием и совершенствования оценки их эксплуатационных свойств. А именно, предлагаемая модель обеспечивает возможность теоретически определить наиболее значимые скоростные режимы движения, на которых рациональнее всего проводить заезды по тестовому диагностическому участку, а также то, какие агрегаты и узлы автотранспортного средства подвержены при этом наибольшему вибрационному нагружению. Это позволяет при заездах выбрать такие скорости движения по тестовому участку, которые позволяют в незначительные сроки выявить наличие какого-либо дефекта или повреждения элемента трансмиссии.
1 Вибрации в технике: справочник: в 6-ти т. / ред. совет: В. Н. Челомей (пред., гл. ред.) [и др.]; – М.: Машиностроение, 1981. – Т. 5. Измерения и испытания / под ред. М. Д. Генкина.– 496 с.
2 Вибрации в технике: справочник: в 6-ти т. / ред. совет: В. Н. Челомей (пред., гл. ред.) [и др.]; – М.: Машиностроение, 1981. – Т. 6. Защита от вибрации и ударов / под ред. К. В. Фролова – 456 с.
Sobre autores
Konstantin Leliovsky
Nizhny Novgorod State Technical University named after R. E. Alekseev
Autor responsável pela correspondência
Email: kleliovskiy@mail.ru
ORCID ID: 0000-0003-0962-3303
Scopus Author ID: 57208470566
Candidate of Technical Sciences, Associate Professor of the Department of Construction and Road Machines
Rússia, Nizhny NovgorodBibliografia
- Banach, L. Ya. (1976) [Simplification of calculation schemes of dynamic systems]. Kolebaniya i dinamicheskaya prochnost’ mashin [Vibrations and dynamic strength of machines] Moscow: Science, pp. 77–81. (In Russ.).
- Becker, M. G. (1973) Vvedenie v teoriyusistemmestnost’ – mashina Ch. 1. Mestnost’. Ch. 2. Mashina [Introduction to the theory of terrain – machine systems Part 1. Terrain. Ch. 2. The machine]. Moscow: Mechanical engineering, 520 p.
- Belabenko, D. S, Algin, V. B. (2019) [Simulation of the transient process of a hydromechanical transmission with a block of interacting frictions]. Bulletin of the Belarusian-Russian University [Vestnik Belorussko-Rossiyskogo universiteta]. Vol. 3 (64), pp. 5−14. (In Russ.).
- Vejc, V. L., Kochura, A. E. (1976) Dinamikamashinnyhagregatov s dvigatelyamivnutrennegosgoraniya [Dynamics of machine units with internal combustion engines]. Leningrad: Mechanical engineering, 384 p.
- Vejc, V. L., Kochura, A. E. (1975) [On the mathematical description of holonomic mechanical systems]. Prikladnaya mekhanika [Applied Mechanics]. Vol. 9. No. 11, pp. 23–28. (In Russ.).
- Galevsky, E. A., Spitsyn, A. V. (2005) [An integrated approach to the selection of elements of a dynamic transmission model]. Proyektirovaniye kolesnykh mashin: materialy mezhdunar. simpoz., posvyashch. 175-letiyu MGTU im. N.E. Baumana [Design of wheeled vehicles: materials of inter. symposium dedicated to 175th Anniversary of Bauman Moscow State Technical University]. Moscow: Publishing House of the BMSTU, pp. 150–161. (In Russ.).
- Leliovsky, K. Ya. (2021) [Calculation of the dynamic transmission model of a transport and technological means moving progressively over uneven rough terrain in the circumpolar Arctic regions]. Arktika: innovatsionnyetekhnologii, kadry, turizm [Arctic: innovative technologies, personnel, tourism].Voronezh: Publishing House of the G. F. Morozov VGLTU. pp. 222–230. (In Russ.).
- Leliovsky K. Ya. (2008) Razrabotka metodiki vibroakusticheskoj ocenki nagruzhennosti i defektov korobok peredach kolyosnyh mashin. Kand.Diss. [Development of methods for vibroacoustic assessment of loading and defects of gearboxes of wheeled vehicles.Cand.Diss.]. Nizhny Novgorod, 253 p. (In Russ.).
- Malashkov, I. I., Zel’cer, E. A. (1977) [Investigation of the dependence of the dynamic loads of the car transmission on the schemes of bringing its masses and compliance]. Konstrukcii avtomobilej. Ekspress–informaciya [Constructions of cars. Express information.]. Vol. 8, pp. 29–37. (In Russ.).
- Buharin, N. A. et al. (1974) [Determination of damping coefficients in the transmission of a car]. Avtomobil’naya promyshlennost’ [Automotive industry]. Vol. 11, pp. 30–31. (In Russ.).
- Alekseeva, S. V. et al. (1982) Silovye peredachi transportnyh mashin: dinamika i raschyot [Power transmission of transport vehicles: dynamics and calculation]. Leningrad: Machine buildings, 256 p.
- Taratorkin A. I. (2021) Prognozirovanie I snizhenie dinamicheskoj i vibroakusticheskoj nagruzhennosti energosilovyh blokov kolesnyh I gusenichnyh mashin na osnove sovershenstvovaniy amodal’nyh svojstv [Forecasting and reduction of dynamic and vibroacoustic loading of power units of wheeled and tracked vehicles based on the improvement of modal properties]. Kurgan: Kurgan State University, 200 p.
- Shuplyakov, V. S. (1974) Kolebaniya i nagruzhennost’ transmissii avtomobilya [Fluctuations and loading of the transmission of the car]. Moscow: Transport. 328 p.
- Board, D. B. (1977) Incipient failure detection for helicopter drive trans.AIAA Pap., No. 898, pp. 1–11. (In Eng.).
- Harting, D. R. (1978) Demodulated resonance analysis – аpowerful incipient failure detection technique, ISA Transactions. Vol. 17. No. 1, pp. 35–40. (In Eng.).
- Hodges, T. (2003) Development of refined friction materials. Proceedings of the 5-th International symposium of friction products and materials. Yarofri. Yaroslavl, pp. 203–208. (In Eng.).
- Leliovsky, K. Ya., (2019) Vibration load of transmission units at vehicle’s motion over different roads. IOP Conference Series: Journal of Physics. No. 012053, pp. 4–11. – https://iopscience.iop.org/issue/1742-6596/1177/1/012053/pdf (In Eng.).
- Monk, R. (1979) Machinery health monitoring: Some common defects. J.Noise control vibration, Vol. 10, No. 1, pp. 24–26. (In Eng.).
- Olshevskiy, Alexander et al. (2018) An improved dynamic model of friction draft gear with a transitional characteristic accounting for housing deformation / Hyun-Ik Yang, Chang-Wan Kim. Vehicle System Dynamics: International Journal of Mechanics & Mobility. Vol. 56, iss. 10, pp. 1471–1491. – https://doi.org/10.1080/00423114.2017.1415453 (In Eng.).
- Schell, J. et al. (2006) Three dimensional vibration testing in automotive application utilizing a new non-contact scanning method. SAE 2006 World Congress & Exhibitionhttps://doi.org/10.4271/2006-01-1095 (In Eng.).
- Taratorkin, A. (2020) Improving the Quality of Transmission Shifting Transients Due to Controlling Torque Redistribution. Journal of Vibration Engineering & Technologies. Vol. 8, iss. 3, pp. 431–441. – https://doi.org/10.1007/s42417−019−00183−4. (In Eng.).
- Tseng, J.-G., Wickert, J. A. (1994) On the vibration of bolted plate and flange assemblies. Journal of Vibration and Acoustics. Vol. 116(4), pp. 468–473. – https://doi.org/10.1115/1.2930450 (In Eng.).
Arquivos suplementares




