Modeling of the removal of combustion products in the pipe of a low-rise building as a control object
- Authors: Galitskov K.S.1, Samokhvalov O.V.1, Vtorova L.I.1
-
Affiliations:
- Samara State Technical University
- Issue: Vol 31, No 3 (2023)
- Pages: 6-21
- Section: Information Technology and Communications
- URL: https://ogarev-online.ru/1991-8542/article/view/253763
- DOI: https://doi.org/10.14498/tech.2023.3.1
- ID: 253763
Cite item
Full Text
Abstract
The features of the formation and methods of preventing condensation in the chimney of an apartment low-rise building with an individual decentralized heat supply system are considered. A mathematical model of the technological process of removing flue gases from gas boilers in an apartment building through a collective chimney pipe as a multidimensional control object with distributed parameters, which is understood as a set of thermophysical processes occurring during the removal of combustion products. Numerical simulation of a collective chimney pipe is performed on the example of a three-storey apartment building with gas boilers installed in each apartment as a control object. A method of step-by-step experiments is proposed. At the first stage, the dependences of the distribution of the temperature field inside the chimney during non-stationary operation of boilers and changing ambient temperature are obtained. The phenomenon of condensate occurrence has been confirmed experimentally, and the most characteristic areas subject to its occurrence have been identified. During the second stage of research, it was found that it is most effective and economically feasible to prevent the formation of condensate by using a heating cable in the attic and chimney head sections. It is shown that the change of control actions has an effect on the temperature of adjacent sections of the chimney. The revealed non-stationarity is taken into account by inter-channel connections through the object in the block diagram. It is proved that, in relation to solving the problem of removing combustion products from the chimney, an object with distributed parameters can be represented by a model with concentrated parameters, for which the structure is synthesized and proper operators and operators of inter-channel connections are found in the form of transfer functions with variable parameters. The resulting model is problem-oriented to create a two-dimensional automatic temperature control system on the inner surface of the chimney in order to prevent the formation of condensate in the pipe.
Full Text
Введение
При строительстве новых микрорайонов, возведении отдельно стоящих малоэтажных многоквартирных домов (МКД) и эксплуатации действующего жилого фонда в последнее время все чаще применяются индивидуальные децентрализованные системы теплоснабжения (ИДСТ). Это объясняется существенной экономией по сравнению с центральным отоплением, а также возможностью индивидуального регулирования температурного режима в отапливаемых помещениях [1–5], что доказывает перспективность применения ИДСТ МКД при решении жилищно-коммунальных проблем. Использование газового топлива представляет повышенную опасность, поэтому к газоиспользующему оборудованию предъявляются жесткие требования, одно из которых – эффективное и безопасное удаление продуктов сгорания [6, 7].
При удалении продуктов сгорания от котлов-колонок по индивидуальным или коллективным дымоходам возникают проблемы, связанные с конденсацией водяных паров из дымовых газов. Это объясняется в первую очередь высокой энергоэффективностью большинства используемых настенных котлов, цикличностью их работы и, как следствие, пониженной температурой дымовых газов, поступающих в дымоход. В результате происходит неравномерный прогрев стенок дымовой трубы по высоте и водяные пары, содержащиеся в дымовых газах, при снижении температуры превращаются в конденсат, который при соединении с продуктами сгорания образует агрессивную жидкую среду, что приводит к разрушению стенок дымохода [5].
Исследования технологических особенностей удаления дымовых газов в МКД [6, 7] показывают, что наиболее характерными участками, подверженными образованию конденсата, являются чердак и оголовок трубы дымохода, причем на последнем он возникает чаще.
Существующие инженерные решения, например представленные в [6], позволяют предотвратить возникновение конденсата путем дополнительного утепления дымоходов. Однако данное мероприятие приводит к значительным экономическим затратам и не всегда технически реализуемо ввиду ограниченных размеров существующих дымоходов и невозможности их сужения для обеспечения естественной тяги дымовых газов.
Использование в качестве дополнительного источника тепла греющего кабеля, закрепленного в верхней части трубы дымохода МКД и подключенного к системе электроснабжения, позволяет лишь исключить явление возникновения конденсата, но при этом приводит к дополнительным экономическим расходам на электроэнергию.
Поэтому предлагается обеспечить обогрев внутренней поверхности дымовой трубы отдельно на каждом из рассматриваемых участков [8] путем применения замкнутой системы автоматического управления температурой [9]. Однако отсутствие математической модели, описывающей изменение температурного поля внутри дымохода при нестационарных режимах работы котлов и изменяющейся температуре окружающей среды как объекта управления, является ограничением при синтезе системы автоматического управления, удобной для практической реализации. Решению этого вопроса посвящена данная научная работа.
Постановка задачи
В рамках рассматриваемого исследования под объектом управления (ОУ) будем понимать технологический процесс удаления продуктов сгорания от газовых котлов Кт1 ÷ Кт3 в 3-этажном МКД с индивидуальным децентрализованным отоплением через трубу коллективного дымохода, вдоль оси z которой на наиболее характерных участках оголовка и чердака установлены дополнительные источники тепла, греющие кабели с соответствующими тепловыми мощностями Q1 и Q2 (рис. 1). Дымовые газы, образующиеся от работающих в нестационарных режимах котлов Кт1 ÷ Кт3 и движущиеся со скоростями υдгк1 ÷ υдгк3, поднимаются по оси z трёхслойного цилиндра [10, 11] (см. рис. 1), состоящего из кирпичной кладки 1, минеральной ваты 2 и стальной трубы 3, к выходному отверстию дымохода со скоростью vдг.
Рис. 1. Расчетная схема дымохода: 1 – кирпичная кладка; 2 – теплоизоляция (минеральная вата); 3 – стальная труба, через которую проходят дымовые газы 4; 5 – греющие кабели на участках оголовка и чердака соответственно; 6 – шкаф управления; 7 – бандаж; Кт1, Кт2, Кт3 – котлы на 1-м, 2-м и 3-м этажах соответственно; υдгк1, υдгк2, υдгк3 – скорости дымовых газов на входах в дымоход, формируемые котлами 1, 2 и 3 соответственно; υдг – скорость дымовых газов в дымоходе; D1, D2, D3, D4 – диаметры границ раздела сред и материалов слоев дымохода; A, B, C, E, F – принятые расчетные точки исследования
Поэтому задачей настоящего исследования является разработка математической модели технологического процесса удаления продуктов сгорания через трубу коллективного дымохода в форме операторов, связывающих температуру в двух сечениях (F, E) дымохода с двумя управляющими воздействиями – мощностями Q1 и Q2 греющих кабелей.
В качестве возмущающих воздействий, действующих на объект, приняты температура Тс наружного воздуха (окружающей среды) и тепловые мощности Qк1, Qк2, Qк3 котлов, формируемые режимом «тактования» их работы.
Решение задачи
Поставленная задача технологического процесса удаления продуктов сгорания через трубу дымохода, где состояние ОУ будет определяться температурой внутренней поверхности трубы на характерных участках оголовка и чердака, целесообразно решить последовательно в два этапа. На первом – разработать математическое описание и выполнить исследования изменения температурного поля внутри дымохода при вариации тепловых мощностей и режимов работы котлов-колонок. На втором предлагается провести эксперименты, где регулирование и поддержание требуемой температуры в наиболее характерных сечениях F и E (см. рис. 1) будет обеспечиваться путем дополнительно установленных нагревательных элементов с соответствующими мощностями Q1 и Q2. Для реализации первого этапа процесс удаления продуктов сгорания в трубе дымохода как многомерный объект управления может быть представлен в виде структуры (рис. 2). Здесь выходные координаты обозначены вектором = [TF,TE]T , управляющее воздействие – вектором Ū = [Qк1, Qк2, Qк3 ]T, а возмущение – Tc.
Рис. 2. Обобщенная структура объекта управления
При разработке математической модели введен ряд допущений:
- – на этажах установлены котлы одной марки и мощности;
- – теплопотери через ограждающие конструкции стационарны;
- – в квартирах используются одинаковые конвективно-радиационные отопительные приборы;
- – величина тепловой инерционности отопительного контура квартир идентична;
- – здание имеет единую ограждающую конструкцию и оконное остекление для инфильтрации;
- – при работе котлов на разных мощностях температура дымовых газов постоянна;
- – тепловыми потерями на коротких теплоизолированных участках трубы от дымоотвода каждого из котлов до коллективного дымохода можно пренебречь.
Математическое описание трубы коллективного дымохода многоквартирного дома может быть представлено в виде уравнений термодинамики газовой среды (дымовых газов) и теплопередачи в твердом теле (слоями дымохода) [12–17]:
(1)
Для решения системы уравнений (1) составлены краевые условия с использованием разработанной схемы (рис. 3).
Рис. 3. Схема граничных условий
При определении начальных условий принимается начальный момент времени включения котлов:
(2)
где 1-е и 2-е уравнения – линейная и радиальная скорость движения дымовых газов; 3-е уравнение формирует равенство температур дымовых газов в дымоходе и окружающей среды; уравнение 4 показывает соответствие плотности ρдг начальной плотности при нормальных условиях; 5–7-е уравнения описывают соответствие температур стали Тст, минеральной ваты Тмв и кирпичной кладки дымохода Тк температуре окружающей среды Тс.
В результате граничные условия:
(3)
Исследование объекта управления проводилось в программной среде SolidWorks, в которой на основе математического описания (1) и краевых условий (2), (3) применительно к дымоходу трехэтажного здания была создана вычислительная модель с использованием методик [18, 19], теплофизические и геометрические параметры которой соответствуют реальному дымоходу.
Программа исследования включала в себя следующие этапы.
- Формирование условий создания вычислительной модели дымохода в программной среде SolidWorks:
- а) теплообмен: теплопередача в твердых телах, излучательный теплообмен;
- б) состав дымовых газов: CO2 – углекислый газ, N2 – азот, O2 – кислород, Ar – аргон, H2O – водяной пар;
- в) тип течения газа – турбулентный;
- г) материал слоев дымохода: стенка – кирпич керамический, утеплитель – минеральная вата, труба – сталь AISI 430;
- д) начальные условия газовой среды: температура наружного воздуха в отопительный период = –30 °С; температура на чердаке = –5 °С; температура внутри помещения = 18 °С; атмосферное давление на выходе в самой высокой точке трубы (10 м) = 759,1 мм.рт.ст = 101217,18 Па; температура уходящих дымовых газов от котла = 105 °С; температура точки росы для рассматриваемого газа Пролетарского месторождения 51 °С;
- е) начальные и граничные условия в дымоходе;
- к) параметры расчетной сетки.
- Исследование динамики прогрева дымохода. Задавалось расчетное время вывода дымохода в установившийся температурный режим. Выполнены расчеты и получены данные распределения температуры на внутренней поверхности трубы дымохода по времени при длительной работе наиболее удаленного от оголовка дымохода котла Кт1 для пяти характерных участков.
- Исследования функций отклика температуры в сечениях E и F дымохода при длительной работе котлов Кт1 ÷ Кт3, а также их совместной работе (с учетом технических особенностей эксплуатации).
Доказана адекватность разработанной имитационной модели путем сравнительного анализа полученных численных установившихся значений температуры в центре сечений выбранных пространственных участков A, B, C, E, F дымовой трубы с результатами, рассчитанными по методике, рекомендованной проектным конструкторским и научно-исследовательским институтом «СантехНИИпроект». Исследование выполнено на примере работы наиболее удаленного от оголовка трубы котла Кт1 для трех значений наружной температуры воздуха, °С: –10; –20; –30.
Сравнение кривых (рис. 4) показало, что мера разброса данных на рассматриваемых участках E и F не превышает 3 °С (≈4 %).
Рис. 4. Сравнительный анализ распределения температуры по длине дымохода (в центре сечения) при работе котла Кт1: 1 – расчет по методике института «СантехНИИпроект»; 2 – SolidWorks (Tс = –30 °С); 3 – SolidWorks (Tс = –20 °С); 4 – SolidWorks (Tс = –10 °С)
Проведенное численное моделирование трубы коллективного дымохода при нестационарной работе газовых котлов в условиях изменения температуры наружного воздуха (окружающей среды) для принятого случая от –30 до +8 °С показало, что рассматриваемые характерные участки чердака и оголовка подвержены возникновению конденсата при работе котлов в режиме «тактования» (см. таблицу). Поэтому дальнейшее исследование осуществлялось относительно принятых точек T и F (см. рис. 1).
Результаты аппроксимации температурного поля на оголовке и чердаке при индивидуальной работе котлов (температура Tс = –30 °С)
Процесс | Охлаждение | Нагрев | Остывание | |||||||||
Передаточная функция | Wi ОХЛ (p) = | Wi Н (p) = | Wi ОСТ (p) = | |||||||||
ki ОХЛ | Ti ОХЛ | ki H | Ti H | ki ОСТ | Ti ОСТ | |||||||
Точки | т. F | т. Е | т. F | т. Е | т. F | т. Е | т. F | т. Е | т. F | т. Е | т. F | т. Е |
Котел № 1 | 32,16 | 12,7 | 29000 | 43200 | 55,16 | 47,5 | 2500 | 3900 | 53,16 | 49,16 | 10800 | 10800 |
Котел № 2 | 32,16 | 12,7 | 29000 | 43200 | 57,66 | 51,4 | 2500 | 3600 | 53,16 | 53,56 | 8800 | 8800 |
Котел № 3 | 32,16 | 12,7 | 29000 | 43200 | 63,16 | 58,7 | 2200 | 2700 | 62,06 | 57,66 | 1200 | 1200 |
Для достижения поставленной цели исследования на следующем этапе выполнено моделирование изменения температурного поля на чердаке и оголовке дымохода с учетом формируемых температурных режимов (рис. 5) при индивидуальной работе котлов Кт1 ÷ Кт3. Здесь на 1-м этапе газовые котлы отключены и происходит охлаждение дымохода от принятой температуры в помещении ТП до установившегося значения Т0 в соответствующих точках (оголовок или чердак). На следующем, 2-м этапе осуществляется включение соответствующего котла Кт1 ÷ Кт3 до достижения установившегося значения температуры Тк, после чего (3-й этап) работающий котел отключается и происходит естественное остывание стенок трубы дымохода до температуры Т0.
Рис. 5. Формируемые температурные режимы для исследования температурного поля на характерных участках дымохода
Исследования проводились для индивидуально работающих котлов Кт1 ÷ Кт3 при изменении температуры окружающей среды от –30 до +8 °С. Выполнена аппроксимация полученных на имитационной модели данных, в результате которой динамика температурного поля может быть представлена передаточными функциями первого порядка с нестационарными параметрами (см. таблицу). Наиболее характерный результат аппроксимации температурного поля в точках E и F для 2-го режима (нагрев) при температуре Tс = –30 °С представлен на рис. 6.
Рис. 6. Аппроксимация влияния длительной работы котлов на изменение температурного поля в точках E (а) и F (б). Здесь 1 и 1*, 2 и 2*, 3 и 3* – данные с модели SolidWorks и результаты аппроксимации при индивидуальной работе котлов Кт1, Кт2, Кт3 соответственно
На втором этапе исследований разработанная математическая модель технологического процесса удаления дымовых газов от колонок в МКД через трубу коллективного дымохода дополнена источниками тепла, греющими кабелями, установленными на участках чердака и оголовка дымохода, тепловая мощность которых рассчитана в соответствии с действующими методиками и рекомендациями.
При проведении исследований использовался режим, подобный представленному на рис. 5. Здесь на первом этапе происходит охлаждение стенок трубы дымохода при неработающих котлах, затем подается напряжение на соответствующий греющий кабель, установленный на участках чердака и оголовка трубы. Результаты экспериментов при Тс = – 30 °С представлены на рис. 7.
Рис. 7. Процессы изменения температуры на участках чердака (а) и оголовка (б) при работе соответствующих греющих кабелей
Выполнена серия экспериментов в программной среде SolidWorks по исследованию влияния нагревательных элементов, установленных на характерных участках оголовка (сечение F) и чердака (сечение E), на динамику изменения температурного поля, в том числе на эффект возникновения конденсата.
Установлено, что изменение управляющих воздействий Q1 и Q2 оказывает влияние не только на изменение температурного поля на чердаке и оголовке, но и на температуру соседних участков дымохода (рис. 8). Выявленная нестационарность может быть учтена в структурной схеме межканальными связями через объект.
Рис. 8. Влияние греющего кабеля на изменение температуры на соседних участках (межканальные связи): а – обогрев чердака на участок оголовка; б – обогрев оголовка на участок чердака
Выполнен анализ полученных данных и проведена аппроксимация в программной среде MATLAB переходных процессов греющих кабелей, установленных на характерных участках, а также выявлено их влияние на соседние участки (при изменении Tc в диапазоне от –30 до +8°С), которые в первом приближении могут быть описаны динамическими звеньями первого порядка.
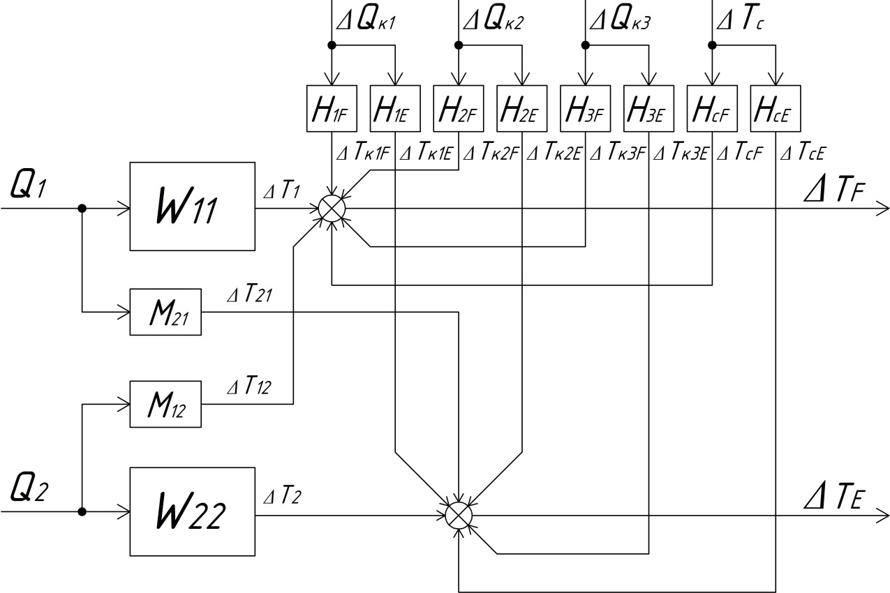
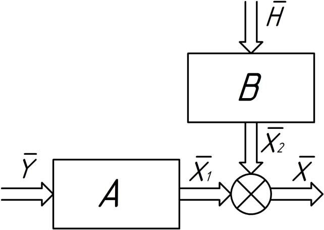
В результате проведенных исследований математическая модель удаления продуктов сгорания в трубе дымохода может быть представлена в виде матричной структуры многомерного объекта (рис. 9) [20]. Здесь – векторы управляющих, возмущающих и выходных координат, где = [Q1,Q2]T, = [Qk1, Qk2, Qk3, Tc]T, = [TF,TE]T; A и B – операторы объекта управления по отношению к векторам и .
Рис. 9. Матричная структура многомерного ОУ
На основании матричной структуры (см. рис. 9) синтезирована многомерная структура объекта управления (рис. 10), описываемая матричным уравнением:
(4)
где ; А = ; B = .
Рис. 10. Линеаризованная структурная схема многомерного объекта управления
Анализ проведенных исследований в программной среде SolidWorks показал, что операторы H1F, H1E, H2F, H2E, H3F, H3E; характеризующие работу котлов Km1, Km2, Km3; W11,W12 с учетом межканальных связей M21, M12, описывающих динамику греющих кабелей, могут быть с достаточной степенью точности (среднеквадратичная погрешность не превышает 7 %) описаны динамическими звеньями первого порядка (5) с переменными параметрами
(5)
В результате считаем, что разработанная модель удаления продуктов сгорания из трубы дымохода адекватно описывает процессы изменения температурного поля внутренней поверхности дымохода.
Выводы
- Разработано математическое описание технологического процесса удаления продуктов сгорания из трубы дымохода как объекта управления с распределенными параметрами, на его основе создана вычислительная модель в программной среде SolidWorks. Показано, что модель адекватно описывает изменение температурного режима дымохода по отношению к управляющим воздействиям – мощностям Q1 и Q2 нагревательных элементов и возмущениям – температуре окружающей среды Tc и вариациям расхода ∆Qk1-3 газовых котлов.
- Синтезирована структура многомерной модели удаления продуктов сгорания из трубы дымохода с сосредоточенными параметрами, где выходными координатами является температура TF и TE на двух участках прогрева дымохода, ориентированная на синтез системы автоматического управления предотвращением образования конденсата в дымоходе.
About the authors
Konstantin S. Galitskov
Samara State Technical University
Email: maes@samgtu.ru
ORCID iD: 0000-0002-6331-2242
SPIN-code: 8851-4255
Scopus Author ID: 56966588900
ResearcherId: O-3958-2016
(Ph.D. (Techn.)), Associate Professor
Russian Federation, 244, Molodogvardeyskaya st., Samara, 443100Oleg V. Samokhvalov
Samara State Technical University
Email: indexcitir@gmail.com
ORCID iD: 0000-0001-5697-4910
SPIN-code: 3771-0921
Scopus Author ID: 57192381403
ResearcherId: O-2799-2016
(Ph.D. (Techn.)), Associate Professor
Russian Federation, 244, Molodogvardeyskaya st., Samara, 443100Larisa I. Vtorova
Samara State Technical University
Author for correspondence.
Email: maes@samgtu.ru
SPIN-code: 2580-0290
scientific candidate
Russian Federation, 244, Molodogvardeyskaya st., Samara, 443100References
- Vatuzov D.N., Puring S.M., Filatova Е.B., Tyurin N.P. Vybor istochnika teplosnabzheniya zdanij zhiloj zastrojki [Choice of heat source for residential buildings] // Vestnik SSUACE. Urban Construction and Architecture. 2014. № 4 (17). Pр. 86–91. (In Russian)
- Aleshin A.N., Zelentsov D.V., Novopashina N.A. Razrabotka tekhnicheskoj politiki po kapital'nomu remontu sistem otopleniya i gazosnabzheniya mnogokvartirnyh domov v Samarskoj oblasti [Development of a technical policy for the overhaul of heating and gas supply systems of apartment buildings in the Samara region] // Science Review. 2014. № 9–3. Pр. 773–777. (In Russian)
- Novopashina N.A. Pokvartirnoe otoplenie – osnova realizacii dopolnitel'noj zastrojki territorij i ekonomii byudzhetnyh investicij [Apartment–by-apartment heating is the basis for implementing additional development of territories and saving budget investments] // Socio-economic problems in the development of the construction complex: Interuniversity jubilee collection of scientific papers. 2005. Pр. 77–80. (In Russian)
- Vatuzov D.N., Puring S.M., Filatova Е.B. Sposoby povysheniya racional'nogo potrebleniya i raspredeleniya teplovoj energii v zhilyh zdaniyah [Ways to increase the rational consumption and distribution of thermal energy in residential buildings] // Nauchnyj potencial regionov na sluzhbu modernizacii. Mezhvuzovskij sbornik. 2013. № 3 (6). Pр. 33–35. (In Russian)
- Novopashina N.A., Balandina O.A. Primenenie kondensacionnyh kotlov – kolonok dlya avtonomnogo teplosnabzheniya [The use of condensing boilers – columns for autonomous heat supply] // Tradicii i innovacii v stroitelstve i arhitekture: Materialy 69-j Vserossijskoj nauchno-tekhnicheskoj konferencii po itogam NIR 2011 goda. Pр. 102–105. (In Russian)
- Oreshin G.Yu. Sovremennaya tekhnologiya zashchity, remonta, vosstanovleniya dymohodnyh i ventilyacionnyh kanalov ot korrozii, kondensata, razrusheniya s ispol'zovaniem polimernogo termoplasticheskogo vkladysha Furanfleks [Modern technology of protection, repair, restoration of chimney and ventilation ducts from corrosion, condensation, destruction using polymer thermoplastic liner Furanflex] // Engineering journal of Don. 2018. № 1 (48). P. 143 (In Russian)
- Sosnin Yu.P., Bukharkin E.N. Bytovye pechi, kaminy i vodonagrevateli [Household stoves, fireplaces and water heaters]. 2-е izd. М.: Strojizdat, 1990. 384 p. (In Russian)
- Samokhvalov O.V., Vtorova L.I. Proektirovanie krepleniya ustrojstva obogreva v dymohode maloetazhnogo zdaniya [Design of the heating device mounting in the chimney of a low-rise building] // Mekhanizaciya i avtomatizaciya stroitelstva: Sbornik statej. Samara: SSTU, 2021. Pр. 121–125. (In Russian)
- Patent № 2754842 C1 Russian Federation, Int. Cl F23J 11/00, E04F 17/02, E04H 12/28, F23L 17/02. Truba dymohoda mnogokvartirnogo doma [Chimney pipe of apartment building] / L.I. Vtorova, S.Ya. Galitskov, O.V. Samokhvalov. № 2020129862: Date of filing. 09.09.2020: Date of publication. 08.09.2021, Bull. № 25. 11 p. (In Russian)
- Samokhvalov O.V., Vtorova L.I. Model' dinamiki obrazovaniya kondensata v dymohode mnogoetazhnogo zdaniya v usloviyah nestacionarnosti raboty gazovyh kotlov [Model of condensate formation dynamics in the chimney of multilevel building under conditions non-stationary work of gas boilers] // Tradicii i innovacii v stroitelstve i arhitekture. Stroitelstvo i stroitelnye tekhnologii. Samara: SSTU, 2019. Pр. 670–676. (In Russian)
- Vtorova L.I., Samokhvalov O.V. Opredelenie koefficienta teplootdachi dymohoda pri variacii rezhimov raboty gazovyh kotlov [Determination of chimney heat transfer coefficient at variation of operation modes of gas boilers] // Tradicii i innovacii v stroitelstve i arhitekture. Stroitelstvo i stroitelnye tekhnologii. Samara: SSTU, 2021. Pр. 975–982. (In Russian)
- Schlichting G. Teoriya pogranichnogo sloya [Boundary-Layer Theory]. 5-е izd. М.: Nauka, 1974. 712 p. (In Russian)
- Lojcyanskij L.G. Mekhanika zhidkosti i gaza [Fluid and gas mechanics]. 7-е izd. М.: Drofa, 2003. 840 p. (In Russian)
- Romanenko P.N. Gidrodinamika i teploobmen v pogranichnom sloe [Hydrodynamics and heat transfer in the boundary layer] (Reference book). М.: Energiya, 1974. 464 p. (In Russian)
- Kochin N.E., Kibel I.A., Roze N.V. Teoreticheskaya gidromekhanika [Theoretical hydromechanics]. ch. 1. 6-е izd. М.: Fizmatgiz, 1963. 584 p. (In Russian)
- Lykov A.V. Teoriya teploprovodnosti [Theory of thermal conductivity]. М.: Vysshaya shkola, 1966. 560 p. (In Russian)
- Samokhvalov O.V. Avtomatizaciya tekhnologicheskogo processa obzhiga pri proizvodstve keramzita zadannoj prochnosti: Avtoref. dis. … kand. tekh. nauk: 05.13.06. Samara: SSTU, 2018. 19 p. (In Russian)
- SolidWorks Flow Simulations 2009 tutorial, 2009. RUS. 244 p. (In Russian)
- Galitskov S.Ya., Galitskov K.S., Samokhvalov O.V., Fadeev A.S. Modelirovanie obzhiga keramzita v pechi s reguliruemoj skorost'yu vrashcheniya kak ob"ekta upravleniya [Modeling the calcination of ceramsite in a rotary furnace with regulated speed as a control object] // Science Review. Moscow. 2015. № 7. Pр. 227–237 (In Russian)
- Galitskov K.S. Sintez intellektual'nyh sistem upravleniya proizvodstvom betonnyh izdelij i keramicheskih materialov [Synthesis of intelligent management systems of concrete products and ceramic materials production] // Promyshlennoe i grazhdanskoe stroitel 'stvo [Industrial and Civil Engineering]. Moscow. 2015. № 6. Pр. 59–63 (In Russian)
Supplementary files











