Ambient temperature impact on the parameters of the electrical circuit of sensing element in cluster eddy current sensor of metal chips in the lubrication systems of gas turbine engines
- Autores: Belosludtsev V.A.1, Borovik S.Y.1, Korshikov I.G.1, Sekisov Y.N.1
-
Afiliações:
- Samara Federal Research Scientific Center RAS, Institute for the Control of Complex Systems RAS
- Edição: Volume 31, Nº 2 (2023)
- Páginas: 101-117
- Seção: Electronics, Photonics, Instrumentation and Communications
- URL: https://ogarev-online.ru/1991-8542/article/view/142731
- DOI: https://doi.org/10.14498/tech.2023.2.8
- ID: 142731
Citar
Texto integral
Resumo
The detection of the wear particles in the engines’ lubrication systems is one of the most effective ways to assess the state of the bearing assemblies of machines and mechanisms. The most promising existing systems for online monitoring of wear particles are based on the eddy current methods for monitored parameters conversion. The reason is that such systems have the ability not only to determine the particle size, but also to recognize its magnetic properties, which makes it possible (under certain conditions) to localize the place of the defect development. At the same time, it is known that the ambient temperature changes in the monitored zone are one of the main external factors that have a significant impact on the informative parameters of eddy current converters. This is of particular importance for debris monitoring systems in high-power plants’ lubrication systems (e.g. gas turbine engine), where the oil temperature can vary widely (-50...+160 °C). The temperature impact on the parameters of the electrical circuit of sensing element in the cluster single-coil eddy current sensor of metal chips, which is a part of the debris continuous monitoring system prototype for high-thrust aviation gas turbine engine, is studied in the article. A typical design of the single-coil sensing element is considered. The study results of the temperature effect on the sensing element inductance, as well as on the parameters of the current lead that connects the sensing element to the matching transformer and to the measuring circuit are presented. Methods for reducing the impact of temperature changes in the monitored area on the parameters of the electrical circuit of the sensing element are proposed, too.
Texto integral
Введение
Одним из достоверных способов оценки состояния пар трения силовых установок большой мощности, к которым относятся газотурбинные двигатели (ГТД), является контроль наличия металлических частиц износа движущихся частей и механизмов в системах их смазки [1-4]. Очевидно, что в нормальных условиях для новых изделий концентрация частиц износа в масле обычно незначительна, а сами частицы имеют, как правило, небольшие размеры. По мере выработки соприкасающихся элементов и их разрушения концентрация и размеры частиц будут лавинообразно увеличиваться. Так, например, в [5] отмечается, что для рассматриваемых в источнике механических систем величина частиц износа изменялась от 1–20 мкм в штатном режиме функционирования до 50–100 мкм в начале процесса разрушения и далее до размеров свыше 200 мкм в конце жизненного цикла изделий.
Несмотря на существование большого числа методов онлайн-мониторинга наличия металлической стружки в системах смазки силовых установок, основанных на различных физических принципах (оптических, емкостных, индуктивных, ультразвуковых и т. д.), авторы большинства современных публикаций [5–10] сходятся во мнении, что с практической точки зрения наиболее перспективными для решения задач контроля состояния узлов трения силовых установок являются индуктивные методы. В качестве главных преимуществ отмечается способность индуктивных методов определять магнитные свойства обнаруженных металлических частиц износа, что позволяет локализовать место развития дефекта, а также нечувствительность методов к масляно-воздушной среде в зоне измерения. В то же время указывается и основной недостаток методов – малая чувствительность к детектируемым частицам (особенно к неферромагнитным), что ограничивает применение технических средств, реализующих индуктивные методы, в маслопроводах большого диаметра [8, 10, 11].
В работах [10–14] рассматривается вариант создания систем непрерывного контроля частиц износа (СНКЧИ) пар трения на основе кластерных одновитковых вихретоковых датчиков металлической стружки (ДВК) [10, 15], которые, по мнению авторов, свободны от указанных недостатков. ДВК представляет собой многоканальный преобразователь с параллельной обработкой сигналов. Однако в отличие от известных аналогов идеи, заложенные и реализованные в его конструкции [16] и средствах вторичного преобразования сигналов, обеспечили одинаковую чувствительность по всем каналам, большую пропускную способность и информативность датчика, равно как и системы контроля в целом [16–19]. Кроме того, ДВК потенциально инвариантен к размеру (внутреннему диаметру) маслопровода, что пока недоступно ближайшим российским и зарубежным аналогам подобных систем [6]. При этом практическая разработка ДВК для маслопровода большого диаметра ограничена только допустимыми масса-габаритными параметрами изделия.
В рабочих условиях ДВК встраивается в штатную маслосистему ГТД и функционирует в условиях повышенных температур (температура масла в маслопроводе в местах установки датчика может меняться в диапазоне –50…+160 °С). Известно, что изменение температуры окружающей среды в зоне контроля является одним из основных внешних факторов, оказывающих существенное влияние на информативные параметры вихретоковых преобразователей [20], что сказывается на достоверности получаемых результатов. Исследованию влияния температуры среды в зоне контроля на параметры электрической цепи чувствительного элемента (ЧЭ) ДВК, а также способам уменьшения такого влияния и посвящена настоящая статья. В частности, рассматривается типовая конструкция одновиткового ЧЭ кольцевого типа, используемого в ДВК, исследуется влияние температуры на его индуктивность, а также на параметры токовода, соединяющего ЧЭ с согласующим трансформатором, обеспечивающим подключение ЧЭ к измерительной цепи (ИЦ). Предлагаются аппаратный и программный способы снижения влияния воздействия изменений температуры окружающей среды в зоне контроля на параметры электрической цепи ЧЭ ДВК.
Типовая конструкция масляного канала ДВК с ЧЭ кольцевого типа
В работах [10–12, 15, 16] достаточно подробно рассматриваются основные положения подхода к обнаружению металлических частиц в потоке масла работающей силовой установки на основе применения ДВК, в котором с целью повышения чувствительности датчика к мелким частицам металла при незначительном увеличении гидравлических потерь в маслопроводе общий поток масла, поступающий в датчик, разделяется на N независимых потоков с меньшей площадью сечения. При этом площадь сечения каждого из N потоков выбирается таким образом, чтобы, с одной стороны, гарантировать, что частица износа не будет задержана (датчик не должен работать как фильтр частиц металла), а с другой – чтобы обеспечить приемлемую чувствительность к самой малой из контролируемых частиц металла. Суммарная площадь сечений всех N потоков выбирается равной площади сечения входного потока в датчик, что позволяет свести к минимуму влияние ДВК на параметры маслосистемы ГТД.
В свою очередь, каждый независимый поток охватывается одиночным витком тока, располагающимся в трубопроводе маслосистемы двигателя и являющимся ЧЭ ДВК. В [11] было показано, что наименьшая неравномерность распределения магнитного поля характерна для симметричных ЧЭ. Поэтому в качестве базовой конструкции ЧЭ ДВК был выбран контур кольцевого типа, который охватывает масляный канал датчика (рис. 1, а).
Немаловажным достоинством кольцевого ЧЭ является и более простая (в сравнении с ЧЭ других форм) технология его изготовления. В то же время следует отметить, что ЧЭ кольцевого типа обладают низкой чувствительностью к детектируемым частицам малого размера, проходящим через геометрический центр плоскости ЧЭ. В результате возникают условия, при которых изменения основного информационного параметра ЧЭ (индуктивности) от влияния внешних факторов могут быть сопоставимы или даже превышать полезный сигнал от частицы металла. На рис. 1, б представлен фрагмент конструкции блока чувствительных элементов ДВК, содержащего один ЧЭ, изготовляемого по технологии химического травления, аналогичной технологии изготовления печатных плат. Здесь же показана установка ЧЭ в масляный канал ДВК.
Рис. 1. Одновитковый ЧЭ кольцевого типа: схематическое представление (а) и пример конструкции, установленной в масляный канал ДВК (б): 1 – ЧЭ, 2 – отверстие масляного канала ДВК, 3 – тоководы, 4 – место для установки согласующего трансформатора, 5 – согласующий трансформатор
Поток масла через отверстие в плате ЧЭ формируется маслопроводами во входном и выходном блоках масляного канала (БМК), изготавливаемого из немагнитного металла. Для снижения влияния БМК на индуктивность ЧЭ в масляный канал введены изоляционные вставки, позволяющие отдалить металл БМК от проводника ЧЭ. Часть электрических проводников от кольцевого ЧЭ до согласующего трансформатора (СТ), обеспечивающая передачу напряжения к ЧЭ, условно обозначена как «токовод». Зазор bz между тоководами и торцевой поверхностью БМК исключает замыкание проводников токовода на корпус блока каналов.
Для преобразования изменений информационного параметра (индуктивности) ЧЭ используется дифференциальная ИЦ на основе трансформаторного моста Блюмлейна, которая обеспечивает нулевой уровень выходного сигнала при отсутствии частицы металла в масляном канале датчика. Для этого в сечение каждого независимого масляного канала дополнительно устанавливается второй аналогичный ЧЭ, смещенный относительно первого по оси канала на заданное расстояние. Последовательное движение частицы металла сначала через контур первого ЧЭ, а затем через контур второго ЧЭ приводит к формированию на выходе ИЦ двух последовательных разнополярных импульсов напряжения. Амплитуда импульсов определяется размером частицы металла и ее местоположением в плоскости контура ЧЭ, а полярность – магнитными свойствами металла частицы.
Модель влияния температуры внешней среды на параметры электрической цепи ЧЭ и токовода
Как уже отмечалось, одним из наиболее существенных внешних факторов, оказывающих значительное влияние на информативные параметры ДВК, является температура окружающей среды в зоне контроля [20]. Исходя из особенностей применения датчиков в энергосиловых установках большой мощности работоспособность ДВК должна сохраняться в диапазоне температур ‑50…+160 ºС.
Для оценки влияния температуры окружающей среды на информационный параметр ДВК может быть использована эквивалентная электрическая схема, которая содержит последовательное соединение индуктивностей ЧЭ (LЧЭ) и тоководов (LТВ), обеспечивающих подключение ЧЭ к ИЦ датчика, и участвует в формировании выходного сигнала.
В этом случае выходной информационный сигнал ИЦ будет определяться эквивалентной индуктивностью цепи ЧЭ Lэ=LЧЭ+LТВ.
Представленная на рис. 1 конструкция ЧЭ позволяет сделать прогноз о повышенном влиянии изменений температуры среды как на индуктивность ЧЭ (LЧЭ), так и на индуктивность токовода (LТВ), которое проявляется через изменения геометрических размеров витка ЧЭ и токовода, а также связано с «экранирующим» эффектом корпусов входного и выходного БМК на проводники токовода при изменении зазора bz.
Для оценки влияния изменений температуры внешней среды на параметры ЧЭ используется простейшая модель на основе закона Био – Савара [21] и метода конечных элементов [22], связывающая LЧЭ с элементами конструкции, которые в наибольшей степени подвержены влиянию температуры. Предполагается, что через плоский медный виток ЧЭ радиусом R=4 мм и шириной 0,2 мм протекает ток I с амплитудой 0,1А (рис. 2). В общем случае характер изменения тока во времени I(t) определяется видом напряжения питания ЧЭ (импульсное, гармоническое, постоянное). Так как информационный параметр ЧЭ (LЧЭ) в идеале не зависит от формы питающего напряжения, то для рассматриваемого случая за ток I примем его максимальное (амплитудное) значение.
Рис. 2. Простейшая модель контура ЧЭ кольцевого типа
Контур витка разбивается на конечные элементы тока g путем деления в угловом направлении на заданное число криволинейных отрезков К:
(1)
Тогда в соответствии с законом Био – Савара индукцию магнитного поля в некоторой точке A, находящейся на заданном расстоянии r от центра плоскости контура ЧЭ (см. рис. 2), можно определить из выражения
, (2)
где – угловое положение k-го конечного элемента;
– магнитная проницаемость воздуха;
. (3)
Индуктивность ЧЭ определяется известным выражением [23]
, (4)
где – магнитный поток через поверхность S, охватываемую контуром тока ЧЭ.
Рис. 3. К вычислению магнитного потока через поверхность, охватываемую контуром ЧЭ
Для вычисления магнитного потока численным способом выделим на поверхности S, охватываемой контуром ЧЭ, N концентрических окружностей, каждая из которых соответствует линии постоянной индукции (рис. 3). Для рис. 3 площадь кольца равна
. (5)
Примем, что величина индукции магнитного поля для кольца равна среднему значению индукции В(rnср) на радиусах rn и rn-1:
. (6)
Тогда магнитный поток dФn через элементарную площадку dSn равен
. (7)
В свою очередь, величина магнитного потока через всю площадь S определится выражением
. (8)
С учетом (2), (6) выражение (8) для потока Ф можно записать как
(9)
Тогда на основании (4) индуктивность ЧЭ будет равна
. (10)
Для оценки влияния температуры на индуктивность ЧЭ определим изменения его диаметра для граничных температур рабочего диапазона ‑50…+160 ℃ относительно «нормальных» условий (+20 ℃).
Из (2), (3) следует, что изменение индукции магнитного поля в плоскости витка ЧЭ имеет квадратичную зависимость в радиальном направлении от центра к периферии. В частности, для типовой конструкции ЧЭ кольцевого типа радиусом R = 4.0 мм, выполненного из медной фольги, по которому протекает ток с амплитудой 0,1 А, индукция магнитного поля на внутренней границе витка (r =3.9 мм) будет более чем в 80 раз превосходить индукцию поля в центре ЧЭ (r = 0) (рис. 4).
Рис. 4. Изменение индукции магнитного поля в плоскости витка ЧЭ (R=3,9 мм) в радиальном направлении от центра к периферии
Очевидно, что изменения температуры в зоне контроля, приводящие даже к незначительным изменениям геометрии (диаметра) витка ЧЭ в области самой высокой индукции, в итоге являются причиной существенных изменений магнитного потока и индуктивности ЧЭ в целом. Это демонстрируют и результаты вычислительного эксперимента, приведенные в табл. 1. В рассматриваемом случае предполагалось, что через центр кольцевого ЧЭ проходит неферромагнитная (медная) частица металла с эквивалентным диаметром 0,3 мм. Расчет проводился для нормальных условий (q = +20 ℃), а также на границах рабочего диапазона температур (-50 ℃, +160 ℃).
Таблица 1. Изменения индуктивности ЧЭ кольцевого типа, обусловленные влиянием температуры в зоне контроля
q, ℃ | Диаметр ЧЭ, мм | LЧЭ, нГн | D=LЧЭ,q - LЧЭ,20, нГн | δL(q),% | δL(ЧМ03), % | δL(q)/ δL(ЧМ03) |
20 | 8,00 | 67,176 | – | – | – | – |
-50 | 7,967 | 55,684 | -11,492 | -17,107 | 0,017 | 1007 |
+160 | 8,064 | 90,161 | 22,984 | 34,214 | 0,017 | 2015 |
Как видно из представленных данных, изменения индуктивности ЧЭ от влияния температуры превышают уровень полезного сигнала от частицы металла более чем на три порядка.
Далее оценивается влияние изменений температуры окружающей среды на параметры токовода (см. рис. 1), проводники которого находятся в непосредственной близости от поверхности корпусов БМК (зазор bz между проводником токовода и поверхностью БМК обычно составляет порядка 0,1мм). Это приводит к возникновению в электропроводном материале БМК интенсивных вихревых токов; как следствие, собственная индуктивность токовода (LТВ) также меняется.
Как было показано ранее (см. рис. 4), зона, приближенная к проводнику с током, характеризуется наибольшей индукцией магнитного поля. В этой связи следует ожидать, что изменения bz, вызванные температурными деформациями элементов корпуса БМК, приведут к существенным изменениям индуктивности LТВ. При этом базовой поверхностью, от которой будет происходить температурная деформация корпуса БМК, является наружная поверхность проводника токовода. Кроме того, температура в зоне контроля будет влиять и на геометрические параметры (прежде всего длину) самого токовода, что также является причиной изменений его индуктивности LТВ.
Результаты вычислительных экспериментов по оценке изменений индуктивности токовода LТВ, обусловленных температурными изменениями зазора между проводником токовода и БМК, равно как и температурными изменениями геометрических размеров (длины) самого токовода, представлены в табл. 2, 3 соответственно.
В экспериментах предполагалось, что ЧЭ и токовод выполнены из медной фольги, а БМК – из алюминиевого сплава Д16. Внутренний диаметр ЧЭ составлял 8,0 мм, длина токовода была выбрана равной 7,5 мм, ширина – 2 мм. Исходная индуктивность токовода LТВ была определена экспериментально для различных bz на специально изготовленном макете платы ЧЭ с использованием RLC-измерителя Е7-12. Эмпирическая зависимость LТВ(bz) была аппроксимирована алгебраическим полиномом 3-й степени LТВ(bz) = 0,167bz3‑0,474bz2+0,647bz+4,519. Для оценки изменений индуктивности токовода из-за температурных изменений его геометрических размеров использовалась простейшая модель вычисления индуктивности бесконечно тонкого линейного проводника плоского сечения [24].
Таблица 2. Изменения индуктивности токовода, обусловленные влиянием температуры на элементы конструкции БМК
q, ℃ | bz, мм | Δbz, мм | LТВ,1, нГн | ΔLТВ,1, нГн |
20 | 0,1 | 0 | 4,03 | 0 |
-50 | 0,099832 | -0,000168 | 4,0299328 | -0,0000672 |
+160 | 0,100336 | 0,000336 | 4,0301344 | 0,0001344 |
Таблица 3. Изменения индуктивности токовода, обусловленные температурными изменениями его геометрических размеров
q, ℃ | lТВ, мм | ΔlТВ, мм | LТВ,2, нГн | ΔLТВ,2, нГн |
20 | 7,5 | 0 | 4,03 | 0 |
-50 | 7,46955 | -0,03045 | 4,0136382 | -0,0163618 |
+160 | 7,5609 | 0,0609 | 4,0627236 | 0,0327236 |
Таким образом, суммарное изменение индуктивности токовода LТВ = LТВ,1 + LТВ,2, обусловленное изменяющейся температурой среды в зоне контроля в диапазоне -50…+160 ℃, составляет порядка 0,049 нГн, или 0,69 % от величины эквивалентной индуктивности цепи ЧЭ (Lэ=LЧЭ+LТВ). Это более чем на порядок превышает изменения индуктивности ЧЭ (LЧЭ) при его взаимодействии с неферромагнитной частицей наименьшего контролируемого размера 0,3 мм.
Способы уменьшения влияния воздействия температуры окружающей среды в зоне контроля на параметры электрической цепи ЧЭ ДВК
Традиционно в системах измерения и контроля состояния сложных технических объектов на основе ОВТД или их кластерных разновидностей, которым является ДВК, используются схемно-технические методы снижения дополнительной температурной погрешности датчиков, которые подразумевают устранение воздействия внешних дестабилизирующих факторов (в рассматриваемом случае – температуры) путем исп.ользования дополнительных термозависимых сигналов [25, 26]. В частности, для преобразования изменений выходного параметра (индуктивности) датчика в процессе взаимодействия с объектом контроля используют дифференциальные ИЦ, в смежные плечи которых включают два идентичных по параметрам ЧЭ. Первый ЧЭ (ЧЭ-Р) выполняет рабочие функции и непосредственно взаимодействует с объектом контроля, а второй ЧЭ (ЧЭ-К) – компенсационные функции. При этом ЧЭ-К вводится в зону измерения с таким расчетом, чтобы температурные условия для него и ЧЭ-Р были идентичными, но при этом электромагнитного взаимодействия с объектом контроля не происходило.
На рис. 5 приведен вариант такой дифференциальной ИЦ применительно к рассматриваемой задаче контроля частиц износа пар трения в системе смазки силовой установки на основе применения ДВК с ЧЭ кольцевого типа.
Рис. 5. Схема дифференциальной ИЦ с ЧЭ-Р и ЧЭ-К ДВК
Уравнение преобразования для представленной ИЦ имеет вид
, (11)
где Uвых – напряжение на выходе ИЦ; E – э.д.с. источника питания; LЧЭ-Р, LЧЭ-К – индуктивности рабочего и компенсационного ЧЭ; LТВ-Р, LТВ-К – индуктивности рабочего и компенсационного тоководов; KСТ-Р, KСТ-К – коэффициенты трансформации рабочего и компенсационного СТ.
С учетом изменяющихся от температуры индуктивностей ЧЭ (DLЧЭ-Р,q, DLЧЭ-К,q) и тоководов (DLТВ-Р,q, DLТВ-К,q), а также при допущении равенства КСТ-Р=КСТ-К уравнение (11) примет вид
. (12)
При допущении хорошей идентичности параметров рабочего и компенсационного ЧЭ и тоководов можно принять ΔLЧЭ-Р,q ≈ ΔLЧЭ-К,q и ΔLТВ-Р,q ≈ ΔLТВ-К,q. Тогда выражение (12) может быть преобразовано к виду
. (13)
Как видно из (13), в числителе уравнения преобразования ИЦ отсутствуют составляющие изменения индуктивностей ЧЭ и тоководов, вызванные изменением температуры окружающей среды в зоне контроля, что свидетельствует о «подавлении» негативного влияния температурных изменений индуктивностей указанных элементов ДВК на формирование информационного сигнала цепи. Однако составляющие изменения индуктивностей ЧЭ и тоководов от температуры (пусть и существенно меньше собственных значений индуктивностей ЧЭ и тоководов) остались в знаменателе выражения (13), что свидетельствует о том, что компенсация температурного влияния на элементы дифференциальной ИЦ остается неполной и требуются дополнительные меры по дальнейшему уменьшению такого влияния. Ниже рассматриваются аппаратный способ снижения температурного дрейфа сигналов ИЦ с включенным в нее ЧЭ кольцевого типа.
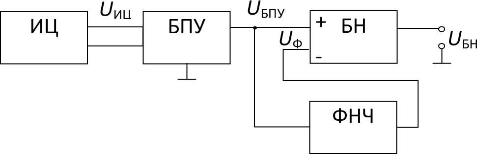
Способ основан на существенном различии спектра сигнала на выходе ИЦ при прохождении контура ЧЭ частицей металла и спектра составляющей сигнала, связанной с изменениями температуры окружающей среды в зоне контроля. Аппаратная реализация способа предусматривает предварительное усиление выходного сигнала ИЦ (блок предварительных усилителей БПУ), выделение из него медленно изменяющейся составляющей U(q), обусловленной воздействием температуры на элементы ЧЭ и ИЦ, и последующее вычитание выделенной составляющей из исходного информационного сигнала в блоке нормализации БН.
Способ поясняет функциональная схема на рис. 6.
Рис. 6. Схема, поясняющая аппаратный способ компенсации температурного дрейфа выходного сигнала ИЦ
Для выделения медленно изменяющейся составляющей U(q) использован фильтр нижних частот (ФНЧ) c постоянной времени порядка нескольких сотен миллисекунд. ФНЧ может быть реализован на операционном усилите, постоянная времени подбирается экспериментально. На выходе ФНЧ формируется сигнал в виде напряжения Uф, изменения которого обусловлены только влиянием температуры окружающей среды на элементы ДВК и ИЦ. Напряжение Uф подается на инвертирующий вход БН, разностный сигнал на выходе которого (UБН = UБПУ – U(q)) будет содержать только быстро изменяющиеся составляющие, обусловленные изменением индуктивности ЧЭ при прохождении его контура контролируемыми частицами металла. Составляющая, связанная с температурным дрейфом индуктивности ЧЭ и тоководов, в UБН будет практически отсутствовать.
Работоспособность способа была проверена экспериментально на специально изготовленном стенде, содержащем помимо указанных на рис. 6 блоков (БПУ, ФНЧ и БН) 14-разрядный выносной модуль АЦП Е14-440 [27] и ПЭВМ. Один из каналов макетного образца ДВК подключался к БПУ. Нагрев датчика осуществлялся горячим воздухом от строительного фена с регулируемой температурой. Прохождение частицы металла имитировалось с помощью «продергивания» через подключенный к БПУ масляный канал щупа, содержащего тестовую медную частицу с эквивалентным диаметром 0,3 мм. Частота дискретизации АЦП составляла 20 кГц. Коды АЦП фиксировались в памяти ПЭВМ с помощью специально разработанного ПО и далее обрабатывались в пакете MS Excel.
На рис. 7, 8 представлен сигнал на выходе БН в виде зависимости цифрового кона АЦП (C) от времени при отключенной (рис. 7) и включенной (рис. 8) аппаратной коррекции температурного дрейфа. Сигнал содержит одиночный импульс, характеризующий прохождение через контур ЧЭ медной частицы с эквивалентным диаметром 0,3 мм. Помимо полезной составляющей в информационном сигнале содержатся шумовая составляющая, которая в «идеальных» лабораторных условиях невелика (±3 ед. кода), и составляющая температурного дрейфа, изменение которой на участке 130 мс составило 24 единицы кода.
Рис. 7. Сигнал на выходе БН при прохождении тестовой частицы металла через контур ЧЭ (аппаратная коррекция температурного дрейфа отключена)
Рис. 8. Сигнал на выходе БН при прохождении тестовой частицы металла через контур ЧЭ (аппаратная коррекция температурного дрейфа включена)
Как видно из представленных осциллограмм, предложенный способ достаточно эффективно ослабляет составляющую температурного дрейфа информационного сигнала ИЦ. Дальнейшее снижение влияния температурной составляющей осуществляется на основе алгоритмических способов стабилизации постоянной составляющей информационного сигнала, которые предполагают анализ статистического распределения кодов, соответствующих выходному сигналу ИЦ, выбор в качестве искомого значения постоянной составляющей элемента с наибольшей частотой появления в указанной выборке либо реализуют вариант простого КИХ-фильтра скользящего среднего [28]. При этом исследование влияния на работу алгоритмов стохастического аппаратного шума, наличия в анализируемых выборках фрагментов полезного сигнала, а также изменений сигнала в условиях воздействия гармонической помехи показало, что наиболее предпочтительным для реализации в подобного рода системах контроля наличия частиц изнашивания в маслопроводах энергосиловых установок является вариант обработки на основе фильтра скользящего среднего. В частности, в [28] показано, что в указанных условиях погрешность стабилизации постоянной составляющей информационного сигнала на выходе ИЦ при использовании фильтра скользящего среднего в два раза меньше, чем та же погрешность при алгоритмической стабилизации на основе гистограммы.
Заключение
Для типовой конструкции ДВК, который входит в состав опытного образца СНКЧИ пар трения авиационного ГТД большой тяги, проведены исследования влияния на параметры электрической цепи ЧЭ и токовода датчика одного из наиболее существенных внешних факторов – температуры среды (масла) в зоне контроля. В частности, показано, что изменение индуктивности ЧЭ, обусловленное влиянием изменяющейся в диапазоне -50…+160 ℃ температуры, превышают уровень полезного сигнала от неферромагнитной частицы металла наименьшего контролируемого размера с эквивалентным диаметром 0,3 мм более чем на три порядка. В свою очередь, суммарное изменение индуктивности токовода, обусловленное изменяющейся температурой среды в зоне контроля в том же диапазоне температур, более чем на порядок больше изменения индуктивности ЧЭ при взаимодействии с аналогичной неферромагнитной частицей наименьшего контролируемого размера.
Рассмотрены аппаратный и алгоритмический способы снижения влияния температурного дрейфа выходного сигнала измерительной цепи с одновитковым ЧЭ на результат преобразования искомых диагностических характеристик. Аппаратный способ основан на существенном различии спектра сигнала на выходе ИЦ при прохождении контура ЧЭ частицей металла и спектра составляющей сигнала, связанной с изменениями температуры окружающей среды в зоне контроля. Его реализация предусматривает предварительное усиление выходного сигнала ИЦ, выделение из него медленно изменяющейся составляющей выходного сигнала, обусловленной воздействием температуры на элементы ЧЭ и ИЦ, с последующим вычитанием выделенной составляющей из исходного информационного сигнала в блоке нормализации.
Алгоритмические способы стабилизации постоянной составляющей информационного сигнала, изменения которой обусловлены влиянием температуры, предполагают анализ статистического распределения кодов, соответствующих выходному сигналу ИЦ, выбор в качестве искомого значения постоянной составляющей элемента с наибольшей частотой появления в указанной выборке либо реализуют вариант простого КИХ-фильтра скользящего среднего.
Sobre autores
Viktor Belosludtsev
Samara Federal Research Scientific Center RAS, Institute for the Control of Complex Systems RAS
Email: iccs@iccs.ru
Leading Designer
Rússia, 61, Sadovaya str., Samara, 443020Sergey Borovik
Samara Federal Research Scientific Center RAS, Institute for the Control of Complex Systems RAS
Email: borovik@iccs.ru
ORCID ID: 0000-0002-6849-9026
http://www.iccs.ru/staff/borovik.html
Dr. Sci. (Techn.), Leading Scientist
Rússia, 61, Sadovaya str., Samara, 443020Igor Korshikov
Samara Federal Research Scientific Center RAS, Institute for the Control of Complex Systems RAS
Email: kig770@mail.ru
Junior Scientist
Rússia, 61, Sadovaya str., Samara, 443020Yuriy Sekisov
Samara Federal Research Scientific Center RAS, Institute for the Control of Complex Systems RAS
Autor responsável pela correspondência
Email: sekisov@iccs.ru
http://www.iccs.ru/staff/sekisov.html
Dr. Sci. (Techn.), Chief Scientist
Rússia, 61, Sadovaya str., Samara, 443020Bibliografia
- Miller J., Kitaljevich D. In-line oil debris monitor for aircraft engine condition assessment // IEEE Aerosp. Conf. Proc. 2009. V. 6. Pp. 49–56.
- Peng Y., Wu T., Wang S., Peng Z. Wear state identification using dynamic features of wear debris for on-line purpose // Wear. 2017. V. 376–377. Pp.1885–1891.
- Gryadunov K.I., Kozlov A.N., Nemchikov M.L., Melnikova I.S. Diagnostirovanie aviacionnyh dvigatelej po soderzhaniyu metallov v masle [Diagnostics of aircraft engines by the content of metals in oil] // Nauchniy Vestnik MGTU GA. 2019. V. 22. № 3. Pp. 35–44. (In Russian)
- Shaporova E.A., Stojko S.O. Tekhnicheskaya diagnostika aviacionnyh dvigatelej [Technical diagnostics of aircraft engines] // Aviation: history, modernity, development prospects: Proc. V Intern. Scien.-techn. conf. Minsk: BGAA. 2020. (In Russian)
- Wang X., Sun H., Wang S., Huang W. Cross-Correlation Algorithm-Based Optimization of Aliasing Signals for Inductive Debris Sensors // Sensors. 2020. V. 20. Pp. 5949.
- Cassidy K. Qualification of an On-Line Bearing and Gear Health Monitoring Technique for In-Service Monitoring of Aircraft Engines and Helicopter Transmissions. http://www.gastopsusa.com/knowledge_center_documents/1/MetalSCAN_ISHM07.pdf.
- Harkemanne E., Berten O., Hendrick P. Analysis and Testing of Debris Monitoring Sensors for Aircraft Lubrication Systems // Proceedings. 2018. V. 2. Pp. 461.
- Xiao H., Wang X., Li H., Luo J., Feng S. An Inductive Debris Sensor for a Large-Diameter Lubricating Oil Circuit Based on a High-Gradient Magnetic Field // Appl. Sci. 2019. V. 9. Pp. 1546.
- Wu S., Liu Z., Yuan H., Yu K., Gao Y., Liu L., Pan X. Multichannel Inductive Sensor Based on Phase Division Multiplexing for Wear Debris Detection // Micromachines. 2019. V. 10. Pp. 246.
- Borovik S., Sekisov Y. Single-Coil Eddy Current Sensors and Their Application for Monitoring the Dangerous States of Gas-Turbine Engines // Sensors. 2020. V. 20. Pp. 2107.
- Borovik S.Yu., Sekisov Yu.N., Blinov A.V., Muhutdiniv F.I. Osobennosti preobrazovaniya informacii v sisteme kontrolya chastic iznosa par treniya na osnove klastera odnovitkovyh vihretokovyh chuvstvitel'nyh elementov [Transformation of the information in the monitoring system of wear-and-tear particles of friction pairs on the basis of the group of single-coil eddy-current sensitive elements] // Turbiny i Dieseli. 2017. V. 73. № 4. Pp. 10–17. (In Russian)
- Blinov A., Borovik S., Luchsheva M., Muhutdinov F., Sekisov Yu. Monitoring the state of power plants' friction pairs on the basis of single-coil eddy-current sensors // Journal of Physics: Conference Series. 2021. V. 1891. Pp. 012053.
- Borovik S.Y., Sekisov Y.N., Blinov A.V., Luchsheva M.V., Mukhutdinov F.I. Tools for diagnostics and assessment of remaining lifetime of friction units at operation of gas turbine engines // Optoelectron. Instrument. Proc. 2021. V. 57. Pp. 675–682.
- Belopukhov V., Blinov A., Borovik S., Luchsheva M., Muhutdinov F., Podlipnov P., Sazhenkov A., Sekisov Y. Monitoring metal wear particles of friction pairs in the oil systems of gas turbine power plants // Energies. 2022. V. 15. Pp. 4896.
- Borovik S., Sekisov Y. Single-Coil Eddy Current Sensors. In Sensors, Measurements and Networks, Book Series: Advances in Sensors, Vol. 8 / ed. S. Y. Yurish. Barcelona: IFSA Publishing, S. L., 2022. 19–48 p.
- Patent RF No. 2668513 Metal particles detection in the friction units lubrication system oil and the oil flow speed determining method / Borovik S.Y., Korshikov I.G., Sekisov Y.N., Belosludtsev V.A., 2018. Byull. Izobret. No. 28.
- Patent RF No. 2674577 Method of detection of particles of metal in system for lubrication of friction nodes of power installations divided into groups by particles sizes / Borovik S.Y., Korshikov I.G., Belosludtsev V.A., Sekisov Y.N., 2018. Byull. Izobret. No. 35.
- Patent RF No. 2724309 Method for detecting and evaluating the size of single metal particles in the system for lu-bricating friction pairs in power plants / Belopukhiv V.N., Borovik S.Y., Korshikov I.G., Sekisov Y.N., 2020. Byull. Izobret. No. 18.
- Patent RF No. 2749574 Method for oil flow rate detection during the metal particles monitoring by the friction pairs’ diagnostics tools of GTE / Borovik S.Y., Korshikov I.G., Sekisov Y.N., 2021. Byull. Izobret. No. 17.
- Borovik S., Kuteynikova M., Sekisov Y. Reducing the Impact of Influence Factors on the Measurement Results from Single-Coil Eddy Current Sensors // Sensors. 2023. V. 23. Pp. 351.
- Parsell E. Electricity and magnetism. Moscow: Nauka, 1983. 416 p.
- Gallager R. Finite element method. Basics. Moscow: Mir, 1984. 428 p.
- Methods and Tools for Measuring Multidimensional Displacements of Structural Components of Power Plants / Sekisov Y.N., Skobelev O.P., Eds. Samara: Izd. SamNTs RAN, 2001, 188 pp. (In Russian).
- Kalantarov P.L., Tseytlin L.A. Inductance calculation: Reference book. – Leningrad: Energoatomizdat, 1986. 488 p.
- Cluster Methods and Tools for Measuring Radial Clearances in Turbine Flow Section / Skobelev O.P., Ed., Moscow: Izd. Innovatsionnoe Mashinostroenie, 2018, 224 pp. (In Russian).
- Methods and Tools for the Processing of the Information About Radial Clearances in GTE Flow Section with Self-Compensation of Temperature Effect on the Sensor / Skobelev O.P., Ed., Samara: Izd. Novaya Technika, 2021, 142 pp. (In Russian).
- Module E-440. Technical Specification and User’s Guideline. – Мoscow: ZAO L-Kard, 2003. 91 p.
- Belopukhov V.N., Podlypnov P.E. Study of Algorithms for Stabilizing the Constant Component of the Output Signal of the Measuring Circuit with a Single-coil Eddy Current Sensitive Element in the Systems for Debris Monitoring of Friction Pairs of Power Plants // 2022 International Conference on Dynamics and Vibroacoustics of Machines (DVM), 2022. Pp. 1–7.
Arquivos suplementares









