Analysis of the results of studying the quality of electric power in the electric networks of cjsc sibgazstroydetal
- Авторлар: Antonov A.I.1, Rudy D.Y.1, Hatsevskiy K.V.1
-
Мекемелер:
- Siberian State University of Water Transport
- Шығарылым: Том 19, № 4 (2023)
- Беттер: 143-152
- Бөлім: POWER INDUSTRY
- ##submission.dateSubmitted##: 12.02.2025
- ##submission.datePublished##: 01.12.2023
- URL: https://ogarev-online.ru/1816-9228/article/view/279732
- DOI: https://doi.org/10.18822/byusu202304143-152
- ID: 279732
Дәйексөз келтіру
Толық мәтін
Аннотация
Subject of research: processes occurring in electrical networks with induction heating installations.
Purpose of research: quality of electricity in electrical networks.
Object of research: electrical networks of the object of study.
Methods of research: in the process of performing research, scientific and technical generalization of literary sources according to the initial prerequisites for research, methods of probability theory and mathematical statistics were used. Experimental studies were carried out by a complex method using the Resurs-PKE device.
Main results of research: on the basis of the conducted research, it is shown that powerful electrical receivers are sources of distortion.
Толық мәтін
Введение
На современных промышленных предприятиях Российской Федерации к общей шине цеховых систем электроснабжения подключается значительное число электроприемников с нелинейными вольт-амперными характеристиками, так как данные электроприемники могут работать при различных режимах [3]. В настоящее время широко используются электроустановки индукционного нагрева (ЭИН) для поверхностной закалки, гибки труб, высокочастотной пайки и т. д. Принцип индукционного нагрева основан на создании электромагнитного поля высокой частоты, которое индуцирует в нагреваемом теле вихревые токи. Для создания индуцированных токов используются высокочастотные генераторы на базе статических силовых полупроводниковых преобразователей. В зависимости от вида электротехнологической нагрузки применяются статические преобразователи различной конфигурации и построенные на разнообразной элементной базе. Статические полупроводниковые преобразователи являются генераторами высших гармоник тока и напряжения в электрическую сеть, входящую в состав системы электроснабжения промышленного предприятия [4]. В связи с этим особую значимость имеют проблемы электромагнитной совместимости (ЭМС) как способности технических средств нормально функционировать в условиях электромагнитных воздействий, не создавая при этом недопустимых помех для других технических средств [5].
Проблема электромагнитной совместимости технических средств в электроэнергетических системах возникает у приёмников электрической энергии и в системах распределения этой энергии, если нарушается их нормальное функционирование [6].
Реакция технического средства (ТС) на воздействие электромагнитных помех зависит от его помеховосприимчивости (иначе – электромагнитной восприимчивости) и помехоустойчивости. По определению, помеховосприимчивость – неспособность ТС работать без ухудшения качества функционирования при наличии электромагнитных помех; помехоустойчивость – способность ТС сохранять заданное качество функционирования при воздействии на него электромагнитных помех с регламентируемыми значениями параметров в отсутствии дополнительных средств защиты от электромагнитных помех, не относящихся к принципу действия или построения ТС [2, 7].
В электроэнергетических системах и в системах распределения электрической энергии при нарушении нормального функционирования приёмников этой энергии появляется проблема ЭМС технических средств. Обнаруживается наличие электромагнитных влияний. При этом снижается качество функционирования технических средств – совокупность показателей технического средства, характеризующих его способность удовлетворять требованиям эксплуатации [2].
Одним из основных факторов повышения энергетической эффективности промышленных предприятий является повышение качества электроэнергии. Удовлетворение норм показателей КЭ является необходимым условием безопасного применения электрооборудования. Несоответствие норм показателей КЭ может привести к порче дорогостоящего оборудования, нарушениям производственных циклов, выпуску некачественной продукции. Своевременное обнаружение отклонений показателей КЭ от нормы позволяет предотвратить данные негативные последствия.
Руководящие документы [8, 9] устанавливают методику по контролю и анализу качества электрической энергии в системах электроснабжения общего назначения, проведения работ, процедуры выполнения измерений, обработки и представления результатов при различных видах контроля и испытаний электрической энергии на соответствие требованиям межгосударственного стандарта [10]. Он предназначен для персонала энергоснабжающих и энергопотребляющих организаций, аккредитованных испытательных лабораторий, органов государственного энергетического надзора за соблюдением требований [11].
При всех видах контроля и измерений показателей КЭ, за исключением технологического контроля, должны использоваться средства измерений, реализующие алгоритмы обработки измерительной информации в соответствии с требованием ГОСТ 32144-2013 и имеющие метрологические характеристики [10-11].
Результаты экспериментальных исследований наиболее достоверно представляют информацию об электромагнитной обстановке в электрической сети. Для измерения показателей КЭ применялся прибор «Ресурс-ПКЭ» модификации «Ресурс-ПКЭ-1.7-ои-А», предназначенный для автоматических измерений показателей КЭ в соответствии с требованиями ГОСТ 30804.4.30-2013 для оценки соответствия значений показателей КЭ установленным нормам согласно ГОСТ 32144-2013 [10].
Прибор «Ресурс-ПКЭ» позволяет одновременно измерять параметры напряжения одного трёхфазного фидера и работать автономно и в составе автоматизированных информационно-измерительных систем. Прибор обеспечивает: ведение реального времени и календаря; синхронизацию времени с национальной шкалой координированного времени Российской Федерации UTC (SU) с помощью GPS-приёмника, входящего в комплект поставки; автоматическую и программную коррекцию времени внутреннего таймера один раз в сутки на время не более ±20 с; передачу данных по интерфейсам RS-223 и RS-485 во внешнее устройство (компьютер, модем) [4].
На приборы «Ресурс-ПКЭ» выдано свидетельство об утверждении типа средств измерений RU.C.34.004.A № 45577, утверждено от 24 февраля 2012 г. и продлено от 17 февраля 2017 г., соответственно, приказами № 111 и № 312 Федерального агентства по техническому регулированию и метрологии. Прибор имеет свидетельство о поверке № 19-0320.
Исследование проводились на полигоне исследования промышленного предприятия ЗАО «СибГазСтройДеталь». Электрическими потребителями являются установки индукционного нагрева (станы горячего гнутья), станок горизонтально-расточной с ЧПУ, станок горизонтально-расточной, мостовой кран, токарные станки с ЧПУ, кран-балка, наждак, фуганок, пилорама, вытяжка, освещение, бытовые посещения.
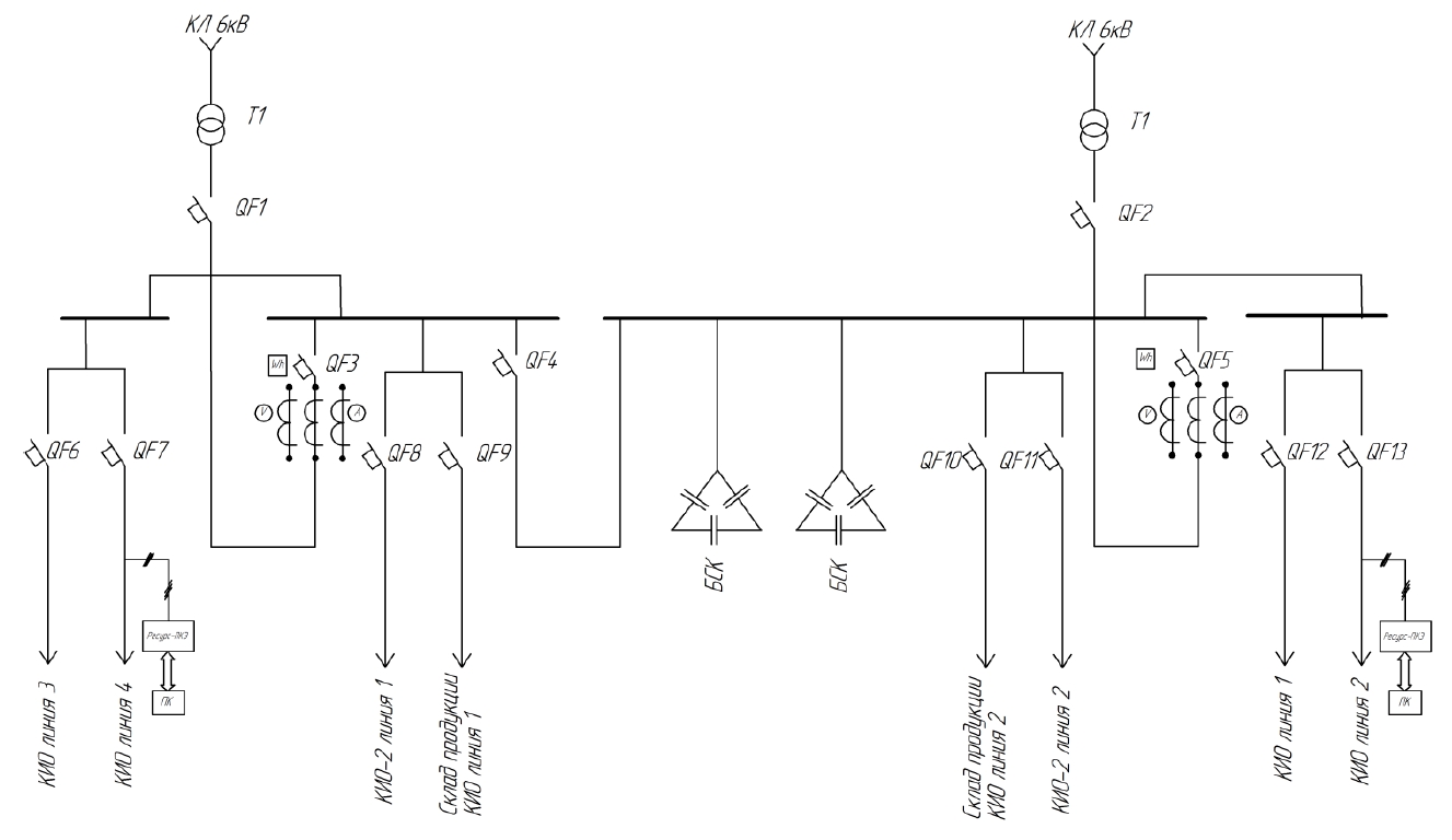
Схема подключение прибора – анализатора качества электроэнергии в схему электроснабжения приведена на рисунке 1.
Рисунок 1 – Схема подключение прибора – анализатора качества электроэнергии
После того, как получен массив данных в ходе экспериментальных исследований с помощью прибора «Ресурс-ПКЭ», его необходимо обработать. Проверка качества электроэнергии полигона исследования на соответствие требованиям ГОСТ 32144-2013 [10] проводилась по следующим показателям качества электроэнергии: медленные изменения напряжений; несимметрия напряжений по обратной последовательности, суммарный коэффициент гармонических составляющих напряжения и коэффициент n-ой гармонической составляющей напряжения. Для обработки результатов измерений по данным ПКЭ использовались программные продукты [12-15], созданные в научной школе Сибирского государственного университета водного транспорта. Данные программы разработаны в среде программного продукта LabVIEW [16].
Используемые программные продукты [12-15] позволяют вычислять такие параметры распределения, как математическое ожидание, дисперсия и среднеквадратичное отклонение. Также программа вычисляет вероятности выхода показателя КЭ за нормируемые значения и определяет вероятность появления кондуктивной низкочастотной ЭМП. Для визуализации полученных в ходе экспериментальных исследований данных программа содержит осциллограмму напряжения и гистограмму распределения.
Результаты и обсуждение
Сводные данные результатов экспериментальных исследований по ПКЭ приведены в таблицах. Жирным шрифтом выделены значения показателей КЭ, выходящие за нормируемые пределы.
Таблица 1
Сводные данные результатов экспериментальных исследований по медленному изменению напряжений при работе установок индукционного нагрева
№ п/п | Параметры | Значения на фазе А | Значения на фазе В | Значения на фазе С |
1 | Максимальное значение медленных изменений, , В | 416 | 415 | 415 |
2 | Минимальное значение медленных изменений, , В | 399 | 398 | 398 |
3 | Математическое ожидание медленных изменений напряжения , В | 409,068 | 407,916 | 408,083 |
4 | Дисперсия D | 17,971 | 19,757 | 18,784 |
5 | Среднеквадратичное отклонение , В | 4,239 | 4,445 | 4,334 |
6 | Вероятность выхода установившегося отклонения за границу Uн -10%, % | 0,000 | 0,000 | 0,000 |
7 | Вероятность выхода установившегося отклонения за границу Uн + 10%, % | 0,000 | 0,000 | 0,000 |
8 | Вероятность кондуктивной электромагнитной помехи ЭМП , % | 0,000 | 0,000 | 0,000 |
Таблица 2
Сводные данные результатов экспериментальных исследований коэффициента несимметрии напряжений по обратной последовательности при работе установок индукционного нагрева
№ п/п | Параметры | Значения |
1 | Максимальное значение коэффициента несимметрии напряжения по обратной последовательности, | 0,37 |
2 | Минимальное значение коэффициента несимметрии напряжения по обратной последовательности, | 0,05 |
3 | Математическое ожидание коэффициентов несимметрии напряжения по обратной последовательности , % | 0,178 |
4 | Среднеквадратичное отклонение | 0,081 |
5 | Вероятность выхода за нормально допустимое значение K2uн, % | 0,000 |
6 | Вероятность выхода за нормально допустимое значение K2uп, % | 0,000 |
7 | Вероятность кондуктивной электромагнитной помехи ЭМП K2u,% | 0,000 |
8 | Вероятность кондуктивной электромагнитной помехи ЭМП K2u по нормально допустимому значению, % | 0,000 |
9 | Вероятность кондуктивной электромагнитной помехи ЭМП K2u по предельно допустимому значению, % | 0,000 |
Таблица 3
Сводные данные результатов экспериментальных исследований по суммарному коэффициенту гармонических составляющих напряжения при работе установок индукционного нагрева
№ п/п | Параметры | Значения на фазе А | Значения на фазе В | Значения на фазе С |
1 | Максимальное значение суммарных коэффициентов гармонических составляющих напряжения, , | 3,14 | 3,19 | 2,94 |
2 | Минимальное значение суммарных коэффициентов гармонических составляющих напряжения, , | 1,88 | 1,90 | 1,68 |
3 | Математическое ожидание суммарных коэффициентов гармонических составляющих напряжения , % | 2,379 | 2,424 | 2,285 |
4 | Среднеквадратичное отклонение | 0,261 | 0,262 | 0,243 |
5 | Вероятность выхода за нормально допустимое значение коэффициента Kuн | 0,000 | 0,000 | 0,000 |
6 | Вероятность выхода за нормально допустимое значение коэффициента Kuп | 0,000 | 0,000 | 0,000 |
7 | Вероятность кондуктивной электромагнитной помехи ЭМП Ku,% | 0,000 | 0,000 | 0,000 |
8 | Вероятность кондуктивной электромагнитной помехи ЭМП Ku по нормально допустимому значению, % | 0,000 | 0,000 | 0,000 |
9 | Вероятность кондуктивной электромагнитной помехи ЭМП Ku по предельно допустимому значению, % | 0,000 | 0,000 | 0,000 |
Таблица 4
Вероятность появления кондуктивной низкочастотной ЭМП по коэффициенту n-ой гармонической составляющей напряжения при работе установок индукционного нагрева
№ гармоники | Фаза А | Фаза В | Фаза С | ||||||
|
|
|
|
|
|
|
|
| |
2 | 0,00 | 0,00 | 0,00 | 0,00 | 0,00 | 0,00 | 0,00 | 0,00 | 0,00 |
3 | 0,00 | 0,00 | 0,00 | 0,00 | 0,00 | 0,00 | 0,00 | 0,00 | 0,00 |
4 | 0,00 | 0,00 | 0,00 | 0,00 | 0,00 | 0,00 | 0,00 | 0,00 | 0,00 |
5 | 0,00 | 0,00 | 0,00 | 0,00 | 0,00 | 0,00 | 0,00 | 0,00 | 0,00 |
6 | 0,00 | 0,00 | 0,00 | 0,00 | 0,00 | 0,00 | 0,00 | 0,00 | 0,00 |
7 | 0,00 | 0,00 | 0,00 | 0,00 | 0,00 | 0,00 | 0,00 | 0,00 | 0,00 |
8 | 0,00 | 0,00 | 0,00 | 0,00 | 0,00 | 0,00 | 0,00 | 0,00 | 0,00 |
9 | 0,00 | 0,00 | 0,00 | 0,00 | 0,00 | 0,00 | 0,00 | 0,00 | 0,00 |
10 | 0,117 | 0,00 | 0,00 | 0,00 | 0,00 | 0,00 | 0,00 | 0,00 | 0,00 |
11 | 0,00 | 0,00 | 0,00 | 0,00 | 0,00 | 0,00 | 0,00 | 0,00 | 0,00 |
12 | 0,00 | 0,00 | 0,00 | 0,00 | 0,00 | 0,00 | 0,098 | 0,00 | 0,00 |
13 | 0,00 | 0,00 | 0,00 | 0,00 | 0,00 | 0,00 | 0,00 | 0,00 | 0,00 |
14 | 1,11 | 1,887 | 1,887 | 3,102 | 3,206 | 3,206 | 1,993 | 1,826 | 1,826 |
15 | 13,56 | 3,733 | 12,29 | 7,662 | 1,572 | 4,234 | 18,57 | 4,028 | 17,59 |
16 | 2,468 | 2,79 | 2,79 | 1,065 | 0,852 | 0,852 | 0,524 | 2,306 | 2,306 |
17 | 0,00 | 0,00 | 0,00 | 0,00 | 0,00 | 0,00 | 0,00 | 0,00 | 0,00 |
18 | 0,00 | 0,00 | 0,00 | 0,00 | 0,00 | 0,00 | 0,688 | 0,00 | 0,00 |
19 | 0,00 | 0,00 | 0,00 | 0,00 | 0,00 | 0,00 | 0,00 | 0,00 | 0,00 |
20 | 1,659 | 0,111 | 0,111 | 1,963 | 1,636 | 1,636 | 2,608 | 0,453 | 0,453 |
21 | 3,413 | 0,00 | 0,00 | 8,448 | 0,786 | 4,234 | 8,35 | 0,098 | 3,448 |
22 | 1,566 | 0,522 | 0,522 | 0,106 | 0,00 | 0,00 | 2,094 | 0,209 | 0,209 |
23 | 0,00 | 0,00 | 0,00 | 0,00 | 0,00 | 0,00 | 0,00 | 0,00 | 0,00 |
24 | 0,00 | 0,00 | 0,00 | 0,00 | 0,00 | 0,00 | 0,00 | 0,00 | 0,00 |
25 | 0,00 | 0,00 | 0,00 | 0,00 | 0,00 | 0,00 | 0,00 | 0,00 | 0,00 |
26 | 0,00 | 0,00 | 0,00 | 1,044 | 0,261 | 0,261 | 0,715 | 0,119 | 0,119 |
27 | 0,00 | 0,00 | 0,00 | 1,081 | 0,00 | 0,00 | 2,358 | 0,00 | 0,00 |
28 | 0,770 | 0,642 | 0,642 | 0,00 | 0,00 | 0,00 | 0,657 | 0,919 | 0,919 |
29 | 0,00 | 0,00 | 0,00 | 0,00 | 0,00 | 0,00 | 0,00 | 0,00 | 0,00 |
30 | 0,00 | 0,00 | 0,00 | 0,00 | 0,00 | 0,00 | 0,00 | 0,00 | 0,00 |
31 | 0,00 | 0,00 | 0,00 | 0,00 | 0,00 | 0,00 | 0,00 | 0,00 | 0,00 |
32 | 0,00 | 0,00 | 0,00 | 0,163 | 0,00 | 0,00 | 0,00 | 0,00 | 0,00 |
33 | 0,00 | 0,00 | 0,00 | 0,00 | 0,00 | 0,00 | 0,786 | 0,00 | 0,00 |
34 | 0,00 | 0,00 | 0,00 | 0,00 | 0,00 | 0,00 | 0,577 | 0,00 | 0,00 |
35 | 0,00 | 0,00 | 0,00 | 0,00 | 0,00 | 0,00 | 0,00 | 0,00 | 0,00 |
36 | 0,00 | 0,00 | 0,00 | 0,00 | 0,00 | 0,00 | 0,00 | 0,00 | 0,00 |
37 | 0,00 | 0,00 | 0,00 | 0,00 | 0,00 | 0,00 | 0,00 | 0,00 | 0,00 |
38 | 0,185 | 0,00 | 0,00 | 0,348 | 0,00 | 0,00 | 0,523 | 0,00 | 0,00 |
39 | 0,098 | 0,00 | 0,00 | 0,098 | 0,00 | 0,00 | 0,491 | 0,00 | 0,00 |
40 | 0,00 | 0,00 | 0,00 | 0,00 | 0,00 | 0,00 | 0,00 | 0,00 | 0,00 |
Таблица 5
Вероятность появления кондуктивной низкочастотной ЭМП по коэффициенту n-ой гармонической составляющей напряжения, когда не работают установки индукционного нагрева
№ гармоники | Фаза А | Фаза В | Фаза С | ||||||
|
|
|
|
|
|
|
|
| |
2 | 0,00 | 0,00 | 0,00 | 0,00 | 0,00 | 0,00 | 0,00 | 0,00 | 0,00 |
3 | 0,00 | 0,00 | 0,00 | 0,00 | 0,00 | 0,00 | 0,00 | 0,00 | 0,00 |
4 | 0,00 | 0,00 | 0,00 | 0,00 | 0,00 | 0,00 | 0,00 | 0,00 | 0,00 |
5 | 0,00 | 0,00 | 0,00 | 0,00 | 0,00 | 0,00 | 0,00 | 0,00 | 0,00 |
6 | 0,00 | 0,00 | 0,00 | 0,00 | 0,00 | 0,00 | 0,00 | 0,00 | 0,00 |
7 | 0,00 | 0,00 | 0,00 | 0,00 | 0,00 | 0,00 | 0,00 | 0,00 | 0,00 |
8 | 0,00 | 0,00 | 0,00 | 0,00 | 0,00 | 0,00 | 0,00 | 0,00 | 0,00 |
9 | 0,00 | 0,00 | 0,00 | 0,00 | 0,00 | 0,00 | 0,00 | 0,00 | 0,00 |
10 | 0,00 | 0,00 | 0,00 | 0,00 | 0,00 | 0,00 | 0,00 | 0,00 | 0,00 |
11 | 0,00 | 0,00 | 0,00 | 0,00 | 0,00 | 0,00 | 0,00 | 0,00 | 0,00 |
12 | 0,198 | 0,00 | 0,00 | 0,00 | 0,00 | 0,00 | 0,00 | 0,00 | 0,00 |
13 | 0,00 | 0,00 | 0,00 | 0,00 | 0,00 | 0,00 | 0,00 | 0,00 | 0,00 |
14 | 0,00 | 0,00 | 0,00 | 0,00 | 0,00 | 0,00 | 0,00 | 0,00 | 0,00 |
15 | 2,48 | 0,297 | 0,297 | 0,793 | 0,00 | 0,00 | 3,175 | 5,853 | 5,853 |
16 | 0,00 | 0,00 | 0,00 | 0,00 | 0,00 | 0,00 | 0,00 | 0,00 | 0,00 |
17 | 0,00 | 0,00 | 0,00 | 0,00 | 0,00 | 0,00 | 0,00 | 0,00 | 0,00 |
18 | 0,00 | 0,00 | 0,00 | 0,00 | 0,00 | 0,00 | 2,087 | 0,00 | 0,00 |
19 | 0,00 | 0,00 | 0,00 | 0,00 | 0,00 | 0,00 | 0,00 | 0,00 | 0,00 |
20 | 1,004 | 0,00 | 0,00 | 0,00 | 0,00 | 0,00 | 2,425 | 0,00 | 0,00 |
21 | 3,671 | 4,464 | 4,464 | 3,075 | 4,067 | 4,067 | 2,083 | 5,952 | 5,952 |
22 | 2,267 | 0,00 | 0,00 | 0,00 | 0,00 | 0,00 | 2,854 | 0,00 | 0,00 |
23 | 0,00 | 0,00 | 0,00 | 0,00 | 0,00 | 0,00 | 0,00 | 0,00 | 0,00 |
24 | 1,687 | 0,00 | 0,00 | 0,00 | 0,00 | 0,00 | 2,877 | 0,794 | 0,794 |
25 | 0,00 | 0,00 | 0,00 | 0,00 | 0,00 | 0,00 | 0,00 | 0,00 | 0,00 |
26 | 3,043 | 0,00 | 0,00 | 0,00 | 0,00 | 0,00 | 4,478 | 1,493 | 1,493 |
27 | 2,579 | 5,357 | 5,357 | 2,579 | 2,679 | 2,679 | 0,992 | 7,738 | 7,738 |
28 | 4,815 | 0,371 | 0,371 | 0,00 | 0,00 | 0,00 | 5,214 | 2,793 | 3,007 |
29 | 0,00 | 0,00 | 0,00 | 0,00 | 0,00 | 0,00 | 0,00 | 0,00 | 0,00 |
30 | 2,579 | 0,595 | 0,595 | 0,694 | 0,198 | 0,198 | 3,472 | 2,579 | 2,579 |
31 | 0,00 | 0,00 | 0,00 | 0,00 | 0,00 | 0,00 | 0,00 | 0,00 | 0,00 |
32 | 4,99 | 1,871 | 1,871 | 0,407 | 0,00 | 0,00 | 9,636 | 6,424 | 11,06 |
33 | 2,183 | 5,357 | 5,357 | 2,877 | 4,762 | 4,762 | 0,595 | 8,135 | 8,135 |
34 | 5,835 | 1,006 | 1,841 | 0,00 | 0,00 | 0,00 | 7,063 | 5,204 | 7,268 |
35 | 0,00 | 0,00 | 0,00 | 0,00 | 0,00 | 0,00 | 0,00 | 0,00 | 0,00 |
36 | 3,002 | 0,621 | 0,621 | 0,00 | 0,00 | 0,00 | 4,687 | 3,125 | 3,125 |
37 | 0,00 | 0,00 | 0,00 | 0,00 | 0,00 | 0,00 | 0,00 | 0,00 | 0,00 |
38 | 7,264 | 2,179 | 4,443 | 0,265 | 0,00 | 0,00 | 9,535 | 9,535 | 14,07 |
39 | 2,381 | 5,853 | 5,853 | 1,687 | 4,861 | 4,861 | 0,595 | 8,135 | 8,135 |
40 | 7,945 | 3,288 | 6,233 | 0,00 | 0,00 | 0,00 | 9,071 | 7,965 | 12,04 |
Таблица 6
Вероятность появления кондуктивной низкочастотной ЭМП по коэффициенту n-ой гармонической составляющей напряжения смежной линии
№ гармоники | Фаза А | Фаза В | Фаза С | ||||||
|
|
|
|
|
|
|
|
| |
2 | 0,00 | 0,00 | 0,00 | 0,00 | 0,00 | 0,00 | 0,00 | 0,00 | 0,00 |
3 | 0,00 | 0,00 | 0,00 | 0,00 | 0,00 | 0,00 | 0,00 | 0,00 | 0,00 |
4 | 0,00 | 0,00 | 0,00 | 0,00 | 0,00 | 0,00 | 0,00 | 0,00 | 0,00 |
5 | 0,00 | 0,00 | 0,00 | 0,00 | 0,00 | 0,00 | 0,00 | 0,00 | 0,00 |
6 | 0,00 | 0,00 | 0,00 | 0,00 | 0,00 | 0,00 | 0,00 | 0,00 | 0,00 |
7 | 0,00 | 0,00 | 0,00 | 0,00 | 0,00 | 0,00 | 0,00 | 0,00 | 0,00 |
8 | 0,00 | 0,00 | 0,00 | 0,00 | 0,00 | 0,00 | 0,00 | 0,00 | 0,00 |
9 | 0,00 | 0,00 | 0,00 | 0,00 | 0,00 | 0,00 | 0,00 | 0,00 | 0,00 |
10 | 0,00 | 0,00 | 0,00 | 0,00 | 0,00 | 0,00 | 0,00 | 0,00 | 0,00 |
11 | 0,00 | 0,00 | 0,00 | 0,00 | 0,00 | 0,00 | 0,00 | 0,00 | 0,00 |
12 | 0,00 | 0,00 | 0,00 | 0,00 | 0,00 | 0,00 | 0,00 | 0,00 | 0,00 |
13 | 0,00 | 0,00 | 0,00 | 0,00 | 0,00 | 0,00 | 0,00 | 0,00 | 0,00 |
14 | 0,00 | 0,00 | 0,00 | 0,00 | 0,00 | 0,00 | 0,00 | 0,00 | 0,00 |
15 | 0,297 | 0,00 | 0,00 | 0,00 | 0,00 | 0,00 | 0,396 | 0,00 | 0,00 |
16 | 0,00 | 0,00 | 0,00 | 0,00 | 0,00 | 0,00 | 0,00 | 0,00 | 0,00 |
17 | 0,00 | 0,00 | 0,00 | 0,00 | 0,00 | 0,00 | 0,00 | 0,00 | 0,00 |
18 | 0,00 | 0,00 | 0,00 | 0,00 | 0,00 | 0,00 | 0,00 | 0,00 | 0,00 |
19 | 0,00 | 0,00 | 0,00 | 0,00 | 0,00 | 0,00 | 0,00 | 0,00 | 0,00 |
20 | 0,125 | 0,00 | 0,00 | 0,476 | 0,00 | 0,00 | 0,135 | 0,00 | 0,00 |
21 | 0,198 | 0,00 | 0,00 | 0,893 | 0,298 | 0,298 | 1,587 | 0,00 | 0,00 |
22 | 0,505 | 0,00 | 0,00 | 0,00 | 0,00 | 0,00 | 0,388 | 0,00 | 0,00 |
23 | 0,00 | 0,00 | 0,00 | 0,00 | 0,00 | 0,00 | 0,00 | 0,00 | 0,00 |
24 | 0,00 | 0,00 | 0,00 | 0,00 | 0,00 | 0,00 | 0,00 | 0,00 | 0,00 |
25 | 0,00 | 0,00 | 0,00 | 0,00 | 0,00 | 0,00 | 0,00 | 0,00 | 0,00 |
26 | 0,00 | 0,00 | 0,00 | 0,258 | 0,258 | 0,258 | 0,00 | 0,00 | 0,00 |
27 | 0,00 | 0,00 | 0,00 | 0,099 | 0,00 | 0,00 | 1,587 | 0,00 | 0,00 |
28 | 0,565 | 0,00 | 0,00 | 0,00 | 0,00 | 0,00 | 0,166 | 0,00 | 0,00 |
29 | 0,00 | 0,00 | 0,00 | 0,00 | 0,00 | 0,00 | 0,00 | 0,00 | 0,00 |
30 | 0,00 | 0,00 | 0,00 | 0,00 | 0,00 | 0,00 | 0,00 | 0,00 | 0,00 |
31 | 0,00 | 0,00 | 0,00 | 0,00 | 0,00 | 0,00 | 0,00 | 0,00 | 0,00 |
32 | 0,00 | 0,00 | 0,00 | 0,310 | 0,00 | 0,00 | 0,00 | 0,00 | 0,00 |
33 | 0,00 | 0,00 | 0,00 | 0,00 | 0,00 | 0,00 | 0,893 | 0,00 | 0,00 |
34 | 0,181 | 0,00 | 0,00 | 0,00 | 0,00 | 0,00 | 0,00 | 0,00 | 0,00 |
35 | 0,00 | 0,00 | 0,00 | 0,00 | 0,00 | 0,00 | 0,00 | 0,00 | 0,00 |
36 | 0,00 | 0,00 | 0,00 | 0,00 | 0,00 | 0,00 | 0,00 | 0,00 | 0,00 |
37 | 0,00 | 0,00 | 0,00 | 0,00 | 0,00 | 0,00 | 0,00 | 0,00 | 0,00 |
38 | 0,00 | 0,00 | 0,00 | 0,00 | 0,00 | 0,00 | 0,00 | 0,00 | 0,00 |
39 | 0,00 | 0,00 | 0,00 | 0,00 | 0,00 | 0,00 | 0,00 | 0,00 | 0,00 |
40 | 0,00 | 0,00 | 0,00 | 0,00 | 0,00 | 0,00 | 0,00 | 0,00 | 0,00 |
Заключение и выводы
Из полученных данных можно заметить следующее:
- вероятность выхода за границу как отрицательного, так и положительного значения изменения напряжения на фазах А, В и С в исследуемой электрической сети равна 0. Также равна 0 и вероятность кондуктивной низкочастотной ЭМП по медленному изменению напряжения на всех фазах. Следовательно, наблюдается соответствие ГОСТ 32144-2013 по медленным изменениям напряжения и отсутствие кондуктивной низкочастотной ЭМП по данному показателю КЭ;
- вероятность кондуктивной низкочастотной ЭМП по нормально и предельно допустимым значениям K2U равна 0. Также вероятность выхода K2U за нормально и предельно допустимые значения на всех фазах равна 0. Следовательно, на данном участке наблюдается соответствие качества электрической энергии по коэффициенту несимметрии напряжений по обратной последовательности ГОСТ 32144-2013 и отсутствие кондуктивной низкочастотной ЭМП по данному показателю КЭ;
- вероятность кондуктивной низкочастотной ЭМП по нормально и предельно допустимым значениям KU во всех фазах равна 0. Также вероятность выхода KU за нормально допустимое и предельно допустимое значения на всех фазах равна 0. Следовательно, на данном участке наблюдается соответствие качества электрической энергии по суммарному коэффициенту гармонических составляющих напряжения ГОСТ 32144-2013 и отсутствие кондуктивной низкочастотной ЭМП по данному показателю КЭ.
Установлено, что качество функционирования исследуемой сети по коэффициенту n-ой гармонической составляющей напряжения характеризуется кондуктивной низкочастотной ЭМП, которая представляется с вероятностью 0,95 математическим ожиданием и среднеквадратичным отклонением. Вероятность появления этой помехи превышает допустимую вероятность коэффициентом нормально допустимого и предельно допустимого значения в несколько раз [2, 10].
Авторлар туралы
Alexander Antonov
Siberian State University of Water Transport
Хат алмасуға жауапты Автор.
Email: aleksandr_antonov_85@mail.ru
Candidate of Technical Sciences, Associate Professor
Ресей, OmskDmitry Rudy
Siberian State University of Water Transport
Email: aleksandr_antonov_85@mail.ru
Senior Lecturer, Department of Electrical Engineering and Electrical Equipment
Ресей, OmskKonstantin Hatsevskiy
Siberian State University of Water Transport
Email: aleksandr_antonov_85@mail.ru
Doctor of Technical Sciences, Professor of the Department of Electrical Engineering and Electrical Equipment
Ресей, OmskӘдебиет тізімі
- Волков, Н. Г. Качество электроэнергии в системах электроснабжения: учебное пособие / Н. Г. Волков; Национальный исследовательский Томский политехнический универси-тет. – Томск: Изд-во Томского политехнического университета, 2010. – 152 с. – Текст : непосредственный.
- Данилов, Г. А. Повышение качества функционирования линий электропередачи / Г. А. Данилов, Ю. М. Денчик, М. Н. Иванов, Г. В. Ситников; под ред. В. П. Горелова, В. Г. Сальникова. – Новосибирск : Новосиб. гос. акад. водн. трансп., 2013. – 559 с. – Текст : непосредственный.
- Лимаров, Д. С. Электромагнитная совместимость в цеховых системах электроснабжения при наличии электроприемников с нелинейными вольт-амперными характеристиками : дисс. ... канд. техн. наук : 05.14.02 / Лимаров Денис Сергеевич. – Белгород, 2015. – 189 с. – Текст : непосредственный.
- Антонов, А. И. Исследование качества электроэнергии в электрических сетях с полу-проводниковыми преобразователями / А. И. Антонов, Д. Ю. Руди, К. В. Хацевский. – Текст : непосредственный // Вестник Югорского государственного университета. – 2023. – № 1 (68). – С. 123–130.
- Коржов, Д. Н. Обеспечение электромагнитной совместимости в системах электроснаб-жения промышленных предприятий с электроустановками индукционного нагрева : дисс. ... канд. техн. наук : 05.14.02 / Коржов Дмитрий Николаевич. – Белгород, 2015. – 169 с. – Текст : непосредственный.
- Проблемы качества электроэнергии в системах электроснабжения / К. В. Хацевский, Ю. М. Денчик, В. И. Клеутин [и др.]. – Текст : непосредственный // Омский научный вест-ник. – 2012. – № 2 (110). – С. 212–214.
- Иванова, Е. В. Кондуктивные электромагнитные помехи в электроэнергетических си-стемах : теория, расчет, подавление : дисс. ... докт. техн. наук : 05.14.02 / Иванова Елена Васильевна. – Новосибирск, 2007. – 345 с. – Текст : непосредственный.
- РД 153–34.0–15.501–01. Методические указания по контролю и анализу качества элек-трической энергии в системах электроснабжения общего назначения: Часть 1. Контроль качества электрической энергии. – М. : Минэнерго РФ. – 2000. – 67 с. – Текст : непо-средственный.
- РД 153–34.0–15.502–02. Методические указания по контролю и анализу качества элек-трической энергии в системах электроснабжения общего назначения: Часть 2. Анализ электрической энергии. – М. : Минэнерго РФ. – 2002. – 49 с. – Текст : непосредствен-ный.
- ГОСТ 32144-2013. Межгосударственный стандарт. Электрическая энергия. Совмести-мость технических средств электромагнитная. Нормы качества электрической энергии в системах электроснабжения общего назначения. – М. : Стандартинформ, 2014. – 15 с. – Текст : непосредственный
- Скакунов, Д. А. Методы и средства обеспечения качества электрической энергии в рас-пределительных сетях 0,4–6 кВ нефтеперерабатывающих предприятий : диссертация ... кандидата технических наук : 05.14.02 / Скакунов Дмитрий Александрович. – Красно-ярск, 2010. – 218 с. – Текст : непосредственный.
- Свидетельство о государственной регистрации программы для ЭВМ RU2021613934 Программа для определения кондуктивной низкочастотной электромагнитной помехи по коэффициенту n-й гармонической составляющей напряжения / Д. Ю. Руди, А. И. Ан-тонов, Ю. М. Денчик [и др.]. Заявка № 2021610633; Опубл. 16.03.2021. Бюл. 8(137). – 1 с.
- Свидетельство о государственной регистрации программы для ЭВМ RU2016615972. Программа для исследования медленных изменений напряжения при изменении нагруз-ки электрической сети / А. И. Антонов, Ю. М. Денчик, Д. А. Зубанов [и др.]. Заявка № 2016613475; Опубл. 20.07.16. Бюл. 7(117). – 1 с.
- Свидетельство о государственной регистрации программы для ЭВМ RU2016616351 Программа для оценки влияния суммарного коэффициента гармонических составляю-щих напряжения на качество электрической энергии / А. И. Антонов, Ю. М. Денчик, Д. А. Зубанов [и др.]. Заявка № 2016613475; Опубл. 20.07.16. Бюл. 7(117). – 1 с.
- Свидетельство о государственной регистрации программы для ЭВМ RU2016661752. Обработка экспериментальных данных показателей качества электрической энергии по коэффициенту несимметрии напряжений по обратной последовательности / А. И. Анто-нов, Ю. М. Денчик, Д. А. Зубанов [и др.]. Заявка № 2016619225; Опубл. 20.11.16. Бюл 11(121). – 1 с.
- LabVIEW 8.20: Справочник по функциям / А.Я. Суранов. – М. : ДМК Пресс, 2007. – 536 с. – Текст : непосредственный.
Қосымша файлдар


