Assessment of the spectral energy of zero-sequence currents in protected feeders with the presence of single-phase to ground fault in the isolated network
- Authors: Paramzin A.O.1
-
Affiliations:
- Yugra State University
- Issue: Vol 20, No 3 (2024)
- Pages: 44-50
- Section: POWER INDUSTRY
- Submitted: 13.11.2024
- Published: 08.11.2024
- URL: https://ogarev-online.ru/1816-9228/article/view/269896
- DOI: https://doi.org/10.18822/byusu20240344-50
- ID: 269896
Cite item
Full Text
Abstract
Subject of research: methods of relative measurement of higher harmonics for detecting a faulty feeder with a single-phase ground fault.
Purpose of research: evaluation of sensitivity of the methodology of faulty feeder search using wavelet transform.
Object of research: distribution networks of 6(10) kV.
Main results of research: the level of higher harmonics does not affect the performance of the technique, regardless of the point of the fault and the harmonic composition of the load, the damaged connection is the highest value of the spectrum energy.
Full Text
ВВЕДЕНИЕ
На протяжении более 100 лет российская энергетическая структура характеризуется преобладанием распределительных сетей напряжением 6 (10) кВ. Как правило, большая часть из них выполнена воздушными линиями электропередачи (ВЛЭП) и функционирует в режиме изолированной нейтрали. Несмотря на высокий уровень надежности электроснабжения, важно отметить довольно частое возникновение однофазных замыканий на землю (ОЗЗ) в таких сетях [2]. Такой вид замыкания не шунтирует нагрузку, как следствие, не относится к коротким замыканиям, а значит, при малых токах замыкания позволяет осуществлять эксплуатацию сети в процессе поиска повреждения.
При наличии ОЗЗ в месте замыкания возникает емкостный ток, обусловленный распределенной емкостью фазных проводников относительно земли. По своей природе ток ОЗЗ является распределенным между тремя фазами однофазным током (ток нулевой последовательности) обратным проводником, для которого выступает земля или (при их наличии) грозозащитные тросы, экраны и другие металлические конструкции.
Возникновение ОЗЗ приводит к растеканию этого тока в зоне повреждения, который является причиной смещения нейтрали и, как следствие, повышения напряжения неповрежденных фаз относительно земли до линейных значений. ОЗЗ может повлечь за собой возникновение возгораний, способствует возникновению более тяжелых повреждений, а также несет опасность поражения электрическим током живых организмов в зоне повреждения. А значит, важно, несмотря на возможность существования замыкания в сети, пока осуществляется его поиск, выполнить эту задачу как можно быстрее.
Защита от ОЗЗ может быть организована с использованием селективного [6] и неселективного подхода, где последний подразумевает общий контроль изоляции за счет измерения напряжения нулевой последовательности с сигнализацией его наличия. Однако определить конкретное присоединение при организации защит подобного рода невозможно без их поочередного отключения. Селективные устройства, в свою очередь, выполняют, опираясь на контроль тока нулевой последовательности, где наибольшее распространение получили защиты, функционирующие на основе высших гармоник [1].
Начиная с 60-х годов и до недавнего времени должный уровень селективности обеспечивался устройствами абсолютного замера высших гармоник в отходящих присоединениях, однако в связи с ростом нелинейных нагрузок увеличивался уровень искажений токов и напряжений в питающих центрах, а вместе с тем возросли уровни высших гармоник в емкостных токах. Одна из причин низкого технического совершенства указанных устройств продемонстрирована в работе [5] и заключается в наличии погрешности при оценке максимально и минимально возможных уровней высших гармоник в токе замыкания на землю.
Более совершенные устройства относительного замера функционируют на основе сравнения уровней высших гармоник в фазах защищаемых присоединений между собой. Для устойчивой работы в условиях изменяющегося гармонического состава нагрузки устройства относительного замера принято выполнять реагирующими на суммарный уровень определенных гармоник в токах 3i0. Исходя из анализа работ [11, 13], можно сделать вывод о том, что оптимальными в данном случае будут являться гармоники с 3 по 13.
Подход к идентификации однофазных замыканий на землю в сетях с изолированной нейтралью на основе вейвлет-преобразования по энергии спектра высших гармоник продемонстрирован в работе [7]. Авторы [10] отмечают необходимость оценки чувствительности защит к различным уровням ВГ при их разработке и проектировании. Выбору параметров и рекомендациям по расчету уставок посвящена работа [3]. Для оценки уровня нестабильности высших гармоник в работе [8] применена математическая модель компенсированной распределительной сети, по результатам работы которой установлено, что низкий уровень ВГ на фоне малых значений тока ОЗЗ может приводить к несрабатыванию существующих защит. А значит, проведение оценки работоспособности разрабатываемых методик в граничных условиях является актуальной задачей.
Граничные уровни ВГ зависят от множества факторов, прежде всего, от состава источников ВГ и режимов их работы, и оценить его с достаточной точностью для конкретной сети представляется невозможным. В данной работе продемонстрирована серия вычислительных экспериментов на имитационной модели распределительной сети с изолированной нейтралью, по результатам которых определены минимальные условия работоспособности методики поиска поврежденного присоединения по энергии спектра высших гармоник, где в качестве основного инструмента выступает вейвлет-преобразование.
РЕЗУЛЬТАТЫ И ОБСУЖДЕНИЕ
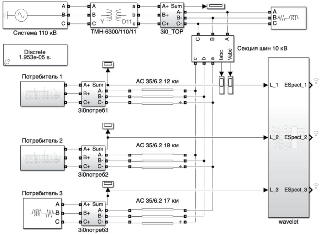
Имитационная модель разработана в среде Matlab Simulink в соответствии с теоретическими положениями и результатами статистического анализа, продемонстрированными в работах [12, 9]. Модель содержит источник бесконечной мощности напряжением 110 кВ, последовательно к которому подключен понижающий трансформатор марки ТМН-6300/110/10. Насыщение трансформатора не учитывалось, поскольку, по разным оценкам, недостоверная кривая намагничивания может давать погрешность от 10 % при оценке 5-й гармоники и до 40 % при оценке 7-й гармоники. Несинусоидальная нагрузка смоделирована схемой замещения с источником тока для каждой гармоники [4]. Действующие значения отдельных гармонических составляющих при моделировании не превышали требований ГОСТ 32144-2013.
Определяющим фактором при исследовании ОЗЗ является учет параметров линий электропередачи, где ключевым является емкостная проводимость, в значительной степени определяющая величину емкостных токов сети. В данной работе параметры ЛЭП рассчитаны методом зеркальных отображений при помощи надстройки powergui применительно к ЛЭП 10 кВ, выполненной проводом марки АС-35/6,2 на железобетонных опорах по типовому проекту серии 3.407.1-143.
Модель сети, представленная на рисунке 1, включает 3 отходящих с секции шин трансформатора 10 кВ линий, нагрузка которых и ее гармонический состав варьируются в заданном диапазоне.
Рисунок 1. Фрагмент имитационной модели в Matlab Simulink
Длина линий и ее параметры неизменны на протяжении всех экспериментов. Блок “Wavelet” позволяет осуществлять захват осциллограмм 3i0 отходящих с частотой 12,8 кГц в количестве 6 периодов, которые подвергаются дискретному вейвлет-преобразованию вейвлетом Добеши 20-го порядка и представляются суммой аппроксимирующих и детализирующих коэффициентов согласно (1):
(1)
где φj,k(t) – масштабирующая функция; ψj,k(t) – вейвлет; Сj,k – аппроксимирующие коэффициенты; Dj,k – детализирующие коэффициенты.
По найденным амплитудам вейвлет-коэффициентов вычисляется суммарная энергия спектра высших гармоник с 3 по 13 для каждого присоединения:
(2)
Затем значения энергии спектра подвергаются двунаправленной сортировке перемешиванием (шейкерная сортировка), по итогам которой выбирается наибольшее из них, соответствующее поврежденному присоединению с наличием однофазного замыкания на землю.
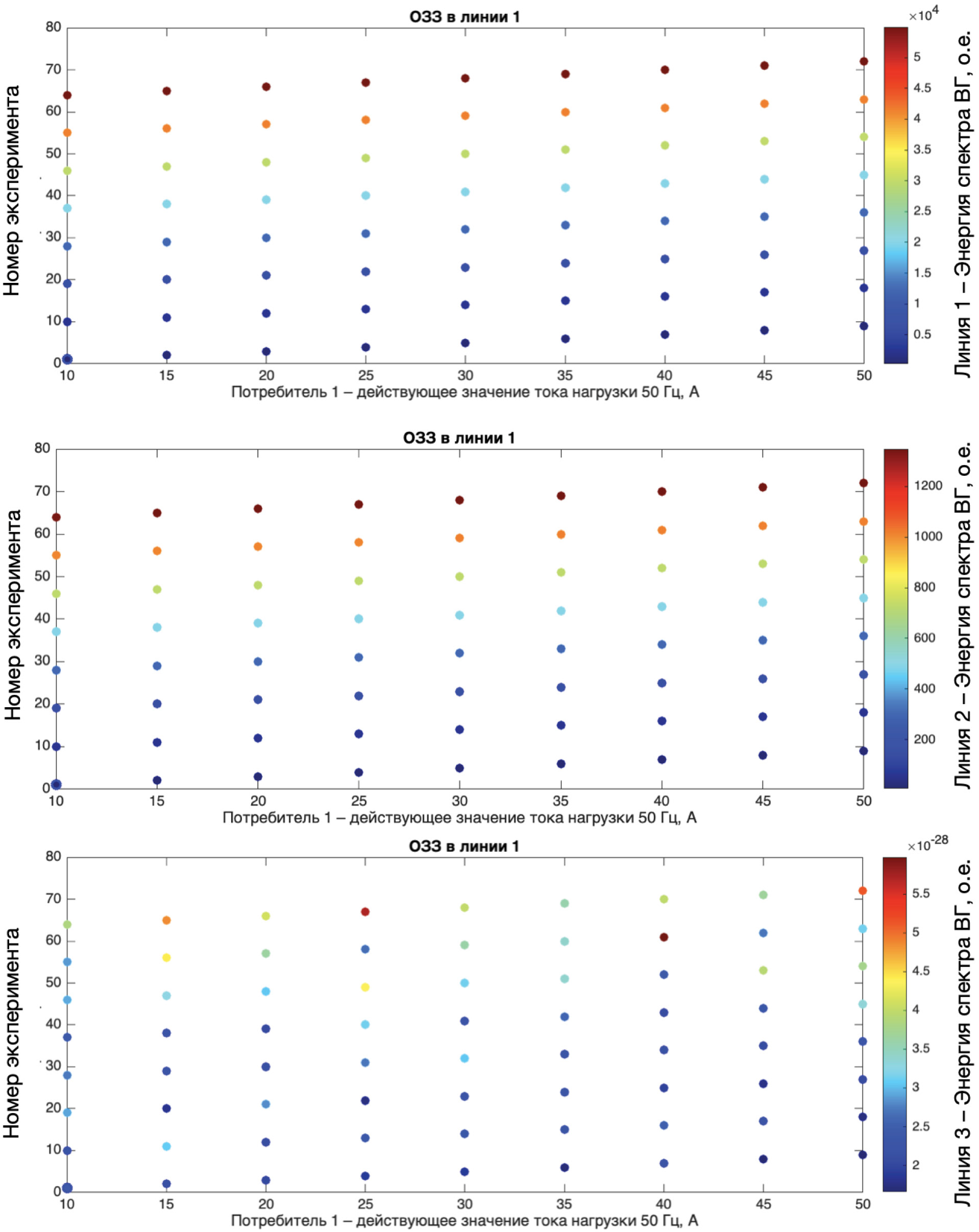
Эксперимент № 1 (рис. 2) подразумевает конфигурацию сети, состоящую из трех присоединений с ОЗЗ в конце линии 1, где начальным условиям соответствует следующий набор данных: нагрузка присоединений на частоте 50 Гц соответствует I1_50Гц=10 А, I2_50Гц=13 А, I3_50Гц=7 А; эксперимент включает 72 итерации с изменением I1_50Гц в диапазоне от 10 до 50 А с шагом в 5 А, а также I1_150Гц в диапазоне от 1 до 30 % опорной частоты с шагом в 4 %; нагрузка потребителей 2 и 3 неизменна.
Рисунок 2. Результаты эксперимента № 1
По результатам эксперимента № 1 видно, что для любой вариации параметров линии с наличием однофазного замыкания на землю соответствует наибольшее значение энергии спектра ВГ. Для итерации с минимальным уровнем искажений распределение энергии спектра между присоединениями составляет 40:1:0 о.е. Для итерации с наибольшим уровнем искажений распределение составляет 40:1:0 о.е. Важно отметить, что в данном эксперименте поврежденная линия является основным источником искажений в сети, что не позволяет гарантировать достоверность результатов и требует рассмотрения более сложного случая.
Эксперимент № 2 (рис. 3) подразумевает условия, идентичные эксперименту № 1, за исключением переноса точки ОЗЗ в конец линии 2, где ток нагрузки представлен чистой синусоидой без гармонических искажений.
Рисунок 3. Результаты эксперимента № 2
Результаты эксперимента № 2 показывают соответствие поврежденному присоединению наибольших значений энергии спектра, несмотря на активный характер нагрузки данного присоединения в нормальном режиме работы сети, уровень искажений и действующее значение тока нагрузки «здоровых» линий.
Распределение энергии спектра при наименьшем уровне искажений и нагрузках в эксперименте № 2 аналогично распределению при наибольших уровнях и составляет 1:2:0 о.е.
Эксперимент № 3 подразумевает замыкание в конце линии 3, а в качестве начальных условий принимаются I1_50Гц=10 А, I2_50Гц=30 А, I3_50Гц=7 А. Эксперимент включает 5 184 итерации с изменением параметров первого потребителя I1_50Гц в диапазоне от 10 до 50 А с шагом в 5 А, а также I1_150Гц в диапазоне от 1 до 30 % с шагом в 4 %. Для второго потребителя изменяются I2_50Гц в диапазоне от 30 до 70 А с шагом в 5 А, а также I1_150Гц в диапазоне от 1 до 30 % с шагом в 4 %. Нагрузка потребителя 3 не имеет искажений. По причине большого количества итераций отобразим результаты эксперимента в виде трехмерных поверхностей, представленных на рисунке 4, где ось Z нормирована по наибольшим значениям.
Рисунок 4. Результаты эксперимента № 3
При наложении поверхностей друг на друга несложно заметить, что поверхность, соответствующая поврежденному присоединению (линия 3) в любой из рассматриваемых итераций, будет располагаться выше соседних линий без ОЗЗ.
Распределение энергии спектра ВГ в токе 3i0 между присоединениями для наибольших и наименьших значений энергии спектра составило 1:0:2 о.е.
ЗАКЛЮЧЕНИЕ И ВЫВОДЫ
- Результаты исследования позволяют судить о работоспособности методики поиска поврежденного присоединения по энергии спектра высших гармоник на основе вейвлет-преобразования при любом уровне гармонических искажений токов нагрузки.
- Увеличение действующего значения токов нагрузки отдельных присоединений и уровня их гармонических искажений не оказывает существенного влияния на распределение энергии спектра высших гармоник в токе 3i0 отходящих присоединений для установившегося режима ОЗЗ.
- Для проверки чувствительности разработанной ранее методики необходимо осуществить ряд дополнительных исследований по изучению влияния количества присоединений на распределение энергии спектра ВГ в токах 3i0 для установившегося режима ОЗЗ.
Результаты исследования могут служить основой при разработке и модификации цифровых устройств сигнализации однофазных замыканий на землю в сетях с изолированной нейтралью на основе высших гармоник в токах нулевой последовательности.
Использование методики относительного замера высших гармоник по энергии спектра высших гармоник на основе коэффициентов вейвлет-преобразования позволяет отказаться от использования аппаратных фильтров при проектировании и совершенствовании устройств защиты от однофазных замыканий на землю в сетях 6 (10) кВ.
About the authors
Alexander O. Paramzin
Yugra State University
Author for correspondence.
Email: a_paramzin@ugrasu.ru
lecturer
Russian Federation, Khanty-MansiyskReferences
- Авербух, М. А. Оценка влияния высших гармоник на токи однофазных замыканий на землю в сетях с изолированной нейтралью напряжением 6–10 кВ / М. А. Авербух, Д. А. Прасол. – Текст : электронный // Интеллектуальная электротехника. – 2021. – № 2 (14). – С. 26–40. – doi: 10.46960/2658-6754_2021_2_26.
- Медведева М. Л. Анализ и прогноз аварийности распределительных сетей и электроприемников 6–10 кВ в горной отрасли / М. Л. Медведева, С. В. Кузьмин, И. С. Кузьмин, В. Д. Шманев. – Текст : электронный // Надежность и безопасность энергетики. – 2017. – Т. 10, № 2. – С. 120–125. – doi: 10.24223/1999-5555-2017-10-2-120-125.
- Булычев, А. В. Выбор параметров срабатывания защит от однофазных замыканий на землю в распределительных сетях при разных режимах нейтрали / А. В. Булычев – Текст : непосредственный // Релейная защита и автоматизация. – 2022. – № 1 (46). – С. 36-45.
- Долгих, Н. Н. Исследование несинусоидальных режимов работы электрооборудования в системах электроснабжения с полупроводниковыми преобразователями / Н. Н. Долгих, Д. С. Осипов, А. О. Шепелев, Е. Ю Шепелева. – Текст : электронный // Вестник Северо-Кавказского федерального университета. – 2024. – № 3. – С. 7–17. –doi: 10.37493/2307-907X.2024.3.1.
- Шуин В. А. Максимальные токовые защиты от замыканий на землю на основе высших гармоник для компенсированных кабельных сетей 6–10 кВ / В. А. Шуин, В. Л. Мартынов, Е. С. Шагурина, Т. Ю. Шадрикова. – Текст : непосредственный // Электротехника. – 2018. – № 1. – С. 62–72.
- Патент № 2675623 C1 Российская Федерация, МПК H02H 3/16. Устройство защиты от однофазных замыканий на землю в компенсированных электрических сетях среднего напряжения : № 2017141907 : заявл. 30.11.2017 : опубл. 21.12.2018 / В. А. Шуин, Т. Ю. Шадрикова, О. А. Добрягина [и др.] ; заявитель федеральное государственное бюджетное образовательное учреждение высшего образования «Ивановский государственный энергетический университет имени В. И. Ленина» (ИГЭУ).
- Парамзин, А. О. Разработка способа селективного определения линии с однофазным замыканием на землю для промышленных сетей 6–35 кВ с изолированной нейтралью при преобладании несинусоидальной нагрузки / А. О. Парамзин. – Текст : электронный // Омский научный вестник. – 2023. – № 4 (188). – С. 100–108. – doi: 10.25206/1813-8225-2023-188-100-108.
- Шуин, В. А. Применение имитационного моделирования для оценки уровня нестабильности высших гармоник в токе однофазного замыкания на землю в компенсированных кабельных сетях 6–10 кВ / В. А. Шуин, Т. Ю. Винокурова, О. А. Добрягина, Е. С. Шагурина. – Текст : непосредственный // Вестник Ивановского государственного энергетического университета. – 2014. – № 6. – С. 31–38.
- Шуин, В. А. Способ повышения эффективности функционирования адмитансной защиты от замыканий на землю в кабельных сетях 6–10 кВ с изолированной нейтралью / В. А. Шуин, Е. А. Воробьева, О. А. Добрягина, Т. Ю. Шадрикова // Вестник Ивановского государственного энергетического университета. – 2018. – № 4. – С. 20–30. – doi: 10.17588/2072-2672.2018.4.020-030.
- Украинцев, А. В. Анализ чувствительности защит от замыканий на землю на основе относительного замера токов / А. В. Украинцев, В. И. Нагай, Г. Н. Чмыхалов // Известия высших учебных заведений. Электромеханика. – 2009. – № S1. – С. 145–146. – EDN XWJBMD.
- Ширковец, А. И. Гармонические искажения сигналов тока и напряжения при замыканиях на землю в электрической сети 6–10 кВ / А. И. Ширковец. – Текст : электронный // Промышленная энергетика. – 2023. – № 10. – С. 34–44. – doi: 10.34831/EP.2023.50.44.005.
- Шуин, В. А. Математическая модель для оценки минимального уровня высших гармоник в токе однофазного замыкания на землю в компенсированных сетях 6–10 кв / В. А. Шуин, Т. Ю. Винокурова, Е. С. Шагурина // Вестник Ивановского государственного энергетического университета. – 2013. – № 6. – С. 35–41.
- Шуин, В. А. Методика выбора параметров срабатывания максимальных токовых защит от замыканий на землю на основе высших гармоник в компенсированных кабельных сетях 6–10 кВ / В. А. Шуин, Т. Ю. Винокурова, Е. С. Шагурина. – Текст : электронный // Вестник Ивановского государственного энергетического университета. – 2015. – № 3. – С. 20–28. – doi: 10.17588/2072-2672.2015.3.020-028.
Supplementary files





