Получение пеноалюминия с применением альтернативного порофора
- Авторы: Лапин И.В.1, Гильмутдинов И.М.1
-
Учреждения:
- Казанский национальный исследовательский технологический университет
- Выпуск: Том 20, № 1 (2024)
- Страницы: 46-50
- Раздел: НОВЫЕ МАТЕРИАЛЫ И ТЕХНОЛОГИИ
- Статья получена: 07.05.2024
- Статья опубликована: 23.04.2024
- URL: https://ogarev-online.ru/1816-9228/article/view/255096
- DOI: https://doi.org/10.18822/byusu20240146-50
- ID: 255096
Цитировать
Полный текст
Аннотация
Предмет исследования: порообразователь в виде порошка природного CaCO3 для получения качественного пеноалюминиевого материала.
Цель исследования: подбор оптимального вида порофора как порообразующего элемента и получение пеноалюминия со специальными функциональными свойствами.
Методы и объекты исследования: при исследовании газообразующих свойств было проведено определение остаточных веществ и термической стабильности порофора термогравиметрическим анализатором ТГ-ДТГ, ДСК. Рассмотрены процессы получения на экспериментальной установке спекаемых в защитной среде образцов пеноалюминия. Объектом исследования являются полученные порошки CaCO3, а также определение физико-механических свойств образцов пеноалюминия.
Основные результаты исследования: получение пеноалюминия со специальными функциональными свойствами с введением порошкового порообразователя CaCO3. Подбор оптимальной составляющей количества вводимого порошкового порофора в металлическую матрицу вещества, исходя из физических свойств полученного материала.
Ключевые слова
Полный текст
ВВЕДЕНИЕ
В порошковой металлургии используются различные порошки металлов необходимого качества, и они имеют широкий спектр свойств, зависящих не только от дисперсности и формы частиц (от нитевидных до сферических), но и от получения их путем восстановления оксидов и солей, электролитического осаждения металлов, механическим методом (измельчение резанием, размол, распыление) и многими другими. В выборе металлических порошков для конкретных изделий учитывается их прессуемость (формуемость), пирофорность и токсичность [1].
Функциональные свойства конкретного пеноматериала (пеноалюминия), такие как низкая плотность в сочетании с повышенной жесткостью, позволяют возводить долговечные и устойчивые конструкции. Пеноалюминий – биостойкий (не поддается гниению), имеет низкий показатель гигроскопичности. Демпферные свойства подходят для использования ударопрочных бамперов, плит, перегородок, в конструкциях и устройствах, способных поглощать сильные механические воздействия. Минимальный вес конструкций позволяет использовать пеноалюминий в конструировании космических объектов [2].
Звуко-, шумо-, вибропоглощающие свойства и защита от электромагнитного излучения позволяют использовать пеноалюминий в различных ограждающих конструкциях, как стеновых, так и потолочных [3].
Пенометалл (пеноалюминий) также можно использовать в качестве наполнения полых профилей из металла, увеличивая жесткость конструкции. Обладая высокой эстетикой наряду с нетоксичностью, лёгкостью, огнестойкостью и коррозионной стойкостью, пеноалюминий подходит для отделки фасадов, кабин лифтов и др. [3].
РЕЗУЛЬТАТЫ И ОБСУЖДЕНИЕ
Для получения пеноалюминиевого образца используются порошки алюминия, а в качестве порофора – порошок скорлупы птичьих яиц в виде CaCO3 (патент № 2801169 Лапин И. В.). По данным химического и анализа ТГА (рис. 1), в первую очередь по температуре разложения и объему порообразующих выделений подбирается вид применяемого порофора. Экспериментально подбирается количественное соотношение основы и порофора, тип смешивающего устройства. Исходя из научных данных, выбирается усилие прессования и проводится одноосное холодное прессование смешанных порошков в прессформах. Далее в собственно изготовленной экспериментальной установке проводится спекание прекурсоров индукционным нагревом в защитной среде аргона. После охлаждения снимаются физические показатели полученных образцов, такие как размерность, плотность, пористость и др.).
Рисунок 1. Термоаналитические кривые ТГ-ДТГ, ДСК порошка птичьих яиц в виде CaCO3.
Термоаналитические кривые ТГ-ДТГ, ДСК представленного порофора в виде CaCO3 (рис. 1), где горизонтальная ось координат показывает температурные интервалы (°C), вертикальные оси координат (слева направо) – производная функция веса (%/мин); масса (%); тепловой поток, соответствующий эндотермическому разложению (мВт).
При разложении представленного порофора в виде CaCO3 выделенная тепловая энергия резко повышает температуру порошкового вещества, соответственно, требуются меньшие энергетические затраты для нагрева образца [1].
Величиной, определяющей физические свойства пеноалюминия, является его плотность и пористость (объем порового пространства), исчисляемая по формуле:
где П – пористость в %, ρо – плотность готового (спеченного) материала, ρ – плотность литого материала.
Плотность пенометалла (г/см³) определялась стандартным способом по формуле:
ρо = m/V
где m – масса образца, V – объем образца.
Физические характеристики образцов пеноалюминия с предложенным порофором в виде CaCO3 закономерно зависят от количества вводимого порошкового порообразователя (таблица 1), и в дальнейшем существенно влияют на структуру и механические свойства полученного композиционного изделия [4].
Таблица 1. Характеристики образцов с различной массовой долей порофора CaCO3.
№ образца пеноалюминия | Количество порофора, % масс | Плотность образца после прессования, гр/см2 | Плотность образца после спекания, гр/см2 | Пористость образца, относительно спресованн. компакта, % | Пористость образца, относительно литой матрицы, % |
1 | 3 | 2.3 | 1.97 | 13,17 | 28,5 |
2 | 5 | 2.389 | 1.982 | 17 | 26,5 |
3 | 8 | 2.172 | 1.62 | 25,42 | 40 |
4 | 10 | 2.33 | 2.012 | 13,8 | 25,4 |
5 | 15 | 2.4 | 1.96 | 18,3 | 27,4 |
6 | 20 | 2.36 | 1.99 | 15,6 | 26,3 |
На графике (рисунок 2) видны максимальные значения пористости пеноалюминиевых образцов с порошковым порофором СаСО3 при отношениях как спекаемых образцов к спрессованным, так и спекаемых образцов к литым, и имеют пористость 25,42 % и 40 % соответственно.
Рисунок 2. График зависимости пористости образцов пеноалюминия от массовой доли порофора CaCO3 (нижний график – плотность спекаемого от плотности спрессованного, верхний – плотность спекаемого от плотности литого).
Исходя из полученных экспериментальных данных, для получения качественного пеноалюминия оптимальное количество порофора СаСО3 по массе должно содержать 8–12 %. Уменьшение массового процентного содержания порофора CaCO3 ведет к увеличению плотности пеноалюминия и уменьшению пористости полученного образца.
Количество порофора 8–12 мас. % является оптимальным для получения однородной пористой структуры и стабильности размеров полученного материала (потери формы).
При содержании порофора в количестве меньше 8 % значительно падают показатели пористости образцов, соответственно, уменьшаются размеры пор, что радикально влияет на характеристики энергопоглощающих свойств пенометаллических изделий.
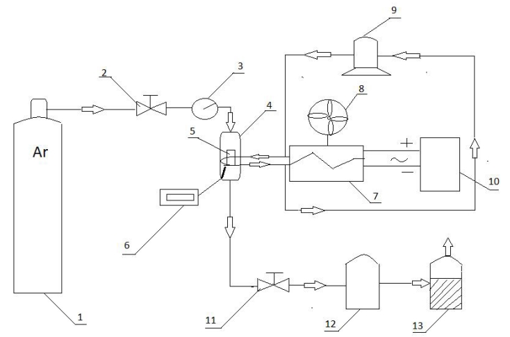
Спекание спрессованных образцов порошка алюминия и порофора представлена (рисунок 3) на схеме экспериментальной установки для спекания.
Рисунок 3. Схема установки для спекания сформованных образцов: 1 – баллон с аргоном; 2, 11 – запорные вентили; 3 – манометр; 4 – кварцевый реактор; 5 – графитовый тигель с образцом; 6 – устройство для фиксирования показателей температур; 7 – блок генератора индукционного нагревателя; 8 – вентилятор охлаждения; 9 – насос гидравлический; 10 – индивидуальный источник питания; 12 – емкость; 13 – емкость с жидкостью.
Аргоновый газ из баллона 1 подается в кварцевый реактор 4 установки, в котором установлен графитовый тигель с прекурсором 5. Снятие показаний температур нагрева производится встроенными хромель-алюмелевыми термопарами и выводится на аналоговый контроллер 6. Далее защитный газ поступает в стеклянную емкость 12, затем в емкость с водой 13. Генератор индукционного нагревателя 7 посредством катушки индуктора осуществляет нагрев образца путем превращения электромагнитных волн в тепловую энергию. Блок индукционного нагревателя охлаждается вентилятором 8, а катушка индуктора имеет водяное охлаждение посредством циркуляционной перекачки насосом 9.
Питание и регулировка параметров (силы тока, напряжения) блока генератора осуществляется индивидуальным источником питания 10.
Для проведения расчетов энергопоглощающих элементов конструкций необходимо знать упруго-пластические свойства пеноалюминия, и при оптимизации элементов требуется иметь зависимость характеристик деформирования пеноалюминия от его плотности [5].
Применение карбонатов в качестве порофоров дополнительно обосновано способностью некоторых металлов поглощать водород, что, в свою очередь, делает применение гидридов неэффективным. Данную особенность можно наблюдать у магния (Mg), который обладает способностью поглощать водород, поэтому CaCO3 и MgCO3 являются более подходящими вспенивающими веществами для получения пеноалюминия и пеномагния [6].
Также к факторам выбора карбонатов относятся исследования, которые показали, что при использовании гидридов в качестве порообразователей образуются хрупкие интерметаллические соединения, которые влияют на пластичность материала, и из-за этого взаимодействия способность пенометалла поглощать энергию снижается. Например, при получении пеноалюминия с использованием TiH2 в качестве порофора образуется интерметаллид Al3Ti, который является хрупким соединением, снижающим пластичность стенок ячеек и ударную вязкость пенометалла. Следовательно, способность пенометаллов, полученных с помощью TiH2, к поглощению энергии ниже, чем у пенометаллов, полученных с помощью CaCO3, образующих комбинацию Al и Al4Ca, которая является менее хрупкой и не влияет на прочность [7-8]. Также применение представленного порофора в виде CaCO3, по сравнению с гидридом титана, выигрывает по себестоимости (т. к. гидрид титана стоит 5000 руб./кг, яичная скорлупа, даже молотая – 50-120 руб./кг).
ЗАКЛЮЧЕНИЕ И ВЫВОДЫ
Получение пористой структуры алюминия обосновано введением порошкового порообразователя – скорлупы птичьих яиц в смесь, холодное прессование и спекание до получения пенометалла со специальными свойствами. Сочетание специальных свойств пеноалюминия увеличивает реестр применения его в различных областях производства [9].
Об авторах
Илья Владимирович Лапин
Казанский национальный исследовательский технологический университет
Автор, ответственный за переписку.
Email: 89003222142@mail.ru
Россия, Казань
Ильфар Маликович Гильмутдинов
Казанский национальный исследовательский технологический университет
Email: 89003222142@mail.ru
доктор технических наук, профессор
Россия, КазаньСписок литературы
- Лапин, И. В. Повышение эффективности в использовании малозатратных порофоров для получения новейших материалов / И. В. Лапин, В. В. Жиляков, Г. А. Аминова, И. В. Вишнякова. – Текст: непосредственный // Вестник КГТУ им. А. Н. Туполева. – Казань, 2020. – № 1. – С. 56–62.
- Лапин, И. В. Механизмы стабилизации металлических пен и формирование пористой металлической структуры / И. В. Лапин, В. В. Жиляков. – Текст: непосредственный // Вестник КГТУ им. А. Н. Туполева. – Казань, 2020. – № 3. – С. 80–84.
- Шанин, Д. Н. Пенометалл: структура, технологии получения, применение в области строительства / Д. Н. Шанин. – Текст: непосредственный // Научный журнал «Полиматис». – 2016. – № 1. – С. 59–63.
- Лапин, И. В. Новые модификации металлов в современном производстве / В. Г. Кузнецов, Г. А. Аминова. – Текст: непосредственный // Известия КГАСУ. – 2017. – № 3(41). – С. 188–195.
- Бутарович, Д. О. Пеноалюминий как энергопоглощающий материал и его механические свойства / Д. О. Бутарович, А. А. Смирнов, Д. М. Рябов. – Текст: непосредственный // Машиностроение. – 2011. – № 7. – С. 53–58.
- X. Xia, W. Zhao, X. Feng, H. Feng, and Xin Zhang, “Effect of homogenizing heat treatment on the compressive properties of closed-cell Mg alloy foams” // Materials and Design, vol. 49, pp. 19–24, 2013.
- A. V. Byakova, S. V. Gnyloskurenko, and A. I. Sirko, “The role of foaming agent in structure and mechanical performance of Al based foams” // Materials Transactions, vol. 47, pp. 2131–2136, 2016.
- Banhart J, Ashby MF, Fleck N. Cellular Metal and Metal foamingtechnology. Germany: Verlag MIT; 2001, – 169р.
- Lapin I., Zhilyakov V., Kharitonova O., Bronskaya V., Askarova R., Vishnyakova I. Relevance of selective sampling of foaming agents for the production of porous metals / „Proceedings of the II International Conference on Advances in Materials, Systems and Technologies, CAMSTech-II 2021“ 2022. – Р. 020030.
Дополнительные файлы




