Исследование несинусоидальных режимов работы электрооборудования в системе электроснабжения с 6-пульсным преобразователем
- Авторы: Шепелев А.О.1, Шепелева Е.Ю.2
-
Учреждения:
- ФГБОУ ВО «Югорский государственный университет»
- ФГБОУ ВО «Омский государственный технический университет»
- Выпуск: Том 18, № 2 (2022)
- Страницы: 68-78
- Раздел: 2.4/2.4.3 Электроэнергетика (технические науки)
- URL: https://ogarev-online.ru/1816-9228/article/view/253641
- DOI: https://doi.org/10.18822/byusu20220268-78
- ID: 253641
Цитировать
Полный текст
Аннотация
Предмет исследования: в настоящей работе было проведено исследование несинусоидальных режимов работы электрооборудования в системе электроснабжения с 6-пульсным преобразователем.
Методы и объекты исследования: исследование проводилось на основе 3 экспериментов. В первом случае рассматривалась система электроснабжения без устройств компенсации токов высших гармоник. Во втором случае проведено моделирование системы с батареями статических конденсаторов. В третьем случае была рассмотрена система электроснабжения с резонансным фильтром, настроенным на 5 гармонику.
Результаты исследования: на основе проведённых экспериментов были получены результаты, показывающие, что при наличии в сети высших гармоник и при установленных батареях статических конденсаторов наблюдается резонанс на 5 гармонике. При установке резонансного фильтра напряжение в сети нормализуется и находится на требуемом уровне в соответствии с ГОСТ 32144-2013.
Полный текст
Введение
Одной из основных задач в настоящее время является поддержание надёжности, безопасности и высокой управляемости электроэнергетических систем с неотъемлемым условием в высококачественной электрической энергии. Среди негативных последствий ухудшения качества электрической энергии отмечаются следующие:
- высокий уровень потерь электроэнергии;
- уменьшение срока службы изоляции электрического оборудования;
- перебои в нормальной работе устройств РЗиА;
- нарушения в работе микропроцессорного оборудования;
- уменьшение устойчивости и надёжности электроснабжения;
- значительное увеличение эксплуатационных издержек.
В последнее время задача по обеспечению качества электрической энергии становится наиболее актуальной в связи с обновлением государственных стандартов [1]. Множество работ направлено на устранение проблем с некачественной электрической энергией на основе повышения формы кривой напряжения [2], [3]. Проверка данных теоретических исследований проводится на основе имитационного моделирования в программном комплексе MATLAB [4], [5, С. 36], что позволяет максимально приблизить условия работы приборов по обеспечению качества электрической энергии к фактическим условиям эксплуатации.
В настоящее время разработаны и широко используются на практике достаточно достоверные методы расчета установившихся и аварийных режимов работы систем электроснабжения. Однако проблема повышения качества электроэнергии стимулирует к разработке и внедрению новых технологий на основе имитационного моделирования объектов.
Необходимость данной разработки объясняется потребностью в изучении несинусоидальных режимов работы электрооборудования с целью получения и использования наиболее полных сведений об эффективности передачи и преобразования электроэнергии. Прогнозирование показателей качества и общего уровня потерь электрической энергии в различных элементах системы электроснабжения требуется для разработки мероприятий по уменьшению уровня этих потерь и обеспечению электромагнитной совместимости электрооборудования [6], [7], [8].
Для достижения этой цели в данной работе решаются задачи численного моделирования несинусоидальных режимов работы электрооборудования в системе электроснабжения на основе инструментальных средств программы MATLAB, а также исследования этой модели в условиях подключения различных источников несинусоидальных искажений и фильтро-компенсирующих устройств. При значительных уровнях несинусоидальности напряжения в электрических сетях могут возникнуть резонансные явления на определённых гармониках. Появление резонансных явлений может возникнуть при некоторых обстоятельствах, которые возникают при определённых значениях сопротивления элементов сети – индуктивного и емкостного сопротивления. Следовательно, действие высших гармоник при этих обстоятельствах приводит к выходу из строя электрооборудования из-за возникновения перенапряжений или сверхтоков.
Методы исследования и результаты, полученные в ходе выполнения работы, могут быть положены в основу создания инженерной методики для решения проблемы уменьшения несинусоидальных искажений напряжения в узлах подключения нагрузок с нелинейными вольт-амперными характеристиками [9].
Результаты и обсуждение
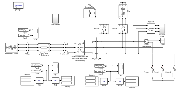
Для моделирования несинусоидальных режимов работы электрооборудования в представленной работе был использован программный комплекс MATLAB/Simulink.
Рассмотрим схему системы энергоснабжения (СЭС), основной нагрузкой которой является полупроводниковый преобразователь, питающий потребителей постоянного тока.
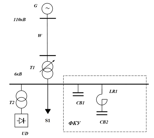
Принципиальная схема системы электроснабжения представлена на рис. 1.
Рисунок 1 – Принципиальная схема рассматриваемой системы электроснабжения
В представленной схеме присутствуют такие элементы, как воздушная линия электропередачи W, силовой понижающий трансформатор 110/6 кВ T1, силовой трансформатор 6/0,4 кВ T2, питающий выпрямительную установку UD, а также фильтрокомпенсирующая установка (ФКУ).
Моделирование в данной системе электроснабжения будет проходить в три этапа:
- ФКУ отключена;
- ФКУ представляется в виде батареи статических конденсаторов;
- ФКУ представлена в виде резонансного фильтра (РФ), настроенного на определённую гармонику.
Рассматриваемая система электроснабжения, построенная в программном продукте MATLAB, представлена на рис. 2.
Рисунок 2 – Имитационная модель рассматриваемой СЭС в MATLAB
Ниже будут представлены осциллограммы токов и напряжений, амплитудные спектры гармоник только на стороне низкого напряжения трансформатора подстанции 110/6 кВ.
Система электроснабжения без подключения ФКУ
Рисунок 3 – Амплитудный спектр высших гармонических составляющих напряжения (без ФКУ)
Рисунок 4 – Амплитудный спектр высших гармонических составляющих тока
Рисунок 5 – Осциллограмма напряжения на стороне НН трансформатора подстанции
Рисунок 6 – Осциллограмма тока на стороне НН трансформатора подстанции
Система электроснабжения с подключенной БСК
Рисунок 7 – Амплитудный спектр высших гармонических составляющих напряжения (с БСК)
Рисунок 8 – Амплитудный спектр высших гармонических составляющих тока (с БСК)
Рисунок 9 – Осциллограмма напряжения на стороне НН трансформатора подстанции (с БСК)
Рисунок 10 – Осциллограмма тока на стороне НН трансформатора подстанции (с БСК)
Система электроснабжения с подключенным РФ
Рисунок 11 – Амплитудный спектр высших гармонических составляющих напряжения (с БСК)
Рисунок 12 – Амплитудный спектр высших гармонических составляющих тока (с БСК)
Рисунок 13 – Осциллограмма напряжения на стороне НН трансформатора подстанции (с БСК)
Рисунок 14 – Осциллограмма тока на стороне НН трансформатора подстанции (с БСК)
Выводы
Таким образом, на основе полученных результатов моделирования рассматриваемой системы электроснабжения c 6-пульсным преобразователем, сравнивая результаты с существующими нормами по обеспечению качества электрической энергии, можно сделать следующие выводы:
- Моделирование несинусоидальных режимов в исходной СЭС без подключения устройств компенсации
На высокой стороне трансформатора главной понизительной подстанции (ГПП) показатели качества электрической энергии по высшим гармоническим составляющим не превышают допустимые. Единственное превышение наблюдается на 37 гармонике, что в целом может быть вызвано погрешностями округления. Значение нормируемого коэффициента искажения синусоидальности кривой напряжения для электрических сетей напряжением 110 кВ находится в допустимых пределах: .
На низкой стороне трансформатора ГПП и высокой стороне трансформатора, от которого получает питание преобразователь, превышают допустимые значения на 5, 7, 11, 19, 23, 37 гармониках, а на 13, 17, 29, 31 находятся в пределах допустимого. Суммарное значение коэффициента искажения превышает предельно допустимые значения для электрических сетей напряжением 6 кВ: .
- Исследование несинусоидальных режимов в СЭС при подключении батареи статических конденсаторов
На высокой стороне трансформатора ГПП коэффициент искажения превышает допустимое значение только на частоте 5 гармоники, а на остальных нормируемых частотах значения находятся в допустимых пределах. Значение нормируемого коэффициента искажения превышает нормально допустимые для электрических сетей напряжением 110 кВ .
На низкой стороне трансформатора ГПП и ВН трансформатора преобразователя значения коэффициентов искажения превышают допустимые значения на частотах 5, 7 гармоник, а на остальных нормируемых частотах находятся в допустимых пределах. Суммарное значение коэффициента искажения превышает предельно допустимые значения для электрических сетей напряжением 6 кВ: для данного класса напряжения. Такие существенные искажения напряжения могут быть обусловлены возникновением резонанса токов в контуре, образованном емкостью БСК и эквивалентной индуктивностью питающей системы на частоте, близкой к частоте 5 гармоники.
- При подключении резонансного фильтра высших гармоник
На стороне ВН, НН трансформатора подстанции, а также ВН трансформатора преобразователя значения коэффициентов искажения напряжения находятся в пределах допустимых значений, устанавливаемых ГОСТ 32144-2013. Значения коэффициентов искажения для рассматриваемых классов напряжения 110 кВ и 6 кВ находятся в пределах нормально допустимого значения: ; .
По результатам исследований можно сделать вывод о том, что для обеспечения надлежащего качества электрической энергии, нормированного существующими государственными стандартами, оптимальным для системы электроснабжения c 6-пульсным преобразователем является подключение в систему электроснабжения резонансного фильтра высших гармоник, настроенного на частоту 5 гармоники.
Об авторах
Александр Олегович Шепелев
ФГБОУ ВО «Югорский государственный университет»
Автор, ответственный за переписку.
Email: a_shepelev@ugrasu.ru
кандидат технических наук, доцент Высшей инжиниринговой школы
Россия, Ханты-МансийcкЕлена Юрьевна Шепелева
ФГБОУ ВО «Омский государственный технический университет»
Email: elena.arta2013@yandex.ru
старший преподаватель Энергетического института
Россия, ОмскСписок литературы
- ГОСТ 32144-2013. Электрическая энергия. Совместимость технических средств электромагнитная. Нормы качества электрической энергии в системах электроснабжения общего назначения : межгосударственный стандарт : издание официальное : утвержден и введен в действие Приказом Федерального агентства по техническому регулированию и метрологии от 22 июля 2013 г. № 400-ст : введен впервые : дата введения 2014-07-01. – Москва : Стандартинформ, 2014. – 16 с. – Текст : непосредственный.
- Схематическое решение активной фильтрации кривой тока в четырехпроводной трехфазной сети для обеспечения качества электрической энергии / С. Ю. Долингер, В. Н. Горюнов, А. А. Планков, О. А. Сидоров. – Текст : непосредственный // Омский научный вестник. – 2011. – № 3 (103). – С. 214–217.
- Горюнов, В. Н. Определение управляющего воздействия активного фильтра гармоник / В. Н. Горюнов, Д. С. Осипов, А. Г. Лютаревич. – Текст : непосредственный // Электротехника, электроэнергетика, электротехническая промышленность. – 2009. – № 6. – С. 20–24.
- Вопросы моделирования устройств обеспечения качества электрической энергии / А. Г. Лютаревич, В. Н. Горюнов, С. Ю. Долингер, К. В. Хацевский. – Текст : непосредственный // Омский научный вестник. – 2013. – № 1 (117). – C. 168–173.
- Черных, И. В. Моделирование электротехнических устройств в Matlab SimPowerSystem и Simulink / И. В. Черных. – Москва : ДМК Пресс, 2007. – 288 с. – ISBN 5-94074-395-1. – Текст : непосредственный.
- Ершов, С. В. Моделирование параметров фильтров высших гармоник в среде MATLAB / С. В. Ершов, В. Ю. Карницкий. – Текст : непосредственный // Известия Тульского государственного университета. Технические науки. – 2014. – № 8. – С. 25–31.
- К проблеме моделирования несинусоидальных режимов распределительных сетей / Н. Н. Харлов, В. Я. Ушаков, Е. В. Тарасов, Л. Л. Булыга. – Текст : непосредственный // Известия Томского политехнического университета. Инжиниринг георесурсов. – 2016. – Т. 327, № 3. – С. 95–102.
- Горюнов, В. Н. Расчет потерь мощности от влияния высших гармоник / В. Н. Горюнов, Д. С. Осипов, А. Г. Лютаревич. – Текст : непосредственный // Научные проблемы транспорта Сибири и Дальнего Востока. – 2009. – № 2. – С. 268–273.
- Оценка дополнительных потерь мощности от снижения качества электрической энергии в элементах систем электроснабжения / С. Ю. Долингер, А. Г. Лютаревич, В. Н. Горюнов [и др.]. – Текст : непосредственный // Омский научный вестник. – 2013. – № 2 (120). – С. 178–183.
Дополнительные файлы















