Устройство для воздействия постоянным магнитным полем и системный многофакторный анализ в магнитобиологическом эксперименте
- Авторы: Слободянюк И.Л.1, Никольская Ю.В.2, Кисляев С.Е.3, Пичугина П.Г.4, Антипова Т.А.1, Матвеева Л.В.5, Мачихин В.А.6, Поляков В.А.1, Гаспаров Э.С.6, Майоров А.Г.7
-
Учреждения:
- Самарский государственный медицинский университет
- ДЮСШ ОР «Икар»
- Самарский национальный исследовательский университет имени академика С.П. Королева
- Пензенский государственный университет
- Национальный исследовательский Мордовский государственный университет имени Н.П. Огарева
- Самарский государственный технический университет
- Поволжский государственный университет телекоммуникаций и информатики
- Выпуск: Том 26, № 3 (2023)
- Страницы: 123-131
- Раздел: Статьи
- URL: https://ogarev-online.ru/1810-3189/article/view/254037
- DOI: https://doi.org/10.18469/1810-3189.2023.26.3.123-131
- ID: 254037
Цитировать
Полный текст
Аннотация
Обоснование. Интерес к биологическому воздействию электромагнитных излучений на биологические объекты связан с возможностью их использования при решении целого ряда фундаментальных и прикладных задач: от рассмотрения биологических обратных связей в реальном масштабе времени, что позволяет разрабатывать радиоэлектронные медицинские комплексы, до создания нейро-компьютерных интерфейсов, включая компоненты живых клеток.
Цель.В работе отображена разработка устройства для воздействия на биологические объекты постоянным магнитным полем, позволяющее моделировать основные параметры физического фактора, для проведения магнитобиологического эксперимента с нормировкой воздействия неионизирующего излучения заданных параметров.
Методы. Устройство для воздействия на биологические объекты постоянным магнитным полем позволяет получить, в большом объеме максимально однородное магнитное поле.
Результаты. Математическое моделирование изменений морфофункционального состояния коры надпочечников по одиннадцати биологическим параметрам в разные сроки воздействия нормированным постоянным магнитным полем при воздействии предельно допустимого уровня оценивалось по отклонению интервального показателя и его нормированного значения. Воздействие данного фактора приводило к отклонению интегрального показателя в клубочковой зоне надпочечников на 30-е сутки составило – 6,53 ± 1,30*10-2, в дальнейшем на 60 день отклонение увеличилось на 8,28 ± 1,55*10-2, на 90-е 4,84 ± 1,50*10-2, далее на 120-е сутки, он не отличался от нормированного. Заключение. После прекращения действия постоянного магнитного поля в сериях 15–30 мТл экспериментов морфофункциональное состояние тимуса возвращалось к норме. Таким образом устройство рекомендовано к применению в экспериментальной деятельности.
Полный текст
Введение
Целью работы является разработка устройства для воздействия на биологические объекты постоянным магнитным полем, позволяющее моделировать основные параметры физического фактора, для проведения магнитобиологического эксперимента с нормировкой воздействия неионизирующего излучения заданных параметров. Промышленное производство и активизация темпов научно-технического прогресса изменяет интенсивность многих физических факторов окружающей среды (температура, электромагнитное излучение и т. п. Что создает условия для напряжения систем организма, обеспечивающих адаптацию организма к внешним факторам. Искусственные магнитные поля обладают биологической активностью, позволяя изменять функциональное состояние нервной системы, влиять на функциональную активность гипоталамуса, изменять гормональный статус эндокринных желез и оказывать влияние на различные стороны метаболизма.
Биотропные параметры постоянного магнитного поля (ПМП) выбирались в соответствии с запросами создания и использования новых видов техники. Особую актуальность и значимость в теоретическом и прикладном значении исследования, связанные с изучением биологической эффективности магнитного поля (МП) приобретают к концу 20-го и началу 21-го века. Научно-технический прогресс, охватив все стороны общественной жизни, способствует расширению контактов человечества с МП различной напряженности. Это постоянно ставит вопросы не только безопасности для человека, но и охраны всех элементов биосферы. Научные исследования, проводимые в различных областях электротехники, электроники, ядерной физики и т. д., осуществляется с использованием приборов и установок, генерирующие мощные МП Широко применяются магниты в электродвигателях и генераторах постоянного тока, на рабочих местах обслуживающего персонала установок, в военной технике. В настоящее время ПМП, различных характеристик и интенсивностей нашли широкое применение в клинической медицине как физиотерапевтический фактор. Было отмечено, что ПМП обладают значительной проникающей способностью на биологические структуры, чем вероятно, можно и объяснить тотальный характер воздействия ПМП на все органы, ткани и системы организма биообъектов. Наиболее центральными и привлекающими внимание в работе исследователей являются две гипотезы: 1. влияние МП на радикальные реакции, протекающие в клетке; 2. влияние МП вызываются электрическими токами, индуцированными в тканях организма. По степени участия в ответной реакции организма, при общем воздействии МП на системы организма можно распределить в следующем порядке: нервная, эндокринная, сердечно-сосудистая, дыхательная, костная.
1. Предлагаемое устройство
Устройство для воздействия на биологические объекты ПМП (рис. 1) позволяет получить, в большом объеме максимально однородное магнитное поле. Данное устройство предназначено для экспериментальных исследований в области магнитобиологии. Конструкция устройства позволяет одномоментно воздействовать ПМП на 30-40 половозрелых белых крыс, 15–18 морских свинок. Схема и размеры камеры устройства представлены на рис. 2. Величина магнитной индукции в месте нахождения лабораторных животных может плавно меняться от 0 до 0,1 Тл (100 мТл).
Рис. 1. Принципиальная схема устройства
Fig. 1. Schematic diagram of the device
Однородность магнитной индукции во всех участках межполюсного пространства (место нахождения контейнера с животными) около 98,5 %, что отличает данную конструкцию от известных промышленных и индивидуально изготовленных генераторов ПМП, используемых при изучении магнитобиологических эффектов. Максимально однородное ПМП горизонтальной направленности величиной магнитной индукции до 0,1 Тл создается в межполюсном пространстве объемом около 30000 см3 тремя группами (ступенями) электромагнитов и трех секционным соленоидом-концентратором. Соленоид-концентратор, имеющий прямоугольную форму, предназначен для выравнивания величины магнитной индукции по всему объему межполюсного пространства и создания дополнительного магнитного поля. Устройство для воздействия на биообъекты состоит из трех основных частей:
Рабочая часть излучателя состоит из двух, расположенных параллельно, прямоугольных пластин (1), выполненных из магнитомягкого материала, в пространстве между которыми создается магнитное поле (рис. 2). Магнитное поле излучательной части представляет собой определенным образом расположенные магнитопривод (5),электромагниты (2,3,4) и соленоид-концентратор (6). Электромагниты первой группы (2) создают магнитное поле между пластинами и состоят из двух секций по четыре соленоида, расположенных в ряд соответственно в верхней и нижней части магнито-полюсного пространства. Электромагниты второй группы(3), две секции по 4 соленоида, третьей группы (4), усиливают магнитное поле в центральной продольной части основных пластин.
Максимально однородное магнитное поле создается концентраторной системой, состоящей из пассивной и активной частей. Пассивная часть представляет собой пластины (7) из мягкой стали, укрепленной на внутренней части основных пластин. Активная часть представлена соленоидом-концентратором (6), обмотка которого (8) состоит из трех секций определенной конфигурации, что позволяет при оптимальном соотношении токов во всех группах соленоидов излучательной части устройства получить максимально однородное ПМП. Кроме того, специальное выполнение крайних секций трех секционной обмотки в виде трапеции обеспечивает коррекцию неравномерности постоянного магнитного поля по периферии заданного объема. Все пластины, магнитопровод, концентраторные пластины и сердечники изготовлены из мягкой отожженной стали марки СТ.3. Сердечники длиной 190 мм и 60 мм помещены внутри катушек с обмотками из медной проволоки длиной 1,42 мм, в каждой катушке 2000 витков.
Для крепления использовались латунные болты и гайки диаметром 13 мм. Края концентраторной пластины имеют скосы под углом 130 (рис. 2). Станина изготовлена из деревянных брусьев высотой 300 мм в форме прямоугольника (рамы), покрыта сверху декоративным пластиком. Тщательная герметизация стыков брусьев и пластика способствует созданию внутри растяжения (при работе всех 5 вентиляторов) для оптимальной вентиляции контейнера и электромагнитов. Соленоид-концентратор в нерабочем положении выдвигается по специальным направляющим для установки контейнера с животными.
Рис. 2. Схема и размеры камеры устройства
Fig. 2. Diagram and dimensions of the device camera
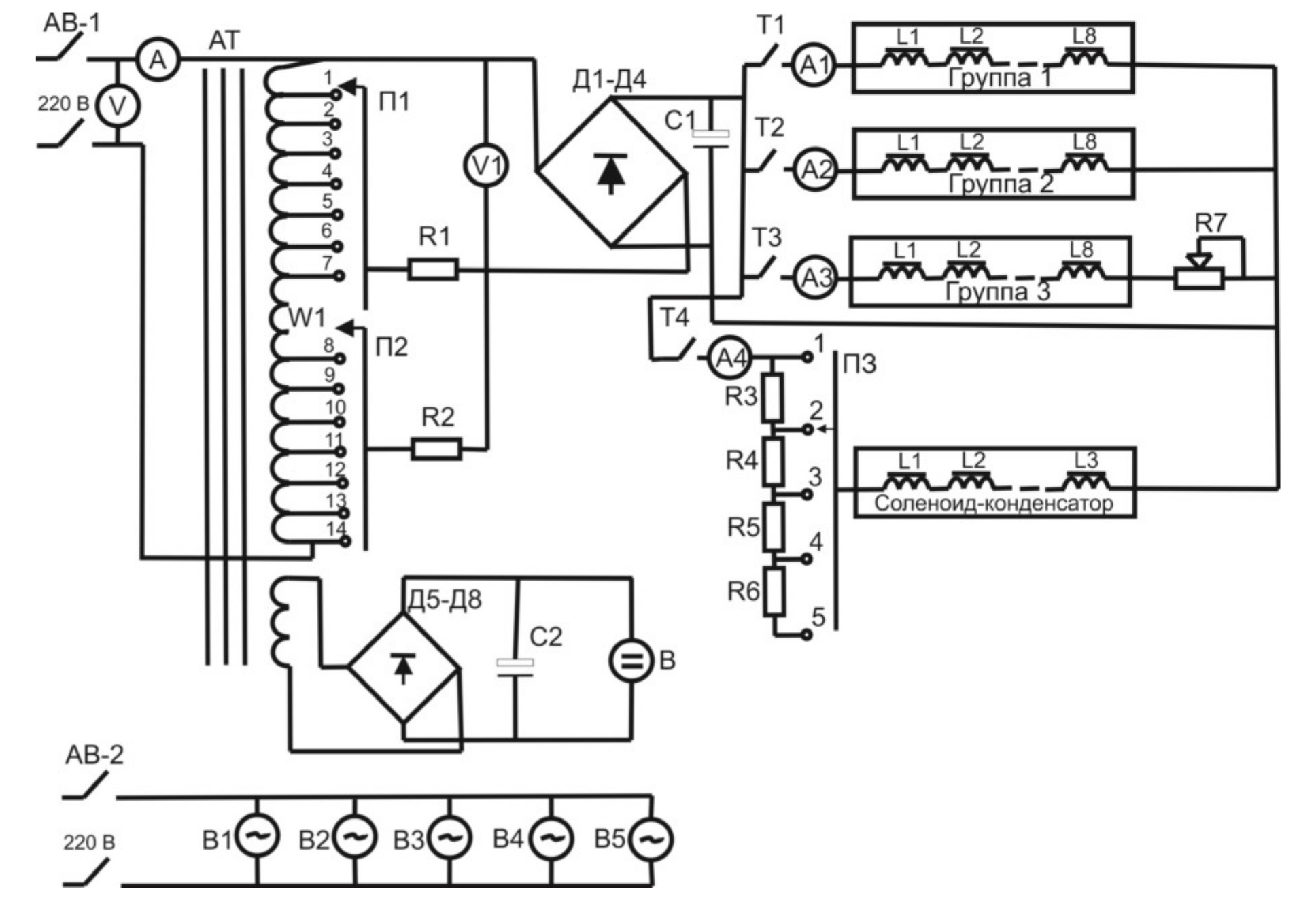
Работа устройства для воздействия на биологические объекты ПМП происходит следующим образом. Напряжение 220 В, 50 Гц при включении автоматического выключателя АВ-1 поступает на обмотку автотрансформатора, состоящую из 14-ти одинаковых секций. С помощью переключателей П1 и П2 осуществляется ступенчатое изменение напряжения, подаваемого на выпрямитель, состоящий из диодов Д1, …, Д4. Сопротивления R1 и R2 предназначены для предотвращения протекания тока короткого замыкания при ошибочных операциях с переключателями П1 и П2. На выходе выпрямителя для сглаживания пульсаций 6800 мкФ.
Подключение трех групп электромагнитов и концентратора-соленоида выпрямленного напряжения включена емкость С1, равная 6800 мкф. Подключение трех групп электромагнитов и концентратора-соленоида к выпрямленному и сглаженному напряжению осуществляется с помощью тумблеров Т1, …, Т4. Сопротивление R7 предназначено для установки тока 3-й группы соленоидов (состоящей из 6 электромагнитов) равным току 1-й и 2-й групп (состоящей из 8-ми электромагнитов каждая). С помощью переключателя П3 осуществляется изменение тока соленоида-концентратора, тем самым может быть подобрано оптимальное соотношение токов групп электромагнитов и тока соленоида-концентратора. Вся контрольно-измерительная аппаратура установлена в отдельном блоке.
Несмотря на несогласованность результатов проводимых исследователями работ в области магнитобиологии отмечается, что реакции организма на изучаемый фактор разнообразны и определяются индивидуальными особенностями биологического объекта. Эмбриотропное действие поля может наблюдаться при индукции магнитного поля большей 10–20 мТл и ежедневной экспозиции 2 часа. Изменения на энцефалограмме наступают при индукции 15–25 мТл, выброс сератонина и катехоламинов наблюдаются при значениях индукции порядка 400 мТл при экспозиции 1 час.
Процессы образования электромагнитных полей представлены в [1; 2] и в данной статье не рассматриваются.
В магнитобиологическом эксперименте исследование проводилось в четырех сериях в зависимости от интенсивности и длительности действия ПМП. Животные подвергались 30-сутучному воздействию в первых двух сериях ПМП с величинами индукции 15 и 60 мТл и ежедневной экспозицией 1 час. Материалами для исследования были тимус, надпочечники.
Оценку их морфофункционального состояния проводили используя комплекс морфологических, морфометрических гистохимических и цитохимических методов. В препаратах тимуса исследовали максимально возможную количественную информацию о размерах основных структурных зон тимуса, диаметров просвет сосудистого русла органа. Полученные многомерные характеристики определяющие морфофункциональное состояние органа при различных режимах воздействия ПМП в разные сроки исследования и определялись наиболее значимые показатели отражающие удельный вклад в общую динамику процессов изменения морфофункционального состояния изучаемых объектов.
Для этого в работе нами применялась модификация метода системного многофакторного анализа по Котельников Г.П. и соавт., 2006.
2. Многофакторный анализ
Под системой понимается комплекс морфометрических, биохимических, иммунологических и многих других показателей различных структурных элементов, объединенных процессом функционирования, которого нет у составляющих его элементов. Система, включающая элементы разных типов и обладающая разными связями между ними, называется сложной. Одной из важных задач изучения сложной системы является понимание ее функционирования. В упрощенном виде системный анализ – это методика, позволяющая не упустить из рассмотрения важные стороны и связи изучаемого объекта, процесса, явления.
В основе системного многофакторного анализа лежит вычисление обобщенных (интегральных) показателей по полученным единичным параметрам в различных периодах патологического процесса или стадиях заболевания. Для вычисления этих показателей многомерные количественные характеристики с несопоставимыми абсолютными значениями переводят в сопоставимые путем вычисления относительных разностей [3–6]:
(1)
где j – относительная разность каждого из параметров; – среднее арифметическое значение j-го показателя одной серии исследований; x0 – нормированное значение, принятое за норму среднего арифметического значения того же показателя.
Степень влияния отдельных показателей на функциональное состояние системы в целом оценивают по величине весового коэффициента (коэффициента влияния):
(2)
где – постоянный множитель, выбираемый из удобства масштаба, а – среднеквадратичное отклонение, вычисляемое по формуле:
(3)
где mi – среднеквадратичное отклонение среднего арифметического значения каждого из показателей.
По полученным данным рассчитывают взвешенное среднее для каждой группы параметров. Это величина интегральная, характеризующая изучаемый процесс по заданному вектору (в относительных единицах):
(4)
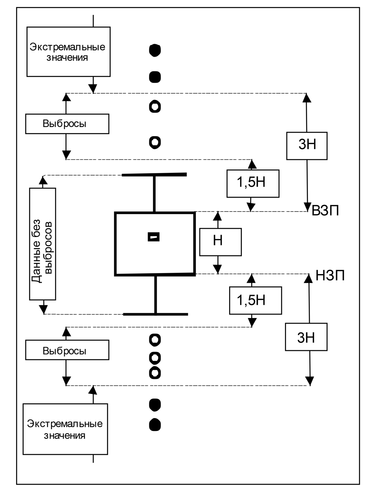
Очень часто результаты медико-биологических исследований (иммунологические, гематологические, морфометрические и др.) не подчиняются нормальному распределению. Нами предлагается в этих случаях для деления исследуемого фактора на интервалы или градации использовать медиану с верхним и нижним квартилями или процентилями, в зависимости от необходимого числа групп. Кроме того, для получения несмещенных оценок интегрального показателя мы предлагаем исключить из исследуемой выборки экстремальные значения и выбросы [4–6].
Значения, находящиеся достаточно «далеко» от центра распределения, называются выбросами и экстремальными значениями, если они удовлетворяют следующим условиям (рис. 3).
Рис. 3. Диапазоны выбросов и крайних точек на «классической» диаграмме размаха
Fig. 3. Ranges of outliers and extreme points on the «classical» range diagram
1). Точка данных считается выбросом, если:
где ЗВГ – значение на верхней границе прямоугольника на диаграмме размаха (например, [среднее + стандартная ошибка] или [75-я процентиль]); ЗНГ – значение на нижней границе прямоугольника на диаграмме размаха (например, [среднее – стандартная ошибка] или [25-я процентиль]); к.в. – коэффициент выбросов.
2). Точка будет экстремальной, если для ее значения выполнено следующее:
где ВЗП – верхнее значение прямоугольника на диаграмме размаха (например, среднее + стандартная ошибка или 75-процентиль); НЗП – нижнее значение прямоугольника на диаграмме размаха (например, среднее – стандартная ошибка или 25-процентиль); к.в. – коэффициент выбросов (если он равен 1,5, то экстремальные значения находятся на расстоянии, большем утроенной разности верхнего и нижнего значений прямоугольника).
Мы предлагаем в случаях небольшого числа наблюдений или большого количества выбросов и экстремальных значений исключить из исследования наблюдения, значения которых меньше 5-го и больше 95-го процентилей.
Использование медианы и процентилей в качестве границ интервалов значений исследуемого показателя и исключение из исследования выбросов и экстремальных значений позволяет получить более однородные по количеству наблюдений группы.
Нами разработаны и применяется процедуры (файл-сценарии) для пакета статистических исследований SPSS одноименной фирмы, и Microsoft Excel позволяющие автоматизировать и стандартизировать процесс, как подготовки данных, так и проведения системного многофакторного анализа. Это значительно сокращает затраты времени на проведение математического моделирования, унифицирует все этапы обработки данных и уменьшает число ошибок субъективного характера. Данная методика позволяет оценивать практически неограниченное число параметров в нескольких группах сразу [3].
Заключение
Математическое моделирование изменений морфофункционального состояния коры надпочечников по одинадцати биологическим параметрам в разные сроки воздействия нормированным ПМП при воздействии предельно допустимого уровня оценивалось по отклонению интервального показателя и его нормированного значения [3–6]. Воздействие данного фактора приводило к отклонению интегрального показателя в клубочковой зоне надпочечников на 30-е сутки составило – в дальнейшем на 60 день отклонение увеличилось на на 90-е далее на 120-е сутки, он не отличался от нормированного. В пучковой зоне надпочечников далее и соответственно. Изменение в структуре микроциркуляторного русла в различных зонах тимуса проявлялись частичным увеличением относительной площади сосудистого русла и расширением просвета структурных элементов гемомикроциркуляторного русла с явлениями истончения капилляров. После прекращения действия ПМП в сериях 15–30 мТл экспериментов морфофункциональное состояние тимуса возвращалось к норме.
Об авторах
Игорь Леонидович Слободянюк
Самарский государственный медицинский университет
Автор, ответственный за переписку.
Email: savonarola256@yandex.ru
полковник медицинской службы, кандидат медицинских наук, доцент, врач высшей категории, сертифицированный тренер тренажерного зала (Академия Life Fitness, Москва). 1 разряд по вольной борьбе
Россия, 443099, Самара, ул. Чапаевская, 89Юлия Владимировна Никольская
ДЮСШ ОР «Икар»
Email: yuliya.nikolskaya.96@mail.ru
тренер-педагог детской юношеской спортивной школы «Икар», заочный аспирант Пензенского государственного университета
Россия, 607182, Нижегородская обл., Саров, пр. Музрукова, 43, стр. 2Сергей Евгеньевич Кисляев
Самарский национальный исследовательский университет имени академика С.П. Королева
Email: thegreatsteamgolem@yandex.ru
кандидат технических наук, заведующий лабораторией аналитических комплексов и систем
Россия, 443086, Самара, Московское шоссе, 34Полина Григорьевна Пичугина
Пензенский государственный университет
Email: polinapichugina@yandex.ru
кандидат педагогических наук, доцент кафедры компьютерных технологий
Россия, 440026, Пенза, ул. Красная, 40Татьяна Александровна Антипова
Самарский государственный медицинский университет
Email: antipovata81@gmail.com
ORCID iD: 0000-0001-5499-2170
кандидат технических наук, доцент кафедры физики
Россия, 443099, Самара, ул. Чапаевская, 89Любовь Васильевна Матвеева
Национальный исследовательский Мордовский государственный университет имени Н.П. Огарева
Email: matveevaljubov1@mail.ru
доктор медицинских наук, профессор кафедры иммунологии, микробиологии и вирусологии
Россия, 430005, Саранск, ул. Большевистская, 68Вячеслав Андреевич Мачихин
Самарский государственный технический университет
Email: vmachihin@mail.ru
кандидат технических наук, доцент кафедры электронных систем и информационной безопасности доцент кафедры радиоэлектронных систем
Россия, 443100, Самара, ул. Молодогвардейская, 244Виктор Алексеевич Поляков
Самарский государственный медицинский университет
Email: viktorpolyakov47@gmail.com
кандидат медицинских наук, доцент кафедры реабилитологии, физиотерапии, курортологии и спортивной медицины Института повышения квалификации врачей
Россия, 443099, Самара, ул. Чапаевская, 89Эрик Сергеевич Гаспаров
Самарский государственный технический университет
Email: ericgasparov@rambler.ru
кандидат технических наук, доцент кафедры электронных систем и информационной безопасности
Россия, 443100, Самара, ул. Молодогвардейская, 244Андрей Геннадьевич Майоров
Поволжский государственный университет телекоммуникаций и информатики
Email: andreyka.mayorov.92@mail.ru
инженер кафедры физики Поволжского государственного университета телекоммуникаций и информатики
Россия, 443010, Самара, ул. Л. Толстого, 23Список литературы
- Неганов В.А., Табаков Д.П. Решение задач электродинамики на основе сингулярных интегральных представлений электромагнитного поля: теория антенн, дифракция электромагнитных волн, метаструктуры // Физика волновых процессов и радиотехнические системы. 2016. Т. 19, № 3. С. 49–59. URL: https://journals.ssau.ru/pwp/article/view/7139
- Табаков Д.П., Майоров А.Г. О собственных значениях интегрального оператора сингулярного интегрального уравнения тонкого трубчатого вибратора // Физика волновых процессов и радиотехнические системы. 2019. Т. 22, № 1. С. 26–31. DOI: https://doi.org/10.18469/1810-3189.2019.22.1.26-31
- Морфологический анализ и математическое моделирование в изучении внутриорганной опографии кровеносных сосудов / П.А. Гелашвили [и др.]. Самара: Офорт, 2008. 223 с.
- Влияние постоянного магнитного поля на вилочковую железу и надпочечники в магнитобиологическом эксперименте / И.Л. Слободянюк [и др.] // Проблемы информатики в образовании, управлении, экономике и технике: сб. статей XX Межд. научно-техн. конф., посвященной 75-летию Победы в Великой Отечественной войне. Пенза: Приволжский Дом знаний, 2020. С. 48–52.
- Влияние постоянного магнитного поля на эндокринные железы биологического объекта (нормализация, системный многомерный анализ / В.А. Мачихин [и др.] // IV Научный форум телекоммуникации: Теория и технологии ТТТ-2020. «Физика и технические приложения волновых процессов ФИТПВП-2020»: мат. XVIII Межд. научно-техн. конф. Самара: ПГУТИ, 2020. С. 248–249.
- Использование индекса фрактальности в медико-биологических исследованиях / В.А. Мачихин [и др.] // IV Научный форум телекоммуникации: Теория и технологии ТТТ-2020. «Физика и технические приложения волновых процессов ФИТПВП-2020»: мат. XVIII Межд. научно-техн. конф. Самара: ПГУТИ, 2020. С. 246–247.
Дополнительные файлы




