Comparison of the main aspects of modern approaches to the development of surface acoustic wave filters: model of the coupling of mode and the finite element method
- Authors: Koigerov A.S.1
-
Affiliations:
- Saint Petersburg Electrotechnical University
- Issue: Vol 25, No 2 (2022)
- Pages: 28-39
- Section: Articles
- URL: https://ogarev-online.ru/1810-3189/article/view/143679
- DOI: https://doi.org/10.18469/1810-3189.2022.25.2.28-39
- ID: 143679
Cite item
Full Text
Abstract
This article discusses the main issues of designing filters based on surface acoustic waves. A type of band-pass filter based on longitudinal resonant modes is presented. The features of the calculation based on two approaches are considered: the coupled mode model and the finite element method. Practical recommendations are proposed for reducing the time of filter calculation in numerical simulation. The results of calculating and measuring the transmission coefficient of a filter on a leaky surface acoustic waves on a 36° YX-cut lithium tantalate substrate are presented and compared. The main aspects and directions in which the considered modeling methods can be compared are highlighted and analyzed. It is shown that the use of different modeling approaches increases the development efficiency, and fast analytical models are required for the synthesis and optimization of filter parameters.
Full Text
Введение
Последние десятилетия фильтры на поверхностных акустических волнах (ПАВ) стали неотъемлемой частью современной техники [1]. Они применяются как в составе приборов бытовой электроники, так и в военной и специальной технике с особыми условиями эксплуатации. Устройства на ПАВ уверенно занимают нишу в диапазоне частот от десятков мегагерц до 2,5 ГГц благодаря своим габаритам, надежности и отличными радиотехническим характеристикам. В то же время растут требования к их характеристикам, и, чтобы их достичь, необходимо, как минимум научиться их сначала предсказывать на этапе моделирования, чтобы с уверенностью переходить к изготовлению. Поэтому актуальна задача повышения качества расчета и развития средств моделирования. Неплохой вариант, когда разработчик применяет различные подходы для моделирования, а результаты расчета при этом совпадают. Тогда можно с некоторой уверенностью переходить и к изготовлению устройств.
На этапе разработки полосно-пропускающих фильтров (ППФ) на ПАВ важно иметь средства проектирования и расчета, которые позволяют эффективно прогнозировать рабочие характеристики, например амплитудно частотную характеристику (АЧХ) фильтра. Сложные взаимосвязи между элементами топологии, резонансный характер акустических процессов, высокая чувствительность различных акустических параметров к геометрии элементов делают проектирование фильтров особенно требовательным к временным и материальным ресурсам разработчика.
На сегодняшний день уже известны различные методы расчета и моделирования устройств на ПАВ. По условной классификации, предложенной в работе [1], их можно разделить на несколько групп: простейшие аналитические – импульсные модели и подходы на основе дельта-функций [2], более строгие аналитические модели, численные методы и комбинированные подходы. На рис. 1 представлена данная условная классификация.
Рис. 1. Методы расчета и моделирования устройств на ПАВ
В последние годы с ростом вычислительных мощностей компьютеров растет интерес к численным моделям на основе метода конечных элементов (МКЭ) [3]. В этом случае необходимы значительные временные затраты и ресурсы компьютера, и хотя продолжительность расчета зависит от различных параметров модели, но уйти от большого числа конечных элементов сетки без потери точности оценки и увеличения погрешности не получится. С другой стороны, для расчета рабочих характеристик можно использовать хорошо зарекомендовавшие себя быстрые эффективные аналитические методы, такие как метод эквивалентных схем (МЭС) [4], модель связанных мод (МСМ) [5] и ряд дискретных моделей [6]. Отличительной особенностью их является то, что данные методы требуют предварительного анализа параметров, которые, например, можно получить как раз на основе численных методов, но уже на основе анализа простых ячеек и конструкции, не требующих большого времени и ресурсов. Причем точность расчета на основе МКЭ и МСМ будет сопоставима при использовании адекватных параметров и физико-математической модели, которая их будет учитывать. Поэтому аналитические методы остаются в строю и помогают прогнозировать характеристики на этапе моделирования.
Есть еще ряд сложных комбинированных подходов на основе различных матричных вычислений с включением методов конечных и граничных элементов (Finite Element Method/ Boundary Element Method – FEM/BEM). К их числу можно отнести подход, основанный на методе функции Грина в матричной форме [7], и иерархическое каскадирование на основе B-матриц [8; 9].
Цель работы – показать современное состояние и основные особенности расчета ППФ на ПАВ на основе двух подходов: модели связанных мод и метода конечных элементов. В качестве образца, на основе которого будет проходить сравнение результатов расчета, выбрана конструкция фильтра на продольных модах на подложке 36° YX-срезе танталата лития (36° YX LiTaO3), где в качестве основного типа волны используется вытекающая ПАВ.
1. Модифицированная модель связанных мод
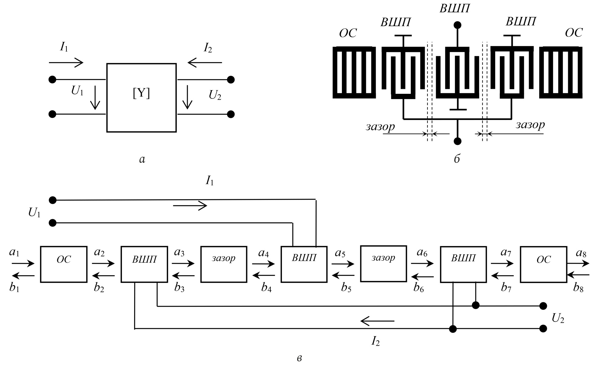
В рамках подхода МСМ устройство на ПАВ удобно рассматривать в виде четырехполюсника (рис. 2, а), который описывается как набор Y-параметров. Матрица Y-параметров описывает поведение любой линейной электрической сети, которую можно рассматривать как «черный ящик» с рядом портов. Порт в этом контексте – это пара электрических выводов, по которым протекают токи и между которыми имеется определенное напряжение.
Рис. 2. Эквивалентное представление фильтра на ПАВ: a – в виде четырехполюсника; б – топология; в – акустоэлектрическая схема для МСМ
На рис. 2, б приведена топология резонаторного фильтра, состоящего из одного входного встречно-штыревого преобразователя (ВШП), двух выходных ВШП и отражательных структур (ОС), расположенных с двух сторон от выходных преобразователей. Данная топология относится к так называемому фильтру, работающему на продольных резонансных модах (в англ. литературе – это dual-mode SAW filters (DMS)) [1]. Отдельными блоками выделены зазоры между ВШП, поскольку они отвечают за синфазное возбуждение продольных мод, и, таким образом, от них сильно зависят характеристики фильтра. Зазоры между ВШП и ОС равны нулю и не указаны на рисунке. Число электродов и апертуры ВШП и ОС выбирают таким образом, чтобы выполнялись требования по реализации необходимых характеристик фильтра: полосы пропускания, минимальных вносимых потерь, заграждения, неравномерности АЧХ и др.
Отдельно взятый блок рассматривается как устройство с двумя акустическими и одним электрическим входом. МСМ основан на рассмотрении двух связанных между собой плоских волн. Общая методология данного подхода предложена в работе [1], где рассматривается линейная система с двумя плоскими, линейно связанными в областях ограниченной протяженности волнами, распространяющимися во встречных направлениях. На основе комплексной амплитуды мод может быть выражен поток мощности, исходящий из блока либо падающий на рассматриваемый блок.
Следуя идеологии метода Р-матрицы, топологию фильтра можно представить в виде, показанном на рис. 2, в. Один из ВШП является входным преобразователем и подключен к входному порту. Электрические порты по выходным ВШП соединены параллельно. Акустические порты блоков соединены последовательно друг с другом в соответствии с топологическим описанием. Акустическая связь между преобразователями, а также отражательными структурами определяется распределением поля акустических волн в направлении соответствующих структур. К входному порту приложен потенциал U1, к выходному – U2, через них текут токи I1 и I2 соответственно.
Последовательность действия при использовании метода Р-матриц состоит в следующем:
– составляется эквивалентная акустоэлектрическая схема выбранной конструкции (рис. 2, в);
– вычисляются Р-матрицы всех элементарных звеньев устройства (рис. 3);
– вычисляется суммарная Р-матрица (P∑), определяющая связь комплексных амплитуд волн на входе и выходе ПАВ-структуры в целом.
Рис. 3. Представление электродов ВШП в виде элементарных блоков P-матриц
Компоненты суммарной Р-матрицы акустического канала (P∑) могут быть вычислены перемножением соответствующих компонентов для ОС и ВШП. Условно запишем:
P∑ = PОС × PВШП-1 × Pзазор ×
× PВШП-2 × Pзазор × PВШП-3 × PОС.
Суммарная матрица определяет связь комплексных амплитуд волн на входе и выходе ПАВ-фильтра. Из нее можно сформировать матрицу проводимостей устройства. Причем необходимо вычислить суммарные матрицы относительно входного и выходного порта из следующего физического соображения:
где b1, b8, a1, a8 – амплитуды волн на входе и выходе акустических портов одиночного звена DMS; Ii, Uk, Uj, i, k, j = 1, 2 – токи и напряжения на входном и выходном электрических портах, j ≠ k; – элемент суммарной матрицы, определяющий искомую проводимость ВШП в зависимости от состояния электрических портов.
Известно, что свойства четырехполюсника на одной частоте полностью описываются двумя уравнениями. В матричной форме рассматриваемый ПАВ-фильтр как четырехполюсник, представленный на рис. 2, а, можно описать с помощью интересующей нас матрицы проводимостей:
где Ii и Ui, i = 1, 2 – токи и напряжения на входных и выходных электрических портах соответственно, элементы Y11, Y12, Y21, Y22 – Y-параметры четырехполюсника, их необходимо определить с помощью МСМ.
Для пассивного четырехполюсника передаточные проводимости Y12 = Y21, таким образом, в матрице Y-параметров - три независимых параметра.
Для успешной реализации МСМ на базе P-матриц необходимо знать: 1) физическую интерпретацию всех P-компонент [10]; 2) правила каскадирования P-матриц [5; 10]; 3) переход от набора Y-параметров к S-параметрам [11]; 4) способ определения COM-параметров, чем пойдет речь ниже.
При разработке акустоэлектронных устройств необходимо знание следующих основных пара- метров:
- скорость ПАВ на свободной и металлизированной поверхности;
- скорость ПАВ под элементами ВШП и ОС;
- коэффициент отражения ПАВ от электрода;
- коэффициент прохождения ПАВ через электрод;
- коэффициент акустоэлектронного преобра- зования;
- затухание ПАВ в подложке (в том числе и с учетом потерь за счет генерации объемных волн);
- статическая емкость электрода;
- фазовый сдвиг между центром отражения и возбуждения ПАВ.
Следует также отметить, что некоторые из перечисленных параметров имеют зависимость от частоты, а для ряда параметров необходимо дополнительно учитывать вязкостные потери материала. Причем при определении этих параметров приходится учитывать довольно большое число степеней свободы, относящихся к топологическим, конструктивным и технологическим особенностям устройств. Это такие факторы, как
- геометрия (в частности, профиль) одиночного электрода ВШП или ОС;
- тип электродной ОС (закороченная или электрически разомкнутая);
- тип элементарного отражателя в ОС (электрод или канавка);
- геометрия шин ВШП и контактных площадок;
- коэффициент металлизации электродных структур;
- толщина металлизации.
Наиболее распространенными способами получения COM-параметров являются два способа: 1) извлечение параметров из экспериментальных данных c последующим построением эмпирических зависимостей необходимых параметров [12]; 2) получение параметров с помощью различных расчетов методом конечных элементов без проведения многочисленных реальных экспериментов [13].
Такие программные пакеты, как COMSOL Multiphysics [3] или ANSYS [14], работа которых основана на методе конечных элементов, позволяют моделировать устройства на ПАВ и анализировать различные параметры волн. Например, в работах [15; 16] представлен способ численного извлечения COM-параметров.
2. Метод конечных элементов
Известно, что особенностью распространения ПАВ в пьезоэлектрических подложках является тот факт, что волна механических смещений сопровождается волной электрического потенциала, распространяющего с той же фазовой скоростью. Причем в отдельных случаях для акустических волн (Рэлея и псевдо ПАВ) вместо двух появляются три ортогональные компоненты механического смещения (две сдвиговых и одна продольная). Учет всех этих физических особенностей возможен при анализе распространения ПАВ только численным методом. В этом случае задача распространения ПАВ определяется дифференциальными уравнениями и решается с учетом геометрии устройства, свойств материалов и граничных условий.
Уравнения пьезоакустики в тензорной форме [17]:
Tij = Cijkl Skl – ekij Ek,
Di = eij Ej + eijk Sjk ,
где T, S – тензоры напряжений и деформаций; E, D – векторы напряженности и индукции электрического поля; C, e, e – тензоры модулей упругости, пьезомодулей и диэлектрической проницаемости соответственно.
Уравнения движения в пьезоэлектрической среде также можно представить в виде [17]:
где показана связь компонент механического смещения ui в декартовой системе координат xi и электрического потенциала – плотность материала. Заметим, что для каждого узла сетки ищется 4 неизвестных – 3 механические компоненты смещения (u1, u2, u3) и – электрический потенциал. При условии задания соответствующих начальных и граничных условий данные уравнения полностью определяют возможные волновые процессы в объеме упругого анизотропного тела, обладающего пьезоэлектрическими свойствами. Таким образом, в кристалле волну можно характеризовать смещениями и потенциалом .
В отличие от одномерного рассмотрения задачи по МСМ МКЭ, моделирование позволяет получить необходимые параметры и характеристики в 3D-размерности, в том числе точно получить информацию по рассеиванию волны в глубину подложки. А также получить информацию о всех возбуждаемых акустических модах в конкретной топологии. По своей сути такое 3D-моделирование будет наиболее точным с точки зрения описания всех акустических процессов, но и самым «ресурсозатратным» как по требованию к ресурсам компьютера, так и по времени. Но существует метод, который позволяет существенно сократить модель. В этом случае рассмотрим несколько допущений. Во-первых, преобразователь не должен иметь аподизацию, во-вторых, профиль волны, распространяющейся в поперечном направлении, будем считать плоским. Это допущение возможно при апертуре ВШП более 10 длин волн, в этом случае можно пренебречь волноводным эффектом [18]. А в случае, если расстояние между соседними блоками (ВШП и ОС) незначительно, можно не рассматривать и дифракцию [19]. Понятно, что эти допущения существенно сужают круг анализируемых топологий, но в то же время подходят для класса фильтров DMS.
Принцип перехода от полной 3D-модели к упрощенной модели показан на рис. 4. Предполагаем, что полученное решение на малом участке апертуры будет распространяться на весь преобразователь с точностью до множителя апертуры. Предполагаем также, что волны, исходящие от преобразователя, имеют прямоугольный профиль, в том числе во всех точках, обусловленных перекрытием апертуры.
Рис. 4. Переход от полной 3-D модели к упрощенной модели
Конечной целью расчета является задача найти один из наборов параметров, который полностью описывает четырехполюсник. Такими параметрами могут быть Z-, Y- или S-параметры четырехполюсника. С помощью МКЭ удобно рассчитывать набор Y-параметров, а по уже известным формулам перейти к набору S-параметров [11]. Таким образом, необходимо найти зависимости в частотной области реальной и мнимой части проводимости Y11, Y12, Y21, Y22. Поскольку фильтры на ПАВ относятся к классу линейных цепей, то необходимо найти минимум три независимых компонента, как и в подходе МСМ, поскольку (Y12 = Y21).
Решение задачи по расчету фильтра с помощью МКЭ можно свести в блок-схему (рис. 5), которая разбивает одну большую задачу на несколько этапов.
Рис. 5. Блок-схема методики расчета фильтра на ПАВ с помощью метода конечных элементов в Comsol
- Анализ технических требований на фильтр. Анализ позволяет установить основные ограничения на размеры конструкции и ограничения на материалы с учетом температурных уходов.
- Выбор геометрии фильтра. На данном этапе на основе сформулированных технических требований надо определиться с типом геометрии фильтра, профилем электродов, толщиной и коэффициентом металлизации электродов. В отдельных случаях необходимо также определиться с материалом подслоя и его толщиной.
- Прорисовка геометрии устройства.
- Выбор материалов подложки и электродов. Выбор для каждой области необходимых материалов. Для описания пьезоэлектрических подложек потребуются матрицы коэффициентов упругости, пьезоэлектрических констант, диэлектрических констант и плотность. Их можно взять или из доступной библиотеки, или ввести вручную из известных источников, например [20]. Необходимые углы Эйлера приведены в [19].
- Настройка граничных условий и начальных условий. Необходимо указать условия свободной поверхности сверху и периодические граничные условия по апертуре (апертура ) при работе с «упрощенной» моделью (рис. 6, а). Граничные условия подразделяются на механические и электрические.
- Настройка электрических портов. На границах между электродами и пьезоэлектрической подложкой задаются потенциалы (1, 0) в зависимости от типа анализируемых характеристик Y11, Y12, таким образом, осуществляем поочередную коммутацию входных и выходных портов.
- Построение сетки. Необходимо сформировать сетку, то есть разбить модель на конечные элементы. В данной работе будем рассматривать соотношение по размеру конечных элементов , где m – размер стороны конечного элемента, – акустическая длина волны.
- Выбор типа анализа. В данном случае нас интересует анализ в частотной области. И переходим к выбору диапазона частотного анализа и числу точек.
- Расчет Y-параметров. В результате расчета мы имеем большой набор решений по числу степеней свободы (англ. Degree of freedom – DOF) для каждого параметра (3 компоненты механического смещения (рис. 6, в) и потенциал (рис. 6, б)) с учетом степени дискретизации конечных элементов. Внутренними средствами можно перейти к интересующим параметрам устройства, в нашем случае это проводимость, например это реальная и мнимая части проводимости. В конечном итоге необходимо получить полный набор Y-параметров.
- Конвертация из Y-параметров к набору S-параметров. Очень удобно описывать четырехполюсник не в виде набора Y-параметров, а в виде элементов матрицы рассеяния или S-параметров, поскольку рабочие характеристики фильтров описываются как раз такими характеристиками (например, АЧХ). Чаще всего S-параметры определяются в тракте с величиной волнового сопротивления, равной Z0 = 50 Ом. Физический смысл S11 – коэффициент отражения на входе, S21 – комплексный коэффициент передачи. Y0 = 1/Z0.
- Вывод и анализ рабочих характеристик устройства (АЧХ, групповое время запаздывания (ГВЗ) и др.) на соответствие техническим требованиям.
Рис. 6. Пример отображения для участка геометрии фильтра DMS: а – построенной сетки; б – распределения потенциала; в – распределения механического смещения
В случае несоответствия можно варьировать различными параметрами топологии, такими как: число пар ВШП и ОС, величина зазора, апертуры преобразователя, толщина металлизации и коэффициент металлизации. В общем случае можно менять любые входные данные и пересчитывать характеристики.
Необходимо отметить, что при моделировании с помощью МКЭ не были учтены следующие эффекты: резистивные потери в электродах ВШП, дифракция акустической волны, потери за счет вязкостных свойств материала, учет контактных площадок и шин. Это делается по нескольким причинам. Во-первых, полноценный учет дифракции и резистивных потерь возможен, но тогда потребуется прорисовать полноценную 3D-модель, однако такой подход потребует слишком большого числа элементов сетки и, соответственно, числа степеней свободы и, как следствие, больших ресурсов компьютера, к тому же очень сильно возрастет время расчета. Во-вторых, учет потерь на распространение требует введения соответствующих коэффициентов, которые нужно отдельно вносить в модель, при этом нужно быть уверенными в их значениях, чтобы не получить дополнительную «ошибку» при расчетах. Поэтому имеет смысл сравнить оба подхода, но без учета данного вида потерь. Таким образом, можно анализировать все источники потерь отдельно. И поскольку аналитический МСМ является намного более быстрым, то все источники потерь удобно добавлять именно там.
3. Результаты
Представим результаты расчета входной проводимости и АЧХ одного звена фильтра DMS, выполненные на основе двух представленных подходов: аналитического – МСМ и численного – МКЭ. Основные результаты и особенности расчета сведем в табл. 1.
Таблица 1. Сравнение результатов расчета ППФ на основе 2 подходов: МКЭ и МСМ
Table 1. Comparison of the results of calculating the PPF based on 2 approaches: FEM and MSM
МКЭ | МСМ | |
Дискретизация сетки, длин волн | 1/12 | – |
Число элементов (областей) сетки | 208401 | – |
Требуемая оперативная память, Гб | 39 | – |
Число степеней свободы (DOF) | 4103169 | – |
Число частотных точек | 201 | 201 |
Время расчета | 20 ч | 3 сек |
Полоса пропускания по –3 дБ, МГц | 25,46 | 26,2 |
Вносимые потери, дБ | –0,321 | –0,39 |
Центральная частота, МГц | 977,33 | 977,33 |
На характеристках входной проводимости (рис. 7), рассчитанной двумя способами, присутствует небольшое расхождение в области крайней правой резонансной моды, что, по-видимому, связано с большей величиной утечки акустической энергии на верхних частотах, присущей вытекающим ПАВ. Несмотря на это, результаты анализа полосы пропускания на АЧХ (рис. 8) свидетельствуют, что данное расхождение не столь значительно.
Рис. 7. Входная проводимость Y11 одного звена фильтра DMS, рассчитанная с помощью МCМ (а) и МКЭ (б): 1 – Re(Y11), 2 – Im(Y11)
Рис. 8. Расчетная АЧХ одного звена фильтра DMS без учета ряда источников потерь: 1 – МСМ, 2 – МКЭ
В расчетах с помощью МКЭ не стояла задача оптимизации по времени расчета, поэтому был использован прямой решатель, число элементов сетки было порядка 208 461, плотность сетки – 12 элементов на длину волны. В целом оба расчета показали приблизительно одинаковый результат, что является хорошим показателем для предварительной оценки выходных характеристик. Ну и самое главное отличие состоит в том, что расчет на основе МКЭ занял порядка 20 часов, а расчет на основе МСМ – порядка 3 секунд.
Далее сравним результаты расчета с имеющимися результатами эксперимента для фильтра, полученного на основе каскадного включения двух звеньев DMS (рис. 9). Такое включение является довольно типичным для данного класса резонаторных фильтров на продольных резонансных модах и пользуется популярностью у производителей акустоэлектронных изделий на ПАВ. В основу расчета возьмем МСМ, но подключим к расчету некоторые виды источников потерь, а именно резистивные потери, потери на распространение, потери на утечку основной акустической моды в объем подложки и учет возбуждения ПАВ после некоторой частоты отсечки. Кроме того, можно варьировать в небольших пределах паразитные LС-элементы.
Рис. 9. АЧХ 2-каскадного фильтра DMS: 1 – расчет МСМ, 2 – эксперимент
Основные параметры. Вносимые потери: –2,5 дБ. Относительная полоса пропускания по уровню –3 дБ: 2,5 %. Гарантированное подавление в полосе заграждения: –45 дБ. Сопоставление результатов расчета показывает, что отклонение в полосе пропускания не более 0,2 дБ, в полосе заграждения – не более 5 дБ от прогнозируемых величин.
4. Сравнение методов моделирования устройств на ПАВ
Накопленный опыт проектирования устройств на ПАВ позволяет выделить некоторые аспекты и направления, по которым можно сравнить рассмотренные в работе способы моделирования и свести их в табл. 2.
Таблица 2. Сравнение основных аспектов методов моделирования устройств на ПАВ
Table 2. Comparison of the main aspects of modeling methods for SAW devices
Характеристики модели | МКЭ полное 3D | МКЭ усеченный вариант | МСМ |
Эффекты, учитываемые в модели | |||
Нагруженное произвольное сопротивление Zн | + | + | + |
Сигнал тройного прохода | + | + | + |
Многократные переотражения | + | + | + |
Излучение объемных волн | + | + | +* |
Дифракция | + | – | +* |
Волноводный эффект | + | – | +* |
Затухание в подложке | + | + | + |
Учет глубины проникновения волны в подложку | + | + | – |
Влияние контактных площадок и шин | + | – | – |
Резистивные потери | + | – | + |
Паразитные LC-элементы | + | + | +* |
Профиль электрода | + | + | +* |
Расчет основных элементов конструкции | |||
ВШП, ОС | + | + | + |
Ответвители | + | – | + |
Непериодические структуры | + | + | + |
Амплитудная аподизациия | + | – | + |
Емкостное взвешивание | + | – | + |
Взвешивание удалением электродов | + | + | + |
Некоторые особенности расчета | |||
Набор Y-параметров | + | + | + |
Расчет на новых материалах | + | + | –** |
Различные типы волн: Рэлея, LSAW, STW | + | + | + |
Быстрый синтез, ручной ввод, изменение параметров топологии | – | – | + |
Скорость расчета | – | – | + |
Готовый пакет | + | + | –*** |
* для МСМ требуются отдельные «модули», решающие и учитывающие данные эффекты
** для расчета новых материалов требуется знание всех новых COM-параметров
*** по МСМ существуют лишь «авторские» пакеты и программы, которых нет в свободном доступе
Как видно из представленной табл. 2, для каждого подхода можно сделать некоторые выводы о его преимуществах и недостатках
Моделирование различных физических процессов на основе МКЭ в режиме 3D возможно с помощью таких готовых программ, как ANSYS и COMSOL Multiphysics. К недостаткам МКЭ в режиме 3D можно отнести то, что данный подход требует значительных затрат машинного времени и существенных вычислительных ресурсов. Но зато возможен учет множества параметров и эффектов при моделировании реальных полноапертурных устройств. Поэтому данный подход больше подходит для анализа устройств на финальной стадии разработки, где мы можем реальный эксперимент заменить качественным мультифизическим моделированием. Удобный вывод результатов моделирования в графическом и числовом формате позволяет использовать их для дальнейших расчетов в других пакетах, таких, например, как MATLAB.
Некоторые сложности и недостатки, присущие пакету в режиме полного 3D, компенсируются высокой точностью расчета, а также возможностью решать частные задачи, например, в усеченных моделях.
Но все-таки наиболее быстро и эффективно можно считать устройства на ПАВ с помощью МСМ, для учета большего числа «вторичных» эффектов требуются некоторая модификация и развитие МСМ, но зато этот подход незаменим на стадии синтеза топологии.
У разработчика есть возможность совмещать несколько подходов по модерированию устройств, например набор параметров распространения акустических волн, т. е. COM-параметры брать из численного метода расчета на базе COMSOL, а непосредственно рассчитывать устройство с помощью МСМ.
Заключение
Проведен сравнительный анализ результатов численного моделирования и расчета на основе модели связанных мод. Предложены практические рекомендации для сокращения времени расчета устройств на ПАВ при моделировании на основе метода конечных элементов.
Представленные подходы к проектированию, результаты расчета и эксперимента ППФ на ПАВ показали высокий уровень проектирования и технологии. Дальнейшее совершенствование методов проектирования ППФ на ПАВ должно быть направлено на создание новых конструкций и их моделей, позволяющих придерживаться тенденций развития фильтров на ПАВ, а именно уменьшения вносимых потерь, обеспечения широких полос пропускания, минимизации неравномерности АЧХ и ГВХ в полосе пропускания и повышения селективности.
Использование разных подходов моделирования позволяет повысить эффективность разработки, но быстрые и эффективные аналитические модели необходимы для синтеза и оптимизации параметров фильтров.
About the authors
Aleksey S. Koigerov
Saint Petersburg Electrotechnical University
Author for correspondence.
Email: a.koigerov@gmail.ru
ORCID iD: 0000-0002-6602-0528
Candidate of Technical Sciences, associate professor of the Department of Micro and Nano Electronics, Saint Petersburg Electrotechnical University, Saint Petersburg, Russia. Author of 25 scientific publications.
Research interests: modeling and design of microdevices based on surface acoustic waves.
Russian Federation, 5, Professora Popova Street, 197376, Saint PetersburgReferences
- Aristarhov G.M. et al. Filtering and Spectral Analysis of Radio Signals. Algorithms. Structures. Devices. Moscow: Radiotehnika, 2020, 504 p. (In Russ.)
- Filters on Surface Acoustic Waves (Calculation, Technology and Application); English trans. Ed. by G. Matthews. Moscow: Radio i svjaz’, 1981, 742 p. (In Russ.)
- Yantchev V., Turner P., Plessky V. COMSOL modeling of SAW resonators. IEEE Ultrasonics Symposium Proceedings, 2016, pp. 1–4. DOI: https://doi.org/10.1109/ULTSYM.2016.7728546
- Veremeev I.V., Dobershtejn S.A., Razgonjaev V.K. Simulation of SAW Resonators and Ladder SAW Filters by the P-Matrix Method. Tehnika radiosvjazi, 2018, no. 3, pp. 61–71. (In Russ.)
- Plessky V., Koskela J. Coupling-of-modes analysis of SAW devices. International Journal of High Speed Electronics and Systems, 2000, vol. 10, no. 4, pp. 867–947. DOI: https://doi.org/10.1142/S0129156400000684
- Sveshnikov B. Discrete analysis of regular systems. IEEE International Ultrasonics Symposium, 2010, pp. 1890–1893. DOI: https://doi.org/10.1109/ULTSYM.2010.5935881
- Grigor’evskij V.I. Calculation of characteristics of devices on surface acoustic waves in the presence of reflections due to mechanical load in the area of electrodes. Radiotehnika i elektronika, 2009, vol. 54, no. 3, pp. 363–370. (In Russ.)
- Dmitriev V.F. Derivation of modified equations of coupled surface acoustic waves. Radiotehnika i elektronika, 2009, vol. 54, no. 9, pp. 1134–1143. (In Russ.)
- Koskela J. et al. Fast GPU-Assisted FEM Simulations of 3D Periodic TCSAW, IHP, and XBAR Devices. IEEE International Ultrasonics Symposium, 2019, pp. 181–184. DOI: https://doi.org/10.1109/ULTSYM.2019.8926183
- Koskela J. et al. Rapid 2D FEM simulation of advanced SAW device. IEEE MTT-S International Microwave Symposium (IMS), 2017, pp. 1484–1486. DOI: https://doi.org/10.1109/MWSYM.2017.8058903
- Hong J., Lancaster M.J. Microstrip Filters for RF/Microwave Applications. Hoboken: John Wiley & Sons. Inc., 2001, 457 p.
- Malocha S. et al. Automated COM parameter extraction for SiO2/LiNbO3 and SiO2/LiTaO3 substrates. IEEE International Ultrasonics Symposium, 2016, pp. 1–4. DOI: https://doi.org/10.1109/ULTSYM.2016.7728387
- Pastureaud T. Evaluation of the P-matrix parameters frequency variation using periodic FEM/BEM analysis. IEEE Ultrasonics Symposium, 2004, pp. 80–84. DOI: https://doi.org/10.1109/ULTSYM.2004.1417673
- Tikka A., Said A.-S., Abbott D. Acoustic wave parameter extraction with application to delay line modelling using finite element analysis. Sensors & Transducers Journal, 2008, vol. 95, no. 8, pp. 26–39. URL: https://www.sensorsportal.com/HTML/DIGEST/P_311.htm
- Koigerov A.S., Balysheva O.L. Numerical approach for extraction COM surface acoustic wave parameters from periodic structures analysis. Wave Electronics and its Application in Information and Telecommunication Systems (WECONF), 2021, pp. 1–6. DOI: https://doi.org/10.1109/WECONF51603.2021.9470638
- Koigerov A.S. Ladder filters based on leaky surface acoustic waves on a lithium niobate substrate. Nano i mikrosistemnaja tehnika, 2021, vol. 23, no. 3, pp. 139–147. DOI: https://doi.org/10.17587/nmst.23.139-147 (In Russ.)
- Auld B.A. Acoustic Fields and Waves in Solids. New York: Wiley, 1973, 414 p.
- Sveshnikov B.V., Bagdasarjan A.S. Basic Principles of formation of transverse modes in multilayer waveguides of surface acoustic waves. Izvestija Vysshih uchebnyh zavedenij. Radiofizika, 2016, vol. 59, no. 2, pp. 108–123. (In Russ.)
- Morgan D. Surface Acoustic Wave Filters with Applications to Electronic Communications and Signal Processing. Cambridge: Academic Press, 2010, 448 p.
- Kovacs G. et al. Improved material constants for LiNbO3/ and LiTaO3. IEEE Symposium on Ultrasonics, 1990, vol. 1, pp. 435–438. DOI: https://doi.org/10.1109/ULTSYM.1990.171403
Supplementary files










