Read-Out System for Thermal Neutron Detectors Based on ZnS(Ag)/LiF Scintillator
- Autores: Marin V.N.1,2, Trunov D.N.1,2, Litvin V.S.1,3, Sadykov R.A.1, Altynbaev E.V.2
-
Afiliações:
- Institute for Nuclear Research of the RAS
- National Research Centre “Kurchatov Institute” — Petersburg Institute of Nuclear Research
- P.N. Lebedev Physical Institute of the RAS
- Edição: Nº 8 (2024)
- Páginas: 20-26
- Seção: Articles
- URL: https://ogarev-online.ru/1028-0960/article/view/274321
- DOI: https://doi.org/10.31857/S1028096024080038
- EDN: https://elibrary.ru/ELSBRF
- ID: 274321
Citar
Texto integral
Resumo
Neutron scintillation detectors based on ZnS(Ag)/LiF, solid-state photomultipliers, and an organic glass lightguide developed at INR RAS are successfully used in neutron diffractometers facilities at INR RAS as a replacement for standard counters based on 3He. These detectors use optical lightguide with diffuse reflection, which makes it possible to multiply the recorded signal (up to 95 photoelectrons) in comparison with detectors with wavelength shifting fibers. The paper describes 2 types of types of bias circuit for silicon photomultipliers. A method of dynamic bias has been proposed, which makes it possible to reduce the recovery time of a silicon photomultiplier and 8 times increase the loading capacity of neutron detectors. Simulation and comparison of 2 types of preamplifiers showed an increase in the loading capacity. The new electronics makes it possible to increase the loading capacity of the detectors up to 400 kHz. A circuit for digital control of discrimination thresholds has been developed and described. A new data acquisition system for time-of-flight neutron diffractometers for 80 detectors with the possibility of scaling has also been developed.
Texto integral
ВВЕДЕНИЕ
В последние годы в большинстве ведущих нейтронных центров мира активно веду разработку и внедрение сцинтилляционных детекторов тепловых нейтронов как альтернативы газонаполненным с 3Не [1, 2]. Наиболее распространенными сцинтилляторами для регистрации тепловых нейтронов является ZnS(Ag) с конвертером LiF, благодаря максимальному среди сцинтилляторов световыходу — до 1.6 × 105 фотонов на один нейтрон, высокой эффективности поглощения — до 45% (для нейтронов с длиной волны излучения 1.8 Å) [3]. Кроме того, световыход ZnS(Ag) имеет как быстрые компоненты, соответствующие легким частицам, в т.ч. гамма-квантам, так и медленные от заряженных частиц — до 1 мкс, что позволяет разделять их сцинтилляции от гамма-квантов и нейтронов [1, 4]. Для разделения компонент можно применять схемы с дискриминацией по длительности импульса [1, 5], однако в работе [6] использовали более простую схему с интегрирующим усилителем (время интегрирования 1 мкс) и пороговым дискриминатором. Сегодня в качестве фотодетекторов все чаще применяют твердотельные кремниевые фотоумножители (SiPM) [7, 8]. Для сбора света и транспортировки его к фотодетектору можно применять различные световоды, фотоны [9], а также спектросмещающие волокна (WLS) [1, 5, 10–14]. Последним находят широкое применение, т.к. спектросмещающие волокна позволяют вынести фотодетекторы из пучка нейтронов, увеличивая таким образом их срок службы, изготавливать многослойные, а также одно- и двухкоординатные детекторы [10–14]. Однако использование спектросмещающих волокон имеет и свои недостатки: низкий процент передачи падающих на них фотонов, как правило, не более 5% [15], что в итоге приводит к слабым (единицы фотоэлектронов) сигналам, регистрируемым фотодетекторами [1]. В разработанной в работах [6, 16] схеме использован световод из оргстекла с диффузным отражением, сцинтилляционные экраны ZnS(Ag)/LiF и твердотельные фотоумножители.
Использование световода из оргстекла вместо спектросмещающих волокон позволило увеличить сбор излучения, т.к. отсутствуют потери при переизлучении, а основные потери связаны с поглощением фотонов в объеме световода и зависят от длины и коэффициента пропускания оргстекла.
СЦИНТИЛЛЯЦИОННЫЙ ДЕТЕКТОР ТЕПЛОВЫХ НЕЙТРОНОВ
Основной задачей разработки сцинтилляционного детектора тепловых нейтронов являлось создание детектора, по размеру и эффективности аналогичного гелиевым счетчикам “СНМ-16” и “СНМ-17”, без использования спектросмещающих волокон и фотоэлектронных умножителей (ФЭУ). Схема детектора представлена на рис. 1. В качестве сцинтиллятора используется ZnS(Ag)/LiF производства фирмы Applieted Scintillation Technology толщиной 0.45 мм с соотношением содержания ZnS и LiF 2:1 с эффективностью поглощения тепловых нейтронов 42% [17] Для увеличения эффективности счетчика сцинтиллятор располагали на двух противоположных сторонах световода. Свет из сцинтиллятора 4 транспортируется световодом из полиметилметокрилата (оргстекла) 1 и поступает на два кремниевых фотоумножителя 2, которые размещены на общей плате 5. Поскольку размер чувствительной области фотодиода в несколько раз меньше ширины световода, на плоской части световода используют фокусирующие линзы 3 (типа “рыбий глаз”), образованные сферическим углублением в теле световода с оптической плотностью 1.5 и оптическим клеем с оптической плотностью 1.6, собирающие свет на кремниевые фотоумножители [6]. Данный метод позволяет собрать вдвое больше света, чем использование светособирающих призм, которое было применено в первом варианте счетчика [16].
Рис. 1. Конструкция сцинтилляционного детектора тепловых нейтронов (вид спереди и сбоку): световод из органического стекла или полистирола (1); лавинные диоды кремниевого фотоумножителя (2); оптические линзы, имплементированные в световод (3); сцинтиллятор ZnS(Ag)/LiF (4); плата крепления кремниевых фотоумножителей (5).
Рис. 2. Зарядовый спектр счетчика при облучении нейтронами.
Во время тестовых измерений источником нейтронов служил радиоизотоп 252Cf (НК252М11) с парафиновым замедлителем. Зарядовые спектры, полученные детектором, при облучении тепловыми нейтронами, приведены на рис. 2. Максимум спектра соответствует 95 фотоэлектронам. Калибровку проводили по темновым шумам кремниевого фотоумножителя. В качестве детектора, с которым проводили сравнение, использовали пропорциональный счетчик “Гелий-3” высокого давления (8 атм. 3Не) фирмы “Консенсус”. Из соотношения счетов гелиевого и сцинтилляционного счетчиков, с учетом их чувствительных площадей, получена относительная эффективность сцинтилляционного счетчика, равная 74%. Исходя из давления гелия-3 в счетчике-образце, указанного в паспорте прибора, эффективность сцинтилляционного счетчика можно считать равной 80% при длине волны излучения 1.8 Å. Соответственно, абсолютную эффективность сцинтилляционного счетчика можно оценить, как 60% [6].
СХЕМА ДИНАМИЧЕСКОГО СМЕЩЕНИЯ
Применение сцинтиллятора ZnS(Ag)/6LiF в детекторе предполагает применение интегрирующего усилителя для сбора света от сцинтиллятора и получения удовлетворительного выходного сигнала с соотношением сигнал-шум 4/1. Мы применили усилитель с временем интегрирования 1 мкс для подавления “быстрой” компоненты от гамма-квантов. При тестировании счетчиков загрузочная способность сцинтилляционного детектора оказалась существенно ниже. При анализе этой ситуации рассматривали сцинтиллятор, кремниевый фотоумножитель и формирователь в совокупности. На рис. 3 приведена стандартная схема смещения кремниевого фотоумножителя в сцинтилляционном счетчике тепловых нейтронов [16].
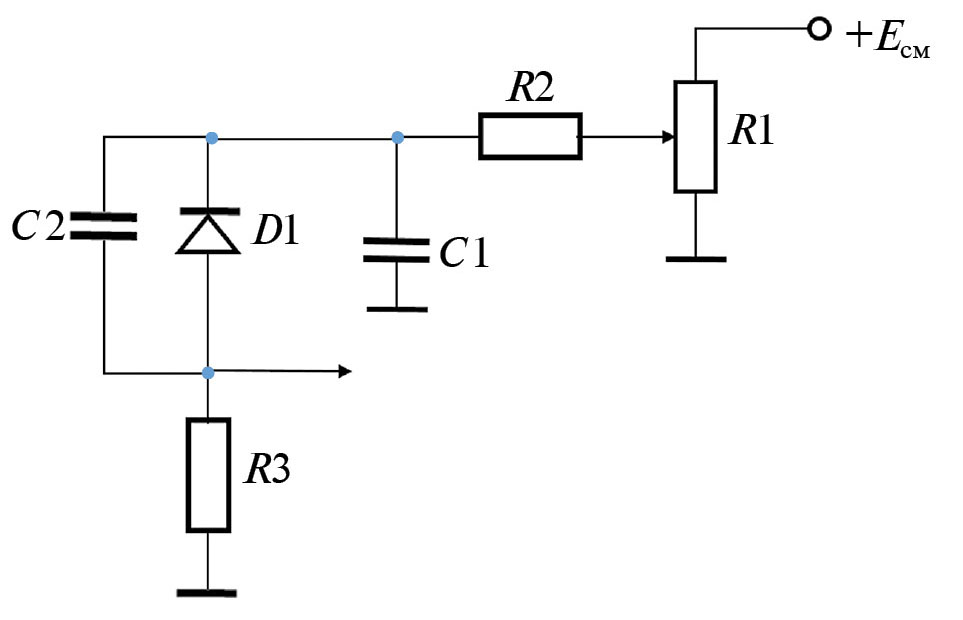
Рис. 3. Стандартная схема смещения детектора: R1 — регулятор смещения; C1 –накопительный конденсатор; R2 — баластный резистор; R3 — нагрузочное сопротивление кремниевого фотоумножителя; C2 — распределенная емкость кремниевого фотоумножителя (1 нФ); D1 — кремниевый фотоумножитель.
Рассмотрим работу счетчика. В исходном состоянии напряжение на конденсаторах С2 и С1 соответствует напряжению рабочей точки. Через кремниевый фотоумножитель проходит темновой ток. При попадании вспышки света на фотоумножитель на резисторе R3 формируется положительный сигнал. На формирователе выставлен порог, при превышении которого на его выходе появляется сформированный импульс, который и регистрируют. Далее следует процесс восстановления кремниевого фотоумножителя. Конденсаторы C1 и C2 начинают заряжаться через резистор R2 с постоянной времени интегрирования 2.7R2(C2 + C1). На резисторе R3 дифференцирующей цепи C2–R3 образуется отрицательный выброс напряжения. Эта цепь возникает при отсутствии тока через кремниевый фотоумножитель. Цепь заряда R2 — (C2 + C1) обладает инерционностью и возникает перекомпенсация напряжения рабочей точки, которая затем нивелируется появившемся темновым током кремниевого фотоумножителя. Амплитуда отрицательного выброса напряжения будет тем больше и, соответственно, длительность выброса будет тем больше, чем сильнее разряжен конденсатор кремниевого фотоумножителя. Выброс увеличивает эффективный порог формирователя, и если следующая вспышка произойдет во время выброса, то формирователь не сработает. Следовательно, возникают ошибки счета формирователя. На рис. 4а приведена результат моделирования типичной формы сигнала на кремниевом фотоумножителе [18]: с ростом амплитуды растет длительность выброса (Uк – напряжение срабатывания компаратора, tв — время перекомпенсации).
Рис. 4. Результат моделирования формы сигнала на стандартном кремниевом фотоумножителе (а) и на выходе цепи с динамическим смещением (б) [18]. Uк — напряжение срабатывания компаратора, tв — время перекомпенсации.
В предложенном варианте схемы смещения вместо резистора R2 включен транзистор T1 с функцией жесткого контроля напряжения рабочей точки кремниевого фотоумножителя Uр.т. (рис. 5). Резистор R1 задает напряжение рабочей точки кремниевого фотоумножителя. Резистор R2 задает ток заряда конденсаторов C2 и C3. При регистрации фотонов кремниевым фотоумножителем на резисторе R4 формируется положительный сигнал. После регистрации фотонов зарядка ячеек фотоумножителя происходит по линейному закону, а не логарифмическому и, следовательно, за гораздо меньшее время (менее 200 нc). Расчет времени зарядки конденсатора T можно выполнить по формулам (1) и (2):
(1)
(2)
где Iзар — ток заряда конденсатора; Eсм — напряжение смещения кремниевого фотоумножителя, заведомо большее, чем напряжение рабочей точки на 15%. Это напряжение, общее для всех каналов прибора. При достижении на конденсаторе напряжения, заданного резистором R1, напряжение на коллекторе транзистора T1 сравняется с напряжением на базе — транзистор закрывается (выполняется функция ключа) и заряд конденсаторов C2 и C1 прекращается. Резистор R3 служит для задания тока заряда конденсатора C2. Перекомпенсации напряжения не возникает, поэтому положительного выброса на выходе интегратора также не возникает. Это дает уменьшение времени восстановления с 0.67 до 0.25 мкс и увеличение загрузочной способности сцинтилляционного счетчика. Мертвое время счетчика сокращается с 10 мкс до 2 мкс, что очень актуально при больших потоках тепловых нейтронов. На рис. 4б показан результат моделирования [18] формы сигнала на выходе цепи динамического смещения.
Рис. 5. Структурная схема разработанного усилителя–формирователя.
ТЕСТИРОВАНИЕ ДЕТЕКТОРОВ С РАЗЛИЧНЫМИ СХЕМАМИ СМЕЩЕНИЯ
Тестирование проводили на источнике “РАДЭКС” ИЯИ РАН [18]. Сцинтилляционный счетчик тепловых нейтронов ставили на пучок тепловых нейтронов, рассеянных на ванадии. Подключали по очереди схемы со стандартным смещением кремниевого фотоумножителя и с рассмотренной выше конфигурацией (динамическим смещением). При измерении применяли времяпролетную методику. Усовершенствованная схема смещения позволила резко сократить время восстановления кремниевого фотоумножителя и увеличить загрузочную способность до 400 кГц (без интегратора).
На рис. 6 приведена осциллограммы, полученные при использовании стандартной схемы смещения кремниевого фотоумножителя и новой схемы. В сравнительных тестах использованы детекторы на основе кремниевого фотоумножителя Sensl microfc-30035-smt. Сигналы с устройств снимали и обрабатывались с помощью аналогово-цифрового преобразователя DT5720 фирмы CAEN, после использования интегрирующего усилителя. Видно, что при использовании стандартной схемы смещения импульс имеет положительный выброс длительностью более 10 мкс, тогда как с динамическим смещением такой выброс отсутствует.
Рис. 6. Сигналы, полученные от детекторов со стандартной (а) и динамической (б) схемами смещения кремниевых фотоумножителей.
Поэтому для детекторов нейтронов за основу усилителя-формирователя был выбран вариант кремниевого фотоумножителя с динамическим смещением. Схема формирователя включает в себя управляемый генератор тока для питания кремниевого фотоумножителя, интегрирующего усилителя, аналогового компаратора, выходного формирователя и цифро-аналогового преобразователя для задания порога компаратора. Задание рабочей точки кремниевых фотоумножителей осуществлено с помощью резистора R2. Во время формирования импульсного сигнала со сцинтилляционного счетчика напряжение на катодах счетчиков становится равным напряжению, заданному на резисторе R2, и дозаряжается до напряжения рабочей точки, после чего генератор тока закрывается. Счетчик готов к приему очередного сигнала от нейтрона. Аналоговый сигнал с анодов кремниевых фотоумножителей поступает на интегрирующий усилитель, с выхода которого приходит на положительный вход аналогового компаратора. На отрицательный вход компаратора подается напряжение порога. Напряжение порога формируется цифро-аналоговым преобразователем на основе цифрового резистора. Превышение сигнала над порогом запускает выходной формирователь.
Для времяпролетного дифрактометра “СФЕРА”, который создают в ИЯИ РАН, была разработана новая система регистрации для работы на импульсном источнике “РАДЭКС”. Блок-схема системы регистрации представлена на рис. 7. Каждый детектор имеет независимый предусилитель, который связан с контроллером порогов с помощью последовательного периферийного интерфейса (Serial Peripheral Interface, SPI) и управляется командами по сетевой шине контроллера (CANBUS). Контроллер порогов основан на микроконтроллере ATMEGA2560 со специальным программным обеспечением (ПО) [19]. Сигнальные выходы от детекторов поступают на многоканальный время-цифровой преобразователь (ВЦП), который основан на программируемой логической интегральной схеме (ПЛИС) Xilinx XC7K325 и имеет 80 независимых каналов [20]. Алгоритм считывания информации следующий. Программируют пороги, величину кванта времени, задержку сигнала “строб” в ВЦП. Система готова к работе. Сигнал “строб” обозначает старт начала измерения нейтронного времяпролетного спектра. После прихода сигнала “строб” от ускорителя или прерывателя нейтронного пучка запускается многоканальный ВЦП на измерение времени пролета, т.е. интервалов между сигналом “строб” и сигналами “стоп” от счетчиков. Полученные данные поступают на компьютер через интерфейс USB.
Рис. 7. Система регистрации и управления дифрактометра “СФЕРА”.
ЗАКЛЮЧЕНИЕ
Разработанная схема усилителя-формирователя с динамической схемой смещения позволяет увеличить загрузочную способность сцинтилляционных счетчиков нейтронов с твердотельными фотоумножителями в 8 раз до 400 кГц. Данную схему можно применить в любых детекторах, использующих кремниевые фотоумножители. Также разработана система регистрации для нейтронного времяпролетного дифрактометра на 80 каналов (с возможностью расширения путем добавления блоков ВЦП) с управлением и передачей данных на компьютер по шине с интерфейсом USB. Система имеет индивидуальную для каждого канала автоматическую подстройку порогов дискриминатора. Данную систему также можно использовать на нейтронографических установках как монохроматических, так и времяпролетных, с большим числом точечных детекторов нейтронов. На схему предусилителя с динамическим смещением кремниевых фотоумножителей получен патент на изобретение № RU2782417 [21].
ФИНАНСИРОВАНИЕ РАБОТЫ
Результаты получены при финансовой поддержке Министерства науки и высшего образования РФ (соглашение № 075-10-2021-115 от 13 октября 2021 г., внутренний номер 15. СИН.21.0021).
КОНФЛИКТ ИНТЕРЕСОВ
Авторы данной статьи заявляют, что у них нет конфликта интересов.
Sobre autores
V. Marin
Institute for Nuclear Research of the RAS; National Research Centre “Kurchatov Institute” — Petersburg Institute of Nuclear Research
Autor responsável pela correspondência
Email: marin@inr.ru
Rússia, Moscow, 117312; Gatchina, 188300
D. Trunov
Institute for Nuclear Research of the RAS; National Research Centre “Kurchatov Institute” — Petersburg Institute of Nuclear Research
Email: marin@inr.ru
Rússia, Moscow, 117312; Gatchina, 188300
V. Litvin
Institute for Nuclear Research of the RAS; P.N. Lebedev Physical Institute of the RAS
Email: marin@inr.ru
Rússia, Moscow, 117312; Moscow, 117312
R. Sadykov
Institute for Nuclear Research of the RAS
Email: marin@inr.ru
Rússia, Moscow, 117312
E. Altynbaev
National Research Centre “Kurchatov Institute” — Petersburg Institute of Nuclear Research
Email: marin@inr.ru
Rússia, Gatchina, 188300
Bibliografia
- Kuzmin E.S. // Instrum. Experimental Tech. 2008. V. 51. № 5. P. 639.
- Cieślak M.J., Gamage K.A., Glover R. // Crystals. 2019. V. 9. P. 480. https://www.doi.org/10.3390/cryst9090480
- Gnezdilov I.I., Dedenko G.L., Ibragimov R.F., Idalov V.A., Kadilin V.V., Kaplun A.A., Klemetiev A.V., Mukhin V.I., Taraskin A.A., Turin E.M., Zaripov R.N. // Phys. Procedia. 2015. V. 74. P. 199. https://www.doi.org/10.1016/j.phpro.2015.09.192.4
- Бушама Л., Громушкин Д.М., Дмитриева А.Н. // Ученые записки физического факультета Московского университета. 2018. № 4. С. 1840202.
- Stoykov A. Mosset J.-B., Greuter U., Hildebrandt M., Schlumpf N. // Nucl. Instrum. Methods Phys. Res. A. 2015. V. 787. P. 361. https://www.doi.org/10.1016/j.nima.2015.01.076
- Марин В.Н., Садыков Р.А., Трунов Д.Н. Литвин В.С., Аксенов С.Н. // Приборы и техника эксперимента. 2018. № 1. С. 5. https://www.doi.org/10.7868/S003281621801007X
- Yu Q., Tang B., Huang Ch., Wei Y., Chen Sh., Qiu L., Wang X., Xu H., Sun Zh., Wei G., Tang M. // Nucl. Engineer. Technol. 2022. V. 54. Iss. 3. P. 1030. https://www.doi.org/10.1016/j.net.2021.09.014
- Cates J.W., Steele J., Balajthy J., Negut V., Hausladen P., Ziock K. // Sensors. 2022. V. 22. P. 3553. https://www.doi.org/10.3390/s22093553
- Недорезов В.Г., Беляев А.Д., Игнатов А.С., Литвин В.С. // Изв. РАН. Сер. Физ. 2009. № 2. С. 125.
- McKnight T.K., Czirr J.B., Littrell K. // Nucl. Instrum. Meth. A. 2008. V. 586, P. 246.
- Pritchard K., Osovizky A., Ziegler J., Binkley E., Tsai P., Hadad N., Jackson M., Hurlbut C., Baltic G.M., Majkrzak C.F., Maliszewskyj N.C. // IEEE Trans Nucl. Sci. 2020. V. 67. Iss. 1. P. 414. https://www.doi.org/10.1109/TNS.2019.2953875
- Nakamura T. // JINST. 2017 V. 12. P. C12025. https://www.doi.org/10.1088/1748-0221/12/12/C12025
- Stowell P. // JINST. 2021 V. 16 P. 11039. https://www.doi.org/10.1088/1748-0221/16/11/P11039
- Pritchard K., Osovizky A., Ziegler J., Binkley E., Tsai P., Hadad N., Jackson M., Hurlbut C., Baltic G.M., Majkrzak C.F., Maliszewskyj N.C. // IEEE Trans. Nucl. Sci. 2021 V. 68. Iss. 7. P. 1519. https://www.doi.org/10.1109/TNS.2021.3091008.
- Харжеев Ю.Н. //Физика элементарных частиц и атомного ядра. 2015. Т. 46. № 4. С. 1227.
- Марин В.Н. // Письма в журнал технической физики. 2015. Т. 41. № . 18. С. 96.
- Gnezdilov I.I., Dedenko G., Ibragimov R.F., Idalov V.A., Kadilin V., Kaplun A., Klemetiev A.V., Mukhin V.I., Taraskin A.A., Turin E., Zaripov R.N. // Physics Procedia. 2015. V. 74. P. 199. https://www.doi.org/10.1016/j.phpro.2015.09.192
- Acerbi F., Gundacker S. // Nucl. Instrum. Methods Phys. Res. A. 2015. V. 923. https://www.doi.org/10.1016/j.nima.2018.11.118
- А.с. № 2022664139 (РФ). Программа модуля микроконтроллера для управления и настройки предусилителей детектора СФЕРА (Sphere detector control). / Институт ядерных исследований РАН. Трунов Д.Н. // 25.07.2022.
- А.с. № 2022664140 (РФ). Программа ПЛИС модуля для регистрации и накопления импульсов с детекторов ионизирующих излучений (Fast impulse counts 16). / Институт ядерных исследований РАН. Трунов Д.Н. // 25.07.2022.
- Патент. № 2782417 C1 (РФ). Устройство для регистрации излучения. / НИЦ “Курчатовский институт” — ПИЯФ. Трунов Д.Н., Марин В.Н., Алтынбаев Е.В. // 26.10.2022.
Arquivos suplementares








