Investigation of ways to synthesize concurrent error-detection circuits based on boolean signals correction using uniform separable codes

Cover Page

Cite item

Full Text

Abstract

The features of the synthesis of concurrent error-detection circuit based on the Boolean signals correction using uniform separable codes are investigated. Three types of structures are considered: type I – structure with correction of part of the signals from the outputs of the diagnostic object forming the check symbols of a given code in the concurrent error-detection circuit; type II – structure with correction of part of the signals from the outputs of the diagnostic object forming the data symbols of a given code in the concurrent error-detection circuit; type III – structure with signal correction from all outputs of the diagnostic object. For structures of all types, formulas are given for determining the number of ways to synthesize concurrent error-detection circuit based on the Boolean signals correction using a given code. New properties of structures have been established that characterize the features of the growth in the number of methods for synthesizing concurrent error-detection circuit with an increase in the number of outputs forming data and check symbols. Patterns have been found that allow in practice to estimate the number of ways to synthesize concurrent error-detection circuit based on the Boolean signals correction using uniform separable codes in order to select the best one according to specified criteria. Examples are given to demonstrate the effectiveness of using the found patterns.

Full Text

1. Введение

Использование схем встроенного контроля (СВК) позволяет обнаруживать неисправности и ошибки в вычислениях устройствами автоматики и вычислительной техники в процессе реализации ими своих функций [1, 2]. Такое свойство крайне важно для обеспечения надежности и безопасности устройств, функционирующих в системах различного назначения, в том числе, являющихся составляющими систем управления ответственными технологическими процессами в промышленности и на транспорте [3, 4].

При синтезе СВК используются принципы дробного и кратного резервирования, а также диверсной защиты. Существуют методы, основанные на использовании внутренней избыточности – внесения ее в структуру исходного устройства (объект диагностирования), а также основанные на внесении внешней избыточности – применении внешних средств технического диагностирования. Здесь широко используются методы теории информации и кодирования в процессе выбора способа внесения избыточности [5–10].

Известен [11, 12] традиционный подход к организации СВК с внешними средствами технического диагностирования, основанный на отождествлении булевого вектора, формируемого на выходах объекта диагностирования, с информационным вектором и дополнении его во внешней СВК с применением контрольных устройств до кодового слова заранее выбранного двоичного равномерного кода. В процессе вычисления функций объектом диагностирования во время эксплуатации могут возникать неисправности, приводящие к ошибкам на его выходах, что, в свою очередь, приводит и к возникновению искажений символов кодовых слов и фиксируется тестером заданного кода. Часто в традиционной структуре организации СВК применяют свойства двоичных разделимых кодов: информационный вектор формируется на выходах объекта диагностирования, а контрольный – на выходах устройства контрольной логики. При этом физически объект диагностирования и устройство контрольной логики разделены, что позволяет понятным образом обеспечивать самопроверяемость структуры конечной системы [13].

Достоинства традиционного подхода к организации СВК очевидны, а вот недостатком является то, что при использовании заданного равномерного кода число вариантов синтеза СВК для устройства с конкретными параметрами является крайне малым. Это не позволяет в ряде случаев добиваться обеспечения свойства его самопроверяемости. Однако существует альтернативный подход, основанный на логической коррекции сигналов (ЛКС) в СВК, лишенный данного недостатка [14].

Использование ЛКС при организации СВК с применением равномерных кодов дает возможность синтеза большого числа самопроверяемых устройств. Более того, в практических приложениях удается синтезировать полностью самопроверяемые структуры даже в тех случаях, когда этого невозможно добиться при использовании традиционных подходов к синтезу СВК, основанных на применении традиционного подхода [15].

Использованию ЛКС совместно с равномерными кодами посвящено большое количество работ (однако в сотни раз меньшее, чем использованию традиционного подхода). Например, в [16–18] обсуждаются особенности применения неразделимых равномерных кодов при синтезе СВК на основе ЛКС, в [19–21] – разделимых равномерных кодов с учетом их свойств, в [22, 23] – использования свойств особых классов булевых функций совместно с ЛКС, а в [24, 25] – применения сразу же двух диагностических признаков для организации контроля вычислений на основе ЛКС. В данной статье авторы приводят результаты исследований общего числа способов синтеза СВК на основе ЛКС с применением равномерных разделимых кодов.

Исходные предпосылки и допущения

При синтезе схем встроенного контроля (СВК) на основе логической коррекции сигналов (ЛКС) с применением разделимых равномерных кодов, или (m, k)-кодов, где m и k – число информационных и проверочных символов, могут рассматриваться три основные структуры. Структура типа I подразумевает использование ЛКС для преобразования части функций, вычисляемых на выходах объекта диагностирования, в функции, описывающие проверочные символы заданного (m, k)-кода. Следует отметить, что такое преобразование оказывается единственным для заданной последовательности преобразуемых выходов объекта диагностирования в силу того, что каждому информационному вектору будет соответствовать единственный контрольный вектор (m, k)-кода. Структура типа II основана на логической коррекции сигналов только с тех выходов объекта диагностирования, которые участвуют в формировании информационных символов (m, k)-кода. Здесь преобразование не является единственным, так как для (m, k)-кода при условии m > k одному контрольному вектору может соответствовать два и более информационных векторов. Структура типа III – обобщенная структура организации СВК – основана на использовании ЛКС сразу же со всех выходов объекта диагностирования. В такой структуре возможно гораздо большее количество вариантов доопределения значений информационных и проверочных символов заданного (m, k)-кода. Эти структуры не являются новыми. Структура типа I исследовалась в работах [19, 20, 26], структура типа II рассматривалась в [27] и структура типа III – в [28, 29].

На рис. 1 приведены каскады элементов преобразования для структур всех трех типов. Во всех структурах объектом диагностирования является блок F(x), формирующий систему булевых функций f1, f2, …, fn, n = m + k. Данные функции участвуют в формировании кодовых слов выбранного на этапе проектирования СВК (m, k)-кода, описываемых функциями h1, h2, …, hn. В структурах типа I и II часть из рабочих функций объекта диагностирования корректируются, а часть – нет; в структуре типа III корректируются значения всех булевых функций. Функции логической коррекции сигналов вычисляются блоком контрольной логики G(x).

 

Рис. 1. Каскады элементов преобразования в структурах организации СВК на основе ЛКС с применением (m, k)-кодов.

 

Ясно, что могут рассматриваться и другие вариации структур организации СВК на основе ЛКС с применением (m, k)-кодов. Однако в дальнейшем изложении ограничимся только тремя основными.

Работа устройств F(x) происходит при подаче на t входов множества булевых векторов длиной t. Рассмотрим общий случай, когда объект диагностирования функционирует при подаче полного множества входных комбинаций. Его мощность равна 2t. При рассмотрении (m, k)-кода будем рассматривать полное множество его кодовых слов. Его мощность будет равна 2m. Максимальное число контрольных векторов будет равно 2k. Причем, будем рассматривать только те (m, k)-коды, для которых при формировании всех 2m информационных векторов, контрольные векторы генерируются равномерно. Другими словами, каждому контрольному вектору соответствует 2 mk MathType@MTEF@5@5@+= feaahGart1ev3aaatCvAUfeBSjuyZL2yd9gzLbvyNv2Caerbov2D09 MBdbqedmvETj2BSbqeeuuDJXwAKbsr4rNCHbGeaGqik8fkY=xipgYl h9vqqj=hEeeu0xXdi9arFj0xirFj0dXdbba91qpK0=yr0RYxfr=Jbb f9q8aq0=yq=He9q8qqQ8frFve9Fve9Ff0dmeaabaqaciaacaGaaeqa baqabeGadaaakeaacaaIYaWaaWbaaSqabeaacaWGTbGaeyOeI0Iaam 4Aaaaaaaa@34C2@  информационных векторов. Такое ограничение вызвано вопросами обеспечения самопроверяемости СВК и необходимостью формирования некоторого множества кодовых слов (m, k)-кода для проверки его тестера в процессе эксплуатации (конкретное количество кодовых слов, информационных и контрольных векторов определяется при проектировании СВК с учетом особенностей реализации тестера и условий эксплуатации самопроверяемого устройства) [27–29].

Поставим следующую задачу: определить общее количество способов синтеза СВК по трем различным структурам и оценить возможности использования (m, k)-кодов при этом.

Многообразие способов синтеза схем встроенного контроля

В структуре типа I каждый информационный вектор (m, k)-кода однозначно будет определять значения проверочных символов в контрольном векторе. Для выбранных выходов m и k существует только один способ доопределения функций ЛКС. Число способов выбора k преобразуемых функций из m+k определяется величиной C m+k k MathType@MTEF@5@5@+= feaahGart1ev3aaatCvAUfeBSjuyZL2yd9gzLbvyNv2Caerbov2D09 MBdbqedmvETj2BSbqeeuuDJXwAKbsr4rNCHbGeaGqik8fkY=xipgYl h9vqqj=hEeeu0xXdi9arFj0xirFj0dXdbba91qpK0=yr0RYxfr=Jbb f9q8aq0=yq=He9q8qqQ8frFve9Fve9Ff0dmeaabaqaciaacaGaaeqa baqabeGadaaakeaacaWGdbWaa0baaSqaaiaad2gacqGHRaWkcaWGRb aabaGaam4Aaaaaaaa@35B3@ . Число вариантов выбора последовательности размещения символов в информационном векторе определяется числом перестановок из m элементов – числом P m MathType@MTEF@5@5@+= feaahGart1ev3aaatCvAUfeBSjuyZL2yd9gzLbvyNv2Caerbov2D09 MBdbqedmvETj2BSbqeeuuDJXwAKbsr4rNCHbGeaGqik8fkY=xipgYl h9vqqj=hEeeu0xXdi9arFj0xirFj0dXdbba91qpK0=yr0RYxfr=Jbb f9q8aq0=yq=He9q8qqQ8frFve9Fve9Ff0dmeaabaqaciaacaGaaeqa baqabeGadaaakeaacaWGqbWaa0baaSqaaiaad2gaaeaaaaaaaa@32FE@ . Число вариантов выбора последовательности размещения символов в контрольном векторе определяется числом перестановок из k элементов – числом P k MathType@MTEF@5@5@+= feaahGart1ev3aaatCvAUfeBSjuyZL2yd9gzLbvyNv2Caerbov2D09 MBdbqedmvETj2BSbqeeuuDJXwAKbsr4rNCHbGeaGqik8fkY=xipgYl h9vqqj=hEeeu0xXdi9arFj0xirFj0dXdbba91qpK0=yr0RYxfr=Jbb f9q8aq0=yq=He9q8qqQ8frFve9Fve9Ff0dmeaabaqaciaacaGaaeqa baqabeGadaaakeaacaWGqbWaa0baaSqaaiaadUgaaeaaaaaaaa@32FC@ . Таким образом, общее число способов организации СВК по структуре типа I с учетом однозначного доопределения функций ЛКС равно:

  N I = C m+k k P m P k = m+k ! k!m! m!k!= m+k ! MathType@MTEF@5@5@+= feaahGart1ev3aaatCvAUfeBSjuyZL2yd9gzLbvyNv2Caerbov2D09 MBdbqedmvETj2BSbqeeuuDJXwAKbsr4rNCHbGeaGqik8fkY=xipgYl h9vqqj=hEeeu0xXdi9arFj0xirFj0dXdbba91qpK0=yr0RYxfr=Jbb f9q8aq0=yq=He9q8qqQ8frFve9Fve9Ff0dmeaabaqaciaacaGaaeqa baqabeGadaaakeaacaWGobWaaSbaaSqaaiaadMeaaeqaaOGaeyypa0 Jaam4qamaaDaaaleaacaWGTbGaey4kaSIaam4AaaqaaiaadUgaaaGc caWGqbWaa0baaSqaaiaad2gaaeaaaaGccaWGqbWaa0baaSqaaiaadU gaaeaaaaGccqGH9aqpdaWcaaqaamaabmaabaGaamyBaiabgUcaRiaa dUgaaiaawIcacaGLPaaacaGGHaaabaGaam4AaiaacgcacaWGTbGaai yiaaaacaWGTbGaaiyiaiaadUgacaGGHaGaeyypa0ZaaeWaaeaacaWG TbGaey4kaSIaam4AaaGaayjkaiaawMcaaiaacgcaaaa@4EEC@   (1)

В структуре типа II заполнение на каждом входном наборе не однозначное. Напомним, что рассматривается случай использования (m, k)-кода, при котором информационные векторы распределены между контрольными равномерно (такие коды широко распространены и используются в практике синтеза высоконадежных цифровых схем [30]). Число способов выбора m преобразуемых функций из m+k определяется величиной C m+k m = C m+k k MathType@MTEF@5@5@+= feaahGart1ev3aaatCvAUfeBSjuyZL2yd9gzLbvyNv2Caerbov2D09 MBdbqedmvETj2BSbqeeuuDJXwAKbsr4rNCHbGeaGqik8fkY=xipgYl h9vqqj=hEeeu0xXdi9arFj0xirFj0dXdbba91qpK0=yr0RYxfr=Jbb f9q8aq0=yq=He9q8qqQ8frFve9Fve9Ff0dmeaabaqaciaacaGaaeqa baqabeGadaaakeaacaWGdbWaa0baaSqaaiaad2gacqGHRaWkcaWGRb aabaGaamyBaaaakiabg2da9iaadoeadaqhaaWcbaGaamyBaiabgUca RiaadUgaaeaacaWGRbaaaaaa@3B6E@ . Число вариантов выбора последовательности размещения символов в контрольном векторе определяется числом перестановок из m элементов – числом P m MathType@MTEF@5@5@+= feaahGart1ev3aaatCvAUfeBSjuyZL2yd9gzLbvyNv2Caerbov2D09 MBdbqedmvETj2BSbqeeuuDJXwAKbsr4rNCHbGeaGqik8fkY=xipgYl h9vqqj=hEeeu0xXdi9arFj0xirFj0dXdbba91qpK0=yr0RYxfr=Jbb f9q8aq0=yq=He9q8qqQ8frFve9Fve9Ff0dmeaabaqaciaacaGaaeqa baqabeGadaaakeaacaWGqbWaa0baaSqaaiaad2gaaeaaaaaaaa@32FE@ . Число вариантов выбора последовательности размещения символов в контрольном векторе определяется числом перестановок из k элементов – числом P k MathType@MTEF@5@5@+= feaahGart1ev3aaatCvAUfeBSjuyZL2yd9gzLbvyNv2Caerbov2D09 MBdbqedmvETj2BSbqeeuuDJXwAKbsr4rNCHbGeaGqik8fkY=xipgYl h9vqqj=hEeeu0xXdi9arFj0xirFj0dXdbba91qpK0=yr0RYxfr=Jbb f9q8aq0=yq=He9q8qqQ8frFve9Fve9Ff0dmeaabaqaciaacaGaaeqa baqabeGadaaakeaacaWGqbWaa0baaSqaaiaadUgaaeaaaaaaaa@32FC@ . На каждой входной комбинации из 2t можно 2mk способами доопределить функции так, чтобы был сформирован информационный вектор с необходимым контрольным. При этом должно выполняться условие: tk. В противном случае не удастся обеспечить формирование по разу каждого контрольного вектора. Общее число способов доопределения, таким образом, будет равно 2 t 2 mk = 2 t+mk MathType@MTEF@5@5@+= feaahGart1ev3aaatCvAUfeBSjuyZL2yd9gzLbvyNv2Caerbov2D09 MBdbqedmvETj2BSbqeeuuDJXwAKbsr4rNCHbGeaGqik8fkY=xipgYl h9vqqj=hEeeu0xXdi9arFj0xirFj0dXdbba91qpK0=yr0RYxfr=Jbb f9q8aq0=yq=He9q8qqQ8frFve9Fve9Ff0dmeaabaqaciaacaGaaeqa baqabeGadaaakeaacaaIYaWaaWbaaSqabeaacaWG0baaaOGaaGOmam aaCaaaleqabaGaamyBaiabgkHiTiaadUgaaaGccqGH9aqpcaaIYaWa aWbaaSqabeaacaWG0bGaey4kaSIaamyBaiabgkHiTiaadUgaaaaaaa@3D51@ . Отсюда становится ясно, что число способов построения СВК с учетом отмеченного равно:

  N II = 2 t+mk C m+k k P m P k = 2 t+mk m+k ! k!m! m!k!= 2 t+mk m+k ! MathType@MTEF@5@5@+= feaahGart1ev3aaatCvAUfeBSjuyZL2yd9gzLbvyNv2Caerbov2D09 MBdbqedmvETj2BSbqeeuuDJXwAKbsr4rNCHbGeaGqik8fkY=xipgYl h9vqqj=hEeeu0xXdi9arFj0xirFj0dXdbba91qpK0=yr0RYxfr=Jbb f9q8aq0=yq=He9q8qqQ8frFve9Fve9Ff0dmeaabaqaciaacaGaaeqa baqabeGadaaakeaacaWGobWaaSbaaSqaaiaadMeacaWGjbaabeaaki abg2da9iaaikdadaahaaWcbeqaaiaadshacqGHRaWkcaWGTbGaeyOe I0Iaam4AaaaakiaadoeadaqhaaWcbaGaamyBaiabgUcaRiaadUgaae aacaWGRbaaaOGaamiuamaaDaaaleaacaWGTbaabaaaaOGaamiuamaa DaaaleaacaWGRbaabaaaaOGaeyypa0JaaGOmamaaCaaaleqabaGaam iDaiabgUcaRiaad2gacqGHsislcaWGRbaaaOWaaSaaaeaadaqadaqa aiaad2gacqGHRaWkcaWGRbaacaGLOaGaayzkaaGaaiyiaaqaaiaadU gacaGGHaGaamyBaiaacgcaaaGaamyBaiaacgcacaWGRbGaaiyiaiab g2da9iaaikdadaahaaWcbeqaaiaadshacqGHRaWkcaWGTbGaeyOeI0 Iaam4AaaaakmaabmaabaGaamyBaiabgUcaRiaadUgaaiaawIcacaGL PaaacaGGHaaaaa@6091@

  N II = 2 t+mk C m+k k P m P k = 2 t+mk m+k ! k!m! m!k!= 2 t+mk m+k ! MathType@MTEF@5@5@+= feaahGart1ev3aaatCvAUfeBSjuyZL2yd9gzLbvyNv2Caerbov2D09 MBdbqedmvETj2BSbqeeuuDJXwAKbsr4rNCHbGeaGqik8fkY=xipgYl h9vqqj=hEeeu0xXdi9arFj0xirFj0dXdbba91qpK0=yr0RYxfr=Jbb f9q8aq0=yq=He9q8qqQ8frFve9Fve9Ff0dmeaabaqaciaacaGaaeqa baqabeGadaaakeaacaWGobWaaSbaaSqaaiaadMeacaWGjbaabeaaki abg2da9iaaikdadaahaaWcbeqaaiaadshacqGHRaWkcaWGTbGaeyOe I0Iaam4AaaaakiaadoeadaqhaaWcbaGaamyBaiabgUcaRiaadUgaae aacaWGRbaaaOGaamiuamaaDaaaleaacaWGTbaabaaaaOGaamiuamaa DaaaleaacaWGRbaabaaaaOGaeyypa0JaaGOmamaaCaaaleqabaGaam iDaiabgUcaRiaad2gacqGHsislcaWGRbaaaOWaaSaaaeaadaqadaqa aiaad2gacqGHRaWkcaWGRbaacaGLOaGaayzkaaGaaiyiaaqaaiaadU gacaGGHaGaamyBaiaacgcaaaGaamyBaiaacgcacaWGRbGaaiyiaiab g2da9iaaikdadaahaaWcbeqaaiaadshacqGHRaWkcaWGTbGaeyOeI0 Iaam4AaaaakmaabmaabaGaamyBaiabgUcaRiaadUgaaiaawIcacaGL PaaacaGGHaaaaa@6091@  (2)

Структура типа III отличается от вышерассмотренных тем, что на каждом из 2t входных наборов можно получить любое кодовое слово из полного множества кодовых слов (m, k)-кода с учетом необходимости формирования каждого контрольного вектора хотя бы на одном входном наборе. Далее будем полагать, что доопределение будет таковым, что все контрольные векторы будут формироваться на одинаковом числе входных комбинаций, т. е. распределение формируемых контрольных векторов будет равномерно. В таком случае имеем 2t кодовых слова, распределенных равномерно между 2k контрольными векторами, или имеем 2tk кодовых слов с одним и тем же контрольным вектором. Следует отметить естественное ограничение, как и в случае со структурой типа II, величина tk.

Число способов выбора m информационных символов из m+k символов, по-прежнему, равно C m+k m = C m+k k MathType@MTEF@5@5@+= feaahGart1ev3aaatCvAUfeBSjuyZL2yd9gzLbvyNv2Caerbov2D09 MBdbqedmvETj2BSbqeeuuDJXwAKbsr4rNCHbGeaGqik8fkY=xipgYl h9vqqj=hEeeu0xXdi9arFj0xirFj0dXdbba91qpK0=yr0RYxfr=Jbb f9q8aq0=yq=He9q8qqQ8frFve9Fve9Ff0dmeaabaqaciaacaGaaeqa baqabeGadaaakeaacaWGdbWaa0baaSqaaiaad2gacqGHRaWkcaWGRb aabaGaamyBaaaakiabg2da9iaadoeadaqhaaWcbaGaamyBaiabgUca RiaadUgaaeaacaWGRbaaaaaa@3B6E@ . Число вариантов выбора последовательности размещения символов в информационном векторе определяется числом перестановок из m элементов – числом P m MathType@MTEF@5@5@+= feaahGart1ev3aaatCvAUfeBSjuyZL2yd9gzLbvyNv2Caerbov2D09 MBdbqedmvETj2BSbqeeuuDJXwAKbsr4rNCHbGeaGqik8fkY=xipgYl h9vqqj=hEeeu0xXdi9arFj0xirFj0dXdbba91qpK0=yr0RYxfr=Jbb f9q8aq0=yq=He9q8qqQ8frFve9Fve9Ff0dmeaabaqaciaacaGaaeqa baqabeGadaaakeaacaWGqbWaa0baaSqaaiaad2gaaeaaaaaaaa@32FE@ . Число вариантов выбора последовательности размещения символов в контрольном векторе определяется числом перестановок из k элементов – числом P k MathType@MTEF@5@5@+= feaahGart1ev3aaatCvAUfeBSjuyZL2yd9gzLbvyNv2Caerbov2D09 MBdbqedmvETj2BSbqeeuuDJXwAKbsr4rNCHbGeaGqik8fkY=xipgYl h9vqqj=hEeeu0xXdi9arFj0xirFj0dXdbba91qpK0=yr0RYxfr=Jbb f9q8aq0=yq=He9q8qqQ8frFve9Fve9Ff0dmeaabaqaciaacaGaaeqa baqabeGadaaakeaacaWGqbWaa0baaSqaaiaadUgaaeaaaaaaaa@32FC@ . При этом на каждом входном наборе можно осуществить доопределение функций ЛКС для получения информационных символов 2mk способами, поскольку все кодовые слова (их 2m) распределены равномерно между всеми контрольными векторами (их 2k); проверочные символы будут получены после единственным способом. Итого, имеем 2 tk 2 mk = 2 t+m2k MathType@MTEF@5@5@+= feaahGart1ev3aaatCvAUfeBSjuyZL2yd9gzLbvyNv2Caerbov2D09 MBdbqedmvETj2BSbqeeuuDJXwAKbsr4rNCHbGeaGqik8fkY=xipgYl h9vqqj=hEeeu0xXdi9arFj0xirFj0dXdbba91qpK0=yr0RYxfr=Jbb f9q8aq0=yq=He9q8qqQ8frFve9Fve9Ff0dmeaabaqaciaacaGaaeqa baqabeGadaaakeaacaaIYaWaaWbaaSqabeaacaWG0bGaeyOeI0Iaam 4AaaaakiaaikdadaahaaWcbeqaaiaad2gacqGHsislcaWGRbaaaOGa eyypa0JaaGOmamaaCaaaleqabaGaamiDaiabgUcaRiaad2gacqGHsi slcaaIYaGaam4Aaaaaaaa@3FEA@  способов доопределения функций логической коррекции.

Но здесь не учитывается, что первый контрольный вектор может быть сформирован на

C 2 t 2 tk MathType@MTEF@5@5@+= feaahGart1ev3aaatCvAUfeBSjuyZL2yd9gzLbvyNv2Caerbov2D09 MBdbqedmvETj2BSbqeeuuDJXwAKbsr4rNCHbGeaGqik8fkY=xipgYl h9vqqj=hEeeu0xXdi9arFj0xirFj0dXdbba91qpK0=yr0RYxfr=Jbb f9q8aq0=yq=He9q8qqQ8frFve9Fve9Ff0dmeaabaqaciaacaGaaeqa baqabeGadaaakeaacaWGdbWaa0baaSqaaiaaikdadaahaaadbeqaai aadshaaaaaleaacaaIYaWaaWbaaWqabeaacaWG0bGaeyOeI0Iaam4A aaaaaaaaaa@37AD@  входных комбинациях;

второй – на C 2 t 2 tk 2 tk MathType@MTEF@5@5@+= feaahGart1ev3aaatCvAUfeBSjuyZL2yd9gzLbvyNv2Caerbov2D09 MBdbqedmvETj2BSbqeeuuDJXwAKbsr4rNCHbGeaGqik8fkY=xipgYl h9vqqj=hEeeu0xXdi9arFj0xirFj0dXdbba91qpK0=yr0RYxfr=Jbb f9q8aq0=yq=He9q8qqQ8frFve9Fve9Ff0dmeaabaqaciaacaGaaeqa baqabeGadaaakeaacaWGdbWaa0baaSqaaiaaikdadaahaaadbeqaai aadshaaaWccqGHsislcaaIYaWaaWbaaWqabeaacaWG0bGaeyOeI0Ia am4AaaaaaSqaaiaaikdadaahaaadbeqaaiaadshacqGHsislcaWGRb aaaaaaaaa@3C65@ ;

третий – на C 2 t 2 2 tk 2 tk MathType@MTEF@5@5@+= feaahGart1ev3aaatCvAUfeBSjuyZL2yd9gzLbvyNv2Caerbov2D09 MBdbqedmvETj2BSbqeeuuDJXwAKbsr4rNCHbGeaGqik8fkY=xipgYl h9vqqj=hEeeu0xXdi9arFj0xirFj0dXdbba91qpK0=yr0RYxfr=Jbb f9q8aq0=yq=He9q8qqQ8frFve9Fve9Ff0dmeaabaqaciaacaGaaeqa baqabeGadaaakeaacaWGdbWaa0baaSqaaiaaikdadaahaaadbeqaai aadshaaaWccqGHsislcaaIYaGaeyyXICTaaGOmamaaCaaameqabaGa amiDaiabgkHiTiaadUgaaaaaleaacaaIYaWaaWbaaWqabeaacaWG0b GaeyOeI0Iaam4Aaaaaaaaaaa@3F6B@ ; …;

2k-ый – на C 2 t 2 k 1 2 tk 2 tk = C 2 tk 2 tk =1 MathType@MTEF@5@5@+= feaahGart1ev3aaatCvAUfeBSjuyZL2yd9gzLbvyNv2Caerbov2D09 MBdbqedmvETj2BSbqeeuuDJXwAKbsr4rNCHbGeaGqik8fkY=xipgYl h9vqqj=hEeeu0xXdi9arFj0xirFj0dXdbba91qpK0=yr0RYxfr=Jbb f9q8aq0=yq=He9q8qqQ8frFve9Fve9Ff0dmeaabaqaciaacaGaaeqa baqabeGadaaakeaacaWGdbWaa0baaSqaaiaaikdadaahaaadbeqaai aadshaaaWccqGHsisldaqadaqaaiaaikdadaahaaadbeqaaiaadUga aaWccqGHsislcaaIXaaacaGLOaGaayzkaaGaeyyXICTaaGOmamaaCa aameqabaGaamiDaiabgkHiTiaadUgaaaaaleaacaaIYaWaaWbaaWqa beaacaWG0bGaeyOeI0Iaam4AaaaaaaGccqGH9aqpcaWGdbWaa0baaS qaaiaaikdadaahaaadbeqaaiaadshacqGHsislcaWGRbaaaaWcbaGa aGOmamaaCaaameqabaGaamiDaiabgkHiTiaadUgaaaaaaOGaeyypa0 JaaGymaaaa@4F20@ .

Всего число вариантов доопределений с учетом возможных вариантов сочетаний выходов равно:

C 2 t 2 tk C 2 t 2 tk 2 tk C 2 t 2 2 tk 2 tk ... C 2 t 2 k 1 2 tk 2 tk = = i=0 2 k 1 C 2 t i 2 tk 2 tk MathType@MTEF@5@5@+= feaahGart1ev3aaatCvAUfeBSjuyZL2yd9gzLbvyNv2Caerbov2D09 MBdbqedmvETj2BSbqeeuuDJXwAKbsr4rNCHbGeaGqik8fkY=xipgYl h9vqqj=hEeeu0xXdi9arFj0xirFj0dXdbba91qpK0=yr0RYxfr=Jbb f9q8aq0=yq=He9q8qqQ8frFve9Fve9Ff0dmeaabaqaciaacaGaaeqa baqabeGadaaakqaabeqaaiaadoeadaqhaaWcbaGaaGOmamaaCaaame qabaGaamiDaaaaaSqaaiaaikdadaahaaadbeqaaiaadshacqGHsisl caWGRbaaaaaakiaadoeadaqhaaWcbaGaaGOmamaaCaaameqabaGaam iDaaaaliabgkHiTiaaikdadaahaaadbeqaaiaadshacqGHsislcaWG RbaaaaWcbaGaaGOmamaaCaaameqabaGaamiDaiabgkHiTiaadUgaaa aaaOGaam4qamaaDaaaleaacaaIYaWaaWbaaWqabeaacaWG0baaaSGa eyOeI0IaaGOmaiabgwSixlaaikdadaahaaadbeqaaiaadshacqGHsi slcaWGRbaaaaWcbaGaaGOmamaaCaaameqabaGaamiDaiabgkHiTiaa dUgaaaaaaOGaeyyXICTaaiOlaiaac6cacaGGUaGaeyyXICTaam4qam aaDaaaleaacaaIYaWaaWbaaWqabeaacaWG0baaaSGaeyOeI0YaaeWa aeaacaaIYaWaaWbaaWqabeaacaWGRbaaaSGaeyOeI0IaaGymaaGaay jkaiaawMcaaiabgwSixlaaikdadaahaaadbeqaaiaadshacqGHsisl caWGRbaaaaWcbaGaaGOmamaaCaaameqabaGaamiDaiabgkHiTiaadU gaaaaaaOGaeyypa0dabaGaeyypa0ZaaebCaeaacaWGdbWaa0baaSqa aiaaikdadaahaaadbeqaaiaadshaaaWccqGHsislcaWGPbGaeyyXIC TaaGOmamaaCaaameqabaGaamiDaiabgkHiTiaadUgaaaaaleaacaaI YaWaaWbaaWqabeaacaWG0bGaeyOeI0Iaam4AaaaaaaaaleaacaWGPb Gaeyypa0JaaGimaaqaaiaaikdadaahaaadbeqaaiaadUgaaaWccqGH sislcaaIXaaaniabg+Givdaaaaa@8408@

С учетом числа способов доопределения, имеем следующее общее число способов построения СВК по структуре типа III:

N III = 2 t+m2k C m+k k P m i=0 2 k 1 C 2 t i 2 tk 2 tk = = 2 t+m2k m+k k _ i=0 2 k 1 C 2 t i 2 tk 2 tk MathType@MTEF@5@5@+= feaahGart1ev3aaatCvAUfeBSjuyZL2yd9gzLbvyNv2Caerbov2D09 MBdbqedmvETj2BSbqeeuuDJXwAKbsr4rNCHbGeaGqik8fkY=xipgYl h9vqqj=hEeeu0xXdi9arFj0xirFj0dXdbba91qpK0=yr0RYxfr=Jbb f9q8aq0=yq=He9q8qqQ8frFve9Fve9Ff0dmeaabaqaciaacaGaaeqa baqabeGadaaakqaabeqaaiaad6eadaWgaaWcbaGaamysaiaadMeaca WGjbaabeaakiabg2da9iaaikdadaahaaWcbeqaaiaadshacqGHRaWk caWGTbGaeyOeI0IaaGOmaiaadUgaaaGccaWGdbWaa0baaSqaaiaad2 gacqGHRaWkcaWGRbaabaGaam4AaaaakiaadcfadaWgaaWcbaGaamyB aaqabaGcdaqeWbqaaiaadoeadaqhaaWcbaGaaGOmamaaCaaameqaba GaamiDaaaaliabgkHiTiaadMgacqGHflY1caaIYaWaaWbaaWqabeaa caWG0bGaeyOeI0Iaam4AaaaaaSqaaiaaikdadaahaaadbeqaaiaads hacqGHsislcaWGRbaaaaaaaSqaaiaadMgacqGH9aqpcaaIWaaabaGa aGOmamaaCaaameqabaGaam4AaaaaliabgkHiTiaaigdaa0Gaey4dIu nakiabg2da9aqaaiabg2da9iaaikdadaahaaWcbeqaaiaadshacqGH RaWkcaWGTbGaeyOeI0IaaGOmaiaadUgaaaGcdaqadaqaaiaad2gacq GHRaWkcaWGRbaacaGLOaGaayzkaaWaaWbaaSqabeaaceWGRbGba0ba aaGcdaqeWbqaaiaadoeadaqhaaWcbaGaaGOmamaaCaaameqabaGaam iDaaaaliabgkHiTiaadMgacqGHflY1caaIYaWaaWbaaWqabeaacaWG 0bGaeyOeI0Iaam4AaaaaaSqaaiaaikdadaahaaadbeqaaiaadshacq GHsislcaWGRbaaaaaaaSqaaiaadMgacqGH9aqpcaaIWaaabaGaaGOm amaaCaaameqabaGaam4AaaaaliabgkHiTiaaigdaa0Gaey4dIunaaa aa@7E98@  (3)

Рассмотрим отдельно произведение в формуле (3).

Введем обозначения: a= 2 tk , MathType@MTEF@5@5@+= feaahGart1ev3aaatCvAUfeBSjuyZL2yd9gzLbvyNv2Caerbov2D09 MBdbqedmvETj2BSbqeeuuDJXwAKbsr4rNCHbGeaGqik8fkY=xipgYl h9vqqj=hEeeu0xXdi9arFj0xirFj0dXdbba91qpK0=yr0RYxfr=Jbb f9q8aq0=yq=He9q8qqQ8frFve9Fve9Ff0dmeaabaqaciaacaGaaeqa baqabeGadaaakeaacaWGHbGaeyypa0JaaGOmamaaCaaaleqabaGaam iDaiabgkHiTiaadUgaaaGccaGGSaaaaa@376F@   b= 2 t . MathType@MTEF@5@5@+= feaahGart1ev3aaatCvAUfeBSjuyZL2yd9gzLbvyNv2Caerbov2D09 MBdbqedmvETj2BSbqeeuuDJXwAKbsr4rNCHbGeaGqik8fkY=xipgYl h9vqqj=hEeeu0xXdi9arFj0xirFj0dXdbba91qpK0=yr0RYxfr=Jbb f9q8aq0=yq=He9q8qqQ8frFve9Fve9Ff0dmeaabaqaciaacaGaaeqa baqabeGadaaakeaacaWGIbGaeyypa0JaaGOmamaaCaaaleqabaGaam iDaaaakiaac6caaaa@3595@  Тогда 2k можно получить следующим образом: a= 2 t 2 k = b 2 k 2 k = b a . MathType@MTEF@5@5@+= feaahGart1ev3aaatCvAUfeBSjuyZL2yd9gzLbvyNv2Caerbov2D09 MBdbqedmvETj2BSbqeeuuDJXwAKbsr4rNCHbGeaGqik8fkY=xipgYl h9vqqj=hEeeu0xXdi9arFj0xirFj0dXdbba91qpK0=yr0RYxfr=Jbb f9q8aq0=yq=He9q8qqQ8frFve9Fve9Ff0dmeaabaqaciaacaGaaeqa baqabeGadaaakeaacaWGHbGaeyypa0ZaaSaaaeaacaaIYaWaaWbaaS qabeaacaWG0baaaaGcbaGaaGOmamaaCaaaleqabaGaam4AaaaaaaGc cqGH9aqpdaWcaaqaaiaadkgaaeaacaaIYaWaaWbaaSqabeaacaWGRb aaaaaakiabgkDiElaaikdadaahaaWcbeqaaiaadUgaaaGccqGH9aqp daWcaaqaaiaadkgaaeaacaWGHbaaaiaac6caaaa@428A@  Произведение в выражении (3) с учетом введенных обозначений может быть записано в виде:

Вернемся к введенным выше обозначениями и подставим исходные выражения в формулу (4):

i=0 2 k 1 C 2 t i 2 tk 2 tk = i=0 b a 1 C bia a = b! (a!) b a = 2 t ! 2 tk ! 2 k MathType@MTEF@5@5@+= feaahGart1ev3aaatCvAUfeBSjuyZL2yd9gzLbvyNv2Caerbov2D09 MBdbqedmvETj2BSbqeeuuDJXwAKbsr4rNCHbGeaGqik8fkY=xipgYl h9vqqj=hEeeu0xXdi9arFj0xirFj0dXdbba91qpK0=yr0RYxfr=Jbb f9q8aq0=yq=He9q8qqQ8frFve9Fve9Ff0dmeaabaqaciaacaGaaeqa baqabeGadaaakeaadaqeWbqaaiaadoeadaqhaaWcbaGaaGOmamaaCa aameqabaGaamiDaaaaliabgkHiTiaadMgacqGHflY1caaIYaWaaWba aWqabeaacaWG0bGaeyOeI0Iaam4AaaaaaSqaaiaaikdadaahaaadbe qaaiaadshacqGHsislcaWGRbaaaaaaaSqaaiaadMgacqGH9aqpcaaI WaaabaGaaGOmamaaCaaameqabaGaam4AaaaaliabgkHiTiaaigdaa0 Gaey4dIunakiabg2da9maarahabaGaam4qamaaDaaaleaacaWGIbGa eyOeI0IaamyAaiabgwSixlaadggaaeaacaWGHbaaaaqaaiaadMgacq GH9aqpcaaIWaaabaWaaSaaaeaacaWGIbaabaGaamyyaaaacqGHsisl caaIXaaaniabg+GivdGccqGH9aqpdaWcaaqaaiaadkgacaGGHaaaba GaaiikaiaadggacaGGHaGaaiykamaaCaaaleqabaWaaSaaaeaacaWG IbaabaGaamyyaaaaaaaaaOGaeyypa0ZaaSaaaeaacaaIYaWaaWbaaS qabeaacaWG0baaaOGaaiyiaaqaamaabmaabaGaaGOmamaaCaaaleqa baGaamiDaiabgkHiTiaadUgaaaGccaGGHaaacaGLOaGaayzkaaWaaW baaSqabeaacaaIYaWaaWbaaWqabeaacaWGRbaaaaaaaaaaaa@6C88@   (5)

Формула (3), описывающая число способов построения СВК по структуре III, с учетом (5) приводится к виду:

  N III = 2 t+m2k m+k ! 2 t ! 2 tk ! 2 k MathType@MTEF@5@5@+= feaahGart1ev3aaatCvAUfeBSjuyZL2yd9gzLbvyNv2Caerbov2D09 MBdbqedmvETj2BSbqeeuuDJXwAKbsr4rNCHbGeaGqik8fkY=xipgYl h9vqqj=hEeeu0xXdi9arFj0xirFj0dXdbba91qpK0=yr0RYxfr=Jbb f9q8aq0=yq=He9q8qqQ8frFve9Fve9Ff0dmeaabaqaciaacaGaaeqa baqabeGadaaakeaacaWGobWaaSbaaSqaaiaadMeacaWGjbGaamysaa qabaGccqGH9aqpcaaIYaWaaWbaaSqabeaacaWG0bGaey4kaSIaamyB aiabgkHiTiaaikdacaWGRbaaaOWaaeWaaeaacaWGTbGaey4kaSIaam 4AaaGaayjkaiaawMcaaiaacgcadaWcaaqaaiaaikdadaahaaWcbeqa aiaadshaaaGccaGGHaaabaWaaeWaaeaacaaIYaWaaWbaaSqabeaaca WG0bGaeyOeI0Iaam4AaaaakiaacgcaaiaawIcacaGLPaaadaahaaWc beqaaiaaikdadaahaaadbeqaaiaadUgaaaaaaaaaaaa@4B6D@     (6)

Используя (1), (2) и (6), можно определить для рассматриваемого объекта диагностирования общее количество способов организации СВК на основе ЛКС с применением (m, k)-кода. В табл. 1–3 приведены результаты расчетов для некоторых значений t, m и k для всех трех структур. К примеру, при исходных данных t = 4, m = 4, k = 2 число способов организации СВК по структурам типа I, II и III равно NI = 720, NII = 46 080, NIII = 726 485760 000. Из сравнения данных такого простого примера следует, что структура типа III обладает более высокой вариативностью, чем первые две структуры: существует в 1 009008 000 раз больше вариантов ее построения, чем по структуре типа I и в 15 765750 раз, чем по структуре типа II.

 

Таблица 1. Число способов организации СВК по структуре типа I

m

k

2

3

4

4

720

5 040

40 320

5

5 040

40 320

362 880

6

40 320

362 880

3 628 800

7

362 880

3 628 800

39 916 800

8

3 628 800

39 916 800

479 001 600

9

39 916 800

479 001 600

6 227 020 800

10

479 001 600

6 227 020 800

87 178 291 200

 

Таблица 2. Число способов организации СВК по структуре типа II

t

m

k

2

3

4

2

4

11 520

2

5

161 280

2

6

2 580 480

2

7

46 448 640

2

8

928 972 800

2

9

20 437 401 600

2

10

490 497 638 400

3

4

23 040

80 640

3

5

322 560

1 290 240

3

6

5 160 960

23 224 320

3

7

92 897 280

464 486 400

3

8

1 857 945 600

10 218 700 800

3

9

40 874 803 200

245 248 819 200

3

10

980 995 276 800

6 376 469 299 200

4

4

46 080

161 280

645 120

4

5

645 120

2 580 480

11 612 160

4

6

10 321 920

46 448 640

232 243 200

4

7

185 794 560

928 972 800

5 109 350 400

4

8

3 715 891 200

20 437 401 600

122 624 409 600

4

9

81 749 606 400

490 497 638 400

3 188 234 649 600

4

10

1 961 990 553 600

12 752 938 598 400

89 270 570 188 800

 

Таблица 3. Число способов организации СВК по структуре типа III

t

m

k

2

3

4

2

4

69 120

2

5

967 680

2

6

15 482 880

2

7

278 691 840

2

8

5 573 836 800

2

9

122 624 409 600

2

10

2 942 985 830 400

3

4

14 515 200

406 425 600

3

5

203 212 800

6 502 809 600

3

6

3 251 404 800

117 050 572 800

3

7

58 525 286 400

2 341 011 456 000

3

8

1 170 505 728 000

51 502 252 032 000

3

9

25 751 126 016 000

1 236 054 048 768 000

3

10

618 027 024 384 000

32 137 405 267 968 000

4

4

726 485 760 000

1 647 669 703 680 000

843 606 888 284 160 000

4

5

10 170 800 640 000

26 362 715 258 880 000

15 184 923 989 114 880 000

4

6

162 732 810 240 000

474 528 874 659 840 000

303 698 479 782 297 600 000

4

7

2 929 190 584 320 000

9 490 577 493 196 800 000

6 681 366 555 210 547 200 000

4

8

58 583 811 686 400 000

208 792 704 850 329 600 000

160 352 797 325 053 132 800 000

4

9

1 288 843 857 100 800 000

5 011 024 916 407 910 400 000

4 169 172 730 451 381 452 800 000

4

10

30 932 252 570 419 200 000

130 286 647 826 605 670 4000 000

116 736 836 452 638 680 678 400 000

 

Из сравнения же формул (1), (2) и (6) непосредственно следует, что представляет интерес исследование способов формирования алгоритмов построения СВК на основе структур типа II и III, тогда как по структуре типа I число способов определяется исключительно вариантами выбора выходов для преобразования и перестановок выходов внутри информационного и контрольного векторов.

Исследование числа способов организации схем встроенного контроля по различным структурам при увеличении числа выходов объекта диагностирования

4.1. Свойства структур, проявляющиеся при увеличении числа выделяемых информационных символов при постоянстве числа проверочных символов

Установим, как изменяется общее число вариантов построения СВК по структурам всех трех типов.

Определим, как изменится число вариантов построения СВК по структуре типа I с увеличением m на 1 при неизменном k:

  δ I m+1,m = m+1 +k ! m+k ! =m+k+1 MathType@MTEF@5@5@+= feaahGart1ev3aaatCvAUfeBSjuyZL2yd9gzLbvyNv2Caerbov2D09 MBdbqedmvETj2BSbqeeuuDJXwAKbsr4rNCHbGeaGqik8fkY=xipgYl h9vqqj=hEeeu0xXdi9arFj0xirFj0dXdbba91qpK0=yr0RYxfr=Jbb f9q8aq0=yq=He9q8qqQ8frFve9Fve9Ff0dmeaabaqaciaacaGaaeqa baqabeGadaaakeaacqaH0oazdaqhaaWcbaGaamysaaqaaiaad2gacq GHRaWkcaaIXaGaaiilaiaaysW7caWGTbaaaOGaeyypa0ZaaSaaaeaa daqadaqaamaabmaabaGaamyBaiabgUcaRiaaigdaaiaawIcacaGLPa aacqGHRaWkcaWGRbaacaGLOaGaayzkaaGaaiyiaaqaamaabmaabaGa amyBaiabgUcaRiaadUgaaiaawIcacaGLPaaacaGGHaaaaiabg2da9i aad2gacqGHRaWkcaWGRbGaey4kaSIaaGymaaaa@4CF9@    (7)

Найдем, как изменится число вариантов построения СВК по структуре типа I с увеличением m на 2 при неизменном k:

  δ I m+2,m = m+2 +k ! m+k ! = m+k+1 m+k+2 = m+k+2 2 ¯ MathType@MTEF@5@5@+= feaahGart1ev3aaatCvAUfeBSjuyZL2yd9gzLbvyNv2Caerbov2D09 MBdbqedmvETj2BSbqeeuuDJXwAKbsr4rNCHbGeaGqik8fkY=xipgYl h9vqqj=hEeeu0xXdi9arFj0xirFj0dXdbba91qpK0=yr0RYxfr=Jbb f9q8aq0=yq=He9q8qqQ8frFve9Fve9Ff0dmeaabaqaciaacaGaaeqa baqabeGadaaakeaacqaH0oazdaqhaaWcbaGaamysaaqaaiaad2gacq GHRaWkcaaIYaGaaiilaiaaysW7caWGTbaaaOGaeyypa0ZaaSaaaeaa daqadaqaamaabmaabaGaamyBaiabgUcaRiaaikdaaiaawIcacaGLPa aacqGHRaWkcaWGRbaacaGLOaGaayzkaaGaaiyiaaqaamaabmaabaGa amyBaiabgUcaRiaadUgaaiaawIcacaGLPaaacaGGHaaaaiabg2da9m aabmaabaGaamyBaiabgUcaRiaadUgacqGHRaWkcaaIXaaacaGLOaGa ayzkaaWaaeWaaeaacaWGTbGaey4kaSIaam4AaiabgUcaRiaaikdaai aawIcacaGLPaaacqGH9aqpdaqadaqaaiaad2gacqGHRaWkcaWGRbGa ey4kaSIaaGOmaaGaayjkaiaawMcaamaaCaaaleqabaWaaWaaaeaaca aIYaaaaaaaaaa@5C59@    (8)

Обобщим (7) и (8) и найдем, как изменится число вариантов построения СВК по структуре типа I с увеличением m на произвольное p MathType@MTEF@5@5@+= feaahGart1ev3aaatCvAUfeBSjuyZL2yd9gzLbvyNv2Caerbov2D09 MBdbqedmvETj2BSbqeeuuDJXwAKbsr4rNCHbGeaGqik8fkY=xipgYl h9vqqj=hEeeu0xXdi9arFj0xirFj0dXdbba91qpK0=yr0RYxfr=Jbb f9q8aq0=yq=He9q8qqQ8frFve9Fve9Ff0dmeaabaqaciaacaGaaeqa baqabeGadaaakeaacaWGWbGaeyicI4SaeSyfHukaaa@34EF@  при неизменном k:  

   δ I m+p,m = m+p +k k ¯ m+k k ¯ = m+k+1 m+k+2 ... m+k+p = m+k+p p ¯ MathType@MTEF@5@5@+= feaahGart1ev3aaatCvAUfeBSjuyZL2yd9gzLbvyNv2Caerbov2D09 MBdbqedmvETj2BSbqeeuuDJXwAKbsr4rNCHbGeaGqik8fkY=xipgYl h9vqqj=hEeeu0xXdi9arFj0xirFj0dXdbba91qpK0=yr0RYxfr=Jbb f9q8aq0=yq=He9q8qqQ8frFve9Fve9Ff0dmeaabaqaciaacaGaaeqa baqabeGadaaakeaacqaH0oazdaqhaaWcbaGaamysaaqaaiaad2gacq GHRaWkcaWGWbGaaiilaiaaysW7caWGTbaaaOGaeyypa0ZaaSaaaeaa daqadaqaamaabmaabaGaamyBaiabgUcaRiaadchaaiaawIcacaGLPa aacqGHRaWkcaWGRbaacaGLOaGaayzkaaWaaWbaaSqabeaadaadaaqa aiaadUgaaaaaaaGcbaWaaeWaaeaacaWGTbGaey4kaSIaam4AaaGaay jkaiaawMcaamaaCaaaleqabaWaaWaaaeaacaWGRbaaaaaaaaGccqGH 9aqpdaqadaqaaiaad2gacqGHRaWkcaWGRbGaey4kaSIaaGymaaGaay jkaiaawMcaamaabmaabaGaamyBaiabgUcaRiaadUgacqGHRaWkcaaI YaaacaGLOaGaayzkaaGaeyyXICTaaiOlaiaac6cacaGGUaGaeyyXIC 9aaeWaaeaacaWGTbGaey4kaSIaam4AaiabgUcaRiaadchaaiaawIca caGLPaaacqGH9aqpdaqadaqaaiaad2gacqGHRaWkcaWGRbGaey4kaS IaamiCaaGaayjkaiaawMcaamaaCaaaleqabaWaaWaaaeaacaWGWbaa aaaaaaa@6B2F@     (9)

Таким образом, справедливо следующее умозаключение.

Утверждение 1. При увеличении числа информационных символов при постоянном значении числа проверочных символов на величину p MathType@MTEF@5@5@+= feaahGart1ev3aaatCvAUfeBSjuyZL2yd9gzLbvyNv2Caerbov2D09 MBdbqedmvETj2BSbqeeuuDJXwAKbsr4rNCHbGeaGqik8fkY=xipgYl h9vqqj=hEeeu0xXdi9arFj0xirFj0dXdbba91qpK0=yr0RYxfr=Jbb f9q8aq0=yq=He9q8qqQ8frFve9Fve9Ff0dmeaabaqaciaacaGaaeqa baqabeGadaaakeaacaWGWbGaeyicI4SaeSyfHukaaa@34EF@  общее число способов построения СВК на основе ЛКС с применением заданного (m, k)-кода по структуре типа I увеличивается в m+k+p p ¯ MathType@MTEF@5@5@+= feaahGart1ev3aaatCvAUfeBSjuyZL2yd9gzLbvyNv2Caerbov2D09 MBdbqedmvETj2BSbqeeuuDJXwAKbsr4rNCHbGeaGqik8fkY=xipgYl h9vqqj=hEeeu0xXdi9arFj0xirFj0dXdbba91qpK0=yr0RYxfr=Jbb f9q8aq0=yq=He9q8qqQ8frFve9Fve9Ff0dmeaabaqaciaacaGaaeqa baqabeGadaaakeaadaqadaqaaiaad2gacqGHRaWkcaWGRbGaey4kaS IaamiCaaGaayjkaiaawMcaamaaCaaaleqabaWaaWaaaeaacaWGWbaa aaaaaaa@3860@  раз.

Аналогично изложенному выше найдем, как изменится число вариантов построения СВК по структуре типа II с увеличением m на 1 при неизменном k:

δ II m+1,m = 2 t+ m+1 k m+1 +k ! 2 t+mk m+k ! =2 m+k+1 MathType@MTEF@5@5@+= feaahGart1ev3aaatCvAUfeBSjuyZL2yd9gzLbvyNv2Caerbov2D09 MBdbqedmvETj2BSbqeeuuDJXwAKbsr4rNCHbGeaGqik8fkY=xipgYl h9vqqj=hEeeu0xXdi9arFj0xirFj0dXdbba91qpK0=yr0RYxfr=Jbb f9q8aq0=yq=He9q8qqQ8frFve9Fve9Ff0dmeaabaqaciaacaGaaeqa baqabeGadaaakeaacqaH0oazdaqhaaWcbaGaiWiGdMeacaWGjbaaba GaamyBaiabgUcaRiaaigdacaGGSaGaaGjbVlaad2gaaaGccqGH9aqp daWcaaqaaiaaikdadaahaaWcbeqaaiaadshacqGHRaWkdaqadaqaai aad2gacqGHRaWkcaaIXaaacaGLOaGaayzkaaGaeyOeI0Iaam4Aaaaa kmaabmaabaWaaeWaaeaacaWGTbGaey4kaSIaaGymaaGaayjkaiaawM caaiabgUcaRiaadUgaaiaawIcacaGLPaaacaGGHaaabaGaaGOmamaa CaaaleqabaGaamiDaiabgUcaRiaad2gacqGHsislcaWGRbaaaOWaae WaaeaacaWGTbGaey4kaSIaam4AaaGaayjkaiaawMcaaiaacgcaaaGa eyypa0JaaGOmamaabmaabaGaamyBaiabgUcaRiaadUgacqGHRaWkca aIXaaacaGLOaGaayzkaaaaaa@5F80@    (10)

Установим, как меняется число вариантов построения СВК по структуре типа II с увеличением m на произвольную величину p MathType@MTEF@5@5@+= feaahGart1ev3aaatCvAUfeBSjuyZL2yd9gzLbvyNv2Caerbov2D09 MBdbqedmvETj2BSbqeeuuDJXwAKbsr4rNCHbGeaGqik8fkY=xipgYl h9vqqj=hEeeu0xXdi9arFj0xirFj0dXdbba91qpK0=yr0RYxfr=Jbb f9q8aq0=yq=He9q8qqQ8frFve9Fve9Ff0dmeaabaqaciaacaGaaeqa baqabeGadaaakeaacaWGWbGaeyicI4SaeSyfHukaaa@34EF@  при неизменном k:

  δ II m+p,m = 2 t+ m+p k m+p +k ! 2 t+mk m+k ! = = 2 p m+k+1 m+k+2 ... m+k+p = 2 p m+k+p p ¯ MathType@MTEF@5@5@+= feaahGart1ev3aaatCvAUfeBSjuyZL2yd9gzLbvyNv2Caerbov2D09 MBdbqedmvETj2BSbqeeuuDJXwAKbsr4rNCHbGeaGqik8fkY=xipgYl h9vqqj=hEeeu0xXdi9arFj0xirFj0dXdbba91qpK0=yr0RYxfr=Jbb f9q8aq0=yq=He9q8qqQ8frFve9Fve9Ff0dmeaabaqaciaacaGaaeqa baqabeGadaaakqaaceqaaiabes7aKnaaDaaaleaacGaJaoysaiaadM eaaeaacaWGTbGaey4kaSIaamiCaiaacYcacaaMe8UaamyBaaaakiab g2da9maalaaabaGaaGOmamaaCaaaleqabaGaamiDaiabgUcaRmaabm aabaGaamyBaiabgUcaRiaadchaaiaawIcacaGLPaaacqGHsislcaWG RbaaaOWaaeWaaeaadaqadaqaaiaad2gacqGHRaWkcaWGWbaacaGLOa GaayzkaaGaey4kaSIaam4AaaGaayjkaiaawMcaaiaacgcaaeaacaaI YaWaaWbaaSqabeaacaWG0bGaey4kaSIaamyBaiabgkHiTiaadUgaaa Gcdaqadaqaaiaad2gacqGHRaWkcaWGRbaacaGLOaGaayzkaaGaaiyi aaaacqGH9aqpaeaacqGH9aqpcaaIYaWaaWbaaSqabeaacaWGWbaaaO WaaeWaaeaacaWGTbGaey4kaSIaam4AaiabgUcaRiaaigdaaiaawIca caGLPaaadaqadaqaaiaad2gacqGHRaWkcaWGRbGaey4kaSIaaGOmaa GaayjkaiaawMcaaiabgwSixlaac6cacaGGUaGaaiOlaiabgwSixpaa bmaabaGaamyBaiabgUcaRiaadUgacqGHRaWkcaWGWbaacaGLOaGaay zkaaGaeyypa0JaaGOmamaaCaaaleqabaGaamiCaaaakmaabmaabaGa amyBaiabgUcaRiaadUgacqGHRaWkcaWGWbaacaGLOaGaayzkaaWaaW baaSqabeaadaadaaqaaiaadchaaaaaaaaaaa@7F65@    (11)

С увеличением m на 1 при неизменном k для структуры типа III число способов построения СВК изменяется на величину:

  δ III m+1,m = 2 t+ m+1 2k m+1 +k ! 2 t ! 2 tk ! 2 k 2 t+m2k m+k ! 2 t ! 2 tk ! 2 k =2 m+k+1 MathType@MTEF@5@5@+= feaahGart1ev3aaatCvAUfeBSjuyZL2yd9gzLbvyNv2Caerbov2D09 MBdbqedmvETj2BSbqeeuuDJXwAKbsr4rNCHbGeaGqik8fkY=xipgYl h9vqqj=hEeeu0xXdi9arFj0xirFj0dXdbba91qpK0=yr0RYxfr=Jbb f9q8aq0=yq=He9q8qqQ8frFve9Fve9Ff0dmeaabaqaciaacaGaaeqa baqabeGadaaakeaacqaH0oazdaqhaaWcbaGaiWiGdMeacGaJaoysai aadMeaaeaacaWGTbGaey4kaSIaaGymaiaacYcacaaMe8UaamyBaaaa kiabg2da9maalaaabaGaaGOmamaaCaaaleqabaGaamiDaiabgUcaRm aabmaabaGaamyBaiabgUcaRiaaigdaaiaawIcacaGLPaaacqGHsisl caaIYaGaam4AaaaakmaabmaabaWaaeWaaeaacaWGTbGaey4kaSIaaG ymaaGaayjkaiaawMcaaiabgUcaRiaadUgaaiaawIcacaGLPaaacaGG HaWaaSaaaeaacaaIYaWaaWbaaSqabeaacaWG0baaaOGaaiyiaaqaam aabmaabaGaaGOmamaaCaaaleqabaGaamiDaiabgkHiTiaadUgaaaGc caGGHaaacaGLOaGaayzkaaWaaWbaaSqabeaacaaIYaWaaWbaaWqabe aacaWGRbaaaaaaaaaakeaacaaIYaWaaWbaaSqabeaacaWG0bGaey4k aSIaamyBaiabgkHiTiaaikdacaWGRbaaaOWaaeWaaeaacaWGTbGaey 4kaSIaam4AaaGaayjkaiaawMcaaiaacgcadaWcaaqaaiaaikdadaah aaWcbeqaaiaadshaaaGccaGGHaaabaWaaeWaaeaacaaIYaWaaWbaaS qabeaacaWG0bGaeyOeI0Iaam4AaaaakiaacgcaaiaawIcacaGLPaaa daahaaWcbeqaaiaaikdadaahaaadbeqaaiaadUgaaaaaaaaaaaGccq GH9aqpcaaIYaWaaeWaaeaacaWGTbGaey4kaSIaam4AaiabgUcaRiaa igdaaiaawIcacaGLPaaaaaa@782C@  (12)

С учетом полученных ранее закономерностей (см. формулу 9), установим, как меняется число вариантов построения СВК по структуре типа III с увеличением m на произвольную величину p MathType@MTEF@5@5@+= feaahGart1ev3aaatCvAUfeBSjuyZL2yd9gzLbvyNv2Caerbov2D09 MBdbqedmvETj2BSbqeeuuDJXwAKbsr4rNCHbGeaGqik8fkY=xipgYl h9vqqj=hEeeu0xXdi9arFj0xirFj0dXdbba91qpK0=yr0RYxfr=Jbb f9q8aq0=yq=He9q8qqQ8frFve9Fve9Ff0dmeaabaqaciaacaGaaeqa baqabeGadaaakeaacaWGWbGaeyicI4SaeSyfHukaaa@34EF@  при неизменном k.

δ III m+p,m = 2 t+ m+1 2k m+1 +k ! 2 t ! 2 tk ! 2 k 2 t+m2k m+k ! 2 t ! 2 tk ! 2 k = = 2 p m+k+p p MathType@MTEF@5@5@+= feaahGart1ev3aaatCvAUfeBSjuyZL2yd9gzLbvyNv2Caerbov2D09 MBdbqedmvETj2BSbqeeuuDJXwAKbsr4rNCHbGeaGqik8fkY=xipgYl h9vqqj=hEeeu0xXdi9arFj0xirFj0dXdbba91qpK0=yr0RYxfr=Jbb f9q8aq0=yq=He9q8qqQ8frFve9Fve9Ff0dmeaabaqaciaacaGaaeqa baqabeGadaaakqaabeqaaiabes7aKnaaDaaaleaacGaJaoysaiacmc 4GjbGaamysaaqaaiaad2gacqGHRaWkcaWGWbGaaiilaiaaysW7caWG TbaaaOGaeyypa0ZaaSaaaeaacaaIYaWaaWbaaSqabeaacaWG0bGaey 4kaSYaaeWaaeaacaWGTbGaey4kaSIaaGymaaGaayjkaiaawMcaaiab gkHiTiaaikdacaWGRbaaaOWaaeWaaeaadaqadaqaaiaad2gacqGHRa WkcaaIXaaacaGLOaGaayzkaaGaey4kaSIaam4AaaGaayjkaiaawMca aiaacgcadaWcaaqaaiaaikdadaahaaWcbeqaaiaadshaaaGccaGGHa aabaWaaeWaaeaacaaIYaWaaWbaaSqabeaacaWG0bGaeyOeI0Iaam4A aaaakiaacgcaaiaawIcacaGLPaaadaahaaWcbeqaaiaaikdadaahaa adbeqaaiaadUgaaaaaaaaaaOqaaiaaikdadaahaaWcbeqaaiaadsha cqGHRaWkcaWGTbGaeyOeI0IaaGOmaiaadUgaaaGcdaqadaqaaiaad2 gacqGHRaWkcaWGRbaacaGLOaGaayzkaaGaaiyiamaalaaabaGaaGOm amaaCaaaleqabaGaamiDaaaakiaacgcaaeaadaqadaqaaiaaikdada ahaaWcbeqaaiaadshacqGHsislcaWGRbaaaOGaaiyiaaGaayjkaiaa wMcaamaaCaaaleqabaGaaGOmamaaCaaameqabaGaam4Aaaaaaaaaaa aakiabg2da9aqaaiabg2da9iaaikdadaahaaWcbeqaaiaadchaaaGc daqadaqaaiaad2gacqGHRaWkcaWGRbGaey4kaSIaamiCaaGaayjkai aawMcaamaaCaaaleqabaGaamiCaaaaaaaa@7BFB@   (13)

Утверждение 2. При увеличении числа информационных символов при постоянном значении числа проверочных символов на величину p MathType@MTEF@5@5@+= feaahGart1ev3aaatCvAUfeBSjuyZL2yd9gzLbvyNv2Caerbov2D09 MBdbqedmvETj2BSbqeeuuDJXwAKbsr4rNCHbGeaGqik8fkY=xipgYl h9vqqj=hEeeu0xXdi9arFj0xirFj0dXdbba91qpK0=yr0RYxfr=Jbb f9q8aq0=yq=He9q8qqQ8frFve9Fve9Ff0dmeaabaqaciaacaGaaeqa baqabeGadaaakeaacaWGWbGaeyicI4SaeSyfHukaaa@34EF@  общее число способов построения СВК на основе ЛКС с применением заданного (m, k)-кода по структурам типа II и III увеличивается в 2 p m+k+p p ¯ MathType@MTEF@5@5@+= feaahGart1ev3aaatCvAUfeBSjuyZL2yd9gzLbvyNv2Caerbov2D09 MBdbqedmvETj2BSbqeeuuDJXwAKbsr4rNCHbGeaGqik8fkY=xipgYl h9vqqj=hEeeu0xXdi9arFj0xirFj0dXdbba91qpK0=yr0RYxfr=Jbb f9q8aq0=yq=He9q8qqQ8frFve9Fve9Ff0dmeaabaqaciaacaGaaeqa baqabeGadaaakeaacaaIYaWaaWbaaSqabeaacaWGWbaaaOWaaeWaae aacaWGTbGaey4kaSIaam4AaiabgUcaRiaadchaaiaawIcacaGLPaaa daahaaWcbeqaamaamaaabaGaamiCaaaaaaaaaa@3A48@  раз.

4.2. Свойства структур, проявляющиеся при увеличении числа выделяемых проверочных символов при постоянстве числа информационных символов

Рассмотрим, как меняется общее количество способов синтеза СВК на основе ЛКС с применением заданного (m, k)-кода в случае изменения числа выделяемых проверочных символов при постоянстве числа информационных символов.

Анализ (7)–(9) приводит к следующему умозаключению.

Утверждение 3. При увеличении числа проверочных символов при постоянном значении числа информационных символов на величину p MathType@MTEF@5@5@+= feaahGart1ev3aaatCvAUfeBSjuyZL2yd9gzLbvyNv2Caerbov2D09 MBdbqedmvETj2BSbqeeuuDJXwAKbsr4rNCHbGeaGqik8fkY=xipgYl h9vqqj=hEeeu0xXdi9arFj0xirFj0dXdbba91qpK0=yr0RYxfr=Jbb f9q8aq0=yq=He9q8qqQ8frFve9Fve9Ff0dmeaabaqaciaacaGaaeqa baqabeGadaaakeaacaWGWbGaeyicI4SaeSyfHukaaa@34EF@  общее число способов построения СВК на основе ЛКС с применением заданного (m, k)-кода по структуре типа I увеличивается в m+k+p p ¯ MathType@MTEF@5@5@+= feaahGart1ev3aaatCvAUfeBSjuyZL2yd9gzLbvyNv2Caerbov2D09 MBdbqedmvETj2BSbqeeuuDJXwAKbsr4rNCHbGeaGqik8fkY=xipgYl h9vqqj=hEeeu0xXdi9arFj0xirFj0dXdbba91qpK0=yr0RYxfr=Jbb f9q8aq0=yq=He9q8qqQ8frFve9Fve9Ff0dmeaabaqaciaacaGaaeqa baqabeGadaaakeaadaqadaqaaiaad2gacqGHRaWkcaWGRbGaey4kaS IaamiCaaGaayjkaiaawMcaamaaCaaaleqabaWaaWaaaeaacaWGWbaa aaaaaaa@3860@   раз.

Установим, как меняется число вариантов построения СВК по структуре типа II с увеличением k на произвольную величину p MathType@MTEF@5@5@+= feaahGart1ev3aaatCvAUfeBSjuyZL2yd9gzLbvyNv2Caerbov2D09 MBdbqedmvETj2BSbqeeuuDJXwAKbsr4rNCHbGeaGqik8fkY=xipgYl h9vqqj=hEeeu0xXdi9arFj0xirFj0dXdbba91qpK0=yr0RYxfr=Jbb f9q8aq0=yq=He9q8qqQ8frFve9Fve9Ff0dmeaabaqaciaacaGaaeqa baqabeGadaaakeaacaWGWbGaeyicI4SaeSyfHukaaa@34EF@  при неизменном m:

  δ II k+p,k = 2 t+m k+p m+ k+p ! 2 t+mk m+k ! = = 2 p m+k+1 m+k+2 ... m+k+p = 2 p m+k+p p ¯ MathType@MTEF@5@5@+= feaahGart1ev3aaatCvAUfeBSjuyZL2yd9gzLbvyNv2Caerbov2D09 MBdbqedmvETj2BSbqeeuuDJXwAKbsr4rNCHbGeaGqik8fkY=xipgYl h9vqqj=hEeeu0xXdi9arFj0xirFj0dXdbba91qpK0=yr0RYxfr=Jbb f9q8aq0=yq=He9q8qqQ8frFve9Fve9Ff0dmeaabaqaciaacaGaaeqa baqabeGadaaakqaaceqaaiabes7aKnaaDaaaleaacGaJaoysaiaadM eaaeaacaWGRbGaey4kaSIaamiCaiaacYcacaaMe8Uaam4Aaaaakiab g2da9maalaaabaGaaGOmamaaCaaaleqabaGaamiDaiabgUcaRiaad2 gacqGHsisldaqadaqaaiaadUgacqGHRaWkcaWGWbaacaGLOaGaayzk aaaaaOWaaeWaaeaacaWGTbGaey4kaSYaaeWaaeaacaWGRbGaey4kaS IaamiCaaGaayjkaiaawMcaaaGaayjkaiaawMcaaiaacgcaaeaacaaI YaWaaWbaaSqabeaacaWG0bGaey4kaSIaamyBaiabgkHiTiaadUgaaa Gcdaqadaqaaiaad2gacqGHRaWkcaWGRbaacaGLOaGaayzkaaGaaiyi aaaacqGH9aqpaeaacqGH9aqpcaaIYaWaaWbaaSqabeaacqGHsislca WGWbaaaOWaaeWaaeaacaWGTbGaey4kaSIaam4AaiabgUcaRiaaigda aiaawIcacaGLPaaadaqadaqaaiaad2gacqGHRaWkcaWGRbGaey4kaS IaaGOmaaGaayjkaiaawMcaaiabgwSixlaac6cacaGGUaGaaiOlaiab gwSixpaabmaabaGaamyBaiabgUcaRiaadUgacqGHRaWkcaWGWbaaca GLOaGaayzkaaGaeyypa0JaaGOmamaaCaaaleqabaGaeyOeI0IaamiC aaaakmaabmaabaGaamyBaiabgUcaRiaadUgacqGHRaWkcaWGWbaaca GLOaGaayzkaaWaaWbaaSqabeaadaadaaqaaiaadchaaaaaaaaaaa@813B@    (14)

Выражение (14) доказывает следующее положение:

Утверждение 4. При увеличении числа проверочных символов при постоянном значении числа информационных символов на величину p MathType@MTEF@5@5@+= feaahGart1ev3aaatCvAUfeBSjuyZL2yd9gzLbvyNv2Caerbov2D09 MBdbqedmvETj2BSbqeeuuDJXwAKbsr4rNCHbGeaGqik8fkY=xipgYl h9vqqj=hEeeu0xXdi9arFj0xirFj0dXdbba91qpK0=yr0RYxfr=Jbb f9q8aq0=yq=He9q8qqQ8frFve9Fve9Ff0dmeaabaqaciaacaGaaeqa baqabeGadaaakeaacaWGWbGaeyicI4SaeSyfHukaaa@34EF@  общее число способов построения СВК на основе ЛКС с применением заданного (m, k)-кода по структуре типа II изменяется в 2 p m+k+p p ¯ MathType@MTEF@5@5@+= feaahGart1ev3aaatCvAUfeBSjuyZL2yd9gzLbvyNv2Caerbov2D09 MBdbqedmvETj2BSbqeeuuDJXwAKbsr4rNCHbGeaGqik8fkY=xipgYl h9vqqj=hEeeu0xXdi9arFj0xirFj0dXdbba91qpK0=yr0RYxfr=Jbb f9q8aq0=yq=He9q8qqQ8frFve9Fve9Ff0dmeaabaqaciaacaGaaeqa baqabeGadaaakeaacaaIYaWaaWbaaSqabeaacqGHsislcaWGWbaaaO WaaeWaaeaacaWGTbGaey4kaSIaam4AaiabgUcaRiaadchaaiaawIca caGLPaaadaahaaWcbeqaamaamaaabaGaamiCaaaaaaaaaa@3B35@  раз.

Пользуясь (6), найдем, как меняется число вариантов построения СВК по структуре типа III с увеличением k на произвольную величину p MathType@MTEF@5@5@+= feaahGart1ev3aaatCvAUfeBSjuyZL2yd9gzLbvyNv2Caerbov2D09 MBdbqedmvETj2BSbqeeuuDJXwAKbsr4rNCHbGeaGqik8fkY=xipgYl h9vqqj=hEeeu0xXdi9arFj0xirFj0dXdbba91qpK0=yr0RYxfr=Jbb f9q8aq0=yq=He9q8qqQ8frFve9Fve9Ff0dmeaabaqaciaacaGaaeqa baqabeGadaaakeaacaWGWbGaeyicI4SaeSyfHukaaa@34EF@  при неизменном m:

   δ III k+p,k = 2 t+m2 k+p m+ k+p ! 2 t ! 2 t k+p ! 2 k+p 2 t+m2k m+k ! 2 t ! 2 tk ! 2 k = = 2 2p m+k+p p ¯ 2 tk ! 2 k 2 t k+p ! 2 k+p = 2 tk ! 2 k m+k+p p ¯ 4 p 2 tkp ! 2 k+p MathType@MTEF@5@5@+= feaahGart1ev3aaatCvAUfeBSjuyZL2yd9gzLbvyNv2Caerbov2D09 MBdbqedmvETj2BSbqeeuuDJXwAKbsr4rNCHbGeaGqik8fkY=xipgYl h9vqqj=hEeeu0xXdi9arFj0xirFj0dXdbba91qpK0=yr0RYxfr=Jbb f9q8aq0=yq=He9q8qqQ8frFve9Fve9Ff0dmeaabaqaciaacaGaaeqa baqabeGadaaakqaaceqaaiabes7aKnaaDaaaleaacGaJaoysaiacmc 4GjbGaamysaaqaaiaadUgacqGHRaWkcaWGWbGaaiilaiaaysW7caWG RbaaaOGaeyypa0ZaaSaaaeaacaaIYaWaaWbaaSqabeaacaWG0bGaey 4kaSIaamyBaiabgkHiTiaaikdadaqadaqaaiaadUgacqGHRaWkcaWG WbaacaGLOaGaayzkaaaaaOWaaeWaaeaacaWGTbGaey4kaSYaaeWaae aacaWGRbGaey4kaSIaamiCaaGaayjkaiaawMcaaaGaayjkaiaawMca aiaacgcadaWcaaqaaiaaikdadaahaaWcbeqaaiaadshaaaGccaGGHa aabaWaaeWaaeaacaaIYaWaaWbaaSqabeaacaWG0bGaeyOeI0YaaeWa aeaacaWGRbGaey4kaSIaamiCaaGaayjkaiaawMcaaaaakiaacgcaai aawIcacaGLPaaadaahaaWcbeqaaiaaikdadaahaaadbeqaaiaadUga cqGHRaWkcaWGWbaaaaaaaaaakeaacaaIYaWaaWbaaSqabeaacaWG0b Gaey4kaSIaamyBaiabgkHiTiaaikdacaWGRbaaaOWaaeWaaeaacaWG TbGaey4kaSIaam4AaaGaayjkaiaawMcaaiaacgcadaWcaaqaaiaaik dadaahaaWcbeqaaiaadshaaaGccaGGHaaabaWaaeWaaeaacaaIYaWa aWbaaSqabeaacaWG0bGaeyOeI0Iaam4AaaaakiaacgcaaiaawIcaca GLPaaadaahaaWcbeqaaiaaikdadaahaaadbeqaaiaadUgaaaaaaaaa aaGccqGH9aqpaeaacqGH9aqpcaaIYaWaaWbaaSqabeaacqGHsislca aIYaGaamiCaaaakmaabmaabaGaamyBaiabgUcaRiaadUgacqGHRaWk caWGWbaacaGLOaGaayzkaaWaaWbaaSqabeaadaadaaqaaiaadchaaa aaaOWaaSaaaeaadaqadaqaaiaaikdadaahaaWcbeqaaiaadshacqGH sislcaWGRbaaaOGaaiyiaaGaayjkaiaawMcaamaaCaaaleqabaGaaG OmamaaCaaameqabaGaam4Aaaaaaaaakeaadaqadaqaaiaaikdadaah aaWcbeqaaiaadshacqGHsisldaqadaqaaiaadUgacqGHRaWkcaWGWb aacaGLOaGaayzkaaaaaOGaaiyiaaGaayjkaiaawMcaamaaCaaaleqa baGaaGOmamaaCaaameqabaGaam4AaiabgUcaRiaadchaaaaaaaaaki abg2da9maalaaabaWaaeWaaeaacaaIYaWaaWbaaSqabeaacaWG0bGa eyOeI0Iaam4AaaaakiaacgcaaiaawIcacaGLPaaadaahaaWcbeqaai aaikdadaahaaadbeqaaiaadUgaaaaaaOWaaeWaaeaacaWGTbGaey4k aSIaam4AaiabgUcaRiaadchaaiaawIcacaGLPaaadaahaaWcbeqaam aamaaabaGaamiCaaaaaaaakeaacaaI0aWaaWbaaSqabeaacaWGWbaa aOWaaeWaaeaacaaIYaWaaWbaaSqabeaacaWG0bGaeyOeI0Iaam4Aai abgkHiTiaadchaaaGccaGGHaaacaGLOaGaayzkaaWaaWbaaSqabeaa caaIYaWaaWbaaWqabeaacaWGRbGaey4kaSIaamiCaaaaaaaaaaaaaa@B6DC@   (15)

Выражение (15) приводит к такому положению:

Утверждение 5. При увеличении числа проверочных символов при постоянном значении числа информационных символов на величину p MathType@MTEF@5@5@+= feaahGart1ev3aaatCvAUfeBSjuyZL2yd9gzLbvyNv2Caerbov2D09 MBdbqedmvETj2BSbqeeuuDJXwAKbsr4rNCHbGeaGqik8fkY=xipgYl h9vqqj=hEeeu0xXdi9arFj0xirFj0dXdbba91qpK0=yr0RYxfr=Jbb f9q8aq0=yq=He9q8qqQ8frFve9Fve9Ff0dmeaabaqaciaacaGaaeqa baqabeGadaaakeaacaWGWbGaeyicI4SaeSyfHukaaa@34EF@  общее число способов построения СВК на основе ЛКС с применением заданного (m, k)-кода по структуре типа III изменяется в

  2 tk ! 2 k m+k+p p ¯ 4 p 2 tkp ! 2 k+p MathType@MTEF@5@5@+= feaahGart1ev3aaatCvAUfeBSjuyZL2yd9gzLbvyNv2Caerbov2D09 MBdbqedmvETj2BSbqeeuuDJXwAKbsr4rNCHbGeaGqik8fkY=xipgYl h9vqqj=hEeeu0xXdi9arFj0xirFj0dXdbba91qpK0=yr0RYxfr=Jbb f9q8aq0=yq=He9q8qqQ8frFve9Fve9Ff0dmeaabaqaciaacaGaaeqa baqabeGadaaakeaadaWcaaqaamaabmaabaGaaGOmamaaCaaaleqaba GaamiDaiabgkHiTiaadUgaaaGccaGGHaaacaGLOaGaayzkaaWaaWba aSqabeaacaaIYaWaaWbaaWqabeaacaWGRbaaaaaakmaabmaabaGaam yBaiabgUcaRiaadUgacqGHRaWkcaWGWbaacaGLOaGaayzkaaWaaWba aSqabeaadaadaaqaaiaadchaaaaaaaGcbaGaaGinamaaCaaaleqaba GaamiCaaaakmaabmaabaGaaGOmamaaCaaaleqabaGaamiDaiabgkHi TiaadUgacqGHsislcaWGWbaaaOGaaiyiaaGaayjkaiaawMcaamaaCa aaleqabaGaaGOmamaaCaaameqabaGaam4AaiabgUcaRiaadchaaaaa aaaaaaa@4E23@  раз.

Отметим, что могут быть установлены аналогичные свойства структур типов I, II и III, проявляющиеся при увеличении числа проверочных символов при постоянстве числа информационных символов (m, k)-кода, а также проявляющиеся при изменении как чисел m, так и k.

4.3. Сравнение числа способов синтеза СВК на основе структур различных типов

Найдем отношение величины NII к NI:

χ II,I = N II N I = 2 t+mk m+k ! m+k ! = 2 t+mk MathType@MTEF@5@5@+= feaahGart1ev3aaatCvAUfeBSjuyZL2yd9gzLbvyNv2Caerbov2D09 MBdbqedmvETj2BSbqeeuuDJXwAKbsr4rNCHbGeaGqik8fkY=xipgYl h9vqqj=hEeeu0xXdi9arFj0xirFj0dXdbba91qpK0=yr0RYxfr=Jbb f9q8aq0=yq=He9q8qqQ8frFve9Fve9Ff0dmeaabaqaciaacaGaaeqa baqabeGadaaakeaacqaHhpWydaWgaaWcbaGaamysaiaadMeacaGGSa GaaGjbVlaadMeaaeqaaOGaeyypa0ZaaSaaaeaacaWGobWaaSbaaSqa aiaadMeacaWGjbaabeaaaOqaaiaad6eadaWgaaWcbaGaamysaaqaba aaaOGaeyypa0ZaaSaaaeaacaaIYaWaaWbaaSqabeaacaWG0bGaey4k aSIaamyBaiabgkHiTiaadUgaaaGcdaqadaqaaiaad2gacqGHRaWkca WGRbaacaGLOaGaayzkaaGaaiyiaaqaamaabmaabaGaamyBaiabgUca RiaadUgaaiaawIcacaGLPaaacaGGHaaaaiabg2da9iaaikdadaahaa WcbeqaaiaadshacqGHRaWkcaWGTbGaeyOeI0Iaam4Aaaaaaaa@5460@               (16)

Выражение (16) доказывает следующее положение:

Утверждение 6. Общее число способов построения СВК на основе ЛКС с применением заданного (m, k)-кода по структуре типа II для одних и тех же t, m и k больше в 2 t+mk MathType@MTEF@5@5@+= feaahGart1ev3aaatCvAUfeBSjuyZL2yd9gzLbvyNv2Caerbov2D09 MBdbqedmvETj2BSbqeeuuDJXwAKbsr4rNCHbGeaGqik8fkY=xipgYl h9vqqj=hEeeu0xXdi9arFj0xirFj0dXdbba91qpK0=yr0RYxfr=Jbb f9q8aq0=yq=He9q8qqQ8frFve9Fve9Ff0dmeaabaqaciaacaGaaeqa baqabeGadaaakeaacaaIYaWaaWbaaSqabeaacaWG0bGaey4kaSIaam yBaiabgkHiTiaadUgaaaaaaa@369D@  раз, чем аналогичное число для структуры типа I.

Найдем отношение величины NIII к NI:  

   χ III,I = N III N I = 2 t+m2k m+k ! 2 t ! 2 tk ! 2 k m+k ! = 2 t+m2k 2 t ! 2 tk ! 2 k MathType@MTEF@5@5@+= feaahGart1ev3aaatCvAUfeBSjuyZL2yd9gzLbvyNv2Caerbov2D09 MBdbqedmvETj2BSbqeeuuDJXwAKbsr4rNCHbGeaGqik8fkY=xipgYl h9vqqj=hEeeu0xXdi9arFj0xirFj0dXdbba91qpK0=yr0RYxfr=Jbb f9q8aq0=yq=He9q8qqQ8frFve9Fve9Ff0dmeaabaqaciaacaGaaeqa baqabeGadaaakeaacqaHhpWydaWgaaWcbaGaamysaiaadMeacaWGjb GaaiilaiaaysW7caWGjbaabeaakiabg2da9maalaaabaGaamOtamaa BaaaleaacaWGjbGaamysaiaadMeaaeqaaaGcbaGaamOtamaaBaaale aacaWGjbaabeaaaaGccqGH9aqpdaWcaaqaaiaaikdadaahaaWcbeqa aiaadshacqGHRaWkcaWGTbGaeyOeI0IaaGOmaiaadUgaaaGcdaqada qaaiaad2gacqGHRaWkcaWGRbaacaGLOaGaayzkaaGaaiyiamaalaaa baGaaGOmamaaCaaaleqabaGaamiDaaaakiaacgcaaeaadaqadaqaai aaikdadaahaaWcbeqaaiaadshacqGHsislcaWGRbaaaOGaaiyiaaGa ayjkaiaawMcaamaaCaaaleqabaGaaGOmamaaCaaameqabaGaam4Aaa aaaaaaaaGcbaWaaeWaaeaacaWGTbGaey4kaSIaam4AaaGaayjkaiaa wMcaaiaacgcaaaGaeyypa0JaaGOmamaaCaaaleqabaGaamiDaiabgU caRiaad2gacqGHsislcaaIYaGaam4AaaaakmaalaaabaGaaGOmamaa CaaaleqabaGaamiDaaaakiaacgcaaeaadaqadaqaaiaaikdadaahaa WcbeqaaiaadshacqGHsislcaWGRbaaaOGaaiyiaaGaayjkaiaawMca amaaCaaaleqabaGaaGOmamaaCaaameqabaGaam4Aaaaaaaaaaaaa@6CC6@                          (17)

Конечное выражение в (17) свидетельствует о следующем:

Утверждение 7. Общее число способов построения СВК на основе ЛКС с применением заданного (m, k)-кода по структуре типа III для одних и тех же t, m и k больше в 2 t+m2k 2 t ! 2 tk ! 2 k MathType@MTEF@5@5@+= feaahGart1ev3aaatCvAUfeBSjuyZL2yd9gzLbvyNv2Caerbov2D09 MBdbqedmvETj2BSbqeeuuDJXwAKbsr4rNCHbGeaGqik8fkY=xipgYl h9vqqj=hEeeu0xXdi9arFj0xirFj0dXdbba91qpK0=yr0RYxfr=Jbb f9q8aq0=yq=He9q8qqQ8frFve9Fve9Ff0dmeaabaqaciaacaGaaeqa baqabeGadaaakeaacaaIYaWaaWbaaSqabeaacaWG0bGaey4kaSIaam yBaiabgkHiTiaaikdacaWGRbaaaOWaaSaaaeaacaaIYaWaaWbaaSqa beaacaWG0baaaOGaaiyiaaqaamaabmaabaGaaGOmamaaCaaaleqaba GaamiDaiabgkHiTiaadUgaaaGccaGGHaaacaGLOaGaayzkaaWaaWba aSqabeaacaaIYaWaaWbaaWqabeaacaWGRbaaaaaaaaaaaa@4202@  раз, чем аналогичное число для структуры типа I.

И, наконец, найдем отношение величины NIII к NII:

    χ III,II = N III N II = 2 t+m2k m+k ! 2 t ! 2 tk ! 2 k 2 t+mk m+k ! = 2 k 2 t ! 2 tk ! 2 k MathType@MTEF@5@5@+= feaahGart1ev3aaatCvAUfeBSjuyZL2yd9gzLbvyNv2Caerbov2D09 MBdbqedmvETj2BSbqeeuuDJXwAKbsr4rNCHbGeaGqik8fkY=xipgYl h9vqqj=hEeeu0xXdi9arFj0xirFj0dXdbba91qpK0=yr0RYxfr=Jbb f9q8aq0=yq=He9q8qqQ8frFve9Fve9Ff0dmeaabaqaciaacaGaaeqa baqabeGadaaakeaacqaHhpWydaWgaaWcbaGaamysaiaadMeacaWGjb GaaiilaiaaysW7caWGjbGaamysaaqabaGccqGH9aqpdaWcaaqaaiaa d6eadaWgaaWcbaGaamysaiaadMeacaWGjbaabeaaaOqaaiaad6eada WgaaWcbaGaamysaiaadMeaaeqaaaaakiabg2da9maalaaabaGaaGOm amaaCaaaleqabaGaamiDaiabgUcaRiaad2gacqGHsislcaaIYaGaam 4AaaaakmaabmaabaGaamyBaiabgUcaRiaadUgaaiaawIcacaGLPaaa caGGHaWaaSaaaeaacaaIYaWaaWbaaSqabeaacaWG0baaaOGaaiyiaa qaamaabmaabaGaaGOmamaaCaaaleqabaGaamiDaiabgkHiTiaadUga aaGccaGGHaaacaGLOaGaayzkaaWaaWbaaSqabeaacaaIYaWaaWbaaW qabeaacaWGRbaaaaaaaaaakeaacaaIYaWaaWbaaSqabeaacaWG0bGa ey4kaSIaamyBaiabgkHiTiaadUgaaaGcdaqadaqaaiaad2gacqGHRa WkcaWGRbaacaGLOaGaayzkaaGaaiyiaaaacqGH9aqpcaaIYaWaaWba aSqabeaacqGHsislcaWGRbaaaOWaaSaaaeaacaaIYaWaaWbaaSqabe aacaWG0baaaOGaaiyiaaqaamaabmaabaGaaGOmamaaCaaaleqabaGa amiDaiabgkHiTiaadUgaaaGccaGGHaaacaGLOaGaayzkaaWaaWbaaS qabeaacaaIYaWaaWbaaWqabeaacaWGRbaaaaaaaaaaaa@7076@     (18)

Становится ясным следующее:

Утверждение 8. Общее число способов построения СВК на основе ЛКС с применением заданного (m, k)-кода по структуре типа III для одних и тех же t, m и k больше в

  2 k 2 t ! 2 tk ! 2 k MathType@MTEF@5@5@+= feaahGart1ev3aaatCvAUfeBSjuyZL2yd9gzLbvyNv2Caerbov2D09 MBdbqedmvETj2BSbqeeuuDJXwAKbsr4rNCHbGeaGqik8fkY=xipgYl h9vqqj=hEeeu0xXdi9arFj0xirFj0dXdbba91qpK0=yr0RYxfr=Jbb f9q8aq0=yq=He9q8qqQ8frFve9Fve9Ff0dmeaabaqaciaacaGaaeqa baqabeGadaaakeaacaaIYaWaaWbaaSqabeaacqGHsislcaWGRbaaaO WaaSaaaeaacaaIYaWaaWbaaSqabeaacaWG0baaaOGaaiyiaaqaamaa bmaabaGaaGOmamaaCaaaleqabaGaamiDaiabgkHiTiaadUgaaaGcca GGHaaacaGLOaGaayzkaaWaaWbaaSqabeaacaaIYaWaaWbaaWqabeaa caWGRbaaaaaaaaaaaa@3E79@ раз, чем аналогичное число для структуры типа II.

Установим, как изменяется значение χΙΙ, Ι c увеличением m на 1:

   χ II,I m,m+1 = 2 t+ m+1 k 2 t+mk =2 MathType@MTEF@5@5@+= feaahGart1ev3aaatCvAUfeBSjuyZL2yd9gzLbvyNv2Caerbov2D09 MBdbqedmvETj2BSbqeeuuDJXwAKbsr4rNCHbGeaGqik8fkY=xipgYl h9vqqj=hEeeu0xXdi9arFj0xirFj0dXdbba91qpK0=yr0RYxfr=Jbb f9q8aq0=yq=He9q8qqQ8frFve9Fve9Ff0dmeaabaqaciaacaGaaeqa baqabeGadaaakeaacqaHhpWydaqhaaWcbaGaamysaiaadMeacaGGSa GaaGjbVlaadMeaaeaacaWGTbGaaiilaiaaysW7caWGTbGaey4kaSIa aGymaaaakiabg2da9maalaaabaGaaGOmamaaCaaaleqabaGaamiDai abgUcaRmaabmaabaGaamyBaiabgUcaRiaaigdaaiaawIcacaGLPaaa cqGHsislcaWGRbaaaaGcbaGaaGOmamaaCaaaleqabaGaamiDaiabgU caRiaad2gacqGHsislcaWGRbaaaaaakiabg2da9iaaikdaaaa@4E95@           (19)

Обобщим результат и определим, как изменяется значение χΙΙ, Ι c увеличением m на произвольное q MathType@MTEF@5@5@+= feaahGart1ev3aaatCvAUfeBSjuyZL2yd9gzLbvyNv2Caerbov2D09 MBdbqedmvETj2BSbqeeuuDJXwAKbsr4rNCHbGeaGqik8fkY=xipgYl h9vqqj=hEeeu0xXdi9arFj0xirFj0dXdbba91qpK0=yr0RYxfr=Jbb f9q8aq0=yq=He9q8qqQ8frFve9Fve9Ff0dmeaabaqaciaacaGaaeqa baqabeGadaaakeaacaWGXbGaeyicI4SaeSyfHukaaa@34F0@ :

χ II,I m,m+q = 2 t+ m+q k 2 t+mk = 2 q MathType@MTEF@5@5@+= feaahGart1ev3aaatCvAUfeBSjuyZL2yd9gzLbvyNv2Caerbov2D09 MBdbqedmvETj2BSbqeeuuDJXwAKbsr4rNCHbGeaGqik8fkY=xipgYl h9vqqj=hEeeu0xXdi9arFj0xirFj0dXdbba91qpK0=yr0RYxfr=Jbb f9q8aq0=yq=He9q8qqQ8frFve9Fve9Ff0dmeaabaqaciaacaGaaeqa baqabeGadaaakeaacqaHhpWydaqhaaWcbaGaamysaiaadMeacaGGSa GaaGjbVlaadMeaaeaacaWGTbGaaiilaiaaysW7caWGTbGaey4kaSIa amyCaaaakiabg2da9maalaaabaGaaGOmamaaCaaaleqabaGaamiDai abgUcaRmaabmaabaGaamyBaiabgUcaRiaadghaaiaawIcacaGLPaaa cqGHsislcaWGRbaaaaGcbaGaaGOmamaaCaaaleqabaGaamiDaiabgU caRiaad2gacqGHsislcaWGRbaaaaaakiabg2da9iaaikdadaahaaWc beqaaiaadghaaaaaaa@502E@    (20)

Аналогично определим, как изменяется значение χΙΙΙ, Ι c увеличением m на 1:

   χ III,I m,m+1 = 2 t+ m+1 2k 2 t ! 2 tk ! 2 k 2 t+m2k 2 t ! 2 tk ! 2 k =2 MathType@MTEF@5@5@+= feaahGart1ev3aaatCvAUfeBSjuyZL2yd9gzLbvyNv2Caerbov2D09 MBdbqedmvETj2BSbqeeuuDJXwAKbsr4rNCHbGeaGqik8fkY=xipgYl h9vqqj=hEeeu0xXdi9arFj0xirFj0dXdbba91qpK0=yr0RYxfr=Jbb f9q8aq0=yq=He9q8qqQ8frFve9Fve9Ff0dmeaabaqaciaacaGaaeqa baqabeGadaaakeaacqaHhpWydaqhaaWcbaGaamysaiaadMeacaWGjb GaaiilaiaaysW7caWGjbaabaGaamyBaiaacYcacaaMe8UaamyBaiab gUcaRiaaigdaaaGccqGH9aqpdaWcaaqaaiaaikdadaahaaWcbeqaai aadshacqGHRaWkdaqadaqaaiaad2gacqGHRaWkcaaIXaaacaGLOaGa ayzkaaGaeyOeI0IaaGOmaiaadUgaaaGcdaWcaaqaaiaaikdadaahaa WcbeqaaiaadshaaaGccaGGHaaabaWaaeWaaeaacaaIYaWaaWbaaSqa beaacaWG0bGaeyOeI0Iaam4AaaaakiaacgcaaiaawIcacaGLPaaada ahaaWcbeqaaiaaikdadaahaaadbeqaaiaadUgaaaaaaaaaaOqaaiaa ikdadaahaaWcbeqaaiaadshacqGHRaWkcaWGTbGaeyOeI0IaaGOmai aadUgaaaGcdaWcaaqaaiaaikdadaahaaWcbeqaaiaadshaaaGccaGG HaaabaWaaeWaaeaacaaIYaWaaWbaaSqabeaacaWG0bGaeyOeI0Iaam 4AaaaakiaacgcaaiaawIcacaGLPaaadaahaaWcbeqaaiaaikdadaah aaadbeqaaiaadUgaaaaaaaaaaaGccqGH9aqpcaaIYaaaaa@662D@        (21)

Обобщим результат и определим, как изменяется значение cIII, I c увеличением m на произвольное q MathType@MTEF@5@5@+= feaahGart1ev3aaatCvAUfeBSjuyZL2yd9gzLbvyNv2Caerbov2D09 MBdbqedmvETj2BSbqeeuuDJXwAKbsr4rNCHbGeaGqik8fkY=xipgYl h9vqqj=hEeeu0xXdi9arFj0xirFj0dXdbba91qpK0=yr0RYxfr=Jbb f9q8aq0=yq=He9q8qqQ8frFve9Fve9Ff0dmeaabaqaciaacaGaaeqa baqabeGadaaakeaacaWGXbGaeyicI4SaeSyfHukaaa@34F0@ :

   χ III,I m,m+q = 2 t+ m+q 2k 2 t ! 2 tk ! 2 k 2 t+m2k 2 t ! 2 tk ! 2 k = 2 q MathType@MTEF@5@5@+= feaahGart1ev3aaatCvAUfeBSjuyZL2yd9gzLbvyNv2Caerbov2D09 MBdbqedmvETj2BSbqeeuuDJXwAKbsr4rNCHbGeaGqik8fkY=xipgYl h9vqqj=hEeeu0xXdi9arFj0xirFj0dXdbba91qpK0=yr0RYxfr=Jbb f9q8aq0=yq=He9q8qqQ8frFve9Fve9Ff0dmeaabaqaciaacaGaaeqa baqabeGadaaakeaacqaHhpWydaqhaaWcbaGaamysaiaadMeacaWGjb GaaiilaiaaysW7caWGjbaabaGaamyBaiaacYcacaaMe8UaamyBaiab gUcaRiaadghaaaGccqGH9aqpdaWcaaqaaiaaikdadaahaaWcbeqaai aadshacqGHRaWkdaqadaqaaiaad2gacqGHRaWkcaWGXbaacaGLOaGa ayzkaaGaeyOeI0IaaGOmaiaadUgaaaGcdaWcaaqaaiaaikdadaahaa WcbeqaaiaadshaaaGccaGGHaaabaWaaeWaaeaacaaIYaWaaWbaaSqa beaacaWG0bGaeyOeI0Iaam4AaaaakiaacgcaaiaawIcacaGLPaaada ahaaWcbeqaaiaaikdadaahaaadbeqaaiaadUgaaaaaaaaaaOqaaiaa ikdadaahaaWcbeqaaiaadshacqGHRaWkcaWGTbGaeyOeI0IaaGOmai aadUgaaaGcdaWcaaqaaiaaikdadaahaaWcbeqaaiaadshaaaGccaGG HaaabaWaaeWaaeaacaaIYaWaaWbaaSqabeaacaWG0bGaeyOeI0Iaam 4AaaaakiaacgcaaiaawIcacaGLPaaadaahaaWcbeqaaiaaikdadaah aaadbeqaaiaadUgaaaaaaaaaaaGccqGH9aqpcaaIYaWaaWbaaSqabe aacaWGXbaaaaaa@67C6@     (22)

Из сравнения (20) и (22) следует, что при увеличении m на произвольное натуральное число q значения величин cII, I и cIII, I изменяются одинаково. Из (18) следует, что величина cIII, II c увеличением m на произвольное натуральное число q не меняется.

Утверждение 9. Величины cII, I и cIII, I не зависят от числа m и при увеличении на q изменяются одинаково в 2q раз.

Утверждение 10. Величина cIII, II не зависит от числа m и при увеличении на q не изменяется.

Отмеченные в настоящем разделе свойства структур типа I, II и III могут учитываться на практике при выборе способа организации СВК на основе ЛКС с применением заданного (m, k)-кода.

Учет числа способов реализации СВК на практике

Рассмотрим примеры применения полученных в исследовании зависимостей.

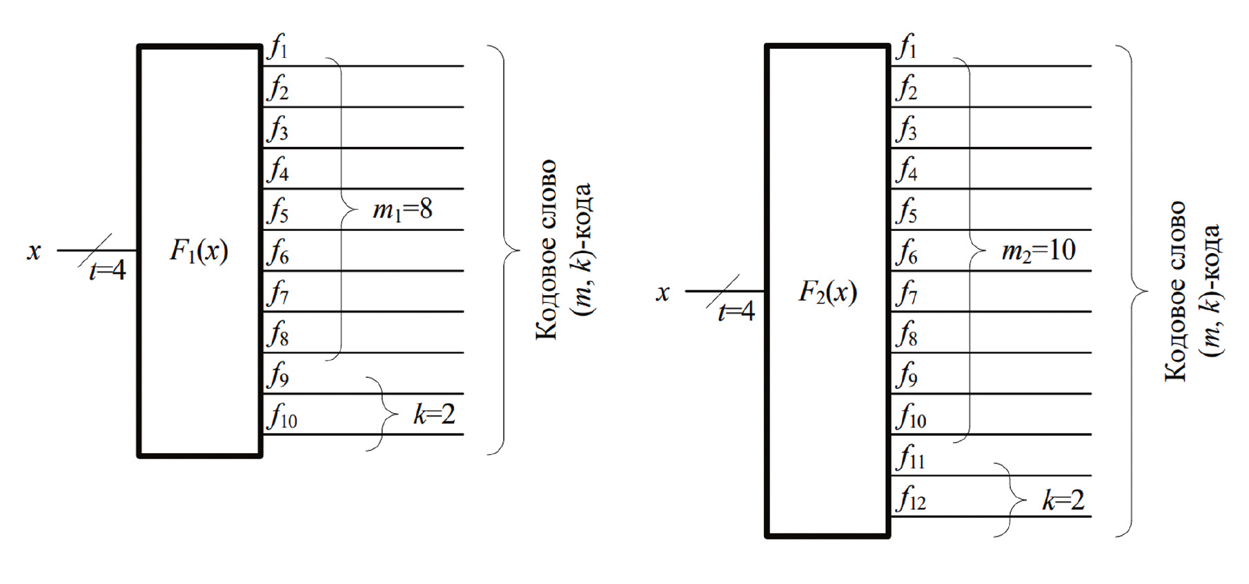
Пример1. Даны устройства F1(x) и F2(x) с одинаковым числом входов t = 4 и n1 = 10 и n2 = 12 выходами. Определить число способов организации СВК на основе ЛКС с применением (m, k)-кода, удовлетворяющего введенным ранее ограничениям, по структурам типа I, II и III при k = 2 и установить, во сколько раз больше способов построения СВК для устройства F2(x), чем для устройства F1(x), для каждой из структур.

Рассматриваемый пример можно дополнить рис. 2, где приведены устройства и их параметры.

 

Рис. 2. Заданные устройства F1(x) и F2(x).

 

Используем формулы (1), (2) и (6) и определим числа NI, NII, NIII для структур трех типов, организуемых для устройства F1(x):

      N II = 2 4+82 8+2 !=3715891200 MathType@MTEF@5@5@+= feaahGart1ev3aaatCvAUfeBSjuyZL2yd9gzLbvyNv2Caerbov2D09 MBdbqedmvETj2BSbqeeuuDJXwAKbsr4rNCHbGeaGqik8fkY=xipgYl h9vqqj=hEeeu0xXdi9arFj0xirFj0dXdbba91qpK0=yr0RYxfr=Jbb f9q8aq0=yq=He9q8qqQ8frFve9Fve9Ff0dmeaabaqaciaacaGaaeqa baqabeGadaaakeaacaWGobWaaSbaaSqaaiaadMeacaWGjbaabeaaki abg2da9iaaikdadaahaaWcbeqaaiaaisdacqGHRaWkcaaI4aGaeyOe I0IaaGOmaaaakmaabmaabaGaaGioaiabgUcaRiaaikdaaiaawIcaca GLPaaacaGGHaGaeyypa0deaaaaaaaaa8qacaaIZaGaaGjbVlaaiEda caaIXaGaaGynaiaaysW7caaI4aGaaGyoaiaaigdacaaMe8UaaGOmai aaicdacaaIWaaaaa@4B76@

   N I = 8+2 !=10!=3628800 MathType@MTEF@5@5@+= feaahGart1ev3aaatCvAUfeBSjuyZL2yd9gzLbvyNv2Caerbov2D09 MBdbqedmvETj2BSbqeeuuDJXwAKbsr4rNCHbGeaGqik8fkY=xipgYl h9vqqj=hEeeu0xXdi9arFj0xirFj0dXdbba91qpK0=yr0RYxfr=Jbb f9q8aq0=yq=He9q8qqQ8frFve9Fve9Ff0dmeaabaqaciaacaGaaeqa baqabeGadaaakeaacaWGobWaaSbaaSqaaiaadMeaaeqaaOGaeyypa0 ZaaeWaaeaacaaI4aGaey4kaSIaaGOmaaGaayjkaiaawMcaaiaacgca cqGH9aqpcaaIXaGaaGimaiaacgcacqGH9aqpqaaaaaaaaaWdbiaaio dacaaMe8UaaGOnaiaaikdacaaI4aGaaGjbVlaaiIdacaaIWaGaaGim aaaa@4506@

  N III = 2 4+822 8+2 ! 2 4 ! 2 42 ! 2 2 =58 583 811 686 400 000 MathType@MTEF@5@5@+= feaahGart1ev3aaatCvAUfeBSjuyZL2yd9gzLbvyNv2Caerbov2D09 MBdbqedmvETj2BSbqeeuuDJXwAKbsr4rNCHbGeaGqik8fkY=xipgYl h9vqqj=hEeeu0xXdi9arFj0xirFj0dXdbba91qpK0=yr0RYxfr=Jbb f9q8aq0=yq=He9q8qqQ8frFve9Fve9Ff0dmeaabaqaciaacaGaaeqa baqabeGadaaakeaacaWGobWaaSbaaSqaaiaadMeacaWGjbGaamysaa qabaGccqGH9aqpcaaIYaWaaWbaaSqabeaacaaI0aGaey4kaSIaaGio aiabgkHiTiaaikdacqGHflY1caaIYaaaaOWaaeWaaeaacaaI4aGaey 4kaSIaaGOmaaGaayjkaiaawMcaaiaacgcadaWcaaqaaiaaikdadaah aaWcbeqaaiaaisdaaaGccaGGHaaabaWaaeWaaeaacaaIYaWaaWbaaS qabeaacaaI0aGaeyOeI0IaaGOmaaaakiaacgcaaiaawIcacaGLPaaa daahaaWcbeqaaiaaikdadaahaaadbeqaaiaaikdaaaaaaaaakiabg2 da9abaaaaaaaaapeGaaGynaiaaiIdacaa5GcGaaGjbVlaaiwdacaaI 4aGaaG4maiaaKdkacaaMe8UaaGioaiaaigdacaaIXaGaaqoOaiaays W7caaI2aGaaGioaiaaiAdacaa5GcGaaGjbVlaaisdacaaIWaGaaGim aiaaKdkacaaMe8UaaGimaiaaicdacaaIWaaaaa@68FE@   

Аналогично для F2(x) имеем:

N I = 10+2 !=12!=479 001 600 MathType@MTEF@5@5@+= feaahGart1ev3aaatCvAUfeBSjuyZL2yd9gzLbvyNv2Caerbov2D09 MBdbqedmvETj2BSbqeeuuDJXwAKbsr4rNCHbGeaGqik8fkY=xipgYl h9vqqj=hEeeu0xXdi9arFj0xirFj0dXdbba91qpK0=yr0RYxfr=Jbb f9q8aq0=yq=He9q8qqQ8frFve9Fve9Ff0dmeaabaqaciaacaGaaeqa baqabeGadaaakeaacaWGobWaaSbaaSqaaiaadMeaaeqaaOGaeyypa0 ZaaeWaaeaacaaIXaGaaGimaiabgUcaRiaaikdaaiaawIcacaGLPaaa caGGHaGaeyypa0JaaGymaiaaikdacaGGHaGaeyypa0deaaaaaaaaa8 qacaaI0aGaaG4naiaaiMdacaa5GcGaaGjbVlaaicdacaaIWaGaaGym aiaaysW7caa5GcGaaGOnaiaaicdacaaIWaaaaa@4A3B@

N II = 2 4+102 10+2 !=1 961 990 553 600 MathType@MTEF@5@5@+= feaahGart1ev3aaatCvAUfeBSjuyZL2yd9gzLbvyNv2Caerbov2D09 MBdbqedmvETj2BSbqeeuuDJXwAKbsr4rNCHbGeaGqik8fkY=xipgYl h9vqqj=hEeeu0xXdi9arFj0xirFj0dXdbba91qpK0=yr0RYxfr=Jbb f9q8aq0=yq=He9q8qqQ8frFve9Fve9Ff0dmeaabaqaciaacaGaaeqa baqabeGadaaakeaacaWGobWaaSbaaSqaaiaadMeacaWGjbaabeaaki abg2da9iaaikdadaahaaWcbeqaaiaaisdacqGHRaWkcaaIXaGaaGim aiabgkHiTiaaikdaaaGcdaqadaqaaiaaigdacaaIWaGaey4kaSIaaG OmaaGaayjkaiaawMcaaiaacgcacqGH9aqpqaaaaaaaaaWdbiaaigda caa5GcGaaGjbVlaaiMdacaaI2aGaaGymaiaaKdkacaaMe8UaaGyoai aaiMdacaaIWaGaaqoOaiaaysW7caaI1aGaaGynaiaaiodacaa5GcGa aGjbVlaaiAdacaaIWaGaaGimaaaa@56C1@

N III = 2 4+1022 10+2 ! 2 4 ! 2 42 ! 2 2 =30 932 252 570 419 200 000 MathType@MTEF@5@5@+= feaahGart1ev3aaatCvAUfeBSjuyZL2yd9gzLbvyNv2Caerbov2D09 MBdbqedmvETj2BSbqeeuuDJXwAKbsr4rNCHbGeaGqik8fkY=xipgYl h9vqqj=hEeeu0xXdi9arFj0xirFj0dXdbba91qpK0=yr0RYxfr=Jbb f9q8aq0=yq=He9q8qqQ8frFve9Fve9Ff0dmeaabaqaciaacaGaaeqa baqabeGadaaakeaacaWGobWaaSbaaSqaaiaadMeacaWGjbGaamysaa qabaGccqGH9aqpcaaIYaWaaWbaaSqabeaacaaI0aGaey4kaSIaaGym aiaaicdacqGHsislcaaIYaGaeyyXICTaaGOmaaaakmaabmaabaGaaG ymaiaaicdacqGHRaWkcaaIYaaacaGLOaGaayzkaaGaaiyiamaalaaa baGaaGOmamaaCaaaleqabaGaaGinaaaakiaacgcaaeaadaqadaqaai aaikdadaahaaWcbeqaaiaaisdacqGHsislcaaIYaaaaOGaaiyiaaGa ayjkaiaawMcaamaaCaaaleqabaGaaGOmamaaCaaameqabaGaaGOmaa aaaaaaaOGaeyypa0deaaaaaaaaa8qacaaIZaGaaGimaiaaKdkacaaM e8UaaGyoaiaaiodacaaIYaGaaqoOaiaaysW7caaIYaGaaGynaiaaik dacaa5GcGaaGjbVlaaiwdacaaI3aGaaGimaiaaKdkacaaMe8UaaGin aiaaigdacaaI5aGaaqoOaiaaysW7caaIYaGaaGimaiaaicdacaa5Gc GaaGjbVlaaicdacaaIWaGaaGimaaaa@6F9C@

Читатель может найти те же данные в табл. 1–3.

С использованием формулы (8), найдем значение следующего выражения:

   δ I 10,8 = 8+2+2 2 ¯ = 8+2+1 8+2+2 =1112=132 MathType@MTEF@5@5@+= feaahGart1ev3aaatCvAUfeBSjuyZL2yd9gzLbvyNv2Caerbov2D09 MBdbqedmvETj2BSbqeeuuDJXwAKbsr4rNCHbGeaGqik8fkY=xipgYl h9vqqj=hEeeu0xXdi9arFj0xirFj0dXdbba91qpK0=yr0RYxfr=Jbb f9q8aq0=yq=He9q8qqQ8frFve9Fve9Ff0dmeaabaqaciaacaGaaeqa baqabeGadaaakeaacqaH0oazdaqhaaWcbaGaamysaaqaaiaaigdaca aIWaGaaiilaiaaysW7caaI4aaaaOGaeyypa0ZaaeWaaeaacaaI4aGa ey4kaSIaaGOmaiabgUcaRiaaikdaaiaawIcacaGLPaaadaahaaWcbe qaamaamaaabaGaaGOmaaaaaaGccqGH9aqpdaqadaqaaiaaiIdacqGH RaWkcaaIYaGaey4kaSIaaGymaaGaayjkaiaawMcaamaabmaabaGaaG ioaiabgUcaRiaaikdacqGHRaWkcaaIYaaacaGLOaGaayzkaaGaeyyp a0JaaGymaiaaigdacqGHflY1caaIXaGaaGOmaiabg2da9iaaigdaca aIZaGaaGOmaaaa@5542@

Далее используем (11) при p = 2:

   δ II 10,8 = 2 2 8+2+2 2 ¯ = 2 2 8+2+1 8+2+2 =41112=528 MathType@MTEF@5@5@+= feaahGart1ev3aaatCvAUfeBSjuyZL2yd9gzLbvyNv2Caerbov2D09 MBdbqedmvETj2BSbqeeuuDJXwAKbsr4rNCHbGeaGqik8fkY=xipgYl h9vqqj=hEeeu0xXdi9arFj0xirFj0dXdbba91qpK0=yr0RYxfr=Jbb f9q8aq0=yq=He9q8qqQ8frFve9Fve9Ff0dmeaabaqaciaacaGaaeqa baqabeGadaaakeaacqaH0oazdaqhaaWcbaGaiWiGdMeacaWGjbaaba GaaGymaiaaicdacaGGSaGaaGjbVlaaiIdaaaGccqGH9aqpcaaIYaWa aWbaaSqabeaacaaIYaaaaOWaaeWaaeaacaaI4aGaey4kaSIaaGOmai abgUcaRiaaikdaaiaawIcacaGLPaaadaahaaWcbeqaamaamaaabaGa aGOmaaaaaaGccqGH9aqpcaaIYaWaaWbaaSqabeaacaaIYaaaaOWaae WaaeaacaaI4aGaey4kaSIaaGOmaiabgUcaRiaaigdaaiaawIcacaGL PaaadaqadaqaaiaaiIdacqGHRaWkcaaIYaGaey4kaSIaaGOmaaGaay jkaiaawMcaaiabg2da9iaaisdacqGHflY1caaIXaGaaGymaiabgwSi xlaaigdacaaIYaGaeyypa0JaaGynaiaaikdacaaI4aaaaa@5D93@   

Формула (13) для рассматриваемого случая p = 2 дает аналогичный результат:

δ III 10,8 = 2 2 8+2+2 2 ¯ =528 MathType@MTEF@5@5@+= feaahGart1ev3aaatCvAUfeBSjuyZL2yd9gzLbvyNv2Caerbov2D09 MBdbqedmvETj2BSbqeeuuDJXwAKbsr4rNCHbGeaGqik8fkY=xipgYl h9vqqj=hEeeu0xXdi9arFj0xirFj0dXdbba91qpK0=yr0RYxfr=Jbb f9q8aq0=yq=He9q8qqQ8frFve9Fve9Ff0dmeaabaqaciaacaGaaeqa baqabeGadaaakeaacqaH0oazdaqhaaWcbaGaiWiGdMeacaWGjbGaam ysaaqaaiaaigdacaaIWaGaaiilaiaaysW7caaI4aaaaOGaeyypa0Ja aGOmamaaCaaaleqabaGaaGOmaaaakmaabmaabaGaaGioaiabgUcaRi aaikdacqGHRaWkcaaIYaaacaGLOaGaayzkaaWaaWbaaSqabeaadaad aaqaaiaaikdaaaaaaOGaeyypa0JaaGynaiaaikdacaaI4aaaaa@475A@

Пример 2. Дано устройство F(x) с числом входов t = 4 и выходов n = 16. Требуется установить число способов синтеза СВК на основе ЛКС по структурам всех трех типов с учетом контроля всех выходов на основе (m, k)-кода, удовлетворяющего введенным ранее ограничениям, при k = 2, а также при делении выходов на два подмножества одинаковой мощности и контроля каждого из них на основе аналогичных структур, а также определить, во сколько раз больше окажется число способов синтеза СВК в случае контроля всех выходов на основе одного кода.

Рассматриваемый пример можно проиллюстрировать рис. 3.

 

Рис. 3. Принцип организации контроля вычислений по рассматриваемому примеру.

 

Используем те же формулы (1), (2) и (6) и определим числа NI, NII, NIII для структур трех типов, организуемых для устройства F(x) при его контроле на основе заданного кода:

   N I = 14+2 !=16!=20922789888000 MathType@MTEF@5@5@+= feaahGart1ev3aaatCvAUfeBSjuyZL2yd9gzLbvyNv2Caerbov2D09 MBdbqedmvETj2BSbqeeuuDJXwAKbsr4rNCHbGeaGqik8fkY=xipgYl h9vqqj=hEeeu0xXdi9arFj0xirFj0dXdbba91qpK0=yr0RYxfr=Jbb f9q8aq0=yq=He9q8qqQ8frFve9Fve9Ff0dmeaabaqaciaacaGaaeqa baqabeGadaaakeaacaWGobWaaSbaaSqaaiaadMeaaeqaaOGaeyypa0 ZaaeWaaeaacaaIXaGaaGinaiabgUcaRiaaikdaaiaawIcacaGLPaaa caGGHaGaeyypa0JaaGymaiaaiAdacaGGHaGaeyypa0deaaaaaaaaa8 qacaaIYaGaaGimaiaaysW7caaI5aGaaGOmaiaaikdacaaMe8UaaG4n aiaaiIdacaaI5aGaaGjbVlaaiIdacaaI4aGaaGioaiaaysW7caaIWa GaaGimaiaaicdaaaa@4E17@

  N II = 2 4+142 14+2 !=1371195958099968000 MathType@MTEF@5@5@+= feaahGart1ev3aaatCvAUfeBSjuyZL2yd9gzLbvyNv2Caerbov2D09 MBdbqedmvETj2BSbqeeuuDJXwAKbsr4rNCHbGeaGqik8fkY=xipgYl h9vqqj=hEeeu0xXdi9arFj0xirFj0dXdbba91qpK0=yr0RYxfr=Jbb f9q8aq0=yq=He9q8qqQ8frFve9Fve9Ff0dmeaabaqaciaacaGaaeqa baqabeGadaaakeaacaWGobWaaSbaaSqaaiaadMeacaWGjbaabeaaki abg2da9iaaikdadaahaaWcbeqaaiaaisdacqGHRaWkcaaIXaGaaGin aiabgkHiTiaaikdaaaGcdaqadaqaaiaaigdacaaI0aGaey4kaSIaaG OmaaGaayjkaiaawMcaaiaacgcacqGH9aqpqaaaaaaaaaWdbiaaigda caaMe8UaaG4maiaaiEdacaaIXaGaaGjbVlaaigdacaaI5aGaaGynai aaysW7caaI5aGaaGynaiaaiIdacaaMe8UaaGimaiaaiMdacaaI5aGa aGjbVlaaiMdacaaI2aGaaGioaiaaysW7caaIWaGaaGimaiaaicdaaa a@584B@

  N III = 2 4+1422 14+2 ! 2 4 ! 2 42 ! 2 2 =21 617932676 414570496 10 6 MathType@MTEF@5@5@+= feaahGart1ev3aaatCvAUfeBSjuyZL2yd9gzLbvyNv2Caerbov2D09 MBdbqedmvETj2BSbqeeuuDJXwAKbsr4rNCHbGeaGqik8fkY=xipgYl h9vqqj=hEeeu0xXdi9arFj0xirFj0dXdbba91qpK0=yr0RYxfr=Jbb f9q8aq0=yq=He9q8qqQ8frFve9Fve9Ff0dmeaabaqaciaacaGaaeqa baqabeGadaaakeaacaWGobWaaSbaaSqaaiaadMeacaWGjbGaamysaa qabaGccqGH9aqpcaaIYaWaaWbaaSqabeaacaaI0aGaey4kaSIaaGym aiaaisdacqGHsislcaaIYaGaeyyXICTaaGOmaaaakmaabmaabaGaaG ymaiaaisdacqGHRaWkcaaIYaaacaGLOaGaayzkaaGaaiyiamaalaaa baGaaGOmamaaCaaaleqabaGaaGinaaaakiaacgcaaeaadaqadaqaai aaikdadaahaaWcbeqaaiaaisdacqGHsislcaaIYaaaaOGaaiyiaaGa ayjkaiaawMcaamaaCaaaleqabaGaaGOmamaaCaaameqabaGaaGOmaa aaaaaaaOGaeyypa0deaaaaaaaaa8qacaaIYaGaaGymaiaaKdkacaaM e8UaaGOnaiaaigdacaaI3aGaaGjbVlaaiMdacaaIZaGaaGOmaiaays W7caaI2aGaaG4naiaaiAdacaa5GcGaaGjbVlaaisdacaaIXaGaaGin aiaaysW7caaI1aGaaG4naiaaicdacaaMe8UaaGinaiaaiMdacaaI2a GaeyyXICTaaGymaiaaicdadaahaaWcbeqaaiaaiAdaaaaaaa@6E5C@

Разобьем выходы на две группы по 8 выходов в каждой и организуем контроль каждой из них на основе всех трех структур. Получаем следующее число способов организации СВК:

  N I = 6+2 ! 2 = 8! 2 =1625702400 MathType@MTEF@5@5@+= feaahGart1ev3aaatCvAUfeBSjuyZL2yd9gzLbvyNv2Caerbov2D09 MBdbqedmvETj2BSbqeeuuDJXwAKbsr4rNCHbGeaGqik8fkY=xipgYl h9vqqj=hEeeu0xXdi9arFj0xirFj0dXdbba91qpK0=yr0RYxfr=Jbb f9q8aq0=yq=He9q8qqQ8frFve9Fve9Ff0dmeaabaqaciaacaGaaeqa baqabeGadaaakeaacaWGobWaaSbaaSqaaiaadMeaaeqaaOGaeyypa0 ZaaeWaaeaadaqadaqaaiaaiAdacqGHRaWkcaaIYaaacaGLOaGaayzk aaGaaiyiaaGaayjkaiaawMcaamaaCaaaleqabaGaaGOmaaaakiabg2 da9maabmaabaGaaGioaiaacgcaaiaawIcacaGLPaaadaahaaWcbeqa aiaaikdaaaGccqGH9aqpqaaaaaaaaaWdbiaaigdacaaMe8UaaGOnai aaikdacaaI1aGaaGjbVlaaiEdacaaIWaGaaGOmaiaaysW7caaI0aGa aGimaiaaicdaaaa@4D04@

  N II = 2 4+62 6+2 ! 2 =106542032486400 MathType@MTEF@5@5@+= feaahGart1ev3aaatCvAUfeBSjuyZL2yd9gzLbvyNv2Caerbov2D09 MBdbqedmvETj2BSbqeeuuDJXwAKbsr4rNCHbGeaGqik8fkY=xipgYl h9vqqj=hEeeu0xXdi9arFj0xirFj0dXdbba91qpK0=yr0RYxfr=Jbb f9q8aq0=yq=He9q8qqQ8frFve9Fve9Ff0dmeaabaqaciaacaGaaeqa baqabeGadaaakeaacaWGobWaaSbaaSqaaiaadMeacaWGjbaabeaaki abg2da9maabmaabaGaaGOmamaaCaaaleqabaGaaGinaiabgUcaRiaa iAdacqGHsislcaaIYaaaaOWaaeWaaeaacaaI2aGaey4kaSIaaGOmaa GaayjkaiaawMcaaiaacgcaaiaawIcacaGLPaaadaahaaWcbeqaaiaa ikdaaaGccqGH9aqpqaaaaaaaaaWdbiaaigdacaaIWaGaaGOnaiaays W7caaI1aGaaGinaiaaikdacaaMe8UaaGimaiaaiodacaaIYaGaaGjb VlaaisdacaaI4aGaaGOnaiaaysW7caaI0aGaaGimaiaaicdaaaa@5326@

  N III = 2 4+622 6+2 ! 2 4 ! 2 42 ! 2 2 2 =26481967528607810 14 MathType@MTEF@5@5@+= feaahGart1ev3aaatCvAUfeBSjuyZL2yd9gzLbvyNv2Caerbov2D09 MBdbqedmvETj2BSbqeeuuDJXwAKbsr4rNCHbGeaGqik8fkY=xipgYl h9vqqj=hEeeu0xXdi9arFj0xirFj0dXdbba91qpK0=yr0RYxfr=Jbb f9q8aq0=yq=He9q8qqQ8frFve9Fve9Ff0dmeaabaqaciaacaGaaeqa baqabeGadaaakeaacaWGobWaaSbaaSqaaiaadMeacaWGjbGaamysaa qabaGccqGH9aqpdaqadaqaaiaaikdadaahaaWcbeqaaiaaisdacqGH RaWkcaaI2aGaeyOeI0IaaGOmaiabgwSixlaaikdaaaGcdaqadaqaai aaiAdacqGHRaWkcaaIYaaacaGLOaGaayzkaaGaaiyiamaalaaabaGa aGOmamaaCaaaleqabaGaaGinaaaakiaacgcaaeaadaqadaqaaiaaik dadaahaaWcbeqaaiaaisdacqGHsislcaaIYaaaaOGaaiyiaaGaayjk aiaawMcaamaaCaaaleqabaGaaGOmamaaCaaameqabaGaaGOmaaaaaa aaaaGccaGLOaGaayzkaaWaaWbaaSqabeaacaaIYaaaaOGaeyypa0de aaaaaaaaa8qacaaIYaGaaGOnaiaaisdacaaMe8UaaGioaiaaigdaca aI5aGaaGjbVlaaiAdacaaI3aGaaGynaiaaysW7caaIYaGaaGioaiaa iAdacaaMe8UaaGimaiaaiEdacaaI4aGaeyyXICTaaGymaiaaicdada ahbaWcbeqaaiaaigdacaaI0aaaaaaa@664D@

Таким образом, число вариантов организации СВК на основе ЛКС и рассматриваемого (m, k)-кода по структурам типа I и II больше числа вариантов организации СВК для двух выделяемых подмножеств в 12 870 раз. Для структуры типа III число вариантов организации СВК, наоборот, уменьшилось в 1 225 раз.

Могут быть рассмотрены и иные примеры, демонстрирующие эффективность использования установленных в настоящей статье свойств структур типов I, II и III.

Заключение

Большое число способов организации СВК на основе ЛКС с применением (m, k)-кодов позволяет на практике не только синтезировать различные по показателям структурной избыточности устройства с обнаружением неисправностей, но и гораздо проще обеспечивать их самопроверяемость, чем при использовании традиционной структуры, подразумевающей единственную реализацию для выбранного кода (при условии заданных элементной базы и способов синтеза контрольных элементов).

Наибольшей вариативностью обладает структура типа III, позволяющая синтезировать гигантское количество СВК на основе ЛКС с применением (m, k)-кодов. Несколько меньшей вариативностью обладает структура типа II и наименее вариативной является структура типа I, где число способов организации СВК определяется только числом вариантов выбора преобразуемых выходов и перестановками внутри групп преобразуемых и непреобразуемых выходов.

Установленные в ходе исследования закономерности позволяют на практике оценивать общее количество способов синтеза СВК на основе ЛКС с применением (m, k)-кодов и выбирать наилучшие из них для реализации самопроверяемых цифровых устройств.

Наличие большого числа способов синтеза СВК на основе ЛКС является одновременно и достоинством и недостатком, поскольку даже при малых значениях m = 8…10 процедура выбора наилучшего способа по заданному критерию (например, структурной избыточности СВК или равномерности формирования тестовых комбинаций для ее элементов) трудоемка. На практике целесообразно искать квазиоптимальные варианты организации СВК.

Следует также отметить, что здесь не рассматривались некоторые возможные ограничения на процедуру синтеза СВК, например, формирование неполного множества входных воздействий на объект диагностирования или же возможность использования только подмножества кодовых слов заданного (m, k)-кода для организации контроля и пр. Все эти способы будут являться частными случаями рассмотренных и могут быть исследованы дополнительно.

Использование ЛКС с применением (m, k)-кодов – это тот подход, который может оказаться весьма эффективным при синтезе устройств с обнаружением неисправностей для использования в составе систем управления ответственными технологическими процессами.

×

About the authors

D. V. Efanov

Peter the Great Saint Petersburg Polytechnic University; Russian University of Transport; Tashkent State Transport University; «Transport and Construction Safety» LLC

Author for correspondence.
Email: TrES-4b@yandex.ru
Russian Federation, St. Petersburg; Moscow; Uzbekistan, Tashkent; St. Petersburg

E. I. Yelina

Peter the Great Saint Petersburg Polytechnic University

Email: eseniya-elina@mail.ru
Russian Federation, St. Petersburg

References

  1. Sogomonyan E.S. and Slabakov E.V. Self-Checking Devices and Fault-Tolerant Systems // in Moscow: Radio i Svyaz’, pp. 208, 1989 (in Russian).
  2. Mikoni S. Top Level Diagnostic Models of Complex Objects // Lecture Notes in Networks and Systems. – 2022. – Vol. 442. – Pp. 238–249. doi: 10.1007/978-3-030-98832-6_21.
  3. Drozd A., Kharchenko V., Antoshchuk S., Sulima J., Drozd M. Checkability of the Digital Components in Safety-Critical Systems: Problems and Solutions // Proceed-ings of 9th IEEE East-West Design & Test Symposium (EWDTS’2011), Sevastopol, Ukraine, 2011, pp. 411–416. doi: 10.1109/EWDTS.2011.6116606.
  4. Drozd O., Perebeinos I., Martynyuk O., Zashcholkin K., Ivanova O., Drozd M. Hidden Fault Analysis of FPGA Projects for Critical Applications // Proceedings of the IEEE International Conference on Advanced Trends in Radioelectronics, Tele-communications and Computer Engineering (TCSET), 25–29 February 2020, Lviv-Slavsko, Ukraine, paper 142. doi: 10.1109/TCSET49122.2020.235591.
  5. Göessel M., Ocheretny V., Sogomonyan E., Marienfeld D. New Methods of Con-current Checking: Edition 1. – Dordrecht: Springer Science+Business Media B.V., 2008, 184 p.
  6. Borecký J., Kohlík M., Kubátová H. Parity Driven Reconfigurable Duplex System // Microprocessors and Microsystems. – 2017. – Vol. 52. – Pp. 251–260, doi: 10.1016/j.micpro.2017.06.015.
  7. Tshagharyan G., Harutyunyan G., Shoukourian S., Zorian Y. Experimental Study on Hamming and Hsiao Codes in the Context of Embedded Applications // Proceed-ings of 15th IEEE East-West Design & Test Symposium (EWDTS’2017), Novi Sad, Serbia, September 29 – October 2, 2017, pp. 25–28. doi: 10.1109/EWDTS.2017.8110065.
  8. Sapozhnikov V.V., Sapozhnikov Vl.V., Efanov D.V. Summation codes for technical diagnostics systems. Vol. 1: Classical Berger codes and their modifications. – M.: Nauka, 2020, 383 p. (in Russian).
  9. Sapozhnikov V.V., Sapozhnikov Vl.V., Efanov D.V. Summation codes for technical diagnostics systems. Vol. 2: Weighted codes with summation. – M.: Nauka, 2021, 455 p. (in Russian).
  10. Stempkovsky A.L., Zhukova T.D., Telpukhov D.V., Gurov S.I. CICADA: A New Tool to Design Circuits with Correction and Detection Abilities // International Siberian Conference on Control and Communications (SIBCON), 13-15 May 2021, Kazan, Russia pp. 1–5. doi: 10.1109/SIBCON50419.2021.9438900.
  11. Nicolaidis M. On-Line Testing for VLSI: State of the Art and Trends // Integra-tion, the VLSI Journal, 1998, Vol. 26, Issues 1-2, pp. 197–209. doi: 10.1016/S0167-9260(98)00028-5.
  12. Mitra S., McCluskey E.J. Which Concurrent Error Detection Scheme to Сhoose? // Proceedings of International Test Conference, 2000, USA, Atlantic City, NJ, 03–05 October 2000, pp. 985–994. doi: 10.1109/TEST.2000.894311.
  13. Efanov D.V., Sapozhnikov Vl.V. and Sapozhnikov Vl.V. On Summation Code Properties in Functional Control Circuits // Automation and Remote Control, 2010, no. 6, pp. 155–162. (in Russian).
  14. Goessel M., Morozov A.V., Sapozhnikov Vl.V. and Sapozhnikov V.V. Checking Combinational Circuits by the Method of Logic Complement // Automation and Remote Control, vol. 66, No 8, pp. 1336–1346, 2005. (in Russian).
  15. Gessel M., Morozov A.V., Sapozhnikov V.V. and Sapozhnikov V.V. Logic Complement a New Method of Checking the Combinational Circuits // Automation and Remote Control, vol. 64, No 1, pp. 153–161, 2003 (in Russian).
  16. Sen S.K. A Self-Checking Circuit for Concurrent Checking by 1-out-of-4 code with Design Optimization using Constraint Don’t Cares // National Conference on Emerging trends and advances in Electrical Engineering and Renewable Energy (NCEEERE 2010), Sikkim Manipal Institute of Technology, Sikkim, held during 22–24 December, 2010.
  17. Das D.K., Roy S.S., Dmitiriev A., Morozov A., Gössel M. Constraint Don’t Cares for Optimizing Designs for Concurrent Checking by 1-out-of-3 Codes // Pro-ceedings of the 10th International Workshops on Boolean Problems, Freiberg, Ger-many, September, 2012, pp. 33–40.
  18. Pivovarov D.V. Formation of Concurrent Error Detection Systems in Multiple-Output Combinational Circuits Using the Boolean Complement Method Based on Constant-Weight Codes // Transport Automation - 2018. – Vol. 4. – No 1. – pp. 131–149 (in Russian).
  19. Morozov M., Saposhnikov V.V., Saposhnikov V.V., Goessel M. New Self-Checking Circuits by Use of Berger-codes // Proceedings of 6th IEEE International On-Line Testing Workshop, Palma De Mallorca, Spain, 3–5 July 2000, pp. 171–176.
  20. Efanov D.V., Sapozhnikov V.V., Sapozhnikov Vl.V. The Self-Checking Concur-rent Error-Detection Systems Synthesis Based on the Boolean Complement to the Bose-Lin Codes with the Modulo Value M=4 // Electronic Modeling. – 2021. – Vol. 43. – Issue 1. – Pp. 28–45. doi: 10.15407/emodel.43.01.028.
  21. Efanov D.V., Zueva M.V. Hsiao Codes Properties in Discrete Devices Technical Diagnostics Systems // Programmnaya Ingeneria, 2023, vol. 14, No 7, pp. 339—349. doi: 10.17587/prin.14.339-349 (in Russian).
  22. Saposhnikov Vl.V., Dmitriev A., Goessel M., Saposhnikov Vl.V. Self-Dual Parity Checking – a New Method for on Line Testing // Proceedings of 14th IEEE VLSI Test Symposium, USA, Princeton, 1996, pp. 162–168.
  23. Gessel M., Dmitriev A.V., Sapozhnikov Vl.V., Sapozhnikov V.V. Fault detection in combinational circuits using self-dual control // Automation and telemechanics, 2000, No 7, pp. 140–149 (in Russian).
  24. Efanov D., Sapozhnikov V., Sapozhnikov Vl., Osadchy G., Pivovarov D. Self-Dual Complement Method up to Constant-Weight Codes for Arrangement of Combi-national Logical Circuits Concurrent Error-Detection Systems // Proceedings of 17th IEEE East-West Design & Test Symposium (EWDTS’2019), Batumi, Georgia, September 13–16, 2019, pp. 136–143. doi: 10.1109/EWDTS.2019.8884398.
  25. Efanov D.V., Pivovarov D.V. The Hybrid Structure of a Self-Dual Built-In Control Circuit for Combinational Devices with Pre-Compression of Signals and Checking of Calculations by Two Diagnostic Parameters // Proceedings of 19th IEEE East-West Design & Test Symposium (EWDTS’2021), Batumi, Georgia, September 10–13, 2021, pp. 200–206. doi: 10.1109/EWDTS52692.2021.9581019.
  26. Pashukov A.V. Application of weight-based sum codes at the synthesis of circuits for built-in control by Boolean complement method // Automation in transport. – 2022. – Vol. 8. – No 1. – pp. 101–114. doi: 10.20295/2412-9186-2022-8-01-101-114 (in Russian).
  27. Efanov D.V., Yelina Y.I. Study of algorithms for synthesis of self-checking digital devices based on Boolean correction of signals using weighted Bose—Lin codes // Automation in transport. – 2024. – Vol.10. – No 1. – pp. 74–99. doi: 10.20296/2412-9186-2024-10-01-74-99. (in Russian).
  28. Efanov D.V. The Synthesis of Self-Checking Combinational Devices on the Basis of Codes with the Effective Symmetrical Error Detection // Information technology. – 2023. – Vol. 29. – No 10. – pp. 503–511. doi: 10.17587/it.29.503-511. (in Russian).
  29. Efanov D.V., Yelina Y.I. Synthesis of Concurrent Error-Detection Circuits Based on Boolean Signals Correction Using Modular Weight-Based Sum Codes // Proceedings of the 2024 Conference of Young Researchers in Electrical and Electronic Engineering (EICon), 29–30 January 2024, St. Petersburg, Russia, pp. 350–355. doi: 10.1109/ElCon61730.2024.10468328.
  30. Sapozhnikov V.V., Sapozhnikov Vl.V., Efanov D.V. Hamming codes in concurrent error detection systems of logic devices / Monograph. – St. Petersburg: Nauka, 2018, 151 p. (in Russian).

Supplementary files

Supplementary Files
Action
1. JATS XML
2. Formula 4

Download (82KB)
3. Fig. 1. Cascades of transformation elements in the structures of the organization of the SVC based on the LKS using (m, k)-codes.

Download (308KB)
4. Fig. 2. Given devices F1(x) and F2(x).

Download (163KB)
5. Fig. 3. The principle of organizing control of calculations for the example under consideration.

Download (208KB)

Copyright (c) 2024 Russian Academy of Sciences

Согласие на обработку персональных данных с помощью сервиса «Яндекс.Метрика»

1. Я (далее – «Пользователь» или «Субъект персональных данных»), осуществляя использование сайта https://journals.rcsi.science/ (далее – «Сайт»), подтверждая свою полную дееспособность даю согласие на обработку персональных данных с использованием средств автоматизации Оператору - федеральному государственному бюджетному учреждению «Российский центр научной информации» (РЦНИ), далее – «Оператор», расположенному по адресу: 119991, г. Москва, Ленинский просп., д.32А, со следующими условиями.

2. Категории обрабатываемых данных: файлы «cookies» (куки-файлы). Файлы «cookie» – это небольшой текстовый файл, который веб-сервер может хранить в браузере Пользователя. Данные файлы веб-сервер загружает на устройство Пользователя при посещении им Сайта. При каждом следующем посещении Пользователем Сайта «cookie» файлы отправляются на Сайт Оператора. Данные файлы позволяют Сайту распознавать устройство Пользователя. Содержимое такого файла может как относиться, так и не относиться к персональным данным, в зависимости от того, содержит ли такой файл персональные данные или содержит обезличенные технические данные.

3. Цель обработки персональных данных: анализ пользовательской активности с помощью сервиса «Яндекс.Метрика».

4. Категории субъектов персональных данных: все Пользователи Сайта, которые дали согласие на обработку файлов «cookie».

5. Способы обработки: сбор, запись, систематизация, накопление, хранение, уточнение (обновление, изменение), извлечение, использование, передача (доступ, предоставление), блокирование, удаление, уничтожение персональных данных.

6. Срок обработки и хранения: до получения от Субъекта персональных данных требования о прекращении обработки/отзыва согласия.

7. Способ отзыва: заявление об отзыве в письменном виде путём его направления на адрес электронной почты Оператора: info@rcsi.science или путем письменного обращения по юридическому адресу: 119991, г. Москва, Ленинский просп., д.32А

8. Субъект персональных данных вправе запретить своему оборудованию прием этих данных или ограничить прием этих данных. При отказе от получения таких данных или при ограничении приема данных некоторые функции Сайта могут работать некорректно. Субъект персональных данных обязуется сам настроить свое оборудование таким способом, чтобы оно обеспечивало адекватный его желаниям режим работы и уровень защиты данных файлов «cookie», Оператор не предоставляет технологических и правовых консультаций на темы подобного характера.

9. Порядок уничтожения персональных данных при достижении цели их обработки или при наступлении иных законных оснований определяется Оператором в соответствии с законодательством Российской Федерации.

10. Я согласен/согласна квалифицировать в качестве своей простой электронной подписи под настоящим Согласием и под Политикой обработки персональных данных выполнение мною следующего действия на сайте: https://journals.rcsi.science/ нажатие мною на интерфейсе с текстом: «Сайт использует сервис «Яндекс.Метрика» (который использует файлы «cookie») на элемент с текстом «Принять и продолжить».