Adaptive Active Wideband Acoustic Noise Cancellation System with Dynamic Calibration
- Authors: Lvov A.A.1, Karaseva V.A.1, Potapov O.A.1, Sokov A.M.1
-
Affiliations:
- Institute of Applied Physics, Russian Academy of Sciences, 603950, Nizhny Novgorod, Russia
- Issue: Vol 69, No 3 (2023)
- Pages: 357-366
- Section: АКУСТИЧЕСКАЯ ЭКОЛОГИЯ. ШУМЫ И ВИБРАЦИЯ
- URL: https://ogarev-online.ru/0320-7919/article/view/134445
- DOI: https://doi.org/10.31857/S0320791922100148
- EDN: https://elibrary.ru/YIZAVM
- ID: 134445
Cite item
Full Text
Abstract
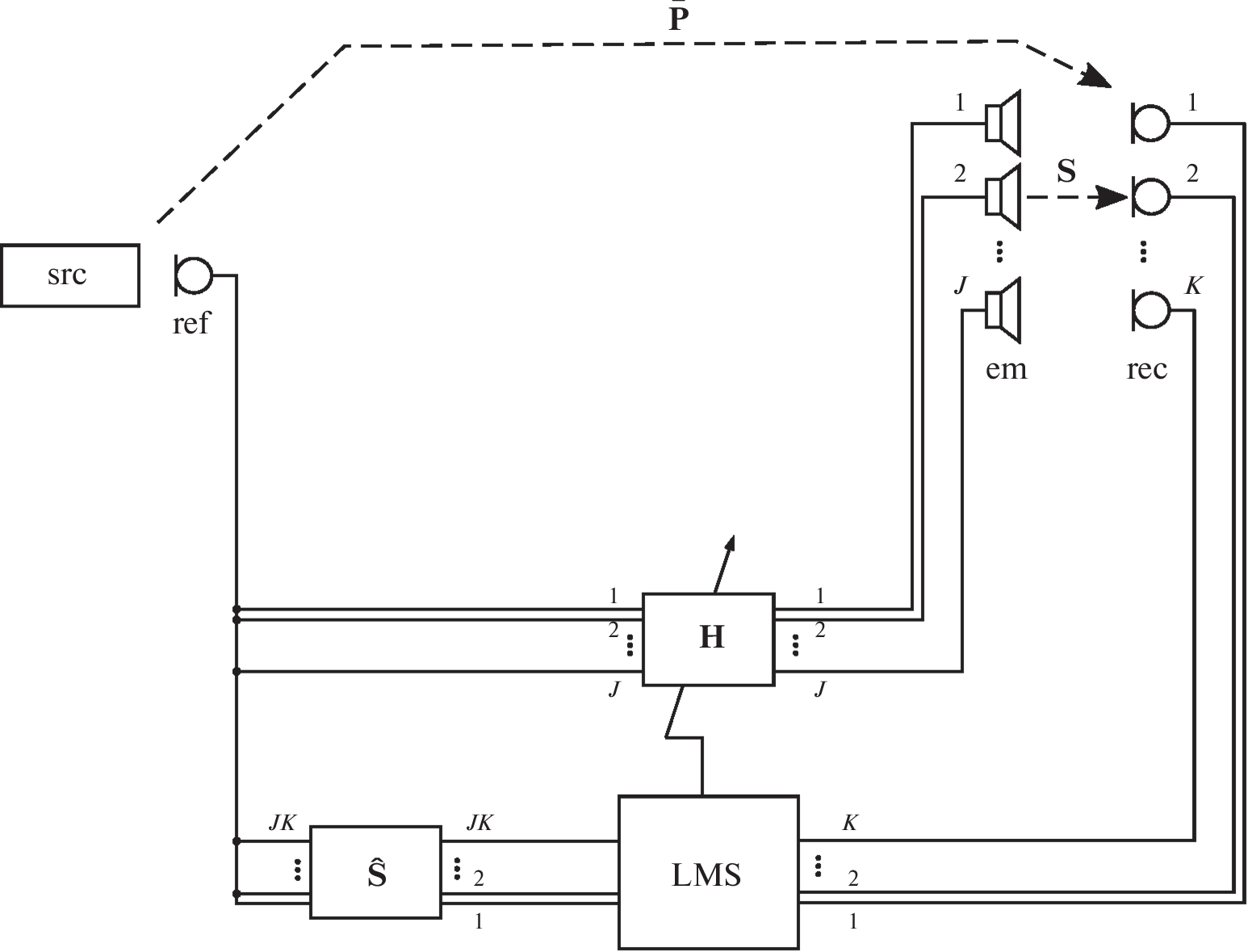
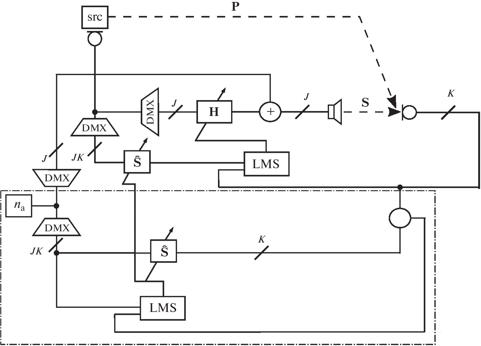
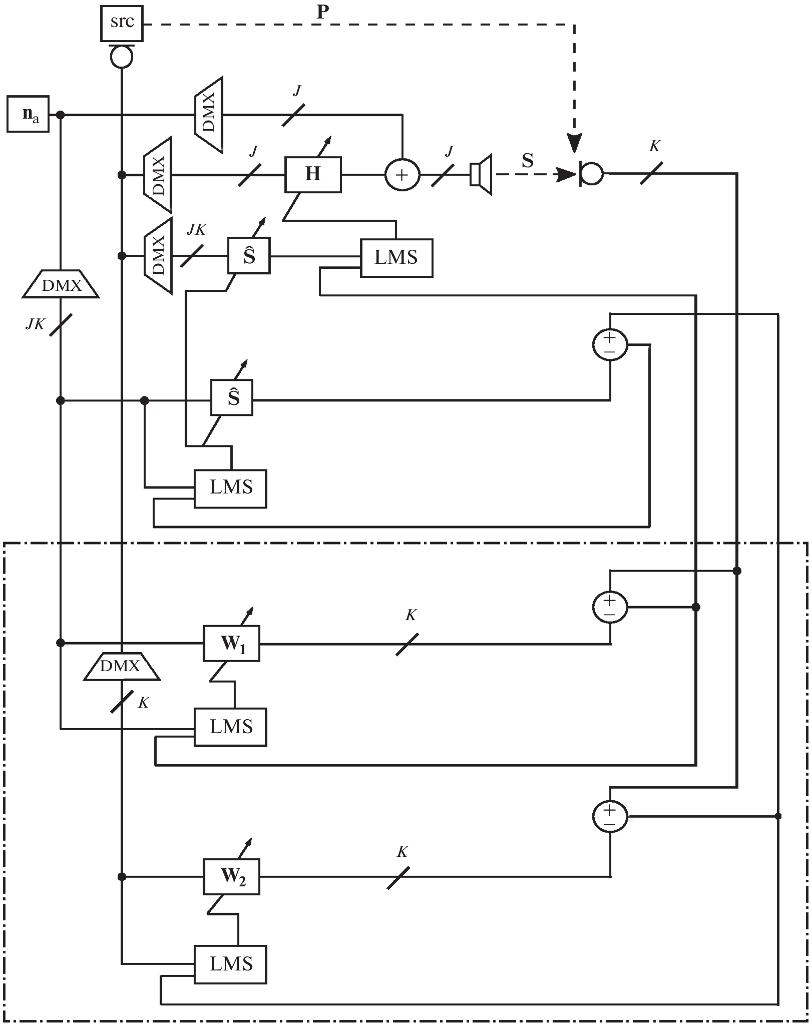
The article contains the operational principle of adaptive active wideband acoustic noise cancellation system. The algorithm of operation of these systems provides to work with changes of the medium, acoustic or electrical parameters of their elements, is described. A modification of this algorithm is proposed, which can increase the efficiency of the system and reduce the level of residual noise during system calibration. The results of simulation the modified algorithm of an active noise cancellation system are presented.
About the authors
A. A. Lvov
Institute of Applied Physics, Russian Academy of Sciences, 603950, Nizhny Novgorod, Russia
Email: lvov@ipfran.ru
Россия, 603950, Нижний Новгород, ул. Ульянова 46
V. A. Karaseva
Institute of Applied Physics, Russian Academy of Sciences, 603950, Nizhny Novgorod, Russia
Email: lvov@ipfran.ru
Россия, 603950, Нижний Новгород, ул. Ульянова 46
O. A. Potapov
Institute of Applied Physics, Russian Academy of Sciences, 603950, Nizhny Novgorod, Russia
Email: lvov@ipfran.ru
Россия, 603950, Нижний Новгород, ул. Ульянова 46
A. M. Sokov
Institute of Applied Physics, Russian Academy of Sciences, 603950, Nizhny Novgorod, Russia
Author for correspondence.
Email: lvov@ipfran.ru
Россия, 603950, Нижний Новгород, ул. Ульянова 46
References
- Васильев А.В. Опыт исследования и снижения низкочастотного шума энергетических установок // Сборник трудов Всероссийской научно-практической конференции с международным участием. Под ред. Иванова Н.И. СПб.: Институт акустических конструкций, 2021. С. 30–39.
- Васильев А.В. Перспективы использования активной компенсации для снижения низкочастотного шума и вибрации в условиях производства // Безопасность труда в промышленности. 2004. № 10. С. 47–51.
- Kuo S.M., Mitra S., Gan W.S Active noise control system for headphone applications // IEEE Transactions on Control Systems Technology. 2006. V. 14. № 2. C. 331–335.
- Denenberg J.N. Anti-noise // IEEE Potentials. 1992. V. 11. № 2. P. 36–40.
- Малюжинец Г.Д. Нестационарные задачи дифракции для волнового уравнения с финитной правой частью // Тр. Акустического института. 1971. № 15. С. 124–139.
- Elliott S.J. Signal Processing for Active Control. London, UK, Academic Press, 2001. P. 511.
- Kuo S.M., Morgan D.R. Active noise control: a tutorial review // Proceedings of the IEEE. 1999. V. 87. № 6. P. 943–975.
- Мальцев А.А., Масленников Р.О., Хоряев А.В., Черепенников В.В. Адаптивные системы активного гашения шума и вибраций // Акуст. журн. 2005. Т. 51. № 2. С. 242–258.
- Tang X.L., Lee C.M. Time–frequency-domain filtered-x LMS algorithm for active noise control // J. Sound Vib. 2012. V. 331. № 23. P. 5002–5011.
- Vázquez Á.A., Pichardo E., Avalos J.G., Sánchez G., Martínez H.M., Sánchez J.C., Pérez H.M. Multichannel Active Noise Control Based on Filtered-x Affine Projection-Like and LMS Algorithms with Switching Filter Selection // Applied Sciences. 2019. V. 9. № 21. P. 4669.
- Ahn Dong-Jun, Keun Sik Kim, Hyun Do Nam, Eun Woo Shin. Multi-channel active noise control system designs using fuzzy logic stabilized algorithms // Advanced Engineering Forum. 2012. V. 13. № 8. P. 3647–3653.
- Kuo S.M., Yenduri R.K., Gupta A. Frequency-domain delayless active sound quality control algorithm // J. Sound Vib. 2008. V. 318. № 4–5. P. 715–724.
- Фикс И.Ш., Коротин П.И., Потапов О.А., Фикс Г.Е. Экспериментальные исследования компенсации звукового поля на дискретных частотах // Акуст журн. 2016. Т. 62. № 2. С. 208–215.
- Yuxue P., Pengfei S. Online secondary path modeling method with auxiliary noise power scheduling strategy for multi-channel adaptive active noise control system // J. Low Frequency Noise, Vibration and Active Control. 2019. V. 38. № 2. P. 740–752.
- Allen J.B., Berkley D.A. Image method for efficiently simulating small-room acoustics // J. Acoust. Soc. Am. 1979. V. 65. № 4. P. 943–950.
- Джиган В.И. Адаптивная фильтрация сигналов: теория и алгоритмы. М.: Техносфера, 2013. 527 с.
- Льюнг Л. Идентификация систем. Теория для пользователя. М.: Наука, 1991. 432 с.
Supplementary files










