The structure and properties of hybrid aerogels based on the polyelectrolyte complex “alginate – chitosan”
- Authors: Tsygankov P.Y.1, Pashkin E.A.1, Abramov A.A.1
-
Affiliations:
- D.I. Mendeleev Russian University of Chemical Technology
- Issue: Vol 30, No 3 (2024)
- Pages: 484-496
- Section: Chemical Engineering and Related Industries. Chemistr
- URL: https://ogarev-online.ru/0136-5835/article/view/279312
- DOI: https://doi.org/10.17277/vestnik.2024.03.pp.484-496
- ID: 279312
Cite item
Full Text
Abstract
Currently, there is a need for new materials for tissue engineering, medicine and pharmaceuticals. Promising materials for these areas are highly porous materials – aerogels based on biopolymers, such as sodium alginate and chitosan. The production of a “alginate – chitosan” polyelectrolyte complex allows one to improve the mechanical, thermal and chemical properties of individual biopolymers. This work presents a method for producing an aerogel based on the “alginate – chitosan” polyelectrolyte complex. Comprehensive analytical studies of the obtained materials were carried out. A comparative analysis of the IR spectra of the original biopolymers (chitosan, alginate) and hybrids based on them showed the formation of a polyelectrolyte complex without the participation of additional cross-linking agents. The resulting aerogels based on the polyelectrolyte complex “alginate – chitosan” have a porosity of 95 %. It was found that an increase in the concentration of chitosan leads to a decrease in the specific surface area from 238 to 108 m2/g, the specific volume of mesopores from 1.23 to 0.37 cm3/g at a sodium alginate : chitosan ratio from 1 : 0.25 to 1 : 1, respectively.
Full Text
Введение
В настоящий момент все большее внимание привлекают материалы, которые обладают специфичными, строго заданными свойствами. Среди всего разнообразия таких материалов аэрогели являются одними из наиболее перспективных для решения широкого спектра задач [1]. Распространение аэрогелей в различных областях применения обусловлено их уникальными свойствами, а именно высокой удельной площадью поверхности, высокой пористостью, высокой сорбционной емкостью, низкой плотностью [2, 3].
Аэрогели на основе биополимеров, таких как альгинат натрия и хитозан, нетоксичны, биосовместимы и биодеградируемы, что позволяет использовать их в медицине [4, 5] и фармацевтической промышленности [6]. В настоящий момент аэрогели на основе биополимеров уже нашли свое применение в качестве кровоостанавливающих средств [7, 8], высокоэффективных систем доставки лекарственных препаратов [9], в тканевой инженерии в целях получения матриксов для роста клеток тканей и органов [10, 11].
Альгинат – природный водорастворимый полисахарид, состоящий из связанных 1,4-гликозидной связью остатков a-L-гулуроновой кислоты (Г) и остатков β-D-маннуроновой кислоты (M) в различном соотношении (рис. 1) [12].
Рис. 1. Структурная формула альгинатов: а – мономеры альгината натрия; б – конформация цепи; в – блочное распределение
Аэрогели на основе альгината натрия являются одними из наиболее распространенных для решения задач медицины и фармацевтической промышленности [13, 14]. Один из недостатков материалов на основе альгината – низкая механическая прочность, ограничивающая сферы применения конечных изделий в области тканевой инженерии [15].
Хитозан представляет собой природный полисахарид, который состоит из звеньев N-ацетилглюкозамина (2-ацетамидо-2-дезокси-β-d-глюкопиранозы) и глюкозамина (2-амино-2-дезокси-β-глюкопиранозы) (рис. 2) [16].
Рис. 2. Структурная формула хитозана
Хитозан получают щелочным деацетилированием из хитина – продукта переработки панцирей ракообразных. Благодаря таким свойствам, как биосовместимость, биодеградируемость, нетоксичность, хитозан нашел широкое применение в пищевой, медицинской и фармацевтической промышленности [17]. Существенный недостаток хитозана – необходимость использования токсичных сшивающих агентов (глутарового альдегида или гидроксида натрия) для формирования устойчивых гелей [18, 19].
Особый интерес представляет гибридный гель на основе альгината натрия и хитозана [20]. Образование гибридной структуры происходит за счет протекания химической реакции между полианионом альгината натрия и поликатионом хитозана, которая приводит к образованию соответствующего полиэлектролитного комплекса [21]. Формирование устойчивого геля на основе полиэлектролитного комплекса «альгинат натрия – хитозан» позволяет получить принципиально новые материалы, исключить использование агрессивных сшивающих агентов, улучшить термические, химические, механических свойства и повысить стабильность материалов [11, 22].
Полиэлектролитные комплексы привлекают внимание исследователей ввиду уникальности их свойств и простоты получения. Способность полиэлектролитных комплексов менять фазовое состояние при незначительном изменении внешних условий (pH, температуры и т.д.) позволяет отнести их к так называемым «умным» (smart, intelligent) полимерным системам.
В данной работе разработана методика получения гибридного аэрогеля на основе полиэлектролитного комплекса «альгинат натрия – хитозан», исследованы структура и свойства полученных материалов. Проведено варьирование концентрации компонентов и оценено влияние параметров на характеристики полученных аэрогелей.
Методика эксперимента
Процесс получения аэрогелей на основе полиэлектролитного комплекса «альгинат натрия – хитозан» включает следующие этапы: растворение альгината натрия в воде, диспергирование хитозана в растворе альгината натрия, заморозка полученной дисперсии, выдерживание образцов в растворе соляной кислоты, ступенчатая замена растворителя, сверхкритическая сушка.
На первом этапе альгинат натрия диспергировался в дистиллированной воде. Процесс получения раствора осуществлялся с использованием ротор-статорного гомогенизатора (IKA Ultra-Turrax T 25 digital) при скорости вращения ротора 9 000 об/мин в течение 2 минут.
В полученном растворе диспергировался хитозан (концентрация 0,5; 1; 1,5; 2 масс. %) с использованием ротор-статорного гомогенизатора при скорости вращения ротора 12 000 об/мин в течение 5 минут. Выбранная скорость диспергирования хитозана обусловлена необходимостью достижения равномерного распределения частиц по всему объему раствора альгината натрия. Полученный раствор альгината натрия с диспергированными частицами хитозана помещался в цилиндрические формы и замораживался.
Полученные монолиты цилиндрической формы выдерживались в 0,5М растворе соляной кислоты при комнатной температуре в течение 24 часов. Данный этап необходим для растворения частиц хитозана. В процессе растворения образуется полиэлектролитный комплекс «альгинат натрия – хитозан» за счет протекания химической реакции, в результате которой происходит связывание групп –COО– альгината и –NH3+ хитозана (рис. 3). В ходе данного этапа формируется устойчивый гель цилиндрической формы.
Рис. 3. Механизм образования полиэлектролитного комплекса «альгинат – хитозан»
Далее для подготовки гелей к проведению сверхкритической сушки проводилась ступенчатая замена растворителя на изопропиловый спирт по схеме 20-40-60-80-100-100-100 масс. %. Процесс сушки осуществлялся с использованием установки, представленной в работе [23].
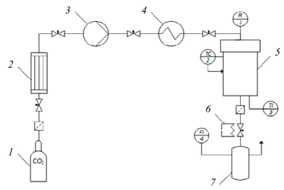
Технологическая схема установки для проведения сверхкритической сушки приведена на рис. 4. Сверхкритическая сушка проводилась при следующих параметрах: температура 40 °С, давление 120…140 бар, расход диоксида углерода 1000 г/ч, время процесса 4…5 ч. После завершения процесса сушки осуществлялся сброс давления со скоростью 4 бар/мин.
Рис. 4. Схема установки для проведения сверхкритической сушки: 1 – баллон с жид-ким диоксидом углерода (60 бар); 2 – конденсатор; 3 – насос; 4 – теплообменник; 5 – сосуд высокого давления объемом 2 л; 6 – нагревательный элемент; 7 – сепаратор
Диоксид углерода, находящийся в жидком состоянии при 60 бар в баллоне 1, подавался в конденсатор 2 для охлаждения и предотвращения перехода в газообразное состояние. В сосуд высокого давления 5 предварительно нагретый в теплообменнике 4 диоксид углерода подавался с помощью насоса 3 при определенном давлении. Внутри аппарата установлены датчик температуры TI3 и манометр PI1. Регулировка температуры осуществлялась терморегулятором TC2. Расход выходящего потока регулировался системой вентилей на выходе из аппарата. Для измерения расхода газообразного диоксида углерода использовался расходомер FI4.
Методы исследования
Для изучения морфологии материалов проведены исследования с использованием сканирующей электронной микроскопии (СЭМ) на оборудовании JEOL 1610LV (JEOL, Япония).
ИК-спектры поглощения получены с помощью ИК-Фурье спектрометра Nicolet 380 (Thermo Fisher Scientific Inc., США). Спектры образцов аэрогелей на основе полиэлектролитного комплекса «альгинат натрия – хитозан» сняты на интервале от 4000 до 500 см–1.
Измерения истинной плотности выполнены на автоматическом гелиевом пикнометре Anton Paar Ultrapyc 5000.
Пористая структура образцов исследовалась методом низкотемпературной адсорбции азота (77 K) на анализаторе удельной поверхности NOVA 2200E (Quantachrome Instruments Corp., США). Перед анализом проводилась пробоподготовка образцов при давлении 0,5 мм рт. ст. и температуре 353 K в течение 12 ч для удаления всей адсорбированной влаги с поверхности образцов. Удельная площадь поверхности определялась по методу Брунауэра–Эммета–Теллера (БЭТ), распределение пор по размерам и объем мезопор по методу Баррета–Джойнера–Халенды (БДХ).
Результаты и их обсуждение
Получена серия образцов гибридных аэрогелей на основе полиэлектролитного комплекса «альгинат натрия – хитозан» с варьированием концентрации хитозана (рис. 5).
Рис. 5. Внешний вид гибридного аэрогеля на основе полиэлекролитного комплекса, соотношение альгинат натрия : хитозан – 1 : 1
На рисунке 6 представлены изображения аэрогелей на основе полиэлекролитного комплекса «альгинат – хитозан», полученные с использованием СЭМ.
Рис. 6. Изображения внутренней структуру аэрогелей на основе полиэлектролитного комплекса с варьированием соотношений альгинат натрия : хитозан: а – 1 : 0,25; б – 1 : 0,5; в – 1 : 0,75; г – 1 : 1
Изображения СЭМ демонстрируют, что при увеличении концентрации хитозана наблюдается формирование более неоднородной структуры. Для образца с соотношением альгинат натрия : хитозан – 1 : 1 выделены участки, которые, предположительно, представляют собой частицы хитозана, покрытые полиэлектролитной оболочкой. Формирование неоднородной структуры связано с особенностями процесса получения полиэлектролитного комплекса. Растворение частиц хитозана происходит при контакте с раствором соляной кислоты.
На рисунке 7 представлены ИК-спектры для исходных порошков альгината натрия и хитозана. На спектре хитозана показана широкая полоса ∼3000… 3600 см–1, характерная для валентных колебаний O–H и N–H связей. Пик при волновых числах ∼2860 см–1 соответствуют колебаниям С–Н связей всех углеводородных составляющих. Пик на 1590 см–1 обусловлен перекрытием пиков групп C–O и N–H. Спектр альгината натрия представлен широкой полосой с пиком на ∼3220 см–1, который соответствует валентных колебаний O–H. Карбоксильная группа обуславливает наличие двух пиков ∼1590 и ∼1400 см–1. При ∼1020 см–1 наблюдаются колебания C–O–C [24].
Рис. 7. ИК-спектры исходных порошков: а – хитозан; б – альгинат натрия
На рисунке 8 представлены ИК-спектры полученных гибридных аэрогелей на основе полиэлектролитного комплекса «альгинат натрия – хитозан». Полиэлектролитный комплекс имеет более интенсивную полосу ∼3300 см–1, что связано с образованием новых водородных связей между группами –OH и –NH2 в хитозане и группами –C=O и –OH альгината натрия [25]. Новые пики около 1610 и 1730 см–1 наблюдались для всех четырех соотношений альгинат : хитозан. Пик при 1610 см–1 имеет примерно одинаковую интенсивность во всех четырех образцах. Пик при 1730 см–1, предположительно, соответствует асимметричному растяжению групп –COO, что подтверждает образование полиэлектролитного комплекса [20].
Рис. 8. ИК-спектры аэрогелей на основе полиэлектролитного комплекса «альгинат натрия – хитозан» при соотношениях: 1 – 1:1, 2 – 1:0,75; 3 – 1:0,5; 4 – 1:0,25
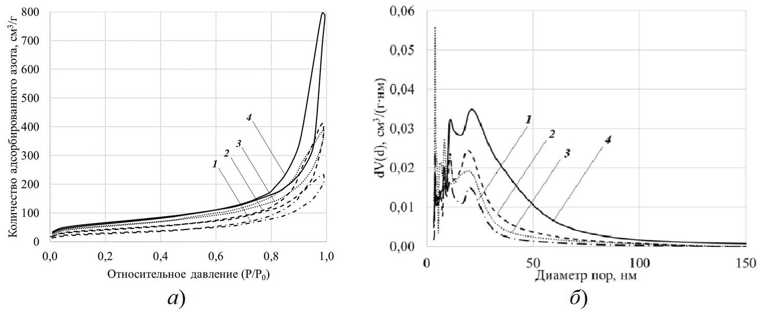
С использованием метода азотной порометрии получены изотермы адсорбции–десорбции для аэрогелей на основе полиэлектролитного комплекса «альгинат натрия – хитозан» (рис. 9, а). Распределения пор по размерам для аэрогелей на основе полиэлектролитного комплекса «альгинат натрия – хитозан» представлены на рис. 9, б.
Рис. 9. Результаты исследования аэрогелей на основе полиэлектролитного комплекса «альгинат натрия – хитозан» методом азотной порометрии при соотношениях: 1 – 1:1, 2 – 1: 0,75; 3 – 1:0,5; 4 – 1:0,25. а – изотермы адсорбции–десорбции; б – распределение пор по размерам
Представленные изотермы адсорбции–десорбции относятся к IV типу по классификации International Union of Pure and Applied Chemistry (IUPAC). Данный тип характерен для мезопористых материалов, а наличие петли гистерезиса свидетельствует о возникновении капиллярной конденсации. Для образцов, при увеличении концентрации хитозана, количество адсорбированного азота уменьшается, что говорит о более низком общем объеме пор. Для всех рассматриваемых образцов преобладают поры размером 3…50 нм. С повышением концентрации хитозана уменьшается объем мезопор.
В таблице 1 представлены характеристика аэрогелей на основе полиэлектролитного комплекса «альгинат – хитозан»: истинная плотность ρист, кажущаяся плотность ρкаж, пористость П, удельная площадь поверхности по методу БЭТ SБЭТ, объем пор по методу БДХ VБДХ.
Таблица 1. Характеристика аэрогелей на основе полиэлектролитного комплекса «альгинат натрия – хитозан»
Соотношение алгинат : хитозан | ρист, г/см3 | ρкаж, г/см3 | П, % | SБЭТ, м2/г | VБДХ, см3/г |
1 : 0,25 | 1,684 | 0,090 | 95 | 238 | 1,23 |
1 : 0,50 | 1,853 | 0,099 | 199 | 0,59 | |
1 : 0,75 | 1,884 | 0,076 | 96 | 153 | 0,64 |
1 : 1,00 | 1,982 | 0,062 | 97 | 108 | 0,37 |
Увеличение концентрации хитозана приводит к увеличению истинной плотности, что в свою очередь обеспечивает армирующий эффект и уменьшение кажущейся плотности образцов. При увеличении концентрации хитозана наблюдается уменьшение удельной площади поверхности и объема мезопор, что связано с формированием неоднородной структуры и неполным растворением хитозана.
Заключение
В работе предложена методика получения гибридных аэрогелей на основе полиэлектролитного комплекса «альгинат натрия – хитозан». Разработанная методика позволяет получать устойчивые гибридные аэрогели без использования дополнительных токсичных сшивающих агентов. Показано, что свойства полученных гибридных аэрогелей зависят от соотношения альгинат натрия : хитозан. Так, при соотношении 1 : 0,25 формируется пористая волокнистая структура. При увеличении концентрации хитозана наблюдается формирование неоднородной структуры с агломератами сферической формы. Полученные гибридные аэрогели на основе полиэлектролитного комплекса «альгинат – хитозан» во всех случаях обладают высокой удельной площадью поверхности (108…238 м2/г), высокой пористостью (более 95 %), высоким объемом мезопор (0,37…1,23 см3/г).
Работа выполнена при финансовой поддержке гранта Российского научного фонда №23-73-01216.
About the authors
P. Yu. Tsygankov
D.I. Mendeleev Russian University of Chemical Technology
Author for correspondence.
Email: pavel.yur.tsygankov@gmail.com
Candidate of Technical Sciences, Associate Professor of the Department of Chemical and Pharmaceutical Engineering
Russian Federation, MoscowE. A. Pashkin
D.I. Mendeleev Russian University of Chemical Technology
Email: pavel.yur.tsygankov@gmail.com
Laboratory assistant of chemical analysis of the Department of Chemical and Pharmaceutical Engineering
Russian Federation, MoscowA. A. Abramov
D.I. Mendeleev Russian University of Chemical Technology
Email: pavel.yur.tsygankov@gmail.com
Candidate of Technical Sciences, Senior Lecturer, Department of Chemical and Pharmaceutical Engineering
Russian Federation, MoscowReferences
- Idumah C.I., Ezika A.C., Okpechi V.U. Emerging trends in polymer aerogel nanoarchitectures, surfaces, interfaces and applications, Surfaces and Interfaces, 2021, vol. 25, no. 4, pp. 101258. doi: 10.1016/j.surfin.2021.101258
- Smirnova I., Gurikov P. Aerogel production: Current status, research directions, and future opportunities, The Journal of Supercritical Fluids, 2017, vol. 134, pp. 228-233. doi: 10.1016/j.supflu.2017.12.037
- Mazrouei-Sebdani Z., Begum H., Schoenwald S., Horoshenkov K.V., Malfait W.J. A review on silica aerogel-based materials for acoustic applications, Journal of Non-Crystalline Solids, 2021, vol. 562, no. 3211, pp. 120770. doi: 10.1016/j.jnoncrysol.2021.120770
- Muñoz-Ruíz A., Escobar-García D.M., Quintana M., Pozos-Guillén A., Flores H. Synthesis and Characterization of a New Collagen-Alginate Aerogel for Tissue Engineering, Journal of Nanomaterials, 2019, vol. 2019, no. 6, pp. 1-10. doi: 10.1155/2019/2875375
- Obaidat R.M., Tashtoush B.M., Bayan M.F., T. Al Bustami R., Alnaief M. Drying Using Supercritical Fluid Technology as a Potential Method for Preparation of Chitosan Aerogel Microparticles, AAPS PharmSciTech, 2015, vol. 16, no. 6, pp. 1235-1244. doi: 10.1208/s12249-015-0312-2
- Santos-López G., Argüelles-Monal W., Carvajal-Millan E., López-Franco Y.L., Recillas-Mota M.T., Lizardi-Mendoza J. Aerogels from Chitosan Solutions in Ionic Liquids, Polymers, 2017, vol. 9, no. 12, pp. 722. doi: 10.3390/polym9120722
- Mecwan M., Li J., Falcone N., Ermis M., Torres E., Morales R., Hassani A., Haghniaz R., Mandal K., Sharma S., Maity S., Zehtabi F., Zamanian B., Herculano R., Akbari M., John J.V., Khademhosseini A. Recent advances in biopolymer-based hemostatic materials, Regenerative Biomaterials, 2022, vol. 9. doi: 10.1093/rb/rbac063
- Kushwaha R., Sharma S., Kumar S., Kumar A. Biopolymers as Topical Haemostatic Agents: Current Trends and Technologies, Materials Chemistry Horizons, 2023, vol. 2, no. 1, pp. 11-39. doi: 10.22128/MCH.2022.612.1029
- Lovskaya D.D., Lebedev A.E., Menshutina N. V. Aerogels as drug delivery systems: In vitro and in vivo evaluations, The Journal of Supercritical Fluids, 2015, vol. 106, pp. 115-121. doi: 10.1016/j.supflu.2015.07.011
- Okutucu B. The medical applications of biobased aerogels: ‘Natural aerogels for medical usage’, Medical Devices & Sensors, 2021, vol. 4, no. 1, pp. e10168. doi: 10.1002/mds3.10168
- Singh A.K., Pramanik K. Fabrication and investigation of physicochemical and biological properties of 3D printed sodium alginate-chitosan blend polyelectrolyte complex scaffold for bone tissue engineering application, Journal of Applied Polymer Science, 2023, vol. 140, no. 12, pp. e53642. doi: 10.1002/app.53642
- Donati I., Holtan S., Mørch Y.A., Borgogna M., Dentini M., Skjåk-Bræk G. New hypothesis on the role of alternating sequences in calcium-alginate gels, Biomacromolecules, 2005, vol. 6, no. 2, pp. 1031-1040. doi: 10.1021/bm049306e
- Varaprasad K., Karthikeyan C., Yallapu M.M., Sadiku R. The significance of biomacromolecule alginate for the 3D printing of hydrogels for biomedical applications, International Journal of Biological Macromolecules, 2022, vol. 212, pp. 561-578. doi: 10.1016/j.ijbiomac.2022.05.157
- Wei Q., Zhou J., An Y., Li M., Zhang J., Yang S. Modification, 3D printing process and application of sodium alginate based hydrogels in soft tissue engineering: A review, International Journal of Biological Macromolecules, 2023, vol. 232, pp. 123450. doi: 10.1016/j.ijbiomac.2023.123450
- Ramdhan T., Ching S.H., Prakash S., Bhandari B. Physical and mechanical properties of alginate based composite gels, Trends in Food Science & Technology, 2020, vol. 106, pp. 150-159. doi: 10.1016/j.ijbiomac.2023.123450
- Kou S. (Gabriel), Peters L.M., Mucalo M.R. Chitosan: A review of sources and preparation methods, International Journal of Biological Macromolecules, 2021, vol. 169, pp. 85-94. doi: 10.1016/j.ijbiomac.2020.12.005
- Rinaudo M. Chitin and chitosan: Properties and applications, Progress in Polymer Science, 2006, vol. 31, no. 7, pp. 603-632. doi: 10.1016/j.progpolymsci.2006.06.001
- Wegrzynowska-Drzymalska K., Grebicka P., Mlynarczyk D.T., Chelminiak-Dudkiewicz D., Kaczmarek H., Goslinski T., Ziegler-Borowska M. Crosslinking of Chitosan with Dialdehyde Chitosan as a New Approach for Biomedical Applications, Materials, 2020, vol. 13, no. 15, pp. 3413. doi: 10.3390/ma13153413
- Gabriele F., Donnadio A., Casciola M., Germani R., Spreti N. Ionic and covalent crosslinking in chitosan-succinic acid membranes: Effect on physicochemical properties, Carbohydrate Polymers, 2021, vol. 251, pp. 117106. doi: 10.1016/j.carbpol.2020.117106
- Kulig D., Zimoch-Korzycka A., Jarmoluk A., Marycz K. Study on Alginate–Chitosan Complex Formed with Different Polymers Ratio, Polymers, 2016, vol. 8, no. 5, pp. 167. doi: 10.3390/polym8050167
- Gierszewska M., Ostrowska-Czubenko J., Chrzanowska E. pH-responsive chitosan/alginate polyelectrolyte complex membranes reinforced by tripolyphosphate, European Polymer Journal, 2018, vol. 101, pp. 282-290. doi: 10.1016/j.eurpolymj.2018.02.031
- Li Z., Ramay H.R., Hauch K.D., Xiao D., Zhang M. Chitosan–alginate hybrid scaffolds for bone tissue engineering, Biomaterials, 2005, vol. 26, no. 18, pp. 3919-3928. doi: 10.1016/j.biomaterials.2004.09.062
- Menshutina N. V., Lebedev A.E., Khudeev I.I. The Effect of the Water–Precursor Ratio on the Structural Characteristics of Alumina Aerogels, Russian Journal of Physical Chemistry B, 2020, vol. 14, no. 7, pp. 1229-1235. doi: 10.1134/S1990793120070222
- Lawrie G., Keen I., Drew B., Chandler-Temple A., Rintoul L., Fredericks P., Grøndahl L. Interactions between alginate and chitosan biopolymers characterized using FTIR and XPS, Biomacromolecules, 2007, vol. 8, no. 8, pp. 2533-2541. doi: 10.1021/bm070014y
- Sankalia M.G., Mashru R.C., Sankalia J.M., Sutariya V.B. Reversed chitosan–alginate polyelectrolyte complex for stability improvement of alpha-amylase: Optimization and physicochemical characterization, European Journal of Pharmaceutics and Biopharmaceutics, 2007, vol. 65, no. 2, pp. 215-232. doi: 10.1016/j.ejpb.2006.07.014
Supplementary files











