Modeling of defects in ultrasonic flaw detection. Status and prospects
- Authors: Mogilner L.Y.1,2, Syasko V.A.3, Shikhov A.I.4
-
Affiliations:
- Bauman Moscow State Technical University
- Scientific and Training Centre «Welding and Control» Bauman Moscow State Technical University
- «Constanta» Ltd
- Saint Petersburg Mining University
- Issue: No 5 (2024)
- Pages: 13-35
- Section: Acoustic methods
- URL: https://ogarev-online.ru/0130-3082/article/view/257597
- DOI: https://doi.org/10.31857/S0130308224040028
- ID: 257597
Cite item
Full Text
Abstract
In the introduction to the article four factors, which are most important for ensuring the accuracy of defect parameters measurements at ultrasonic inspection, are mentioned: parameters of artificial reflectors in samples, compliance of acoustic properties of material of tuning samples and controlled products, transient characteristics of electroacoustic paths, methodological features of measurements. The present article is devoted to the analysis of the first and partly fourth of listed factors. The review of reflectors, the use of which is regulated in various standards, is carried out. Advantages and disadvantages of flat-bottomed holes, segmental and angular reflectors (“notches”), lateral (BCO) and vertical cylindrical drills, grooves are noted. Taking into account the peculiarities of ultrasonic wave scattering, it is noted that artificial “reflectors” such as “grooves” and BCOs are used to adjust the parameters of modern diffraction control methods. It is recommended to expand the use of grooves, BCO and vertical drilling in the revision of standards governing the use of classical echo-methods. The estimation of accuracy of measurement of defects parameters, first of all — coordinates of crack tip, with application of modern digital methods of information processing at ultrasonic control is given. It is indicated that to increase the accuracy of measurements, to determine the position and orientation of cracks in welds, it is necessary to create a database of digital doubles of samples with artificial reflectors and products with real defects. The general scheme of quality control work execution is given, taking into account the use of standards (measures), digital models of artificial reflectors and digital twins of the control process to ensure the necessary detectability of defects and reliability of manual, automated and, potentially, automatic control.
Full Text
ВВЕДЕНИЕ
В конце XX века технология ультразвукового контроля эхометодом достигла определенного насыщения: использовалась малогабаритная электронная аппаратура, извлекался максимум информации из А-сканов на дисплее дефектоскопов, т.е. из представления сигналов от дефектов в координатах «время—амплитуда». Дифракционные методы также применялись, но в основном в качестве вспомогательного средства для уточнения результатов [1—3]. При этом для настройки и проверки оборудования использовались «стандартные» и настроечные образцы, в которых выполнялись искусственные дефекты с заданными размерами.
С начала нынешнего века техника и технология дефектоскопии, в том числе ультразвукового (УЗ) контроля качества, перешла на новый этап развития. Современная цифровая аппаратура в равной степени использует эхо- и дифракционные методы УЗ контроля. Это позволяет получать акустические образы (томограммы) различных сечений контролируемых изделий и сварных швов различной конфигурации и сшивать их в объемные изображения (см., например, [4—7]). При решении теоретических и прикладных задач неразрушающий контроль переходит от дефектоскопии, т.е. умения обнаружить дефект, к дефектометрии, т.е. к измерению параметров дефекта в изделии. Задачей является выполнение измерения с той точностью, которая необходима для расчетов эксплуатационных характеристик и ресурса обследуемого объекта [8—12]. При этом требуют корректировки подходы к настройке и поверке оборудования, и на первый план выходят вопросы о погрешности измерения размеров дефектов, определения их типа и ориентации, в том числе — при автоматизированном и автоматическом контроле изделий при их производстве и монтаже, а также при периодическом диагностировании в период эксплуатации. При разработке новых подходов целесообразно шире использовать опыт, накопленный в смежных отраслях: биотехнологиях, медицине, геофизике (см., например, [13—16]).
Исходя из изложенного, представляется актуальным рассмотреть факторы, наиболее значимые для обеспечения точности измерений при ультразвуковом контроле. В первую очередь необходимо учитывать: форму, размеры и ориентацию искусственных отражателей в образцах [1, 2, 17—19], соотношение акустических свойств настроечных образцов и реальных изделий [20—22], переходные характеристики электроакустических трактов УЗ преобразователей [1, 2, 23, 24], методические особенности выполнения измерений [3, 24, 25].
В настоящей статье рассмотрим первый из перечисленных факторов, включая парк образцов и действующих требований к искусственным отражателям, которые используются для настройки и проверки оборудования при импульсной ультразвуковой дефектоскопии, и обозначим направления развития в этой области. При этом подчеркнем некоторые особенности, которые, как представляется, сохраняют наибольшую актуальность в настоящее время. Также, с учетом наработанной практики применения цифровых методов обработки данных, рассмотрим некоторые направления совершенствования методик и технологии определения размеров и типов дефектов с использованием отражателей различного типа.
ДОННАЯ ПОВЕРХНОСТЬ
Кратко обозначим вопрос о настройке глубиномера импульсного УЗ дефектоскопа или толщиномера. Известно, что эта операция основана на измерении времени приема УЗ импульса, отраженного от донной поверхности образца [1, 26]. Например, может использоваться пластинка толщиной 3 мм, закрепленная на корпусе прибора, или набор ступенек с толщиной в заданном диапазоне. В отечественной практике поверка толщиномеров проводилась по набору мер КУСОТ-180, плоскопараллельных и с разной шероховатостью и кривизной поверхности. Аналоги выпускаются и в настоящее время (см., например, сайт [27]).
Рис. 1. Схема настройки глубиномера и измерения толщины материала.
Базовые операции, необходимые для настройки и поверки толщиномера, предельно просты (рис. 1) и могут выполняться на продольных (для пьезопреобразователей — ПЭП) или поперечных волнах (для электромагнитно-акустических преобразователей — ЭМАП). Измеряется время приема донного сигнала t (если требуется — за вычетом времени задержки УЗ волн t1 в призме ПЭП или с учетом серии донных отражений), и показания глубиномера калибруются по значению толщины, определенной по формуле:
(1)
где S — «измеренная» толщина образца; v — скорость УЗ волн (продольных или поперечных). Погрешность измерения определяется по соотношениям:
(2)
где Δ — погрешности измерения (или задания) соответствующих величин.
Обычно приборная абсолютная допустимая погрешность измерения толщины задается в паспорте УЗ толщиномера в виде (A + 0,01X), где A — случайная составляющая погрешности, X — номинальное значение измеряемой толщины. Например, при A = 0,1 мм, X =10 мм, относительная погрешность ΔS/S составит 2 %. Однако следует учитывать, что согласно [20—22], в формуле (2) разница скорости УЗ волн в контролируемом материале и в настроечном образце может составить 10 % и более. В результате погрешность измерения толщины может существенно превышать данные, приводимые в паспортах на толщиномеры [28].
Рис. 2. Измерение толщины литого материала по шероховатой поверхности при относительно малом (а) и большом (б) коэффициентах затухания УЗ волн [11, 28].
Имея в виду перспективу развития УЗ толщинометрии, отметим некоторые новые возможности, которые дает использование изображений сечений изделия на дисплее цифровых приборов. На рис. 2а время приема донных сигналов может быть зафиксировано как по А-скану (линия развертки желтого цвета в нижней части дисплея), так и по В-скану (изображению сечения). На рис. 2б при прозвучивании крупнозернистого материала донные сигналы на А-скане практически неразличимы, но донная поверхность просматривается на В-скане. Согласно [28], в данном примере толщина материала составила 26±2 мм, т.е. погрешность измерения — около 8 %. Очевидно, что в связи с уширением импульса и менее четкими его границами здесь не приходится говорить о точных измерениях. Однако результат может быть достаточен для оценки технического состояния изделий из крупнозернистых материалов с неплоскопараллельными шероховатыми поверхностями (литые корпуса задвижек, насосов и т.д.). При наличии расслоения глубина его залегания также может быть определена с погрешностью, достаточной для выполнения проверочных расчетов на прочность.
СТАНДАРТНЫЕ ОБРАЗЦЫ, МЕРЫ И НАСТРОЕЧНЫЕ ОБРАЗЦЫ С ИСКУССТВЕННЫМИ ДЕФЕКТАМИ
Рассмотрим другие отражатели на примере «стандартного образца СО-1» по [29] и предыдущим версиям этого стандарта, изданным до 1972 года. Этот образец не внесен в действующий стандарт [17]. Однако в период становления ультразвуковой дефектоскопии он был обязательным в практике УЗ контроля.
Рис. 3. Образец из плексигласа СО-1.
Образец СО-1 изготавливался из плексигласа (полиметилметакрилата) (рис. 3). По БЦО-сверлениям диаметром 2 мм измерялась «условная» чувствительность пары ПЭП—дефектоскоп. Так называлась максимальная глубина расположения БЦО (в миллиметрах), которое может быть выявлено при выбранных параметрах оборудования. Также, образец СО-1 применялся для проверки и настройки глубиномера по сигналу от горизонтального пропила. Наконец, по образцу СО-1 можно было оценить лучевую разрешающую способность пары ПЭП—дефектоскоп. Для этого использовались пазы и донная поверхность — для прямых ПЭП и цилиндрические сверления разного диаметра — для наклонных ПЭП. Отметим, что в действующем стандарте [17] обязательная проверка разрешающей способности не предусмотрена. Также отметим, что образец СО-1 в первую очередь предназначался для работы с призмами (ПЭП) из плексигласа, в то время как в последние годы для изготовления призм часто используются материалы с другими акустическими свойствами.
Рис. 4. Образцы из стали СО-2 и СО-3.
В действующих документах термин «стандартные образцы» заменен на термин «мера» («калибровочные образцы») [17, 30]. Так называются изделия специальной формы и размеров, в материале которых выполнены «искусственные дефекты», или, как указано выше, «отражатели».
Согласно [17] для проверки и настройки оборудования используются образцы СО-2, СО-3 (рис. 4) и их вариант СО-3Р с отражателями:
- – плоские поверхности СО-2 и СО-3 — для калибровки глубиномера;
- – цилиндрическая поверхность СО-3 — для определения положения точки ввода УЗ лучей;
- – БЦО диаметром 2 мм в СО-2 — для проверки мертвой зоны пары УЗ преобразователь—дефектоскоп;
- – БЦО диаметром 6 мм в СО-2 — для определения угла вода УЗ волн в сталь и настройки чувствительности пары УЗ преобразователь—дефектоскоп.
Рис. 5. Образцы из стали V1 и V2.
Также допускается использование образцов V1 и V2 (рис. 5), принятых в зарубежной практике [3, 18, 19]. Диаметры БЦО этих в образцах — 1,5 и 5 мм соответственно, т.е. отличаются от БЦО в СО-2. Паз в образце V1 вместе с расположенными рядом плоскими поверхностями используется для проверки лучевой разрешающей способности пары УЗ преобразователь—дефектоскоп.
Примечание. При проверке параметров УЗ контроля по мерам и другим образцам следует иметь в виду отмеченные выше замечания о скорости УЗ волн.
Рис. 6. Отражатели в настроечных образцах: сверление с плоским дном (а); сегментный (б); угловой (в); БЦО (г).
К важному вопросу об отражателе типа «паз» вернемся ниже, а здесь рассмотрим другие «отражатели» в «настроечных» образцах, применяющиеся при выполнении УЗ контроля. Следуя работам проф. И.Н. Ермолова, начать необходимо с цилиндрического отверстия с плоским дном (плоскодонного искусственного отражателя) — рис. 6а [24, 31]. Исходя из приближения геометрической акустики, в указанных, а также зарубежных работах, например, [3], показано, что амплитуда An эхосигнала, зеркально отраженного от плоского дна сверления, связана с радиусом этого сверления bП (или площадью его дна SП), расстоянием до отражателя r и длиной УЗ волн λ, согласно соотношению [24]:
(3)
На этой основе разработаны АРД-диаграммы, т.е. номограммы, которые позволяют по амплитуде и времени приема эхосигнала от дефекта оценить его «эквивалентную» площадь (или диаметр) как площадь (или диаметр) сверления с плоским дном, амплитуда отраженного эхосигнала от которого равна амплитуде эхосигнала, принятого от дефекта. Пример такой номограммы приведен на рис. 7.
Рис. 7. Пример АРД-диаграммы по И.Н. Ермолову. Кривые черного цвета — для сверления с плоским дном. Для сравнения кривая синего цвета — для БЦО.
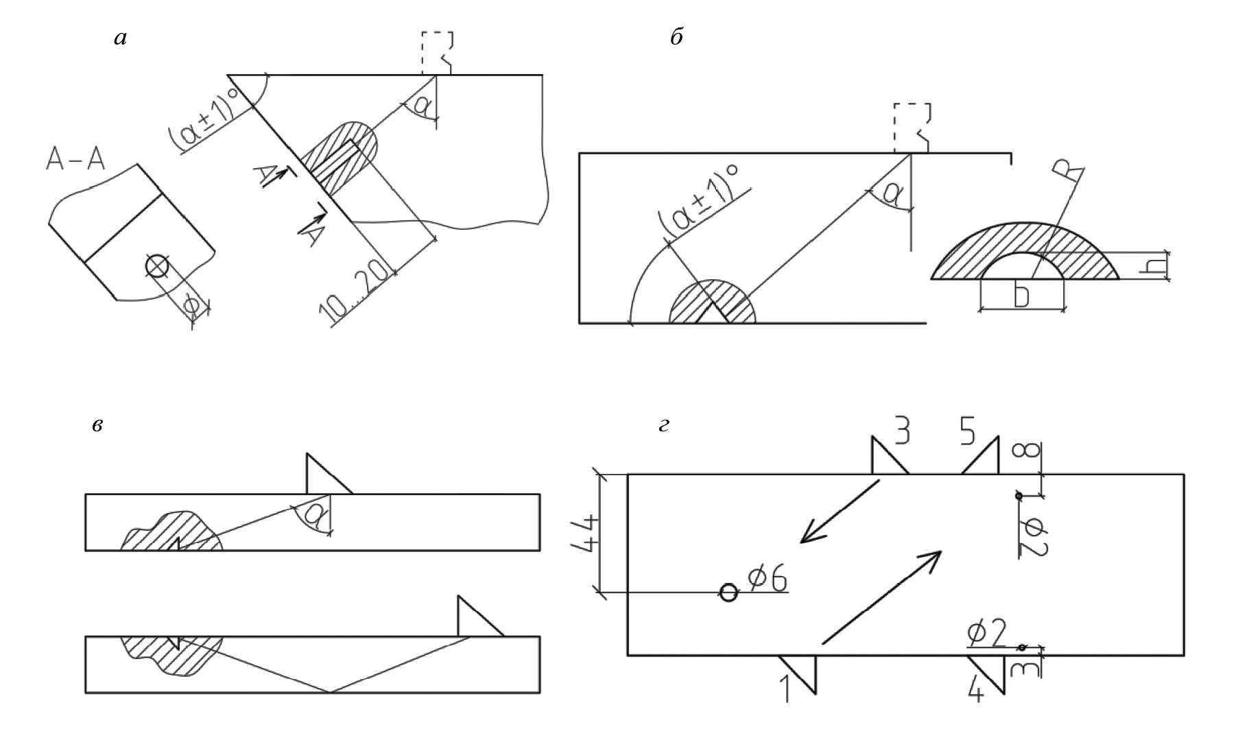
Сверление с плоским дном широко использовалось и используется в отечественной практике. Однако известны сложности, связанные с его применением. Во-первых, для того, чтобы считать отражение зеркальным, необходимо, чтобы диаметр сверления был достаточно большим по сравнению с длиной УЗ волны. На традиционных частотах 0,6—5 МГц минимальная длина поперечной волны в стали составляет 0,62 мм. Отсюда — ограничения по использованию АРД-диаграмм для оценки эквивалентной площади небольших дефектов (диаметром ориентировочно менее 2—3 мм) при контроле изделий и сварных соединений малых толщин (ориентировочно — 20 мм и менее). Кроме того, проверить плоскостность и шероховатость, а также откалибровать дно сверления малого диаметра, очевидно, достаточно сложно. Поэтому часто, в особенности при настройке оборудования для выполнения контроля изделий (стенки) малой толщины, используются другие отражатели, например, сегментный (рис. 6б) и угловой («зарубка» — рис. 6в), которые имитируют дефекты, выходящие на поверхность сварных швов — непровары, подрезы, несплавления по кромке.
Согласно [11, 17, 31], принимается, что амплитуды сигналов, зеркально отраженных от сверления с плоским дном An и от сегментного отражателя AСег, равны, если они одинаково ориентированы, расположены на одной глубине и имеют одинаковую площадь SП = SСег. При этом An вычисляется по (3). Размеры сегментного отражателя очевидно, должны быть такими, чтобы можно было вести речь о зеркальном отражении УЗ волн от его наклонной поверхности. Согласно [30], для этого необходимо выполнение условий: h > λ, h / b > 0,4, где b — длина линии пересечения наклонного сегмента с поверхностью образца.
Требования к размерам и ориентации углового отражателя также можно найти в [29]: b, h > λ, h / b = 0,5 – 4. Пересчет площади вертикальной грани зарубки Sy = hb в площадь сверления с плоским дном выполняется по формуле:
SП = NSy, (4)
где коэффициент N определяется углом ввода УЗ волн согласно графику на рис. 8. Однако проблема в том, что требования к размерам и ориентации сегментных и в особенности угловых отражателей также очень сложно выполнить.
Рис. 8. Поправка к предельной чувствительности при использовании зарубки [17].
Для пояснения целесообразно привести справку по истории зарубки. Кривая, приведенная на рис. 8, была опубликована в журнале «Дефектоскопия» в 1973 г., т.е. более чем 50 лет назад [32]. Объяснение характера этой кривой было опубликовано спустя 6 лет в статьях [33], в которых установлено, что сигнал, рассеянный зарубкой, формируется в результате интерференции нескольких составляющих. При падении поперечной волны на донную поверхность образца под третьим критическим углом основной вклад вносят зеркальное отражение от зарубки (рассчитывается методом мнимого источника) и боковая (или головная) волна, которая возбуждается на донной поверхности и отражается от вертикальной грани зарубки (рис. 9). Если поперечная волна падает под третьим критическим углом на вертикальную грань зарубки, то вклад в результирующий сигнал дает уже боковая волна, возникающая на этой грани. Также формируются сигналы, дифрагированные на ребрах зарубки. Результат интерференции этих сигналов зависит от размеров и ориентации зарубки, а также от угла ввода УЗ волн, что и объясняет вид зависимости на рис. 8. Для сегментного отражателя ситуация аналогичная. В настоящее время влияние дифракционных эффектов на формирование результирующих сигналов представляются очевидными. Однако в 70-х годах прошлого века исследование этих эффектов только начиналось.
Рис. 9. Схема расчета эхосигнала от зарубки [33].
Наклеп, который образуется на поверхности металла при изготовлении зарубки ударом бойка специальной формы или вдавливанием твердотельного индентора (см., например, [34]), изменяет акустические свойства материала. Также сложно обеспечить требования к размерам, ориентации и шероховатости вертикальной грани. В некоторых источниках предлагается изготавливать зарубку на прецизионных станках в заводских условиях. Однако, как указано выше, при этом акустические характеристики образцов, в т.ч. скорость УЗ волн, практически всегда отличаются от характеристик контролируемого материала.
Итак, угловой и сегментный отражатели также имеют ограничения по обеспечению необходимой точности ориентации и размерам, а также по возможному изменению свойств материала при их изготовлении. Поэтому актуален вопрос: можно ли использовать более простой отражатель?
В связи с этим вернемся к настройке по БЦО. Во-первых, протяженные сверления различной ориентации легко изготовить и калибровать, в т.ч. в производственных условиях. При этом акустические свойства материала образца практически не нарушаются, и это очевидное преимущество такого отражателя перед зарубкой. Во-вторых, на цилиндре диаграмма (индикатриса) рассеяния в зоне зеркального отражения практически круговая, и интенсивность дифрагированной волны, падающей вдоль цилиндра на пересечение цилиндр—дно, меньше, чем на зарубке. В-третьих, у БЦО или вертикального сверления отсутствуют торцы и боковые ребра, т.е. результирующий сигнал формируется проще, чем на зарубке или отверстии с плоским дном.
Рис. 10. Зеркальное отражение и огибание БЦО поперечными волнами.
Некоторое время назад, согласно статье [35], считалось, что БЦО малых диметров не следует использовать для настройки чувствительности УЗ контроля, поскольку амплитуда принимаемого сигнала осциллирует при изменении диаметра цилиндра. Однако в работах [36, 37] показано, что эти осцилляции возникают, только если сигналы, зеркально отраженные от поверхности сверления, интерферируют с огибающими его сигналами (рис. 10), причем, согласно [38], время задержки огибающего сигнала вычисляется по формуле:
(5)
где 2bБЦО — диаметр БЦО; Δ —угол между направлением на источник и приемник УЗ волн (в градусах); сT и cR — скорости поперечной волны и волны Релея.
В настоящее время длительность УЗ импульсов на частотах 2,5 МГц и выше не превышает 1-2 мкс. При этом из (5) следует, что указанные сигналы практически всегда разрешаются во времени и не искажают друг друга при озвучивании БЦО диаметром от 2 мм поперечной волной, а амплитуда каждого из них монотонно меняется при изменении диаметра сверления. Например, амплитуда зеркально отраженного сигнала изменяется по закону [24]:
(6)
Эта зависимость взята за основу при настройке чувствительности по БЦО диаметром 6 мм в образце СО-2, согласно введенным проф. А.К. Гурвичем SKH-диаграммам, связывающим эквивалентную площадь дефекта с его выявляемостью сигнала изменяется по закону [1, 29].
Пример оценки по (6) — кривая синего цвет на рис. 7. Поскольку зависимость (6) более пологая, чем в (3) для сверления с плоским дном, то точность настройки чувствительности по сквозному сверлению может быть ниже, чем по отверстию с плоским дном. Однако для БЦО небольшого диаметра (например, dБЦО = 2bБЦО = 2 мм) при контроле малых толщин, когда расстояния r невелики, из (3) и (6) следует, что зависимость A(r) остается достаточно крутой для обеспечения точности настройки чувствительности в пределах 1 дБ.
Таким образом, простота изготовления и проверки параметров БЦО позволяют больше ориентироваться на этот отражатель. Именно БЦО рекомендуют в зарубежных стандартах [39, 40] для построения кривых «расстояние—амплитуда» (DAC-кривых). Однако следует помнить, что при разбраковке дефектов по эквивалентной площади чувствительность контроля необходимо пересчитывать с учетом соотношения амплитуд в (3) и (6).
Отметим, что задержку времени δd между зеркально отраженным и наиболее существенным огибающим БЦО сигналами можно использовать для поверки и настройки шкалы глубиномера и шкалы времени [36, 38]. Например, для совмещенной схемы ввода поперечной волны наклонным УЗ преобразователем, т.е. при Δ = 0, из (5) получим:
δd = E · bБЦО, (7)
где bБЦО задается в миллиметрах; δd — в микросекундах. Постоянный коэффициент может быть несколько уточнен для каждого конкретного материала. Если диаметр сверления задан с погрешностью 0,1 мм, то интервал времени определяется из (7) с погрешностью не более 0,1 мкс.
Рассмотрим также вертикальный цилиндрический отражатель, например, сквозное отверстие. Согласно [24, 41], амплитуда AВС зеркально отраженного от него сигнала, принимаемого наклонным совмещенным преобразователем с углом ввода α, определяется соотношением:
(8)
где коэффициент NВС /sin α аналогично коэффициенту N для зарубки в (4) учитывает возможное влияние донной поверхности. Используя (8) совместно с (3), можно пересчитать чувствительность при настройке по вертикальному сверлению по сравнению с настройкой по сверлению с плоским дном.
Заметим, что вертикальное сверление универсально в том смысле, что его пересечение с поверхностями образца имитирует дефекты, выходящие на поверхность изделий, а центральная часть — внутренние дефекты. Поэтому одно и то же сверление можно использовать на прямом и отраженном луче, в схеме «тандем», в «хордовой» или любой другой схеме, в которой плоскости ввода и/или вывода УЗ волн не совпадают с плоскостью рис. 6 (см., например, [1, 42, 43]). Следует только помнить, что БЦО в образце СО-2 озвучивается перпендикулярно оси цилиндра, т.е. имеет место двухмерная задача рассеяния УЗ волн на цилиндрической полости, а для вертикального сверления реализуется 3D-рассеяние: направления озвучивания не перпендикулярны оси цилиндра [44, 45], и может потребоваться корректировка расчета рассеянных сигналов.
Также отметим, что, как показано в [38, 45], амплитуда сигнала от сверления в широком диапазоне углов и свойств материалов пропорциональна углу наклона оси цилиндра. Это дает возможность снизить влияние наклонов оси сверления на результаты настройки параметров УЗ контроля.
Рис. 11. К настройке чувствительности по вертикальному сверлению.
Например, чувствительность можно настраивать по полусумме амплитуд эхосигналов A1 и A2, принимаемых от сверления с противоположных направлений, как на рис. 11:
(9)
Величина A с погрешностью менее ±0,75 дБ равна номинальной амплитуде эхосигнала от цилиндрического сверления, выполненного строго вертикально.
Из изложенного очевидно, что метрологическое обеспечение ультразвукового контроля при использовании сверлений различного направления в образцах реализовать значительно проще, чем для других отражателей, рассмотренных в настоящем разделе. Представляется целесообразным более широко использовать данные отражатели, в том числе вертикальные сверления, при пересмотре действующего стандарта [17].
ПАЗЫ В НАСТРОЕЧНЫХ ОБРАЗЦАХ
Завершая приведенный обзор, необходимо рассмотреть использование пазов в качестве отражателей. Выше они упоминались в связи с проверкой разрешающей способности системы преобразователь—дефектоскоп по образцам СО-1 и V1. Рассмотрим этот отражатель с другой точки зрения. Точнее, далее говорить о пазе как об отражателе не совсем корректно, поскольку речь больше пойдет о дифракционных эффектах, например, дифракционно-временного метода (ДВМ или TOFD — Time-of-Flight Diffraction) [6, 46].
Рис. 12. Фрагмент настроечного образца с пазами, согласно [47]: общий вид (а); регламентированная форма паза (б).
В стандартах, в том числе зарубежных, действующих ориентировочно с 1998 года, например, в [47], рассеянный на острие паза сигнал используется для настройки диапазона развертки. При этом оговаривается раскрытие паза, например, 0,2 мм, и угол между гранями в острие — 60о (рис. 12). Но что представляет собой это острие и как изготовить паз, чтобы выполнить требования к его геометрической форме?
Очевидно, при фрезеровании торец паза имеет естественное закругление. Его диаметр можно уменьшить, если изготавливать паз электроэрозионным способом. Но и в этом случае торец имеет вид полуцилиндра (рис. 13).
Рис. 13. Макрошлифы пазов раскрытием 0,14 (а), 0,4 (б), 1,0 (в), выполненных электроэрозионным способом [48].
В TOFD главная анализируемая характеристика — не амплитуда сигналов, а время их приема. При раскрытии паза в доли миллиметра это время можно фиксировать в пределах ориентировочно 0,1 мкс, что достаточно для измерения координат острия в стали или алюминии с точностью в пределах 0,6 мм для продольной волны или 0,3 мм для поперечной. Иная ситуация имеет место при анализе амплитуд сигналов от пазов. На частоте 5—10 МГц диаметр закругления электроэрозионного паза близок к 0,4 длины волны. Экспериментальные результаты свидетельствуют о том, что угловые зависимости амплитуд сигналов, рассеянных на таких закруглениях, аналогичны рассеянию на БЦО, а не на острие полуплоскости, имитирующем трещину [48]. Поэтому амплитуду сигнала, рассеянного торцом паза, даже при минимально достижимом его раскрытии нельзя использовать для оценки наличия или отсутствие острия у реального дефекта. Причина становится очевидной, если сравнить рис. 13 с рис. 14, на котором в аналогичном масштабе показаны микрошлифы стальных образцов с трещинами: раскрытие трещин существенно меньше даже при самом малом раскрытии пазов.
Рис. 14. Трещины в сечении стенки трубы [49, 50]. Масштаб: 1 см : 50 мкм (а); 1 см : 100 мкм (б).
Также отметим, что в стандартах [6, 47] пазы (пропилы) предлагается завершать сверлением малого диаметра. Согласно изложенному выше, такие сверления диаметром не более 2 мм позволяют задавать время приема сигналов, огибающих пропилы, с точностью в пределах 0,1 мм. Однако при этом УЗ волны огибают сверления по механизму, аналогичному приведенному на рис. 10 для объемного дефекта. Поэтому, как и для рис. 12 и рис. 13, амплитуда регистрируемых сигналов не соответствует амплитуде сигналов, огибающих острие трещин.
Представляется целесообразным учесть изложенные особенности рассеяния УЗ волн на пазах при очередном пересмотре стандарта [17].
О МОДЕЛИРОВАНИИ ДЕФЕКТОВ ПРИ АВТОМАТИЗАЦИИ СКАНИРОВАНИЯ
Далее рассмотрим перспективы использования различных искусственных отражателей для настройки параметров УЗ контроля с учетом автоматизации сканирования, цифровой обработки сигналов и представления информации о дефектах в сечениях изделий. Один пример был приведен при иллюстрации возможности измерения толщины изделия по В-скану. На рис. 15 приведен другой пример изображения сечения металла: S-скан стыкового сварного шва толщиной 9 мм, полученный фазированной антенной решеткой (ФАР) с углами ввода в диапазоне 45—70о. При наложении этого изображения на разделку кромок видно, что сигналы 1-1 и 1-2 на прямом и отраженном лучах получены от несплавления 1, а сигнал 2 — на прямом луче от шлакового включения 2.
Рис. 15. S-скан сварного шва.
Традиционно считается, что амплитуда сигнала от плоскостного дефекта должна быть больше, чем от объемного с аналогичной апертурой. На рис. 15 максимальная амплитуда соответствует красному цвету, т.е. соотношение амплитуд — обратное. Очевидно, причина в том, что несплавление озвучивается неоптимальным образом.
В связи с этим вернемся к рассмотрению искусственных дефектов в образцах для настройки параметров УЗ контроля. При построении АРД-диаграмм «вручную» преобразователь путем небольших смещений и поворотов выставляется так, чтобы амплитуда эхосигнала от плоского дна на рис. 6а принимала максимально возможное значение. Однако при автоматизированном контроле часто нет возможности искать максимальную амплитуду сигнала от каждого дефекта. На рис. 16 приведен пример В- и С-сканов отверстий с плоским дном при автоматизированном перемещении преобразователя по поверхности настроечного образца. Теперь максимальное значение амплитуды для каждого отражателя, как минимум, не очевидно.
Рис. 16. Результат сканирования образца с плоскодонными отверстиями: схема расположения плоскодонных отверстий (а); В-скан (б); С-скан (в) [58].
С одной стороны, при контроле сварных швов допускаются определенные отклонения параметров контроля от номинальных значений [8, 17, 50—52]. Но, с другой стороны, на практике такие отклонения могут оказаться весьма существенными [53—55]. В работах [56, 57] показано, что при допустимом изменении частоты УЗ волн в пределах ±10 % или угла ввода на ±3о, амплитуда сигнала от сверлений с плоским дном измеряется до ±2 дБ в первом случае и до ±3,5 дБ во втором (рис. 17). Таким образом, даже в традиционном эхометоде возможны ошибки в два раза и более при настройке чувствительности и далее — при измерении эквивалентной площади дефектов.
Рис. 17. Влияние частоты (а) и угла ввода (б) на параметры АРД-диаграмм [56].
Аналогично и для зарубки: при смещении преобразователя от расчетного положения на 1-2 мм амплитуда принимаемого сигнала может измениться на 6 дБ, т.е. измеренная эквивалентная площадь может отличаться от расчетной в 2 раза. Но именно такая ситуация имеет место при сканировании изделий в автоматизированном режиме: перемещая преобразователь вдоль сварного шва, оператор как правило озвучивает дефект в «неоптимальном» направлении.
Если по условиям эксплуатации объекта в обязательном порядке требуется повысить точность локализации дефектов, то детальное сканирование с дублированием в автоматизированном или ручном режимах может быть экономически оправдано. Однако при этом производительность контроля может снизиться в разы. Чаще нет возможности повторять сканирование. Это имеет место, например, при диагностировании сварных швов магистральных трубопроводов, резервуаров и т.д. Поэтому необходимо оценивать дефекты в условиях, когда акустические изображения, полученные при одном цикле сканирования, не обеспечивают измерение максимальных значений амплитуд сигналов. Также важно, что по мере развития технологии УЗ дефектоскопии необходимо повышать степень автоматизации расшифровки изображений [9]. Поэтому поставленные вопросы представляются актуальными для дальнейшего развития дефектоскопии в целом и в частности — применяемых методик и технологии УЗ контроля.
Наиболее простая ситуация возникает, если при следующем цикле обследования выявляются новые сигналы, которые можно интерпретировать как сигналы от дефектов, возникших в изделии в междиагностический период. В этом случае амплитуда имеет вспомогательное значение. Более важен сам факт возникновения дефекта. Необходимо определить, это механическое повреждение, трещина или коррозия. Если тип дефекта определен, то можно анализировать причину его появления и скорость развития, планировать срок и условия продолжения эксплуатации или срок вывода объекта в ремонт.
Рис. 18. Диаграмма допускаемых размеров дефектов.
Более сложный случай, если при обследовании выявляется изменение параметров ранее обнаруженных сигналов, например, возросла амплитуда или условная протяженность. Впрочем, возможно изменение и в сторону уменьшения. Тогда для принятия каких-либо решений необходимо определить, насколько существенно обнаруженное изменение, укладывается ли оно в пределы погрешности измерений. Поясним это на примере, разработанном согласно [8] для привязки размера дефекта в изделии к сроку, в течение которого может продолжаться эксплуатация объекта (рис. 18). По осям отложены размеры дефекта, измеренные при УЗ контроле, кривая 1 задает предельно допустимые размеры дефектов, и введены области сроков безопасной эксплуатации: 2 — на конец срока оценки; 3, 4, 5 — на 1, 2 и 4 года соответственно. Видно, что в данном случае разница в высоте дефектов, переводящих их из одной категории в другую, составляет 2 мм. Но из того же источника [8] известно, что погрешность измерения высоты дефекта (или глубины залегания его острия в сварном шве) близка к длине УЗ волны. Следовательно, для поперечной волны на частоте 2,5 МГц, т.е. при длине волны в стали 1,2 мм, погрешность измерения высоты дефекта составит, как минимум, ±1,2 мм. Например, если измеренная высота дефекта составила 5,5 мм при условной протяженности 50 мм, то из рис. 18 следует, что изделие с дефектом может эксплуатироваться до 2 лет. Однако с учетом указанной погрешности высота дефекта находится в диапазоне от 4,3 до 6,7 мм. Следовательно, допустимый срок эксплуатации изделия должен быть снижен до 1 года. Измерив координаты острия дефекта с меньшей погрешностью, можно было бы более точно выполнить оценку срока безопасной эксплуатации объект, или задать меньшие коэффициенты запаса.
Рис. 19. В- и D- сканы в сравнении с микрошлифом реальной трещины [8].
На рис. 19а, б приведен еще один пример из сборника [8]: В- и D-сканы одного и того же выявленного дефекта, т.е. его УЗ изображения в поперечном сечении сварного шва и в сечении вдоль оси шва. Из изображения микрошлифа на рис. 19в следует, что обнаружена трещина. Однако необходимо обратить внимание на то, что по вертикальной оси В- и D-сканов шкала построена с шагом 6 мм. Возникает вопрос: на каком участке D-скана и с какой точностью измерена его высота? Ведь если сместить преобразователь на несколько миллиметров вдоль оси сварного шва, то при оценке высоты дефекта можно ошибиться на ±2 мм относительно изображения, показанного В-скане слева. При этом амплитуда сигнала от дефекта может как увеличиться, так и уменьшиться, что приведет к неопределенности в оценке срока безопасной эксплуатации объекта по диаграмме на рис. 18. Поэтому, как указано выше, при анализе изображений дефектов в сечении изделий следует иметь в виду, что амплитуда принимаемых сигналов — важный, но не единственный, а иногда и не основной параметр, который необходимо анализировать при измерении размеров и разбраковке дефектов.
С одной стороны, приведенные акустические изображения дефектов иллюстрируют то существенное движение вперед, которое произошло в УЗ дефектоскопии с начала 21 века. Действительно, разработаны и внедрены в производство технологии УЗ дефектоскопии, позволяющие визуализировать положение дефектов в сечении изделий и сварных швов. С другой стороны, представляется, что в настоящее время метрологическое обеспечение УЗ методов контроля, в частности вопросы точности измерений параметров дефектов по получаемым изображениям, отстают от самих этих технологий. Например, возникает актуальный вопрос о том, как правильно настраивать параметры автоматизированного УЗ контроля, когда выявление и разбраковка дефектов проводится в рамках непрерывного цикла измерений [9]. По-видимому, требуются дополнительные технологические приемы, которые позволят уточнить параметры выявляемых дефектов.
Приведем примеры из смежных областей науки и техники. Например, хорошо известно, что дельфины (афалины) применяют эхолокацию для ориентирования, поиска, общения в воде. Исследователи, работающие в данной области, полагают, что дельфины используют четыре различные способа озвучивания объектов на разных частотах, с разных направлений и с разными диаграммами направленности на излучении и приеме. В результате формируется четырехмерное изображение окружающей среды, включая три пространственные координаты и спектральный состав принимаемых сигналов. Это дает возможность, например, различать два шара из одинаковых материалов, диаметры которых отличаются на 2-3 %, или два одинаковых по форме предмета с разницей плотности 10 % [13].
Другой пример — УЗИ-сканирование при медицинском обследовании мягких тканей человека [14]. Обычно используются частоты в диапазоне от 1 МГц (длина волны — 1,5 мм) до 6 МГц (длина волны 0,4 мм). Однако для измерения толщины отдельных структур, например, оболочек органов или кожных покровов, частота может быть повышена до 12 МГц, что соответствует длине волны 0,2 мм. Применяется несколько приемов, в том числе сравнение результатов озвучивания органов с различных направлений. В результате специалисты фиксируют размеры объектов ориентировочно от 0,2 мм.
Имеется несколько существенных отличий в условиях эхолокации в приведенных примерах и в УЗ дефектоскопии. Во-первых, в жидкости отсутствует поперечная волна, и поэтому количество помех акустического происхождения меньше, чем при обследовании упругих сред. Во-вторых, для указанных областей применения УЗ локации выявление трещин и измерение кривизны в острие объекта не является характерной задачей. Наконец, и для дельфинов, и в медицине важное значение имеет эхогенность внутренней структуры обследуемого «органа»: однородна ли она, выделяются ли в ней дополнительные элементы. В УЗ дефектоскопии внутренняя структура трещины или шлакового включения обычно не представляет интерес.
Но подчеркнем, что наиболее важной общей особенностью приведенных примеров, которая может быть важна для УЗ дефектоскопии, является то, что наблюдаемые объекты оцениваются только по результатам сравнения акустических изображений, получаемых по разным каналам или с разных направлений и после их сравнения с «нормой». При этом амплитуда принимаемых сигналов — важный, но не основной анализируемый параметр.
Развитие УЗ дефектоскопии в целом также идет в этом направлении. Примером являются технологии, использующие многоэлементные системы с синтезированной апертурой — цифровой фокусировкой антенной решетки (ЦФА) [59, 60]. В зарубежной практике за аналогичными системами закрепилась аббревиатура FMC/TFM (Full Matrix Capture / Total Focusing Method — полноматричный захват в сочетании с методом полной фокусировки) [61]. Эти методы основаны на том, что каждый из элементов антенной решетки (или некоторая группа элементов) излучает УЗ волны, и каждый элемент решетки (или некоторая группа элементов) принимает сигналы, рассеивающиеся на дефекте. Габаритные размеры антенной решетки обычно составляют единицы сантиметров, т.е. дефекты протяженностью или высотой в единицы миллиметров озвучиваются с разных сторон, а программное обеспечение «собирает» все рассеянные сигналы с учетом их амплитуд, фаз и сдвига во времени приема.
Рис. 20. Выявление БЦО в стальном образце с применением FMC/TFM [61].
На рис. 20 иллюстрируется акустическое изображение БЦО диаметром от 1 мм, полученное методом FMC/TFM. Координаты сверлений можно определить в пределах 1 мм. Аналогичные изображения объемных дефектов можно найти в [8, 59] и других источниках. Но возникает вопрос: как выглядят акустические изображения плоскостных дефектов? Возможный ответ приведен, например, в [62]. Используя специальные алгоритмы обработки на основе метода ЦФА, авторы получили акустические изображения щели, раскрытием менее 1 мм, глубиной 4 мм в образце толщиной 17 мм из стали Ст20 в сравнении с изображением БЦО диаметром 1,5 мм — рис. 21.
Рис. 21. Выявление БЦО диаметром 1,5 мм и вертикального паза глубиной 4 мм с применением ЦФА [5].
На таких томограммах изображение плоскостного дефекта (паза) можно соотнести с его фактической формой. Эффект усиливается, если одновременно фиксировать изображение дефекта в перпендикулярном сечении, как на рис. 19а, б. Однако по изображениям на рис. 15, 19, 21 раскрытие и координаты «острия» реального или «искусственного» дефекта можно только оценить в пределах 2-3 мм в зависимости от уровня чувствительности, на котором выполняется измерение. Это естественное ограничение связано с соотношением длины УЗ волны, длительности импульса и достижимой разрешающей способностью. Более того, изображение реальных трещин на томограммах по сравнению с изображениями искусственных дефектов (пазов) может дополнительно расширяться в связи с рассеянием УЗ волн на шероховатой поверхности дефекта, наклоненного по отношению к поверхностям изделия [5, 63].
Таким образом, в настоящее время вряд ли можно считать, что погрешность измерения раскрытия плоскостных дефектов по УЗ томограммам достаточно мала, чтобы уверенно оценивать координаты острия и раскрытие плоскостных дефектов с погрешностью менее миллиметра.
Рис. 22. Общая схема выполнения работ по контролю качества [9, 64].
Фактически решение о раскрытии трещины принимается на основе экспертной оценки после обучения специалиста (или автоматизированной системы) с использованием баз данных изображений искусственных и реальных трещин и других дефектов. Для того, чтобы в полной мере использовать информацию, которую в настоящее время позволяют получать B-, C-, D- и др. сканы, необходимо разрабатывать и накапливать цифровые модели изделий, сварных швов и настроечных образцов с искусственными и реальными дефектами разного типа и без них. Для автоматизации измерения раскрытия и габаритов дефектов по их акустическим изображениям, необходимо учитывать:
- – размеры и ориентацию искусственных дефектов (пазов, сверлений);
- – форму образа дефекта на акустических изображениях с учетом озвучивания дефекта с разных направлений.
Также представляется целесообразным анализировать спектр принимаемых сигналов. Амплитуда сигналов на акустических изображениях также важна, но существенно меньше, чем это было при анализе А-сканов.
ЗАКЛЮЧЕНИЕ
- Образцы (меры) СО-2, СО-3 и аналогичные, а также настроечные образцы с искусственными дефектами предназначены для определения предельно достижимых характеристик оборудования для ультразвукового контроля и для настройки этого оборудования.
- В зависимости от области применения и вида контролируемых изделий при настройке параметров УЗ контроля применяются настроечные образцы с искусственными и/или естественными дефектами. Такие «дефекты» только условно можно называть традиционным словом «отражатель», поскольку часто основной вклад в регистрируемые сигналы вносят дифракционные эффекты.
- Среди искусственных дефектов («отражателей») наибольшее распространение в отечественной практике имеют донная поверхность (плоская и цилиндрическая), сверления с плоским дном, БЦО (боковые цилиндрические отверстия), угловые отражатели («зарубки»). В зарубежной практике в большей степени применяются пазы. Также пазы и БЦО используются при контроле с использованием ультразвукового дифракционно-временного метода TOFD.
- Вертикальные сверления при настройке используются редко, достоинства этого отражателя при работе эхометодом недооценены. Между тем, меры и настроечные образцы с искусственными дефектами («отражателями») в виде сверлений наиболее просто изготовить и подтвердить их метрологические характеристики. Используя простые технологические приемы, можно существенно снизить влияние случайных отклонений ориентации сверлений и акустических свойств материала на результаты настройки параметров УЗ контроля. Представляется целесообразным рекомендовать расширить применение цилиндрических сверлений различной ориентации, а также пазов, при очередном пересмотре стандартов по ультразвуковому контролю.
- На современном этапе развития УЗ дефектоскопии термин «моделирование дефектов» целесообразно понимать не в традиционном ранее смысле: «какие модели искусственных дефектов лучше всего использовать», а в том смысле, что методики и технология настройки оборудования и способы обработки получаемой информации, включая применение настроечных образцов, должны позволять идентифицировать дефект и измерять его параметры с точностью, необходимой для расчета прочности, устойчивости, остаточного ресурса, других эксплуатационных характеристик объекта. Технология УЗ контроля должна обеспечивать измерение размеров, формы и ориентации дефектов. Для достижения этой цели необходимо обучение (специалистов и/или автоматизированных систем) с использованием цифровых «двойников» настроечных образцов с дефектами, которые можно получить, например, применяя цифровую фокусировку антенной решетки (ЦФА или FMC/TFM).
- С учетом современных трендов построения оборудования неразрушающего контроля и сформированных задач автоматической интерпретации измерительной информации с целью определения типа дефектов структуры (несплошностей) и их геометрических параметров, общая схема системы неразрушающего контроля (дефектоскопии) и условий выполнения технологических операций, в том числе в составе работ по диагностированию технически сложных систем, приведена на рис. 22, согласно [9, 64]. В рамках этой схемы необходимо обеспечивать валидацию (подтверждение соответствия заданным требованиям) цифровых моделей дефектов и объекта контроля, верификацию (апробацию) методик контроля, выполнение работ по контролю с автоматизацией различных операций. В состав таких операций могут входить (все или некоторые): калибровка и настройка оборудования путем выявления искусственных и/или реальных дефектов в настроечных образцах, сканирование, передача и запись первичных результатов, расшифровка получаемых акустических изображений, разбраковка каждого выявленного дефекта и изделия в целом, архивирование данных.
- Принятие решения о размерах, форме, ориентации дефектов, выявленных по акустическим изображениям, приведенным на рис. 15, 16, 19 — 21, или аналогичным, полученных с использованием других методов визуализации, должно проводиться на основании сравнения акустического изображения дефектов в контролируемом изделии с «цифровыми двойниками» настроечного образца с искусственными и/или реальными дефектами и соответствующей нормативно-технической документацией. Аналогично — для получения информации о развивающихся дефектах. При этом следует помнить о возможных ограничениях на точность измерения величины раскрытия и координат дефекта в пределах 2-3 мм в зависимости от установленного уровня чувствительности. Это естественное ограничение связано с соотношением длины УЗ волны, длительности импульса и достижимой разрешающей способностью.
- В настоящее время оценка параметров дефектов по B-, C-, D- и др. сканам выполняется на экспертном уровне высококвалифицированными специалистами. Для автоматизации этого процесса необходимо накопить представительную выборку акустических изображений («цифровых двойников») настроечных образцов и контролируемых изделий с дефектами и без них.
- Необходимо разработать единые подходы к аттестации цифровых двойников настроечных образов с дефектами и без них [9]. Если эту операцию проводить на оборудовании какой-либо одной фирмы, то может оказаться невозможным просмотр и анализ этих результатов на другом оборудовании. Поэтому целесообразно переходить на единый стандарт представления данных, получаемых при УЗ контроле. Например, известен формат DICONDE (Digital Imaging and Communication in NDE — Цифровая визуализация и связь в неразрушающем исследовании материалов) [6, 65]. Однако он разработан по аналогии с используемым в медицине форматом DICOM (Digital Imaging and Communication in Medicine — Цифровая визуализация и связь в медицине), который в первую очередь ориентирован на работу с плоскими изображениями. Для УЗ дефектоскопии этого недостаточно, поскольку необходимо хранить все виды сканов, в т.ч. А-сканы, которые неактуальны для радиографии. Возможно, лучшим решением было бы использование других предложения, например, [66], если это позволит универсальным образом, совместимым с оборудованием разных производителей, описывать весь набор информации, необходимой для получения, обработки, хранения, архивирования, передачи и приема акустических изображений отражателей, настроечных образцов и контролируемых изделий.
About the authors
L. Yu. Mogilner
Bauman Moscow State Technical University; Scientific and Training Centre «Welding and Control» Bauman Moscow State Technical University
Author for correspondence.
Email: mogilner@mail.ru
Russian Federation, 105005, Moscow, 2nd Baumanskaya str., 5, p. 1; 105005 Moscow, 2nd Baumanskaya str., 5
V. A. Syasko
«Constanta» Ltd
Email: 9334343@gmail.com
Russian Federation, 199106 Saint Petersburg, Ogorodny Lane, 21
A. I. Shikhov
Saint Petersburg Mining University
Email: shihov-gol@mail.ru
Russian Federation, 199106 St Petersburg, 21st Line, 2
References
- Aleshin N.P., White V.E., Vopilkin A.H., Voshchanov A.K., Ermolov I.N., Gurvich A.K. Methods of acoustic control of metals. M.: Mashinostroenie, 1989. С. 456.
- Non-destructive testing: Reference book in 8 volumes / Under general editorship of V.V. Klyuev. V. 3. Ermolov I.N., Lange Yu.V. Ultrasonic control. Moscow: Mashinostroenie, 2008. С. 864.
- Krautkramer Josef & Herbert. Werkstoffprufung mit Ultrachall. Berlin, Heidelberg, New York, London, Paris, Tokyo: Springer-Verlag, 1986. (J. & G. Krautkramer. Ultrasonic Inspection of Materials. Reference book; per. from German. Under edition of V.N. Volchenko. M.: Metallurgy, 1991. С. 752.)
- Badalyan V.G., Bazulin E.G., Vopilkin A.H., Kononov D.A., Samarin P.F., Tikhonov D.S. Ultrasonic defectometry of metals with application of holographic methods / Ed. by A.H. Vopilkin. Moscow: Mashinostroenie, 2008. С. 368.
- Internet resource: https://acsys.ru/vozmozhnosti-otsenki-kharactera-nesploshnosti-metalla-ultrazvukovym-tomografom/. Date of circulation 18.12.2023.
- Ginzel E. TOFD. Diffraction-time method of ultrasonic flaw detection. M.: DPK Press, 2021. P. 312. (Ed. Ginzel. Ultrasonic Time of Flight Diffraction. Waterloo, Ontario, Canada: Eclipse Scientific, 2013. 249 p.)
- Ginzel E. Phased Array Ultrasonic Technology. Waterloo, Ontario, Canada: Eclipse Scientific, 2013. С. 348.
- Ultrasonic defectometry. 30 years.: Anniversary Proceedings of LLC “NPC “Echo+” / Edited by A.H. Vopilkin. M.: Izd. Dom «Spektr», 2020. С. 216.
- Gogolinskiy K., Syasko V. Metrological Assurance and Standardisation of Advanced Tools and Technologies for nondestructive Testing and Condition Monitoring (NDT4.0) // Research in Nondestructive Evaluation. 2020. No. 31. P. 325—339. https://doi.org/10.1080/09349847.2020.1841863
- Syasko V., Gogolinskiy K. From NDT to Condition Monitoring // Development Trends in Digital Economy. null. 2020. No. 23. P. 4—8. https://doi.org/10.12737/1609-3178-2020-4-8
- Mogilner L.Yu., Neganov D.A., Skuridin N.N. Metal structures inspection at the site facilities of the main pipelines. M.: Technosphere, 2023. P. 440.
- Kretov E.F. Ultrasonic defectoscopy in power engineering. Saint-Petersburg: Sven Publishing House, 2014. 312 p.
- Internet resource: stena.ee/blog/rfr-eto-rabotaet-eholokatsia-delfinov. Date of circulation 18.12.2023.
- Internet resource: evromedcompany.ru/ultrazvuk/rukovodstvo-po-ultrozvuk. Date of circulation 18.12.2023.
- Syas’ko V., Shikhov A. Assessing the State of Structural Foundations in Permafrost Regions by Means of Acoustic Testing // Appl. Sci. Sci. 2022. № 12. С. 2364. https://doi.org/10.3390/app12052364
- Ogino T., Kawaguchi T., Yamashita S., Kawajiri S. Measurement deviations for shear wave velocity of bender element test using time domain, cross-correlation, and frequency domain approaches // Soils and Foundations. 2015. No. 55. P. 329—342. https://doi.org/10.1016/j.sandf.2015.02.009
- GOST P 55724—2013. Non-destructive testing. Welded joints. Ultrasonic methods.
- ISO 2400. Non-destructive testing — Ultrasonic examination — Specification for calibration block No. 1.
- ISO 7963. Non-destructive testing — Ultrasonic examination — Specification for calibration block No. 2.
- Muravyev V.V., Zuev L.B., Komarov K.L. Sound velocity and structure of steels and alloys. Novosibirsk: Nauka, 2006. С. 219.
- Rinkevich A.B., Smorodinsky Ya.G. Elastic waves in an inhomogeneous plate of austenite in the model of a transversally isotropic medium (in Russian) // Defectoscopya. 2001. No. 7. P. 40—63.
- Alyoshin N.P., Baranov V.Yu., Bezsmertnyi S.P., Mogilner L.Yu. Influence of the rolling elasticity anisotropy on the defects detectability at the ultrasonic quality control of the large-diameter pipes welding (in Russian) // Defectoscopya. 1988. No. 6. P. 80—86.
- Ultrasonic piezoelectric transducers for nondestructive testing. Under general editorship of I.N. Ermolov. M.: Mashinostroenie, 1986. P. 280.
- Ermolov I.N. Theory and practice of ultrasonic control. M.: Mashinostroenie, 1981. P. 240.
- Konshina V.N., Dymkin G.Ya. Modern approaches to the certification of the ultrasonic control methods (in Russian) // Defectoscopya. 2008. No. 2. P. 5—14.
- GOST 8.495—83 State system for ensuring uniformity of measurements. Ultrasonic contact thickness gauges. Methods and means of verification.
- Internet resource: httrs://constanta-us.com/catalog/nabor_kusot_180). Date of circulation 15.01.2024.
- Mogilner L.Yu., Vremenko A.V., Skuridin N.N., Pridein O.A. Application of electromagnetic-acoustic thickness gauges in diagnostics of metal structures and mechanical-technological equipment // Science and technology of pipeline transport of oil and oil products. 2019. No. 3. P. 315—325.
- GOST 14782—86. Non-destructive control. Welded joints. Ultrasonic methods.
- GOST R ISO 5577—2009 Non-destructive testing. Ultrasonic control. Vocabulary.
- Ermolov I.N. Methods of ultrasonic flaw detection. L.-M.: Izd-vo of the Moscow Mining Institute, 1966. P. 267.
- Kramorov G.A., Evsyukov V.N. About the ratio of the areas of the flat-bottom and angular reflectors (in Russian) // Defectoscopya. 1973. No. 4. P. 138—140.
- Perevalov S.P., Raikhman A.Z. Acoustic tract of an inclined seeker for an angular type reflector // Defectoscopya. Part 1. 1979. No. 11. P. 5—15. Defectoscopya. Part 2. 1979. No. 12. P. 28—36.
- Internet resource: https://a3-eng.com/ultrazvukovoj-kontol. Date of circulation 22.01.2024.
- Golubev A.S. Reflection of plane waves from a cylindrical defect // Defectoscopy. 1961. No. 7. P. 174—180.
- Alyoshin N.P., Mogilner L.Yu. Elastic field analysis of the ultrasonic waves scattered on a cylindrical cavity (in Russian) // Defectoscopya. 1982. No. 12. P. 18—29.
- Mogilner L.Yu. Application of the cylindrical reflector for sensitivity adjustment at ultrasonic inspection (in Russian) // Defectoscopya. 2018. No. 7. P. 27—36.
- Mogilner L.Yu., Smorodinsky Y.G. Ultrasonic control: application of the cylindrical drilling for adjustment and verification of the equipment (in Russian) // Defectoscopya. 2018. No. 9. P. 14—20.
- ASME T-530. Ultrasonic Testing of Welded Joints.
- ISO 18611. Non-destructive testing — Ultrasonic testing — Sensitivity and rage setting.
- Ermolov I.N., Vopilkin A.H., Badalyan V.G. Calculations in ultrasonic flaw detection. (Brief reference book). M.: OOO NPC NK «Echo+». 2004. P. 109.
- Chernov V.S. Quality control of the welded pipe joints of small diameters: X-ray or ultrasound // In the world of non-destructive testing. 2002. No. 2 (16). P. 32—39.
- Internet resource: Official server of Altes (ultes.info). Date of address 15.03.2024.
- Alyoshin N.P., Baranov V.Yu., Lezhava A.G., Mogilner L.Yu. Adjustment of sensitivity of ultrasonic control by a vertical cylindrical hole // Defectoscopya. 1989. No. 10. P. 23—29.
- Alyoshin N.P., Lezhava A.G., Mogilner L.Yu. Study of Elastic Wave Diffraction on Channel Defects and Recommendations to Increase Their Detectability // Defectoscopya. 1986. No. 11. P. 4—10.
- Silk Maurice G. Dr. Ultrasonic Transducers for Nondestructive Testing. Bristol: Adam Hilger, 1984.
- ISO 10863. Non-destructive testing of welds — Ultrasonic testing — Use of time-of-flight diffraction technique (TOFD).
- Alyoshin N.P., Mogilner L.Yu., Shchipakov N.A., Kusyy A.G., Tishkin V.V., Degtyarev M.N. About the use of grooves for crack modelling at ultrasonic flaw detection (in Russian) // Defectoscopya. 2022. No. 2. P. 3—12.
- Melnikova A.V., Misharin D.A., Bogdanov R.I., Ryakhovskikh I.V. Justification of serviceability of main gas pipelines with stress corrosion cracking defects // Corrosion Territory Neftegaz. 2015. No. 2 (31). P. 32—40.
- Alyoshin N.P., Krysko N.V., Shchipakov N.A., Kusyy A.G. Ultrasonic control and complex application of defectoscopy methods in diagnostics of main pipelines // Science and technology of pipeline transport of oil and petroleum products. 2023. No. 13 (1). P. 8—17.
- Kolesnikov O. I., Gait A. V., Golosov P. S. Boundaries of applicability of the diffraction-time method of control at the pipeline transport objects // Science and technology of pipeline transport of oil and oil products. 2022. No. 12 (6). P. 560—568.
- Mogilner L.Yu. Experience of application of the TOFD ultrasonic technology in diagnostics of the RVS // Science and technology of oil and oil products pipeline transport. 2023. No. 13 (5). P. 411—421.
- RD 34.17.302-97 (OP 501 CD-97) Steam and hot water boilers. Steam and hot water pipelines, vessels. Welded joints. Quality control. Ultrasonic control. Basic provisions.
- Basatskaya L.V., Voronkov V.A., Staseev V.G. Sensitivity etalonisation at ultrasonic control (in Russian) // Heavy Engineering. 2000. No. 4. P. 24—26.
- Rozina M.V. ARD-diagrams. Where is the truth? // In the world of nondestructive testing. 1999. No. 3. P. 28.
- Danilov V.N., Voronkov V.A. About the construction of the ARD-diagrams (in Russian) // In the world of nondestructive testing. 2001. No. 2 (12). P. 20—22.
- Danilov V.N., Voronkov V.A. To the question about the reference of ultrasonic control sensitivity using the ARD-diagrams (in Russian) // Defectoscopya. 2001. No. 1. P. 56—60.
- Mogilner L.Yu., Krysko N.V. Scattering of ultrasonic waves on the defects of the welds and the base material. Development of the analytical and applied solutions // Control. Diagnostics. 2024. No. 3. P. 4—13.
- Samokrutov A.A., Shevaldykin V.G. Ultrasonic tomography of the metal structures by the method of the antenna array digital focusing (in Russian) // Defectoscopya. 2011. No. 1. P. 21—28.
- Samokrutov A.A., Shevaldykin V.G., Smorodinsky Ya.G. Terms of ultrasonic control with antenna arrays and what they mean // Defectoscopya. 2018. No. 9. P. 31—40.
- Coulder A. Full Matrix Capture and Total Focusing Method: The Next Evolution in Ultrasonic Testing // Materials Evaluation. 2018. № 76 (5). С. 591—597. (Coulder A. Full Matrix Capture and Total Focusing Method: The Next Evolution in Ultrasonic Testing // In the World of Non-Destructive Testing. 2019. No. 22 (4). P. 33—37.)
- Internet resource: https://acsys.ru/vozmozhnosti-otsenki-kharactera-nesploshnosti-metalla-ultrazvukovym-tomografom/. Date of circulation 18.12.2023.
- Alyoshin N.P., Mogilner L.Yu., Lisin Yu.V., Krysko N.V., Pridein O.A., Idrisov M.T. Features of crack detection at ultrasonic inspection of welded joints of vertical steel tank wall // Oil industry. 2022. No. 1. P. 86—91.
- Boikov A.V., Payor V.A., Savelev R.S., Kolesnikov A. Synthetic Data Generation for Steel Defect Detection and Classification Using Deep Learning // Symmetry. 2021. No. 13. P. 1176—1176. DOI: https://doi.org/10.3390/sym13071176
- The Value of DICONDE. Koetz, Andrea and Clendening, Sue. s.l.: NDT.net, 2008.
- Peloquin E. The NDE 4.0 Journey: How Adopting a Universal Open Format Empowers the Whole Industry // e-Journal of Nondestructive Testing (eJNDT Articles & News). V. 29 (1). Access mode: https://blog.asnt.org/the-nde-4-0-journey-how-adopting-a-universal-open-format-empowers-the-whole-industry/ Date of access 09.01.2024.
Supplementary files























