Морфология поверхности различных матриц с цирконийоксидными покрытиями, синтезированными путем попеременной обработки поверхности парами трет-бутоксида циркония(IV) и воды
- Авторы: Москалев А.В.1, Антипов В.В.1, Ципанова А.С.1, Малыгин А.А.1
-
Учреждения:
- Санкт-Петербургский государственный технологический институт (технический университет)
- Выпуск: Том 94, № 1 (2024)
- Страницы: 122-135
- Раздел: Статьи
- URL: https://ogarev-online.ru/0044-460X/article/view/258269
- DOI: https://doi.org/10.31857/S0044460X24010117
- EDN: https://elibrary.ru/HKLPHA
- ID: 258269
Цитировать
Полный текст
Аннотация
Цирконийоксидные покрытия различной толщины на поверхности пластин монокристаллического кремния, боросиликатного стекла и сапфировых волокон синтезированы путем попеременной обработки парами трет-бутоксида циркония(IV) и воды при 220°С. С применением атомно-силовой микроскопии исследовано влияние числа циклов обработки матрицы на морфологию поверхности полученных образцов. Методом рентгеноспектрального микроанализа определены концентрации циркония в продуктах синтеза и проведена оценка постоянной роста цирконийоксидного покрытия на кремнии. Проведены сравнительные исследования морфологии поверхности образцов монокристаллического кремния, боросиликатного стекла и сапфировых волокон с разной толщиной синтезированных покрытий.
Полный текст
ВВЕДЕНИЕ
Диоксид циркония представляет большой интерес в тонкопленочном материаловедении благодаря своим термическим, электрофизическим и механическим свойствам [1, 2]. Тонкие пленки диоксида циркония и композитов на его основе используют при создании тонкопленочных полевых транзисторов, запоминающих устройств, твердых электролитов для топливных элементов, оптических фильтров, термозащитных покрытий и др. [3–5]. Функциональные и эксплуатационные свойства цирконийоксидных покрытий в значительной степени зависят от их структуры, сплошности, равномерного перекрывания поверхности, прочности связи с твердотельной матрицей, морфологии формирующейся в процессе синтеза поверхности. На эти характеристики могут влиять способ нанесения покрытия, выбранные реагенты, свойства твердофазной подложки.
Среди известных тонкопленочных технологий в настоящее время особую роль в осаждении чистых тонких пленок оксидов металлов в промышленном масштабе играют методы химического осаждения из газовой фазы металлорганических соединений (metalorganic chemical vapor deposition, MOCVD) и молекулярного наслаивания (atomic layer deposition, ALD). Применение последнего позволяет формировать равномерные по толщине с точностью на уровне монослоя конформные нанопокрытия на поверхности различных видов твердофазных матриц любой геометрической формы и размеров. Так, например, методом молекулярного наслаивания на поверхности кварцевых волокон толщиной 125 мкм было синтезировано алюмооксидное покрытие, которое улучшило механические свойства оптического волокна [6]. Цирконийоксидные структуры в подобном приложении имеют большой потенциал за счет своих механических и термофизических свойств. Информация о нанотехнологиях, основанных на принципах метода молекулярного наслаивания, достаточно широко представлена в различных публикациях отечественных и зарубежных авторов [7–9]. При этом в последние несколько десятилетий существенно расширился набор реагентов, используемых в процессах молекулярного наслаивания и MOCVD.
Широкое применение в процессах молекулярного наслаивания и MOCVD имеют металлорганические соединения из ряда β-дикетонатов [10–12], алкоксидов [3, 13–16], алкиламидов [17, 18], циклопентадиенилов [5, 19, 20] и др. В методах MOCVD и молекулярного наслаивания наиболее перспективными реагентами являются алкоксидные и алкиламидные металлорганические соединения циркония, а также их производные, ввиду их хорошей летучести и реакционной способности [12]. При этом результаты с использованием ряда металлорганических соединений в синтезе цирконийоксидных нанопокрытий методом молекулярного наслаивания ограниченно отражены в научных публикациях.
Для молекулярного наслаивания цирконийоксидных пленок наиболее изучен процесс многократной попеременной обработки подложек парами хлорида циркония(IV) ZrCl4 и Н2О [4, 21–24], в результате чего на гидроксилированной поверхности стеклянной или кремниевой подложки протекают реакции (1, 2):
n(М–ОН) + ZrCl4 → (М–О–)nZrCl4–n + nНCl , (1)
(М–О–)nZrCl4–n + (4–n)Н2О → (М–О–)nZr(ОН)4–n + (4–n)НCl . (2)
Здесь М – структурная единица остова (подложки); n – стехиометрический коэффициент.
Многократное повторение реакций (1, 2) приводит к наращиванию химически связанного с поверхностью подложки цирконийоксидного слоя, толщина которого определяется не временем подачи реагентов, а числом повторения указанных реакций (циклов молекулярного наслаивания).
В публикациях [4, 21–24] рассмотрен процесс синтеза пленок в широком температурном диапазоне от 150 до 600°С, показана зависимость фазового состава от температуры в реакционной зоне и толщины пленки на таких матрицах как кремний, стекло, оксид алюминия. Хлорид циркония(IV), являясь твердым веществом (при температуре возгонки 331°С давление паров равно атмосферному), обладает рядом технологических недостатков: необходимость нагревать реагент и транспортные линии до температуры около 150°С, чтобы обеспечить необходимую концентрацию реагента в газовой фазе и предотвращать его конденсацию на стенках трубопроводов; возможность уноса малых частичек реагента парогазовой смесью и осаждение их на поверхности подложки; образование коррозионно-активного хлороводорода в качестве побочного продукта реакций.
Одним из перспективных реагентов для создания цирконийоксидных пленок методом молекулярного наслаивания является жидкий трет-бутоксид циркония(IV), который привлекателен с точки зрения высокой летучести (т. кип. 75–81°С при 225–400 Па [25, 26]) и высокой реакционной способности по отношению к парам воды. В работе [15] исследован процесс получения тонких цирконийоксидных пленок на кремнии методом пиролиза трет-бутоксида циркония(IV) путем выдержки паров трет-бутоксида циркония(IV) в реакторе в течение 60 мин при давлении в реакторе 0.05 мм рт. ст. Сколько-нибудь значимый рост пленки наблюдался при температуре подложки выше 300°С и наибольшего значения достигал в интервале температур 350–450°С, а свыше 500°С значительно снижался. Содержание углерода в цирконийоксидных пленках, полученных в интервале 350–450°С не превышало 3 ат%, в то время как при температуре выше 450°С становилось выше 10 ат%. Авторы предположили механизм формирования пленки на основе β-гидридного элиминирования, при котором рост цирконийоксидного покрытия происходит по реакциям (3, 4):
≡Zr–OH + Zr[OC(CH3)3]4 → ≡Zr–O–Zr[OC(CH3)3]3 + (CH3)3COH , (3)
≡Zr–OC(CH3)3 → ≡Zr–OH + CH2=C(CH3)2 . (4)
Свою гипотезу авторы подтвердили масс-спектрометрическими исследованиями путем обнаружения изобутилена в продуктах реакции. Отсутствие следов изобутилена и заметного роста пленки при температурах ниже 300°С авторы объяснили устойчивостью трет-бутанольного лиганда к разложению при данных температурах. Снижение роста при температурах выше 500°С авторы объясняют отравлением поверхности диоксида циркония углеродом, возникшего в ходе пиролитического разложения лигандов, конденсацией функциональных ОН-групп и преобладанием процесса десорбции молекул реагента над процессом химического взаимодействия реагента с функциональными группами поверхности. В работе [16] исследован процесс роста цирконийоксидной пленки методом пиролиза трет-бутоксида циркония(IV) в условиях постоянной концентрации при давлении порядка 10–4–10–5 мм рт. ст. в реакторе с холодными стенками и в диапазоне температур 380–830°С. Авторами установлено, что температура подложки значительно влияет на структуру и морфологию частиц, слагающих цирконийоксидное покрытие, и, следовательно, на его плотность и фазовый состав. В частности, частицы покрытия, полученного при температуре подложки 419°С имели овальную форму, при 457 и 534°С – продолговатую форму, при 743°С – треугольную. Авторы выделили три режима роста цирконийоксидного покрытия в зависимости от температуры, которым соответствуют характерные структурные особенности получаемого покрытия, и они хорошо согласуются с предположениями, сделанными в работе [15].
В работе [3] исследовали процесс роста цирконийоксидной пленки на стеклянных подложках с использованием попеременного напуска трет-бутоксида циркония(IV) и воды в интервале температур 150–325°С. При 200°С получена максимальная величина постоянной роста 0.19 нм/цикл. При температурах 150 и 175°С постоянная роста составила около 0.12 нм/цикл, что авторы объяснили снижением скорости реакции обмена с функциональными группами.
Следует отметить, что одним из недостатков трет-бутоксида циркония(IV), как и любого другого металлоорганического реагента, является его термическая неустойчивость при температурах выше 300°С, наличие заметного содержания углерода и водорода в итоговых покрытиях, что необходимо учитывать при проведении синтеза [3, 18]. Ранее проведенные исследования по синтезу методом молекулярного наслаивания титаноксидных покрытий на поверхности пластин кремния, стекла и слюды показали, что природа подложки, ее структура оказывают влияние на характеристики формирующейся при этом поверхности [27]. Результатов систематических исследований по влиянию типа подложки, толщины цирконийоксидных покрытий на морфологию формирующейся в процессе синтеза поверхности с применением атомно-силовой микроскопии в литературе, практически, не представлено.
Целью настоящей работы является синтез цирконийоксидных нанопокрытий различной толщины на поверхности кремния, стекла и сапфировых волокон путем попеременной обработки поверхности матриц парами трет-бутоксида циркония(IV) и воды и исследование поверхности полученных образцов с применением атомно-силовой микроскопии.
РЕЗУЛЬТАТЫ И ОБСУЖДЕНИЕ
В качестве объектов исследования использовали подложки, различающиеся химическим составом, кристаллической структурой и геометрической формой: пластины монокристаллического кремния (размер 2×2 см), боросиликатного стекла (размер 1.5×1.5 см), а также сапфировых волокон диаметром 120 мкм. Синтез цирконийоксидных покрытий осуществляли путем попеременной обработки твердофазных матриц избытком паров трет-бутоксида циркония(IV) и воды с удалением после каждого напуска паров избытка реагента и газообразного продукта реакции (1 цикл обработки).
С учетом ранее проведенных исследований и полученных результатов процесс синтеза проводили при температуре 220°С [27], что также должно помочь избежать побочной реакции β-гидридного элиминирования лигандов реагента циркония. В известных публикациях представлены сильно разнящиеся данные о температуре источника трет-бутоксида циркония(IV), от которой зависит количество паров реагента, поступающих в реактор [3, 18]. С учетом отмеченного, были поставлены специальные эксперименты для выбора температуры в емкости с реагентом и условий подачи его в реакционную камеру. Для обеспечения достаточной величины упругости пара и избытка реагента в реакторе емкость с трет-бутоксидом циркония(IV) нагревали до 100°С (выше температуры кипения при давлении 225–670 Па), а напуск осуществляли дискретно ввиду вскипания жидкости в емкости.
Получены образцы после 10, 130, 260, 390 циклов обработки. Для боросиликатного стекла дополнительно синтезирован образец с покрытием после 1000 циклов обработки. На поверхности сапфировых волокон синтезировано покрытие после 390 циклов обработки.
Для определения содержания циркония в синтезированных образцах проведен рентгеноспектральный микроанализ поверхности на примере модифицированных кремниевых подложек. Начиная с 130 циклов, массовая доля на поверхности заметно прямо пропорционально возрастает с увеличением количества циклов обработки (рис. 1а). На основании полученных результатов рентгеноспектрального микроанализа проведена оценка толщины синтезированных покрытий. В расчетах использована модель приповерхностной области объекта исследований в виде куба со стороной 2 мкм, соответствующей зоне возбуждения при анализе. Модель состоит из трех слоев: кремния, диоксида кремния, цирконийоксидного покрытия. Для расчета толщин использованы их объемные доли, которые были рассчитаны исходя из стехиометрического состава оксидных слоев, атомных долей элементов и плотностей слоев, принятые равными 2.32 [28], 2.1 [28] и 5.85 г/см3 [17] для кремния, оксида кремния и оксида циркония соответственно.
Рис. 1. Зависимость содержания циркония (а) и толщины (б) цирконийоксидной пленки на поверхности кремния от количества циклов обработки
Зависимость толщины пленки, как и в случае содержания циркония, от числа циклов обработки имеет линейный вид (рис. 1б). Рассчитанная по результатам проведенных исследований постоянная роста составляет 0.12 нм/цикл, что близко к аналогичным значениям на стеклянной подложке, представленным в работе [3]. Данная величина сопоставима со значениями, полученными в процессах молекулярного наслаивания с использованием иных реагентов [5, 17, 20]. Влияние толщины цирконийоксидного нанопокрытия, задаваемое числом циклов обработки, наблюдается и при исследовании морфологии поверхности исходных и модифицированных образцов кремния и стекла по данным атомно-силовой микроскопии (рис. 2–8). Площадь сканирования на рисунках составляет 1×1 мкм, если не указано иное.
Поверхности немодифицированных пластин монокристаллического кремния и боросиликатного стекла (рис. 2) характеризуются перепадами высот 0.5–0.8 и 0.5–1.5 нм соответственно. Рассогласование сигнала фазового контраста для матрицы кремния (рис. 2) составляет несколько градусов и не имеет выраженных участков с разным значением фазового сдвига, что свидетельствует о химической однородности поверхности матрицы. Морфология поверхности исходного боросиликатного стекла в пределах сканируемой области представляет собой гладкую, практически бездефектную структуру. Рассогласование сигнала фазового контраста составляет всего несколько градусов (рис. 2), из чего можно сделать вывод, что поверхность исходной стеклянной матрицы однородна по химической природе, а выделяющиеся на АСМ-изображении фазового контраста участки связаны с топографическими объектами.
Рис. 2. АСМ реконструкция поверхности исходных подложек кремния (а) и боросиликатного стекла (б) в режиме топографии (слева) и фазового контраста (справа)
После проведения 10 циклов обработки (рис. 3) на кремнии не было замечено значительных изменений в морфологии и в составе поверхности, перепад высот остается в пределах 1 нм, рассогласование сигнала фазового контраста не превышает нескольких градусов, на стекле также нет значительных изменений, перепад высот составил до 2 нм, а рассогласование сигнала фазового контраста не превышает 5°.
Рис. 3. АСМ реконструкция поверхности образцов кремния (а) и боросиликатного стекла (б) после проведения 10 циклов обработки в режиме топографии (слева) и фазового контраста (справа)
При 130 циклах обработки (рис. 4) на обеих матрицах, по данным АСМ, рассогласование сигнала фазового контраста незначительное, что свидетельствует, с учетом данных рентгеноспектрального микроанализа, о формировании цирконийоксидного покрытия, полностью перекрывающего исходную поверхность подложек. При этом на кремнии оно состоит, преимущественно, из округлых частиц с диаметром в диапазоне 20–35 нм. На поверхности стекла АСМ-исследование не выявило четко различимых границ между частицами, в режиме фазового контраста не наблюдаются участки с отличающимся значением сигнала фазового контраста, как на исходной поверхности стекла. Вероятно, проведение 130 циклов обработки приводит к равномерному осаждению ZrOx-структур на поверхность стекла без образования отдельных частиц. Из отмеченного можно сделать вывод, что на характеристики формирующейся в процессе синтеза поверхности наряду с толщиной покрытия оказывает влияние и природа матрицы. Среднеквадратичная шероховатость поверхности в рассматриваемых образцах, практически, не изменилась по сравнению с исходными матрицами.
Рис. 4. АСМ реконструкция поверхности матриц кремния (а) и боросиликатного стекла (б) после проведения 130 циклов обработки в режиме топографии (слева) и фазового контраста (справа)
После проведения 260 циклов обработки на монокристаллическом кремнии не обнаружено существенных отличий в морфологии поверхности от покрытия, полученного после проведения 130 циклов обработки. В покрытии на стекле после проведения 260 циклов обработки (рис. 5), как и в случае с покрытием после 130 циклов обработки, не наблюдается четко различимых границ частиц, однако на отдельных участках уже начинается формирование отдельных округлых наночастиц диаметром 20–50 нм. Также можно наблюдать дефекты самой матрицы (царапина), которую цирконийоксидное покрытие на данном этапе не перекрывает полностью.
Рис. 5. АСМ реконструкция поверхности матриц боросиликатного стекла после проведения 260 циклов обработки в режиме топографии (а) и фазового контраста (б)
В образцах после 390 циклов обработки (рис. 6) на поверхности матриц наблюдаются сферические структуры, границы которых отчетливо видны как на АСМ-изображении топографии, так и в режиме фазового контраста. Размеры структур покрытия, образованного на кремнии, составляют 25–40 нм, а на матрице боросиликатного стекла – 10–40 нм. В режиме фазового контраста заметна неоднородность покрытия на стекле, наблюдаемая в виде резких перепадов значения рассогласования сигнала фазового контраста кантилевера на границах сфероподобных структур. По-видимому, отмеченное обусловлено заметным расстоянием между частицами, в то время как на кремнии частицы цирконийоксидной пленки прилегают плотнее друг к другу. Это может быть следствием разного химического состава поверхности и, как следствие, состава и концентрации функциональных групп поверхностей матриц. В случае с кремнием доступная для роста покрытия поверхность представляет собой однородную по химическому составу пленку естественного диоксида кремния, и формирование покрытия происходит равномерно по всей доступной поверхности. На боросиликатном стекле поверхность в разных участках может отличаться друг от друга химическим составом, например, содержанием оксида бора, что может отразиться на концентрации и химической активности функциональных групп того или иного участка поверхности. Подобные резкие перепады сигнала фазового контраста могут свидетельствовать о том, что процесс роста новых частиц на поверхности уже образованных частиц конкурирует с процессом заполнения доступной поверхности на начальном этапе, и на момент проведения 390 циклов обработки данный эффект все еще проявляется.
Рис. 6. АСМ реконструкция поверхности матриц кремния (а) и боросиликатного стекла (б) после проведения 390 циклов обработки в режиме топографии (слева) и фазового контраста (справа). Площадь сканирования – 0.5×0.5 мкм2
Сплошное и плотное покрытие, полученное на стекле после проведения 1000 циклов обработки (рис. 7), по результатам АСМ исследований, состоит из сферических частиц с латеральными размерами 10–40 нм. По химической однородности покрытие идентично полученному на монокристаллическом кремнии после проведения 390 циклов обработки. Структура, наблюдаемая по данным АСМ на кремнии после 390 циклов и на стекле после 1000 циклов, уже зависит не от свойств исходной подложки, а от морфологии нижележащих слоев и условий их формирования.
Рис. 7. АСМ реконструкция поверхности матрицы боросиликатного стекла после проведения 1000 циклов обработки в режиме топографии (а) и фазового контраста (б)
Динамика среднеквадратичной шероховатости представлена в табл. 1. Прирост среднеквадратичной шероховатости начинает резко увеличиваться при переходе от 260 к 390 циклам обработки. Это может быть связано с тем, что изначальный рост покрытия представляет собой разрастание отдельных островков будущего покрытия, и в определенный момент происходит перекрывание подложки, после чего характер роста покрытия изменяется.
Таблица 1. Зависимость среднеквадратичной шероховатости цирконийоксидного покрытия в от количества проведенных циклов обработки
Количество циклов обработки | Среднеквадратичная шероховатость, нм | |
боросиликатное стекло | монокристаллический кремний | |
0 | 0.2 | 0.1 |
10 | 0.2 | 0.1 |
130 | 0.2 | 0.2 |
260 | 0.3 | 0.2 |
390 | 1.2 | 1.1 |
1000 | 2.0 | |
При предположении, что синтез цирконийоксидного покрытия протекает по принципам молекулярного наслаивания, его можно представить многократно чередующимися взаимодействиями по реакциям (5, 6):
n(М–ОН) + Zr(O-tBu)4 → (М–О–)nZr(O-tBu)4–n + n(НO-tBu) , (5)
(М–О–)nZr(O-tBu)4–n + (4–n)Н2О → (М–О–)nZr(ОН)4–n + (4–n)(НO-tBu) . (6)
Это весьма вероятно с учетом оцененной величины прироста покрытия за цикл и обеспечения избытка напускаемого реагента. Однако для полного подтверждения реализации принципов молекулярного наслаивания необходимо провести дополнительные эксперименты для доказательства самоограниченности роста покрытия.
С учетом результатов по получению цирконийоксидных нанопокрытий на пластинах монокристаллического кремния и стекла проведены специальные эксперименты с использованием сапфировых волокон, на основе которых создают волоконно-оптические датчики. С применением АСМ исследована поверхность исходных и цирконийсодержащих образцов после реализации 390 циклов обработки.
Боковая поверхность сапфирового волокна, как следует из результатов, представленных на рисунке 8, состоит из частиц диаметром ~25 нм. При этом наблюдаются также участки диаметром 150–300 нм и глубиной до 2 нм. Цирконийоксидное покрытие на поверхности по данным АСМ-исследования (рис. 8) является плотным, сплошным, химически однородным, состоящим из отчетливо различимых сферических частиц с латеральными размерами 20–40 нм. Морфология поверхности сформированного цирконийоксидного покрытия, практически, идентична синтезированному слою на поверхности монокристаллического кремния. Шероховатость поверхности оптоволокна возросла с 0.2 до 0.8 нм. Важно отметить, что при этом произошло заращивание цирконийоксидным слоем присутствовавших на исходном образце углублений. Проведенные эксперименты иллюстрируют синтетические возможности «заращивать» поверхностные дефекты твердотельных матриц, что может представлять интерес при решении проблем упрочнения материалов. Следует отметить, что форма частиц в покрытии на поверхности после 390 циклов обработки у образцов кремния и сапфирового волокна близка к сферической. Сопоставление полученных данных с аналогичным покрытием на стеклянной подложке, позволяет сделать вывод, что на аморфной стеклянной подложке формируется слой с иными, отличными от сферической формы, частицами, т. е. кристаллическая (кремниевая пластина) или поликристаллическая (сапфировое волокно) и аморфная матрица по-разному влияют на морфологию формирующегося в процессе молекулярного наслаивания нанопокрытия.
Рис. 8. АСМ реконструкция исходной поверхности (а) и боковой поверхности сапфирового оптоволокна после 390 циклов обработки в режиме топографии (слева) и фазового контраста (справа)
ВЫВОДЫ
Проведенные с применением атомно-силовой микроскопии исследования поверхности исходных и модифицированных методом молекулярного наслаивания цирконийоксидными слоями различной толщины пластин монокристаллического кремния, стекла и сапфировых волокон показали, что толщина покрытия, вид подложки и ее кристаллическая структура оказывают влияние на морфологию, шероховатость и сплошность формируемых нанопокрытий. Сплошное покрытие на кремнии наблюдается уже после 130 циклов обработки, в то время как на стекле гарантированное перекрывание начинается только после 390 циклов обработки. На обеих матрицах цирконийоксидное покрытие сформировалось в виде сфероподобных частиц с размерами для кремния 20–35 нм и для боросиликатного стекла 20–50 нм, а на поверхности сапфирового волокна частицы с размерами 20–40 нм. Шероховатость поверхности цирконийоксидного покрытия возрастает на обеих матрицах, с 0.2 (10 циклов обработки) до 1.1 нм (390 циклов обработки) для кремния и аналогично для стекла с 0.3 до 1.2 нм. Шероховатость цирконийоксидного покрытия на стекле несколько выше, чем покрытия на кремнии.
Влияние исходной матрицы на морфологию поверхности цирконийоксидного покрытия по мере увеличения количества циклов обработки постепенно ослабевает в связи с формированием структуры наращиваемого диоксида циркония с характерными для него характеристиками поверхности. Полученный результат хорошо согласуется с известным эффектом перекрывания поверхности подложки наращиваемым слоем в процессах молекулярного наслаивания. Существенной разницы в размерах частиц, сплошности и шероховатости между покрытиями на кремнии и на стекле не наблюдается уже после 390 циклов обработки.
Покрытие на боковой поверхности сапфирового волокна после 390 циклов обработки получилось сплошным, с шероховатостью порядка 0.8 нм, при этом покрытие способно перекрывать различные дефекты поверхности исходного волокна, что должно положительно влиять на их механическую прочность.
ЭКСПЕРИМЕНТАЛЬНАЯ ЧАСТЬ
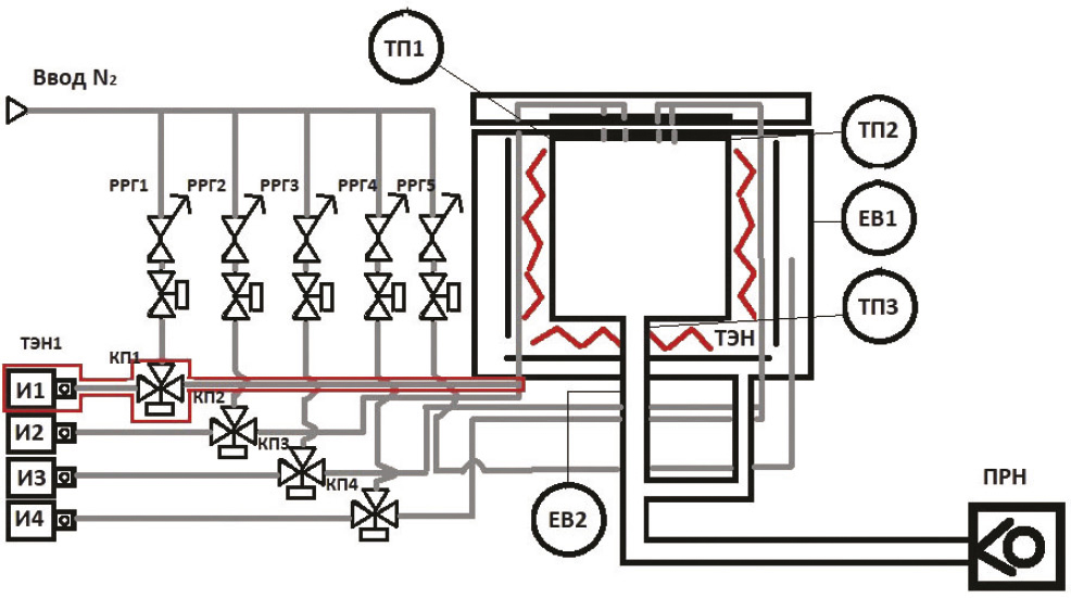
Синтез цирконийоксидной пленки произведен на установке молекулярного наслаивания проточно-вакуумного типа, разработанной ООО «ИЦ молекулярного наслаивания» совместно с кафедрой ХНиМЭТ СПбГТИ(ТУ). Установка (рис. 9) представляет собой систему с реактором объемом 30 л, с вертикальной подачей реагента из центра крышки. Реактор расположен внутри емкости большего объема, где с помощью трех термоэлектронагревателей (ТЭН) и тепловых экранов создается равномерный нагрев реактора. Подача реагентов осуществляется из источников И1–И4 по газовым линиям с помощью трехходовых импульсных пневмоклапанов КП1–КП4, где при открытии пары реагента смешиваются с постоянно протекающим через клапан газом-носителем и доставляются в реактор. Источник И1 и линия подачи реагентов обогревается нагревателем ТЭН1. Расход газа носителя поддерживается постоянным в каждую линию подачи реагента с помощью отдельного регулятора расхода газа на каждой линии РРГ1–РРГ4. В межреакторное пространство отдельно нагнетается продувочный газ через регулятор расхода газа РРГ5. Откачка из реактора осуществляется с помощью форвакуумного насоса (ПРН). Контроль за температурой и давлением осуществляется с помощью датчиков ТП1, ТП2 и ЕВ1, ЕВ2 соответственно.
Рис. 9. Схема установки молекулярного наслаивания проточно-вакуумного типа
В качестве источника циркония использован трет-бутоксид циркония(IV) (99%, ООО «Дисиком»). Источник c трет-бутоксидом циркония(IV) прогревали до 100°С, магистраль от источника до реактора прогревали до 150°С, что обеспечивало необходимую концентрацию паров реагента. Вторым реагентом являлась деионизованная вода, источник с которой находился при комнатной температуре.
В качестве матриц использовали пластины монокристаллического кремния с естественным слоем диоксида кремния на поверхности, боросиликатного стекла, а также сапфировые волокна диаметром 120 мкм, предоставленные ООО «Интел Системы». Образцы кремния предварительно обрабатывали в перекисно-щелочном растворе при 80°С в течение 10 мин, затем промывали деионизованной водой. Образцы стекла обрабатывали раствором ПАВ [СН3(СН2)10-SO3Na–NaOH 0.5 мас%), затем промывали деионизованной водой. Образцы сушили в вакууме при 220°С в течение 15 мин. Сапфировые волокна не подвергали предварительной обработке.
В качестве продувочного газа использовали азот (ОСЧ, 1 сорт, 99.999 об%). Температура синтеза составляла 220°С. Давление в реакторе составляло 102 Па. Режим напуска реагентов для воды и трет-бутоксида циркония(IV) был одинаков и состоял из 4 напусков длительностью 0.5 с с паузой между напусками 3 с, после чего осуществлялась откачка продуктов реакции и остатков реагента в течение 10 с перед напуском следующего. Подбор режима напуска проводили экспериментально по нескольким этапам, поскольку режимы напуска задаются индивидуально для каждого температурного режима синтеза, используемой подложки и конфигурации установки. При подаче реагента должен обеспечиваться стабильный напуск паров реагента в избытке, превышающем количество, необходимое для перекрывания адсорбционным монослоем всей доступной реакционной поверхности системы, включая подложку и стенки реактора. Оценка объема реагента, который должен быть израсходован, оценивается по формуле (7):
, (7)
где МЦТБ – молярная масса трет-бутоксида циркония(IV), равная 383.68 г/моль; ρЦТБ – плотность трет-бутоксида циркония(IV), равная 0.985 г/см3; Sрп – площадь реакционной поверхности, которая для используемой системы, с учетом поверхности реактора и прилегающих трубопроводов, составляет 3734 см2; σ – посадочная площадка молекулы трет-бутоксида циркония(IV), которая оценивается по формуле (8):
. (8)
При данных условиях оптимальный расход цирконийодержащего реагента на 390 циклов обработки составляет около 0.7 мл.
Подбор режимов напуска на первом этапе заключался в выборе температуры источника, при котором наблюдался заметный расход реагента после проведенных циклов обработки. Контроль расхода реагента осуществлялся по изменению уровня зеркала жидкости в стеклянной колбе источника с внутренним диаметром 20 мм после проведения синтеза (390 циклов обработки). При варьировании температуры источника от комнатной температуры до 100°С, только при 100°С регистрировался заметный расход реагента. Режим напуска реагентов на первом этапе: 0.5 с напуск реагента и 10 с продувка после напуска. Далее следовал этап подбора времени напуска путем его постепенного увеличения для достижения необходимого расхода реагента. После увеличения времени напуска более 1 с происходил резкий выброс реагента в линию при напуске. Поэтому вместо единичного длительного напуска применялся напуск короткими импульсами по 0.5 с с паузой между ними 3 с. После проведения серии экспериментов с разным числом импульсов напусков паров цирконийсодержащего реагента был выбран режим с 4 напусками реагента, обеспечивающий расход реагента приблизительно 0.8 мл реагента на 390 циклов обработки и воспроизводимость полученных результатов.
Исследование морфологии поверхности исходных и модифицированных образцов проводили с помощью зондового микроскопа Solver P47 Pro в конструктиве атомно-силовой микроскопии в полуконтактном режиме с использованием кантилевера NSG-01. Оценку шероховатости осуществляли c применением программного обеспечения для обработки результатов сканирования Image Analysis (ООО «NT-MDT»). Содержание циркония в покрытиях на пластинках монокристаллического кремния определяли на растровом электронном микроскопе Supra 55 VP (Zeiss) с разрешением 10 нм с приставкой микрорентгеноспектрального анализа X-max (Oxford Instruments). Ускоряющее напряжение составляло 20 кВ при силе тока 1.4 пА, при этом спектральное разрешение составляло 193 эВ, зона возбуждения в точке имела объем 2×2×2 мкм.
ИНФОРМАЦИЯ ОБ АВТОРАХ
Ципанова Анна Сергеевна, ORCID: https://orcid.org/0000-0002-3510-5051
Малыгин Анатолий Алексеевич, ORCID: http://orcid.org/0000-0002-1818-7761
ФИНАНСОВАЯ ПОДДЕРЖКА
Работа выполнена при частичной финансовой поддержке Министерства образования и науки России (соглашение № 075-11-2021-037 от 24.06.2021).
КОНФЛИКТ ИНТЕРЕСОВ
Авторы заявляют об отсутствии конфликта интересов.
Об авторах
А. В. Москалев
Санкт-Петербургский государственный технологический институт (технический университет)
Автор, ответственный за переписку.
Email: alexmosk2015@gmail.com
Россия, Санкт-Петербург
В. В. Антипов
Санкт-Петербургский государственный технологический институт (технический университет)
Email: alexmosk2015@gmail.com
Россия, Санкт-Петербург
А. С. Ципанова
Санкт-Петербургский государственный технологический институт (технический университет)
Email: alexmosk2015@gmail.com
ORCID iD: 0000-0002-3510-5051
Россия, Санкт-Петербург
А. А. Малыгин
Санкт-Петербургский государственный технологический институт (технический университет)
Email: alexmosk2015@gmail.com
ORCID iD: 0000-0002-1818-7761
Россия, Санкт-Петербург
Список литературы
- Федоров П.П., Яроцкая Е.Г. // КСиМГ. 2021. Т. 23. Вып. 2. С. 169.
- Balakrishnan G., Kuppusami P., Sastikumar D., Song J.I. // Nanoscale Res. Lett. 2013. Vol .8. N 1. P. 1. doi: 10.1186/1556-276X-8-82
- Kukli K., Ritala M., Leskelä M. // Chem. Vapor Depos. 2000. Vol. 6. N 6. P. 297. doi: 10.1002/1521-3862(200011)6:6<297::AID-CVDE297>3.0.CO;2-8
- Kukli K., Kemell M., Castán H., Dueñas S., Seemen H., Rähn M., Link J., Stern R., Heikkilä M.J., Ritala M. // ECS J. Solid State Sci. Technol. 2018. Vol. 7. N 5. P. 287. doi: 10.1149/2.0021806jss
- James C., Xu R., Jursich G., Takoudis C.G. // J. Undergrad. Res. Un. Illinois Chicago. 2012. Vol. 5. N 1. P. 1. doi: 10.5210/jur.v5i1.7505
- Малыгин А.А., Антипов В.В., Кочеткова А.С., Буймистрюк Г.Я. // ЖПХ. 2018. Т. 91. Вып. 1. С. 17; Malygin A.A., Antipov V.V., Kochetkova A.S., Buimistryuk G.Y. // Russ. J. Appl. Chem. 2018. Vol. 91. N 1. P. 12. doi: 10.1134/S1070427218010032
- Соснов Е.А., Малков А.А., Малыгин А.А. // ЖПХ. 2021. Т. 94. Вып. 8. C. 967; Sosnov E.A., Malkov A.A., Malygin A.A. // Russ. J. Appl. Chem. 2021. Vol. 94. N 8. P. 1022. doi: 10.1134/S1070427221080024
- Малыгин А.А. // Рос. нанотехнол. 2007. Т. 2. Вып. 3–4. С. 87.
- Oviroh P.O., Akbarzadeh R., Pan D., Coetzee R.A.M., Jen T.C. // Sci. Technol. Adv. Mater. 2019. Vol. 20. N 1. P. 465. doi: 10.1080/14686996.2019.1599694
- Chen Z., Prud'homme N., Wang B., Ribot P., Ji V. // Surf. Coat. Technol. 2013. Vol. 218. P. 7.
- Torres-Huerta A.M., Dominguez-Crespo M.A., Onofre-Bustamante E., Flores-Vela A. // J. Mater. Sci. 2011. Vol. 47 N 5. P. 2300.
- Jones A.C., Aspinall H.C., Chalker P.R., Potter R.J., Manning T.D., Loo Y.F., O’Kane R., Gaskell J.M., Smith L.M. // Chem. Vapor Depos., 2006. Vol. 12. N 2–3. P. 83. doi: 10.1002/cvde.200500023
- Nakajima A., Kidera T., Ishii H., Yokoyama S. // Appl. Phys. Lett. 2002. Vol. 81. N 15. P. 2824. doi: 10.1063/1.1510584
- Matero R., Ritala M., Leskelä M., Jones A.C., Williams P.A., Bickley J.F., Steiner A., Leedham T.J., Davies H.O. // J. Non-Cryst. Solids. 2002. Vol. 303. N 1. P. 24. doi: 10.1016/S0022-3093(02)00959-6
- Cameron M.A., George S.M. // Thin Solid Films. 1999. Vol. 348. N 1–2. P. 90. doi: 10.1016/S0040-6090(99)00022-X
- Burleson D.J., Roberts J.T., Gladfelter W.L., Campbell S.A., Smith R.C. // Chem. Mater. 2002. Vol. 14. N 3. P. 1269. doi: 10.1021/cm0107629
- Hausmann D.M., Kim E., Becker J., Gordon R.J. // Chem. Mater. 2002. Vol. 14. N 10. P. 4350. doi: 10.1021/cm020357x
- Kim Y., Koo J., Han J., Choi S., Jeon H., Park C.G. // J. Appl. Phys. 2002. Vol. 92. N 9. P. 5443. doi: 10.1063/1.1513196
- Kröger-Laukkanen M., Peussa M., Leskelä M., Niinistö L. // Appl. Surf. Sci. 2001. Vol. 183. N 3–4. P. 290. doi: 10.1016/S0169-4332(01)00573-6
- Niinistö J., Putkonen M., Niinistö L. // J. Appl. Phys. 2004. Vol. 95. N 1. P. 84. doi: 10.1063/1.1630696
- Copel M., Gribelyuk M., Gusev E. // Appl. Phys. Lett. 2000. Vol. 76. N 4. P. 436. doi: 10.1063/1.12577
- Kukli K., Ritala M., Leskelä M. // J. Appl. Phys. 2002. Vol. 92. N 4. P. 1833. doi: 10.1063/1.1493657
- Kytökivi A., Lakomaa E.L., Root A., Österholm H., Jacobs J.P., Brongersma H.H. // Langmuir. 1997. Vol. 13. N 10. P. 2717. doi: 10.1021/la961085d
- Kytökivi A., Lakomaa E.L., Root A. // Langmuir. 1996. Vol. 12. N 18. P. 4395. doi: 10.1021/la960198u
- Bradley D.C., Wardlaw W. // J. Chem. Soc. 1951. P. 280.
- Merck Database. https://www.sigmaaldrich.com/AL/en/product/aldrich/560030
- Антипов В.В., Беляев А.П., Малыгин А.А., Рубец В.П., Соснов Е.А. // ЖПХ. 2008. Т. 81. Вып. 12. С. 1937; Antipov V.V., Belyaev A.P., Malygin A.A., Rubets V.P., Sosnov E.A. // Russ. J. Appl. Chem. Vol. 81. N 12. P. 2051. doi: 10.1134/S107042720812001X
- Химическая энциклопедия / Под ред. И.Л. Кнунянца. М.: Советская энциклопедия, 1990. Т. 2. С. 761.
Дополнительные файлы











