Passive Adsorption of Aromatic Substances on Silicon Carbide and Nitrile Rubber Composites and a Comparison of the Chromatographic Profiles of Banana Candy, Fresh Banana, and “Banana” Flavor
- Authors: Popik M.V.1, Shpigun O.A.1, Stepashkin A.A.2, Markova E.S.1, Furman A.N.1, Shekhtman S.P.1, Pirogov A.V.1
-
Affiliations:
- Department of Chemistry, Moscow State University
- National University of Science and Technology MISiS
- Issue: Vol 78, No 1 (2023)
- Pages: 48-54
- Section: ORIGINAL ARTICLES
- Submitted: 14.10.2023
- URL: https://ogarev-online.ru/0044-4502/article/view/136002
- DOI: https://doi.org/10.31857/S0044450223010073
- EDN: https://elibrary.ru/KKMHUB
- ID: 136002
Cite item
Full Text
Abstract
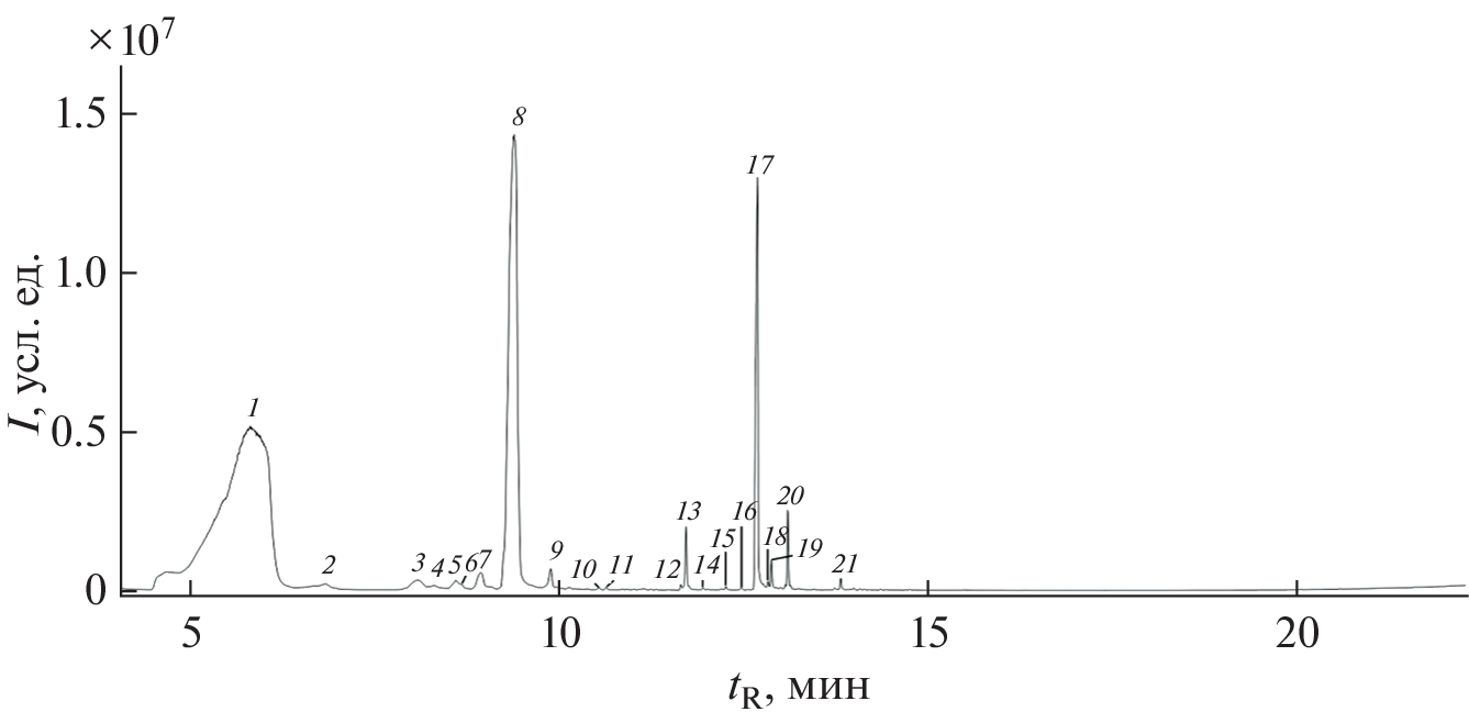
A domestic composite material based on silicon carbide and nitrile butadiene rubber was used to identify volatile substances of banana, banana flavor, and creamy chewing candies by passive adsorption in combination with thermal desorption GC–MS. This method can be used to determine a wide range of compounds, for example, esters of carboxylic acids, terpenoids, aldehydes, aromatic hydrocarbons, alkanes, heterocyclic compounds, phenols, glycerides, and fatty acids. The obtained chromatographic profiles of the samples were compared. In the chromatogram of “Banana” flavor, five peaks (out of eight) corresponded to the compounds that form the aroma of a banana, and in the chromatogram of “Love is” candies with banana flavor, three corresponding peaks (out of 21) were found.
About the authors
M. V. Popik
Department of Chemistry, Moscow State University
Email: kate.s.markova@yandex.ru
119991, Moscow, Russia
O. A. Shpigun
Department of Chemistry, Moscow State University
Email: kate.s.markova@yandex.ru
119991, Moscow, Russia
A. A. Stepashkin
National University of Science and Technology MISiS
Email: kate.s.markova@yandex.ru
119049, Moscow, Russia
E. S. Markova
Department of Chemistry, Moscow State University
Email: kate.s.markova@yandex.ru
119991, Moscow, Russia
A. N. Furman
Department of Chemistry, Moscow State University
Email: kate.s.markova@yandex.ru
119991, Moscow, Russia
S. P. Shekhtman
Department of Chemistry, Moscow State University
Email: kate.s.markova@yandex.ru
119991, Moscow, Russia
A. V. Pirogov
Department of Chemistry, Moscow State University
Author for correspondence.
Email: kate.s.markova@yandex.ru
119991, Moscow, Russia
References
- Ловкис З.В., Моргунова Е.М. Безопасность и качество пищевых продуктов // Наука и инновации. 2018. Т. 179. № 1. С. 35.
- Ляпина М.А. Стратегические направления развития предприятий кондитерской промышленности России. Дис. … канд. экон. наук. Саратов: Саратовский государственный социально-экономический университет, 2008. 222 с.
- ГОСТ 4570-93. Конфеты. Общие технические условия. М.: Стандартинформ, 2012. 9 с.
- ГОСТ ISO 6658-2016. Органолептический анализ. Методология. Общее руководство. М.: Стандартинформ, 2016. 20 с.
- ГОСТ ISO 13302-2017. Органолептический анализ. Методы оценки изменения флейвора пищевых продуктов за счет упаковки. M.: Стандартинформ, 2017. 23 с.
- Смирнов Е.В. Пищевые ароматизаторы // Пищевая промышленность. 2005. № 5. С. 10.
- ГОСТ 32049-2013. Ароматизаторы пищевые. Общие технические условия. М.: Стандартинформ, 2014. 23 с.
- Каратаева Н.А., Каратаева Л.А., Юсупова О.И., Иноятова Ш.Ш.К. Пищевая аллергия (обзор) // Научные исследования. 2015. № 1. С. 126.
- LECO Corporation. Comparison of aroma and flavor profiles of strawberry-flavored candy and fresh strawberries (Form № 203-821-533) // LECO. 2017. P. 1.
- Другов Ю.С., Родин А.А. Пробоподготовка в экологическом анализе. СПб: Анатолия, 2002. 755 с.
- Пятов И.С., Шапошникова К.В., Ладанов С.В., Врублевская Ю.И., Степашкин А.А. Способ изготовления изделия сложной формы на основе гибридной композитной матрицы. Патент РФ № 2670869. Заявка 2017135953 от 10.10.2017, опубл. 25.10.2018.
- Nogueira J.M.F., Fernandes P.J.P., Nascimento A.M.D. Composition of volatiles of banana cultivars from Madeira Island // Phytochem Anal. 2003. V. 14. № 2. P. 87.
- Vermeir S. Instrumental based flavour characterisation of banana fruit // LWT – Food Sci. Technol. 2009. V. 42. № 10. P. 1647.
- Smith K., Thompson G.F., Koster H.D. Sweat in schizophrenic patients: Identification of the odorous substance // Science. 1969. V. 166. № 3903. P. 398.
- Бадовская Л.А., Поварова Л.В. Реакции окисления фуранов // Химия гетероцикл. соединений. 2009. Т. 507. № 4. С. 1283. (Badovskaya L.A., Povarova L.V. Reactions of oxidation of furan // Chem. Heterocycl. Compd. 2009. V. 507. № 4. P. 1283.)
Supplementary files







