Процессы в факеле распыла теплоносителя
- Авторы: Комов А.Т.1, Захаренков А.В.1, Толмачев В.В.1, Штелинг В.С.1
-
Учреждения:
- ФГБОУ ВО “НИУ “Московский энергетический институт”
- Выпуск: Том 61, № 3 (2023)
- Страницы: 410-418
- Раздел: Статьи
- URL: https://ogarev-online.ru/0040-3644/article/view/232662
- DOI: https://doi.org/10.31857/S0040364423020102
- ID: 232662
Цитировать
Полный текст
Аннотация
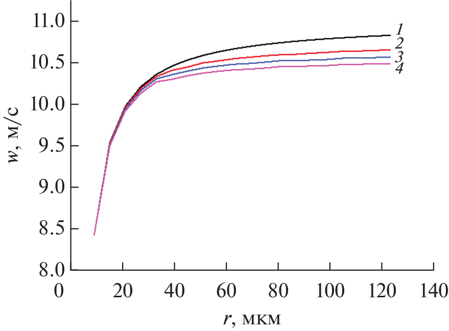
Рассмотрены вопросы генерации диспергированного потока теплоносителя; распределения капель в потоке по размерам в зависимости от расхода, давления и теплофизических свойств теплоносителя; процессы дробления и коагуляции капель; области размеров капель, устойчивых к дроблению. На базе уравнения движения и распределения капель в потоке по радиусу у сопла форсунки разработана программа расчета эволюции параметров факела распыла.
Об авторах
А. Т. Комов
ФГБОУ ВО “НИУ “Московский энергетический институт”
Email: komovat@mpei.ru
Россия, Москва
А. В. Захаренков
ФГБОУ ВО “НИУ “Московский энергетический институт”
Email: komovat@mpei.ru
Россия, Москва
В. В. Толмачев
ФГБОУ ВО “НИУ “Московский энергетический институт”
Email: komovat@mpei.ru
Россия, Москва
В. С. Штелинг
ФГБОУ ВО “НИУ “Московский энергетический институт”
Автор, ответственный за переписку.
Email: komovat@mpei.ru
Россия, Москва
Список литературы
- Варава А.Н., Дедов A.В., Захаренков А.В., Комов А.Т., Мирнов С.В., Люблинский И.Е. Применение диспергированного газожидкостного потока для охлаждения лимитера токамака Т-15 // ВАНТ. Сер. Термоядерный синтез. 2018. Т. 41. Вып. 1. С. 57.
- Lyublinski I.E., Vertkov A.V., Zharkov M.Yu. et al. Complex of Lithium and Tungsten Limiters for 3 MW of ECR Plasma Heating in T-10 Tokamak. Design, First Results // Nuclear Fusion. 2017. V. 57. № 6. 066006.
- Исаченко В.П., Кушнырев В.И. Струйное охлаждение. М.: Энергоатомиздат, 1984. 216 с.
- Xu R., Wang G., Jiang P. Spray Cooling on Enhanced Surfaces: A Review of the Progress and Mechanisms // J. Electron. Packag. 2022. V. 144. P. 010802-1.
- Liang G., Mudawar I. Review of Spray Cooling. Part 1: Single-Phase and Nucleate Boiling Regimes, and Critical Heat Flux // Int. J. Heat Mass Transfer. 2017. № 115. P. 1174.
- Liang G., Mudawar I. Review of Drop Impact on Heated Walls // Int. J. Heat Mass Transfer. 2017. № 106. P. 103.
- Lin L.C., Ponnappan R. Cooling in a Closed Loop // Int. J. Heat Mass Transfer. 2003. № 46(20). P. 3737.
- Benther J.D., Pelaez-Restrepo J.D., Stanley C., Rosengarten G. Heat Transfer During Multiple Droplet Impingement and Spray Cooling: Review and Prospects for Enhanced Surfaces // Int. J. Heat Mass Transfer. 2021. V. 178. 121587.
- Bernardin J.D., Stebbins C.J., Mudavar I. Mapping of Impact and Heat Transfer Regimes of Water Drops Impinging on a Polished Surface // Int. J. Heat Mass Transfer. 1997. V. 40. № 2. P. 247.
- Liu L., Zhang Y., Cai G., Tsai P.A. High-Speed Dynamics and Temperature Variation During Drop Impact on a Heated Surface // Int. J. Heat Mass Transfer. 2022. V. 189. 122710.
- Cheng W.L., Zhang W.W., Chen H., Hu L. Spray Cooling and Flash Evaporation Cooling: The Current Development and Application // Renewable Sustainable Energy Rev. 2016. № 55. P. 614.
- Sehmbey M.S., Chow L.C., Pais M.R., Mahefkey V. High Heat Flux Spray Cooling of Electronics // AIP Conf. Proc. 1995. № 324(1). P. 903.
- Chen R.-H., Chow L.C., Naved J.E. Effects of Spray Characteristics on Critical Heat Flux in Subcooled Water Spray Cooling // Int. J. Heat Mass Transfer. 2002. № 45. P. 4033.
- Chow L.C., Sehmbey M.S., Pais M.R. High Heat Flux Spray Cooling // Ann. Rev. Heat Transfer. 1997. № 8. P. 291.
- Rini D.P., Chen R.-H., Chow L.C. Bubble Behavior and Nucleate Boiling Heat Transfer in Saturated FC-72 Spray Cooling // J. Heat Transfer. 2002. № 24. P. 63.
- Rini D.P., Chen R.-H., Chow L.C. Bubble Behavior and Heat Transfer Mechanism in FC-72 Pool Boiling // Exp. Heat Transfer. 2001. № 14. P. 27.
- Toda S. A Study of Mist Cooling, 1st Report: Investigation of Mist Cooling // Heat Transfer – Jpn. Res. 1972. V. 1. P. 39.
- Toda S. A Study of Mist Cooling, 2nd Report: Theory of Mist Cooling and its Fundamental Experiments // Heat Transfer – Jpn. Res. 1974. V. 3. P. 1.
- Toda S., Uchida H. Study of Liquid Film Cooling with Evaporation and Boiling // Heat Transfer – Jpn. Res. 1973. V. 2. P. 44.
- Tilton D.E. Spray Cooling. Ph.D. Diss. Lexington: University of Kentucky, 1989.
- Kopchikov L.A., Voronin G.I., Kolach T.A., Labuntsov D.A., Lebedev P.D. Liquid Boiling in a Thin Film // Int. J. Heat Mass Transfer. 1969. V. 12. P. 791.
- Pais M.R., Chow L.C., Mahefkey E.T. Surface Roughness and its Effect on the Heat Transfer Mechanism in Spray Cooling // Int. J. Heat Transfer. 1992. V. 114. P. 211.
- Estes K.A., Mudawar I. Correlation of Sauter Mean Diameter and Critical Heat Flux for Spray Cooling of Small Surfaces // Int. J. Heat Mass Transfer. 1995. V. 38. P. 2985.
- Sehmbey M.S., Chow L.C., Hahn O.J., Pais M.R. Spray Cooling of Power Electronics at Cryogenic Temperatures // AIAA J. Thermophys. Heat Transfer. 1995. V. 9. P. 123.
- Баталов В.Г., Степанов Р.А., Сухановский А.Н. Оптические измерения размеров капель в факеле распыла топливной форсунки // Вестн. Пермск. ун-та. 2017. Вып. 3(37). С. 40.
- Степанов Р.А., Баталов В.Г. Определение размеров капель спрея методом вейвлет-анализа интерферометрических изображений // Измерительная техника. 1921. № 9. С. 23.
- Kelbaliyev G., Ceylan K. Estimation of the Minimum Stable Drop Sizes, Break-up Frequencies, and Size Distributions in Turbulent Dispersions. Turkey: Inonu University, 2006.
- Левич В.Г. Физико-химическая гидродинамика. Изд. 3-е, испр. Сер. Нефтегазовый инжиниринг. М.–Ижевск: ИКИ, 2016.
Дополнительные файлы











