A Study of the Surface Structure of Electrodes during Discharge in an Electrolyte in a Magnetic Field
- Авторлар: Kirko D.L.1
-
Мекемелер:
- National Research Nuclear University MEPhI
- Шығарылым: Том 61, № 3 (2023)
- Беттер: 333-339
- Бөлім: Articles
- URL: https://ogarev-online.ru/0040-3644/article/view/232624
- DOI: https://doi.org/10.31857/S0040364423030146
- ID: 232624
Дәйексөз келтіру
Толық мәтін
Аннотация
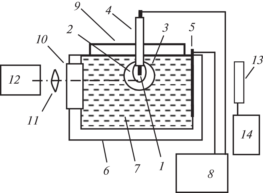
The occurrence of microstructures on the surface of tungsten and titanium electrodes during discharge in an electrolyte in the presence of a magnetic field has been studied. Electrical characteristics of the discharge at various modes were obtained. The plasma temperature in the near-electrode region was measured using spectral methods. Conical and pointed formations with sizes up to 10 µm occurred on tungsten electrodes. The appearance of microspheres and porous surfaces was observed on titanium electrodes. The growth of these surface structures accelerated and their characteristics improved under the effect of a magnetic field. The mechanism of growth of the observed microstructures are discussed.
Авторлар туралы
D. Kirko
National Research Nuclear University MEPhI
Хат алмасуға жауапты Автор.
Email: dmitri.kirko@gmail.com
Moscow, Russia
Әдебиет тізімі
- Гайсин Ал.Ф., Насибуллин Р.Т. Об особенности электрического разряда между электролитическим катодом и металлическим анодом // Физика плазмы. 2011. Т. 37. № 10. С. 959.
- Bruggeman P., Leys C. Non-thermal Plasmas in and in Contact with Liquids // J. Phys. D: Appl. Phys. 2009. V. 42. P. 053001.
- Mezei P., Cserfalvi T. Electrolyte Cathode Atmospheric Glow Discharges for Direct Solution Analysis // Appl. Spectrosc. Rev. 2007. V. 42. P. 573.
- Канарев Ф.М. Низкоамперный электролиз воды. Краснодар: Изд-во Краснодарск. ун-та, 2010. 81 с.
- Гайсин Ф.М., Сон Э.Е. Возникновение и развитие объемного разряда между твердыми и жидкими электродами // Химия плазмы. 1990. Вып. 16. С. 120.
- Кирко Д.Л., Савелов А.С., Визгалов И.В. Колебательные процессы в плазме разряда в электролите // Изв. вузов. Физика. 2012. Т. 55. № 11. С. 3.
- Tazmeev G.Kh., Tazmeev Kh.K., Tazmeeva R.N., Talipova I.P., Tazmeev B.Kh. Gas Discharge with a Liquid Electrolyte Cathode in Creating a Flow of Stream Water Plasma // Int. Res. J. 2021. V. 1. P. 25.
- Смирнов Б.М., Бабаева Н.Ю., Найдис Г.В., Панов В.А., Сон Э.Е., Терешонок Д.В. Пузырьковый метод очистки воды // ТВТ. 2019. Т. 57. № 2. С. 286.
- Словецкий Д.И., Терентьев С.Д., Плеханов В.Г. Механизм плазменно-электролитного нагрева металлов // ТВТ. 1986. Т. 24. № 2. С. 353.
- Pongrac B., Machala Z. Electrospraying of Water with Streamer Corona Discharge // IEEE Trans. Plasma Sci. 2011. V. 39. № 11. P. 2664.
- Gaisin Al.F., Son E.E., Kashapov N.F. Discharge between the Jet and Dropping Liquid Cathode and Metal Anode // J. Phys.: Conf. Ser. 2017. V. 927. P. 012018.
- Гайсин Аз.Ф., Садриев Р.Ш., Багаутдинова Л.Н., Насыбуллин Р.Т., Гайсин Ф.М., Мастюков Ш.Ч. Электрические разряды малой мощности с металлическими, диэлектрическими и электролитическими электродами при низких частотах и атмосферном давлении // ТВТ. 2020. Т. 58. № 6. С. 860.
- Лукомский Ю.Я., Гамбург Ю.Д. Физико-химические основы электрохимии. Долгопрудный.: Интеллект, 2013. 448 с.
- Крауз В.И., Химченко Л.Н., Мялтон В.В., Виноградов В.П., Виноградова Ю.В., Гуреев В.М., Койдан В.С., Смирнов В.П., Фортов В.Е. Формирование наноструктур в разряде типа плазменный фокус // Физика плазмы. 2013. Т. 39. № 4. С. 326.
- Сивков А.А., Герасимов Д.Ю., Никитин Д.С. Прямой динамический синтез нанодисперсных фаз оксидов титана при распылении электроразрядной плазмы титана в воздушную атмосферу // Письма в ЖТФ. 2016. Т. 42. Вып. 23. С. 21.
- Nomine A.V., Gries Th., Noel C., Nomine A., Milichko V., Belmonte T. Synthesis of Nanomaterials by Electrode Erosion Using Discharges in Liquids // J. Appl. Phys. 2021. V. 120. P. 151101.
- Glad X., Gorry J., Cha M.S., Hamdan A. Synthesis of Core-shell Copper-graphite Submicronic Particles and Carbon Nano-onions by Spark Discharges in Liquid Hydrocarbons // Sci. Rep. 2021. V. 11. Article number 7516. 11 p.
- Kashapov R.N., Kashapov L.N., Kashapov N.F. Research of Plasma-electrolyte Discharge in the Processes of Obtaining Metallic Powders // J. Phys.: Conf. Ser. 2017. V. 927. P. 012086(6).
- Kirko D.L., Savjolov A.S. Investigation of Plasma Properties of Discharge in Electrolyte Surface Layer // J. Phys.: Conf. Ser. 2017. V. 941. P. 012018.
- Кирко Д.Л. Исследование приэлектродной плазмы и поверхности электродов при разряде в электролите // Физика плазмы. 2020. Т. 46. № 6. С. 496.
- Кирко Д.Л. Колебательные процессы в плазме разряда в электролите в магнитном поле // ЖТФ. 2015. Т. 85. Вып. 4. С. 28.
- Коробейников С.М., Мелехов А.В., Бесов А.С. Зажигание разряда с помощью пузырьков // ТВТ. 2002. Т. 40. № 5. С. 706.
- Кролл Н., Трайвелпис А. Основы физики плазмы. М.: Мир, 1975. 525 с.
- Хаддлстоун Р., Леонард С. Диагностика плазмы. М.: Мир, 1967. 515 с.
- Кирко Д.Л., Савелов А.С., Егоров И.Д. Свойства разряда в электролите во внешнем магнитном поле // Матер. XI Междун. науч. конф. “Волновая электрогидродинамика проводящей жидкости”. Ярославль: ЯрГУ, 2015. С. 82.
- Behrisch R., Eckstein W. Sputtering by Particle Bombardment. Experiments and Computer Calculations from Threshold to MeV Energies. Berlin, Heidelberg: Springer, 2007. 526 p.
Қосымша файлдар








