Designing and manufacturing of fractal elements based on a resistance-capacitance medium
- Authors: Gil’mutdinov A.K.1,2, Maksimov K.O.3, Ushakov P.A.3
-
Affiliations:
- Kazan National Research Technical University named after A.N. Tupolev – KAI (KNITU-KAI)
- Scientific and Production Association “Radioelectronics” named after V.I. Shimko
- Izhevsk State Technical University named after M.T. Kalashnikov
- Issue: Vol 69, No 12 (2024)
- Pages: 1198-1205
- Section: NEW ELECTRONIC SYSTEMS AND ELEMENTS
- URL: https://ogarev-online.ru/0033-8494/article/view/282233
- DOI: https://doi.org/10.31857/S0033849424120089
- EDN: https://elibrary.ru/HNAZCT
- ID: 282233
Cite item
Full Text
Abstract
This work presents the experience of designing and manufacturing of fractal elements (FE) based on resistance capacitance media, in particular, based on a one-dimensional structurally uniform resistance-capacitance element with distributed parameters (RC-EDP) with R-C-NR (R-C-NR ЭРП) kind of a layer structure. It also presents the results of designing and manufacturing of thick film FE samples having constant phase of impedance –10°, –20°, –30° and –40° in the frequences range of 1.5 decade order. It gives the results of the comparative analysis of phase-frequency characteristics of the input impedance of the synthesized model and the manufactured sample.
Full Text
ВВЕДЕНИЕ
Фрактальными называются элементы, реализующие фрактальный импеданс в определенном диапазоне частот. Выражение для нормированного значения фрактального импеданса в операторной форме при нулевых начальных условиях имеет вид [1]:
, (1)
где p = σ + jω – комплексная частота, ω – круговая частота, γ = α + jβ, 0 ≤ |α| ≤ 1, 0 ≤ |β| ≤ 1, F0(p) – вещественная постоянная, размерность и физический смысл которой зависят от значений α и β. В рамках данной работы будем рассматривать вопросы проектирования и изготовления вещественных фрактальных элементов, для которых β = 0.
Обзор возможных подходов к проектированию одно- или многокомпонентных ФЭ, предложенных различными исследовательскими группами, представлен в работе [2], список литературы в которой содержит 293 работы. Однако все рассмотренные ФЭ, за исключением элементов на основе резистивно-емкостной среды, не пригодны для промышленного применения.
В работах [3, 4] были предложены различные методы реализации ФЭ со значениями дробно-степенного показателя входного импеданса α, отличными от 0.5, использующие резистивно-емкостную среду (РЕС), выполненную в виде чередующихся резистивных и диэлектрических слоев, нанесенных друг на друга.
Детальная проработка направления реализации ФЭ на этой основе со структурой слоев вида NR-G1-C-R-MC-G2-KR представлена в работе [5]. В основу этих реализаций положена базовая конструкция (технологическая заготовка) на РЕС, которую можно моделировать с помощью одномерного однородного (ОО) резистивно-емкостного элемента с распределенными параметрами (RC-ЭРП) со структурой слоев вида NR-G1-C-R-MC-G2-KR. (Здесь и далее будем придерживаться терминов и определений элементов на основе РЕС, предложенных в работе [6].) При этом RC-ЭРП разбивается на n участков, соединенных между собой определенным образом. Каждый из этих участков за счет соответствующей конструктивно-технологической обработки может иметь свою собственную структуру слоев [5, 7], поэтому созданные таким образом элементы были в этих работах названы одномерными структурно-неоднородными (ОСН) RC-ЭРП.
Для того чтобы обеспечить хорошую воспроизводимость основных характеристик ФЭ и иметь возможность подстройки их параметров для компенсации технологических погрешностей, т. е. обеспечения технологичности конструкции ФЭ, необходимо, чтобы количество слоев было минимальным, т. е. равным трем, и все составляющие элементы конструкции были структурно однородными. Поэтому в данной работе в качестве базовой для проектирования и изготовления ФЭ выбрана трехслойная конструкция с максимальным количеством степеней свободы для обеспечения заданных параметров характеристик ФЭ, а именно конструкция одномерного структурно однородного RC-ЭРП со структурой слоев вида R-C-NR (ОСО R-C-NR ЭРП, далее – R-C-NR ЭРП), предложенная в качестве перспективной в работе [7]. С учетом этого для структурного и параметрического синтеза использована программа синтеза ФЭ, описанная в работе [5], но скорректированная для синтеза ФЭ на основе ОСО R-C-NR ЭРП.
Для экспериментальной проверки эффективности применения ФЭ в различных радиоэлектронных устройствах требуются образцы ФЭ. Однако в настоящее время методика проектирования и опыт изготовления образцов на основе ОСО R-C-NR ЭРП отсутствуют.
Цель данной работы – проектирование опытного образца ФЭ на основе структурно-параметрического синтеза ОСО R-C-NR ЭРП и анализ соответствия ФЧХ входного импеданса изготовленного образца, аналогичной характеристике, полученной в результате синтеза.
1. ПРОЕКТИРОВАНИЕ
1.1. Конструкция
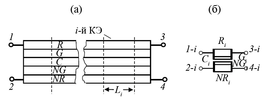
Схематично конструкция ОО R-C-NR ЭРП, которая выбрана в качестве базовой для реализации ФЭ толстопленочночной технологией на основе ОСО R-C-NR ЭРП, изображена на рис. 1а, а на рис. 1б – условно графическое обозначение (УГО) схемы замещения (модели) его i-го конечного элемента (рис. 1а) в соответствии с [6], т. е. УГО его i-го конечного распределенного элемента (КРЭ).
Рис. 1. Базовая конструкция для реализации ФЭ на основе ОСО R-C-NR ЭРП: а – структура слоев; б – УГО i-го КРЭ; 1…4 – обозначения номеров выводов RCGNR-структуры, 1-i…4-i – обозначения номеров выводов i-го КРЭ.
На рис. 1 между резистивными слоями и ди-электриком показаны переходные слои G и NG, которые специально не формируются, но, как было показано в [8], образуются в процессе изготовления многослойной структуры в результате диффузии материалов при высокотемпературной обработке, свойственной толстопленочночной технологии изготовления RC-ЭРП.
1.2. Математические модели участков конструкции ФЭ
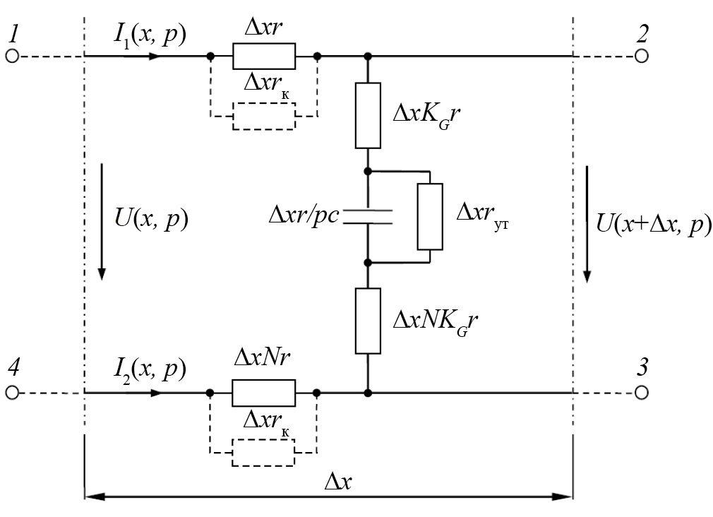
Для анализа рассмотренной в разд. 1.1 конструкции ОСО R-C-NR ЭРП и синтеза ФЭ на ее основе с заданными параметрами характеристик воспользуемся методом конечных распределенных элементов (МКРЭ), предложенным в [9, 10], теоретическая и практическая основа которого подробно изложена в [3]. Суть МКРЭ применительно к рассматриваемой одномерной конструкции ОСО R-C-NR ЭРП заключается в следующем. Исходная базовая заготовка ФЭ на основе ОО R-C-NR ЭРП разбивается на несколько участков RC-ЭРП, которые называются конечными элементами (КЭ). Каждый КЭ замещается ОО RC-ЭРП с соответствующей структурой слоев, который в соответствии с МКРЭ называется ОО конечным распределенным элементом (ОО КРЭ). К тому же для вычисления у-параметров функциональных элементов на основе РЕС нет необходимости находить распределение потенциалов в резистивных слоях этой среды, как это делается в методе конечных элементов: достаточно определить первичные у-параметры полученного многополюсника – модели функционального элемента на основе РЕС (в данном случае ФЭ на основе ОСО R-C-NR ЭРП), составленной из ОО КРЭ. При этом используется схема замещения элементарного участка ∆x КЭ (рис. 2), в которой учтены потери в переходных слоях, в диэлектрике, возможное перекрытие резистивных слоев контактными площадками.
Рис. 2. Универсальная схема замещения элементарного участка ∆x КЭ ОО R-C-NR ЭРП.
На рисунке введены следующие обозначения: р – комплексная частота, r – погонное сопротивление резистивного слоя R, с – погонная емкость конденсатора, который получается между резистивными слоями, KG – безразмерный коэффициент, численно равный отношению погонного сопротивления переходного слоя G к погонному сопротивлению резистивного слоя R, N – безразмерный коэффициент, численно равный отношению погонных сопротивлений верхнего и нижнего резистивного слоев, rут – погонное сопротивление утечки диэлектрика, rк – погонное сопротивление материала контакта. Сопротивления контактов (см. рис. 2, пунктир) учитываются только в КЭ приконтактных областей конструкции ОСО R-C-NR ЭРП.
Выражения для у-параметров ОО КРЭ, составляющих конструкцию ФЭ, получены в [8] в виде Y-матрицы для ОО R-C-NR ЭРП:
, (2)
где
– постоянная распространения ОО R-C-NR ЭРП; Rут – сопротивление утечки диэлектрического слоя, определяемое в результате идентификации параметров математической модели изготовленного образца; R – общее сопротивление резистивного слоя R; C – общая емкость, определяемая площадью перекрытия резистивных слоев.
Для того чтобы выражение (2) можно было использовать в программе синтеза ФЭ, обеспечивающего заданные требования к его ФЧХ, необходимо определить параметры, входящие в (2).
1.3. Идентификация параметров математической модели ОО КРЭ
Особенность решения этой задачи состоит в том, что ряд параметров, характеризующих резистивно-емкостную среду (Rут, KG, rк), зависит от технологии изготовления ФЭ. Поэтому для решения задачи была использована опытная партия толстопленочных образцов R-C-NR ЭРП, описание которых приведено в работе [7]. В работе [8] был предложен и реализован метод идентификации параметров Rут, KG, rк путем сопоставления частотных характеристик образца R-C-NR ЭРП с аналогичными характеристиками для его модели, полученными с использованием выражения (2) для Y-матрицы ОО R-C-NR ЭРП.
Для автоматизации процесса идентификации был использован аппаратно-программный комплекс (АПК) на основе измерительного комплекса параметров интегральных микросхем ДМТ-219. Программная часть АПК представляет собой программу оптимизации и пользовательский интерфейс, выполненные в среде Matlab.
Автоматизированная система измерения и идентификации электрических характеристик образца R-C-NR ЭРП, разработанная в [8] и использованная в данной работе, обеспечивает измерение у-параметров образцов в диапазоне частот до 3 ГГц с относительной погрешностью δY = ±2%, сопротивлений резистивных слоев с δR = ±0.2% и емкостей между резистивными слоями с δC = ±1%. В результате идентификации были определены параметры Rут = 4.5×108 Ом, KG = 2.8×10–4, rк = 8.7 Ом/м, характеризующие толстопленочную технологию изготовления образцов ОО R-C-NR ЭРП, используемых для идентификации параметров математической модели ОО КРЭ.
1.4. Структурно-параметрический синтез модели ФЭ
Структурно-параметрический синтез модели ФЭ осуществляется в специализированной программе [5, 8], в которой с помощью генетического алгоритма определяются обеспечивающие заданные характеристики ФЭ, схема соединений выводов участков ФЭ между собой, вариант двухполюсного включения многополюсника и параметры структуры ОСО R-C-NR ЭРП: его полное сопротивление R и полная емкость C, коэффициент N, нормированные длины каждого из четырех участков ФЭ (l0i), параметры Rут и KG, необходимые для определения у-параметров в выражении (2) каждого из участков ФЭ. В данной работе использована программа синтеза, в которой в качестве моделей конечных элементов взяты ОО КРЭ со структурой слоев R-C-NR с учетом переходных слоев G, NG и потерь в диэлектрике Rут.
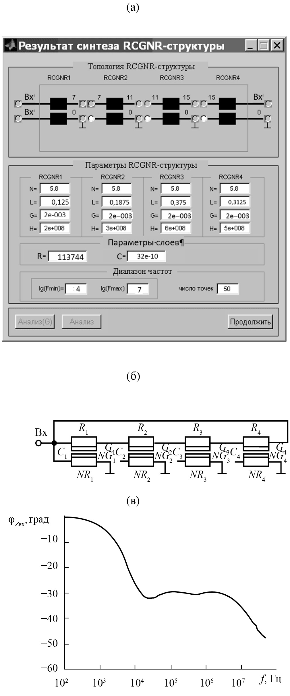
На рис. 3 представлен один из результатов работы программы структурно-параметрического синтеза ФЭ по критерию постоянства ФЧХ входного импеданса (φZвх) по уровню (φZ) с неравномерностью (∆φZ) в пределах двух частотных декад: φZвх = φZ ± ∆φZ = –30° ± 2°. Вся информация о параметрах секций (участков ОСО R-C-NR ЭРП), входящих в схему замещения ФЭ, отображена в диалоговом окне (рис. 3а). Здесь ОСО R-C-NR ЭРП назван RCGNR структурой, так как учитываются параметры переходных слоев G.
Длины участков ФЭ l0i нормированы по отношению ко всей длине l ОСО R-C-NR ЭРП, т. е.
,
в данном случае l0i = {0.125, 0.1875, 0.375, 0.3125}. В окне Параметры слоев выводится полное сопротивление R [Ом] и полная емкость C [Ф] ОСО R-C-NR ЭРП, с помощью которых определяются сопротивления и емкости каждой части ФЭ из соотношений
где i – номер участка ОСО R-C-NR ЭРП.
Рис. 3. Результаты работы программы синтеза ФЭ по уровню постоянства ФЧХ импеданса -30°: а - диалоговое окно с результатом синтеза ФЭ; б - схема замещения синтезированного ФЭ, соответствующая полю «Топология RCGNR-структуры» диалогового окна; в - график ФЧХ входного импеданса синтезированного ФЭ.
Диапазон частот, в котором программа ищет структуру схемы замещения ФЭ, обеспечивающую заданные требования к ФЧХ входного импеданса, указан в окне Диапазон частот в логарифмическом масштабе. Следует отметить, что границы этого диапазона, как правило, задаются несколько шире, чем требования к диапазону постоянства фазы синтезируемого ФЭ. Это обеспечивает более высокую вероятность выполнения заданных требований к ФЧХ ФЭ.
В окне Топология RCGNR-структуры диалогового окна показана схема коммутации выводов четырех участков, на которые была разделена исходная конструкция ОО R-C-NR ЭРП. С учетом полученных в результате синтеза параметров эта конструкция обеспечивает требуемую ФЧХ входного импеданса ФЭ. Одним из выводов подключения ФЭ к внешней схеме является вывод, обозначенный Вход, а вторым – «земля». Для наглядности схема замещения ФЭ изображена на рис. 3б с учетом УГО, предложенных в работе [6]. После завершения синтеза выводится график входного импеданса синтезированного ФЭ (рис. 3в).
1.5. Разработка топологии ФЭ и определение размеров элементов
На следующем этапе была разработана конструкция (топология) ФЭ на основе ОСО R-C-NR ЭРП, реализующая сопротивления Ri и емкости Ci участков ОСО R-C-NR ЭРП, параметр N, схемы коммутации его участков, полученных в результате структурно-параметрического синтеза ФЭ, с учетом параметров выбранных материалов и конструктивно-технологических возможностей выбранного технологического процесса изготовления образцов ФЭ. Для этого необходимо определить ширину b и длины участков li, которые будут реализованы в изготовленном толстопленочном образце ФЭ.
Исходя из обеспечения равенства величин сопротивлений Ri и емкостей Ci участков ФЭ, полученных в результате синтеза, и этих же параметров участков в изготовленном образце, можно записать
.
Тогда конструктивные размеры можно получить из следующих соотношений:
.
Или с учетом значений для Ri = Rl0i, и Ci = Cl0i имеем
(3)
Для изготовления опытных образцов в качестве материала резистивного слоя была выбрана паста рутениевая серии 3100 ТУ-003-00387275-2012 с сопротивлением квадрата ρкв = 7 кОм, а в качестве материала диэлектрического слоя – паста серии 6000 ТУ-006-00387275-2012 с удельной емкостью Cуд = 52 пФ/мм2. Размеры изготовляемых секций рассматриваемого ФЭ в соответствии с (3) получились следующими: длины L1 = 4 мм; L2 = 6 мм; L3 = 12 мм; L4 = 10 мм, ширина b = 2 мм. Следует отметить, что на стадии проектирования и изготовления опытных образцов ФЭ задача минимизации размеров конструкции не ставилась.
Аналогичным образом были разработаны конструкции еще трех ФЭ, синтезированных по критерию постоянства ФЧХ входного импеданса φZвх = φZ ± ∆φZ = –10°±1.5°; –20°±2°; –40°±2°.
Конструкции ФЭ разрабатывали в соответствии с техническими условиями изготовления толстопленочных микросхем предприятия-изготовителя.
Все ФЭ были размещены на одной стандартной подложке из алюмооксидной керамики марки ВК-94 (Al2O3 94.4% (технические условия 11–78 аЯ0.027.002 ТУ)) размером 48×60 мм с необходимыми элементами для контроля параметров слоев в процессе изготовления и для определения параметров ФЭ после его изготовления. Вид подложки с толстопленочными ФЭ и контрольными элементами приведен на рис. 4.
Рис. 4. Фото подложки с толстопленочными ФЭ и контрольными элементами.
Некоторые ФЭ на подложке продублированы, чтобы выявить наличие (или отсутствие) разброса параметров ФЭ одинаковых по конструкции образцов.
2. СРАВНИТЕЛЬНЫЙ АНАЛИЗ ФЧХ ВХОДНОГО ИМПЕДАНСА СИНТЕЗИРОВАННЫХ ФЭ И ИЗГОТОВЛЕННЫХ ОБРАЗЦОВ
2.1. ФЧХ входного импеданса ФЭ
Измерения частотных характеристик входного импеданса изготовленных образцов ФЭ выполнялись с помощью прецизионного анализатора импеданса Wayne Kerr WK 6550B.
Результаты этих измерений и соответствующие ФЧХ синтезированных моделей приведены на рис. 5.
Рис. 5. Фазочастотные характеристики входного импеданса ФЭ с различными φZвх = φZ±∆φZ: –10°±1.5° (а), –20°±2° (б), –30°±2° (в) –40°±2° (г), для синтезированной модели (1) и измеренная для образца (2).
Анализируя приведенные на рис. 5 графики ФЧХ входного импеданса ФЭ, сделаем следующие выводы.
- Для ФЭ с заданными постоянствами фазы входного импеданса φZ = –10°, –20° на частотах до 1 МГц наблюдается удовлетворительное совпадение ФЧХ импедансов синтезированной модели и изготовленного образца.
- Для ФЭ с заданными постоянствами фазы входного импеданса –30°, –40° удовлетворительное совпадение ФЧХ импедансов синтезированной модели и изготовленного образца наблюдается лишь до 100 кГц.
- Для всех образцов ФЭ (кроме образца с φZ = –10°) наблюдается более быстрое уменьшение фазового сдвига по сравнению с расчетным, начиная с частоты 1 МГц для образца с φ = –20° и с частоты 100 кГц для остальных образцов.
2.2. Анализ причин расхождения ФЧХ
Наиболее вероятной причиной преждевременного спада ФЧХ входного импеданса образцов ФЭ по сравнению с ФЧХ импеданса синтезированных моделей на высоких частотах является то, что, как отмечено в разд. 1.4, программа синтеза использует модели ОО КРЭ со структурой слоев вида R-C-NR с учетом только переходных слоев и потерь в диэлектрике. В изготовленных же образцах ФЭ кроме ОО RC-ЭРП со структурой слоев вида R-C-NR возникают и другие виды слоев. Таким образом, схема замещения образца ФЭ отличается от схемы замещения синтезированной модели.
Проверку этого предположения проведем на примере ФЭ с постоянством фазы ФЧХ входного импеданса φZвх = –30°. На рис. 6 приведен в увеличенном масштабе топологический чертеж, по которому изготавливалась оснастка для изготовления образца, и фото изготовленного образца.
Рис. 6. Фрактальный элемент на основе ОСО R-C-NR ЭРП с постоянством фазы φZвх = –30°: а – топологический чертеж; б – фото изготовленного образца; 1 – проводники с контактами к нижнему резистивному слою (слой R), 2 – проводники с контактами к верхнему резистивному слою, 3 – верхний резистивный слой (слой NR), 4 – зазоры в верхнем резистивном слое.
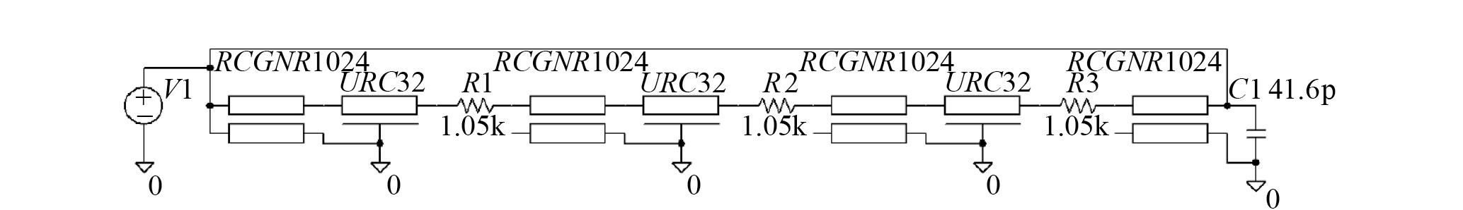
С учетом полученных в процессе изготовления дополнительных слоев (рис. 6б) была разработана схема замещения образца в программе OrCAD (рис. 7).
Рис. 7. Схема замещения изготовленного образца ФЭ с постоянством фазы φZвх = –30° (рис. 6б), выполненная в OrCAD.
Здесь схемотехнические модели четырех участков ФЭ со структурой слоев R-C-NR (имя модели RCGNR1024)) представляют собой лестничные цепи из 1024-х звеньев универсальной схемы замещения элементарного участка ∆x конечного элемента ОСО R-C-NR ЭРП (см. рис. 2). Участки перекрытия резистивного слоя проводящими контактами, которые представляют собой ОО RC-ЭРП со структурой слоев вида R-C-0 моделировались лестничными RC-цепями из 32-х звеньев (имя модели URC32). Резистивные элементы (R1…R3) учитывают активные сопротивления участков в слое R, возникающие в местах зазоров в резистивном слое NR.
Расчет параметров элементов схемы замещения (RCGNR1024, URC32, R1…R3, C1) выполняли с учетом данных технологического процесса завода-изготовителя (ширина перекрытия контактов с резистивными слоями равна 400 мкм; ширина зазоров в резистивных слоях равна 300 мкм) и геометрических размеров участков конструкции образца и удельных параметров слоев ФЭ, определенных в разд. 1.5.
Учитывая эти данные, определим емкость, образованную между концевыми контактами: С1 = 41.6 пФ. Общие сопротивление и емкость модели URC32 соответственно равны 1.4 кОм и 41.6 пФ. Номиналы резистивных элементов R1…R3 равны 1.05 кОм. При расчете параметров модели RCGNR1024 было учтено, что длины этих участков уменьшаются по сравнению с расчетными на размеры контактных площадок, перекрывающих резистивные слои.
Для корректности сравнения результатов моделирования изготовленного образца с учетом полученных дополнительных участков (см. рис. 7) и модели ФЭ, синтезированной без учета этих элементов (см. рис. 3б), была построена полная аналогия данной схемы замещения в программе OrCAD (рис. 8).
Рис. 8. Модель ФЭ в программе OrCAD, аналогичная схеме замещения синтезированного ФЭ (см. рис. 3б).
Фазочастотные характеристики входного импеданса идеализированной и уточненной моделей ФЭ (см. рис. 8 и 7 соответственно) представлены на рис. 9 (кривые 1 и 2 соответственно). Сравним кривые (рис. 9), полученные моделированием в OrCAD, с аналогичными графиками ФЧХ входного импеданса схемы замещения ФЭ, синтезированной с помощью программы, и ФЧХ изготовленного образца ФЭ (рис. 5в). ФЧХ, полученная в программе синтеза (см. рис. 5в, кривая 1), имеет хорошее совпадение с ФЧХ, полученной в программе OrCAD (рис. 9, кривая 1) для идеализированной модели (см. рис. 8). Это подтверждает корректность работы программы синтеза. ФЧХ, полученная в программе OrCAD (рис. 9, кривая 2) для уточненной модели по рис. 7 подтверждает предположение о том, что основной причиной заметного спада ФЧХ импеданса изготовленных образцов является неполное соответствие схем замещения синтезированной конструкции ФЭ и изготовленного образца. Ее несовпадение с измеренной ФЧХ образца (рис. 9, кривая 3) свидетельствует о том, что модель ФЭ на рис. 7 также не полностью учитывает реальное влияние дополнительных участков в конструкции образца ФЭ на ФЧХ входного импеданса.
Рис. 9. Фазочастотные характеристики входного импеданса ФЭ с постоянством фазы -30°, полученные в программе OrCAD для модели, представленной на рис. 8 (1) и 7 (2), а также измеренная (3) для изготовленного образца (см. рис. 5в).
ЗАКЛЮЧЕНИЕ
Первый опыт проектирования ФЭ на основе ОСО R-C-NR ЭРП по заданным требованиям к ФЧХ входного импеданса и изготовление толстопленочных опытных образцов показал, что частотные характеристики изготовленного образца имеют заметный спад в области верхних частот диапазона постоянства фазы по сравнению с аналогичными частотными характеристиками синтезированной модели ФЭ. Показано, что причиной такого расхождения является появление в конструкции изготовленного образца дополнительных конструктивных элементов, определяемых конструктивно-технологическими ограничениями, принятыми в используемой технологии. Для повышения точности воспроизведения частотных характеристик синтезированной схемы замещения в изготовленных на этой основе образцах необходимо совершенствование алгоритма и программы синтеза ФЭ, а также уменьшение значений паразитных емкостей при разработке топологии ФЭ. Решение этих задач позволит создавать фрактальные элементы, которые могут стать промышленно изготавливаемой новой элементной базой для развития фрактальной радиоэлектроники.
КОНФЛИКТ ИНТЕРЕСОВ
Авторы данной статьи заявляют об отсутствии конфликта интересов.
About the authors
A. Kh. Gil’mutdinov
Kazan National Research Technical University named after A.N. Tupolev – KAI (KNITU-KAI); Scientific and Production Association “Radioelectronics” named after V.I. Shimko
Author for correspondence.
Email: agilmutdinov@rambler.ru
Russian Federation, K. Marks Str., 10, Kazan, 420111; Zhurnalistov Str., 50, Kazan, 420029
K. O. Maksimov
Izhevsk State Technical University named after M.T. Kalashnikov
Email: agilmutdinov@rambler.ru
Russian Federation, Studencheskaya Str., 7, Izhevsk, 426069
P. A. Ushakov
Izhevsk State Technical University named after M.T. Kalashnikov
Email: agilmutdinov@rambler.ru
Russian Federation, Studencheskaya Str., 7, Izhevsk, 426069
References
- Гильмутдинов А. Х., Ушаков П. А., Гильметдинов М. М. // Нелинейный мир. 2008. Т. 6. № 8. С. 452.
- Shah Z. M., Kathjoo M. Y., Khanday F. A. et al. // Microelectron J. 2019. V. 84. P. 9. https://doi.org/10.1016/j.mejo.2018.12.010
- Гильмутдинов А. Х. Резистивно-емкостные элементы с распределенными параметрами: анализ, синтез и применение. Казань: КГТУ, 2005.
- Фрактальные элементы: пионерские конструктивно-технологические реализации. М.: Физматлит, 2020.
- Мокляков В. А. Синтез фрактальных элементов на основе многослойной структурно-неоднородной резистивно-емкостной среды / Автореф. дисс. … канд. техн. наук. Казань: КГТУ им. А. Н. Туполева, 2009. 19 с.
- Гильмутдинов А. Х., Гильметдинов М. М. // Нелинейный мир. 2014. Т. 12. № 10. С. 43.
- Гильмутдинов А. Х., Ушаков П. А. // РЭ. 2017. Т. 62. № 5. С. 413.
- Максимов К. О. Решение задачи обеспечения заданных параметров фрактальных радиоэлементов на основе резистивно-емкостной среды. Дисс… канд. техн. наук. Ижевск: Ижевский гос. тех. ун-т, 2013. 162 с.
- Гильмутдинов А. Х., Гоппе А. А. // Тр. научно-техн. конф. по итогам работы за 1992–93. Казань. 4–15 апреля 1994. Казань: КГТУ, 1994. С. 218.
- Гильмутдинов А. Х. // Вестник КГТУ им. А. Н. Туполева. 1997. № 1. С. 32.
Supplementary files











