Megawatt auto-emission electronic devices
- Authors: Bondarenko V.G.1
-
Affiliations:
- Institute of Applied Physics of the Russian Academy of Sciences
- Issue: Vol 69, No 5 (2024)
- Pages: 489-496
- Section: NEW ELECTRONIC SYSTEMS AND ELEMENTS
- URL: https://ogarev-online.ru/0033-8494/article/view/275950
- DOI: https://doi.org/10.31857/S0033849424050132
- EDN: https://elibrary.ru/IKMEBW
- ID: 275950
Cite item
Full Text
Abstract
The possibility of creating on the basis of the inverse piezoelectric effect and the negative electronic affinity of nanodiamonds (which is the natural state of the surface 111) auto-emission devices of megawatt output power operating in the key mode is considered. A comparison of two principles of operation of auto-emission devices based on a change in the field between the cathode and the anode is given. It is shown that explosive emission limits the possibility of obtaining megawatt power by changing the voltage, and also that a more promising method is to control the field by changing the cathode–anode distance from tens of nanometers to microns. Estimates are given according to which such a device has a high efficiency and can operate at a pressure of the order of atmospheric pressure.
Full Text
1. ПОСТАНОВКА ЗАДАЧИ
Продолжаются исследования в области разработки автоэмиссионных приборов, об их актуальности свидетельствует большое количество публикаций (см. [1] и цитируемую там литературу). Однако промышленные приборы, работающие на принципах автоэлектронной эмиссии, еще не созданы [1].
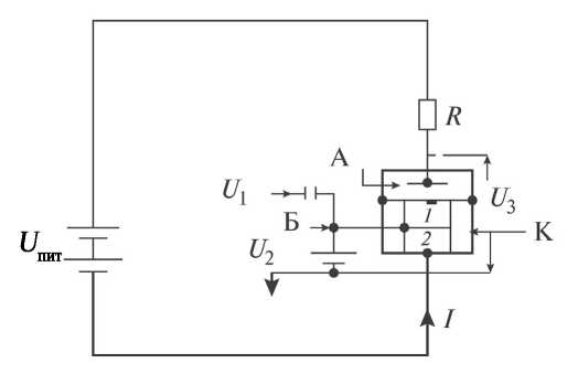
На основе патента [2] были разработаны схемы (рис. 1–3), показывающие возможность создать такой прибор с более высокой (мегаваттной) выходной мощностью. Для усиления поля между катодом и анодом было использовано отрицательное электронное сродство наноалмазов.
Рис. 1. Схема параметрического автоэмиссионного устройства на двух пьезоэлементах 1 и 2, размеры которых меняют расстояние между катодом K и анодом А; Б – база (затвор), U1 – переменное напряжение, поступающее на базу и меняющее размеры пьезоэлементов, U2 – напряжение, определяющее первоначальные размеры пьезоэлементов, Uпит – напряжение источника питания, U3 – меняющееся напряжение на приборе, I – ток, идущий через прибор.
Рис. 2. Конструкция катода.
Рис. 3. Конструкция прибора в режимах: а – насыщения, Rп = 10–7 Ом, б – отсечки, Rп = 105 Ом.
Нанометровое расстояние катод–анод, а также высокая плотность тока автоэлектронной эмиссии позволяют реализовывать малую величину внутреннего сопротивления прибора при максимальном токе. Следствием является величина возможного КПД прибора – более 99%. Пренебрегая потерями мощности на приборе при переключении (нагрузка – чисто активное сопротивление) можно записать КПД в виде [3]
, (1)
где rп.отк – минимальное сопротивление прибора (прибор открыт, состояние насыщения). По оценкам, представленным ниже, минимальное сопротивление прибора порядка 10–6…10–7 Ом. Максимальное сопротивление (состояние отсечки) на 12 порядков больше. Сопротивление нагрузки Rн порядка 0.1 Ом. Из выражения (1) следует, что КПД прибора близок к единице. В виде тепла на приборе будет выделяться мощность [3]
, (2)
где P1 = IпUп; P0 = IпUпит – мощность, подводимая к прибору, Iп – среднее значение тока, протекающего через прибор, Uп — напряжение на приборе, Uпит – напряжение источника питания, η – электронный КПД прибора.
Мощность, выделяемая на нагрузке, для идеального ключа при площади катода 1 см2 равна
,
где εпит – электродвижущая сила источника питания, Imax – максимальный ток, протекающий через прибор при минимальном расстоянии катод–анод (см. рис. 3).
Считаем, что внутреннее сопротивление источника питания много меньше сопротивления нагрузки (для оценок равно нулю), а время включения и выключения прибора в ключевом режиме много меньше периода колебаний (потери при переключении не учитываем).
Используя формулу Фаулера–Нордгейма, можно сделать оценки плотности тока катода для материалов с разной работой выхода электронов:
, (3)
где Еэм – поле, которое вызывает эмиссию (В/см), φ – работа выхода наноалмазного катода (эВ).
Формула Фаулера–Нордгейма предложена для описания процесса эмиссии электронов из металла. Но в дальнейшем было показано, что выход электронов в вакуум возможен и в тех случаях, когда удается создать сильные электрические поля внутри твердого тела [5].
Поле зависит не только от напряжения катод–анод, но и от расстояния между ними. Поле также зависит от обработки поверхности, испускающей электроны (например, увеличение поля на остриях), и отсутствия на ней выступов в виде атомов с низкой работой выхода. Поэтому поле Еэм можно записать как
где Uк.а – напряжение анод-катод, х – расстояние между катодом и анодом; µ – коэффициент увеличения поля. Будем считать, что соответствующей обработкой от «грязи» можно избавиться.
Из уравнения (2) следует, что автоэлектронная эмиссия становится заметной при поле порядка 107 В/см (более точное значение определяется работой выхода электронов из катода).
Принцип работы автоэмиссионных приборов определяется полем между катодом и анодом, которое управляет автоэмиссионным током и сопротивлением прибора и, следовательно, током и напряжением на нагрузке. Возможны два режима работы. Первый – обычный режим, когда меняется напряжение между катодом и анодом; второй связан с изменением расстояния между катодом и анодом при постоянном напряжении источника питания, когда меняется сопротивление прибора.
При увеличении расстояния ток, проходящий через прибор, уменьшается, а его сопротивление возрастает.
Рассмотрим подробнее эти режимы работы автоэмиссионных приборов и их отличие. На рис. 1–3 представлены конструкция катода и работа прибора при постоянном напряжении источника питания и при изменении расстояния катод–анод. В конструкции прибора в качестве пьезоэлемента предполагается использовать керамику системы цирконат-титанат свинца (ЦТС). Напряжение Uкер, подаваемое на керамику, порядка 100 В, добротность Q порядка 80…100 в зависимости от конструкции, размеров и типа керамики. Предполагается использовать керамику с размерами: площадь S = 1 см2, толщина L = 1 мм, R – сопротивление керамики на круговой частоте ω1 (для оценок порядка 100 Ом и менее). Мощность, потребляемая пьезоэлементом, вычисляется по формуле
, (4)
где C – динамическая емкость керамики. С ростом частоты мощность, потребляемая пьезоэлементом, растет, а КПД прибора падает. Следовательно, уменьшается мощность, выделяемая на нагрузке.
В приборе (см. рис. 1) используются два пьезоэлемента 1 и 2 для изменения расстояния между катодом и анодом. Поле, приложенное к пьезоэлементам, управляет их размерами. На одну из плоскостей пьезоэлементов (катод) подан нулевой потенциал. Между ними на базу (затвор) приложено напряжение, определяющее их первоначальные размеры. Через емкость на базу поступает переменное напряжение, меняющее их размер и, следовательно, расстояние между катодом и анодом.
Если настроить частоту управляющего сигнала в резонанс с собственными колебаниями пьезоэлементов, то (согласно оценкам) можно получить высокий КПД работы прибора благодаря высокой добротности пьезоэлементов. Ключевой режим работы прибора – это большая амплитуда колебаний пьезоэлементов (нелинейный режим работы).
Пьезоэлементы являются изоляторами. До мегагерцовых частот их емкостное сопротивление велико и ток через пьезоэлементы на порядки меньше, чем ток, текущий через прибор. Поэтому, по оценкам, коэффициент усиления прибора по мощности в режиме идеального ключа порядка 104…105.
2. ПРОБЛЕМЫ АВТОЭЛЕКТРОННОЙ ЭМИССИИ
Поверхность катода не является идеально гладкой. На катоде имеются шероховатости: выступы и впадины (рис. 4). Ток автоэлектронной эмиссии разогревает электроны в микрообъеме металла за счет эффекта Ноттингема. Разогретые электроны передают свою тепловую энергию решетке благодаря электрон-фононному взаимодействию. В результате происходит микровзрыв и образование так называемого катодного факела, состоящего из плазмы и испарившихся паров металла. Образовавшаяся плазма начинает расширяться. Это расширение сопровождается интенсивной эмиссией электронов [4, 5]. Электроны имеют значительно более высокую скорость, чем ионы, вследствие своей малой массы. Они опережают ионы. Кроме того, имеется сильное внешнее электрическое поле, которое ускоряет выход электронов из плазмы к аноду. Тем самым, у поверхности катода создается нескомпенсированный положительный заряд, который в свою очередь усиливает автоэмиссионное поле у поверхности катода во всей области, где существует плотная плазма, и, следовательно, еще более увеличивает эмиссионный ток. В результате получаем взрывную эмиссию, что является проблемой для автоэмиссионной электроники, этому способствует и присутствие остаточных газов.
Рис. 4. Шероховатость поверхности после высококачественной обработки (данные получены на электронном микроскопе Института физики микроструктур РАН).
Чтобы уменьшить напряжение и увеличить эмиссионное поля до 107 В/cм, стараются создать на поверхности большую плотность остроконечных выступов. Но рост плотности тока до 108А/см2 приводит к взрывообразному разрушению всего эмиттера [4], поэтому количество выступов нужно оптимизировать. Можно уменьшать коэффициент увеличения поля, меняя отношение высоты выступа к его размеру, либо уменьшать напряжение и, следовательно, мощность. Зависимость коэффициента усиления напряженности поля µ от отношения h/r, характеризующего форму эллиптического острия (h – высота выступа, r – радиус вершина выступа эллиптического острия) представлена на рис. 5 [6].
Рис. 5. Зависимость коэффициента усиления напряженности поля µ от отношения h/r [6]: 1.4…3 для μ1, 3…100 для μ2.
Для большой плотности тока выступы должны быть высокими и узкими.
Коэффициент увеличения поля зависит от высоты выступов (см. рис. 5) и, следовательно, расстояния анод–катод. Увеличивая высоту выступа, увеличиваем эмиссионное поле, однако, чтобы уменьшить вероятность взрывной эмиссии, нужно увеличивать расстояние катод–анод, а это уменьшает эмиссионный ток при том же напряжении.
На рис. 6 представлена зависимость эмиссионного тока от напряженности электрического поля для различных расстояний между электродами диодной структуры. Как видно из рисунка, чем больше расстояние катод–анод, тем значительнее крутизна нарастания тока при увеличении напряжения [6] и, как следствие, возможность взрывной эмиссии.
Рис. 6. Зависимость величины эмиссионного тока от напряженности электрического поля для различных расстояний между электродами диодной структуры: 60 (1), 30 (2), 15 (3), 10 (4) и 5 мкм (5) [7, рис. 6].
Необходимо отметить, что зависимость эмиссионного тока на отдельном, усредненном микровыступе пленочной структуры (между электродами диодной структуры (см. рис. 6)), оценивалась через электрическое поле Еэм. Электрическое поле на микровыступе связано со средней величиной напряженности внешнего электрического поля через коэффициент пропорциональности К следующим образом [6]:
Eэм = KEср.
Из уравнения (2) следует, что увеличить плотность тока можно не только за счет коэффициента увеличения поля, но и за счет уменьшения работы выхода. Чтобы уменьшить работу выхода катода, предполагается создать на поверхности проводимость p-типа, обрабатывая образец бором. В данной работе для этого предлагается использовать отрицательное сродство наноалмазов.
Еще одной проблемой, связанной с изменением расстояния катод–анод, является пробой промежутка. Из кривой Пашена следует (рис. 7), что, увеличивая расстояние, чтобы не было пробоя, нужно уменьшать давление.
Рис. 7. Кривая Пашена.
Отметим, что стремление создать автоэмиссионные структуры, работающие при атмосферном давлении, способствовали разработке наноразмерных остриев высотой порядка 10 нм и радиусом вершины около 1 нм.
3. ЭМИССИИ ПРИ ПОСТОЯННОМ РАССТОЯНИИ КАТОД–АНОД
Сделаем некоторые оценки. Для характерного коэффициента увеличения поля, равного 100, отношение высоты выступа к его радиусу равно h/r = 200 (см. рис. 5). Предположим, что радиус вершины выступа 5 нм, тогда высота выступа 1 мкм. Поскольку выступ конусообразный, то размер основания выступа не менее 2 мкм. Расстояние между выступами того же порядка и более. Следовательно, максимальное количество выступов порядка 106…107 шт/см2 и менее. Из рис. 6 следует, что при поле 55 В/мкм с выступа получаем ток 200 мкА, а расстояние от катода до анода 6 мкм. Учитывая, что коэффициент увеличения поля 100 реализуется при напряжении 9 В, получим с 107 выступов 2000 А. На приборе будет выделяться мощность 18 кВт/см2. Тепловая нагрузка очень велика. Возникает задача охлаждения. На вершине выступа будет поле порядка 5×107 B/см. Если увеличить напряжение в два раза, то в результате получим взрывную эмиссию.
Оценим мощность, выделяемую на одном выступе, и его температуру. Охлаждаться выступ может излучением, уходящими электронами или контактом катода с металлической подложкой. Считается, что при полевой эмиссии катод не охлаждается, а, наоборот, нагревается, так как эмитируются электроны без потерь энергии и их место занимают электроны с более высоких уровней, они-то и разогревают катод. Охлаждение катода за счет контакта с теплопроводящей металлической поверхностью потребует значительных габаритов металлической поверхности, при мегаваттной мощности прибора, что используется в вакуумных лампах.
Рассмотрим, как охлаждается выступ с помощью излучения. Используя формулу Стефана Больцмана (σT 4 = 5.73×107 Вт/м2), где σ = 5,67×10–8 Вт/(м2 К4) — постоянная Стефана-Больцмана, получаем температуру выступа Т =5.6 ×103 К и, как следствие, выступ просто испарится.
Из изложенного следует, что, увеличивая напряжение при постоянном расстоянии между катодом и анодом, не представляется возможным получить мегаваттную мощность (вследствие взрывной эмиссии на остриях). Использование отрицательного сродства наноалмазов улучшит ситуацию незначительно, так как на поверхности имеются шероховатости (см. рис. 4). Увеличение напряжения приведет к взрывной эмиссии с этих неровностей.
4. ПАРАМЕТРИЧЕСКИЙ СПОСОБ УПРАВЛЕНИЯ ПОЛЕМ
Более перспективным представляется изменять плотность тока, изменяя расстояние катод–анод с помощью пьезоэлементов, изменяя сопротивление прибора. Как отмечалось, из формулы (2) следует, что плотность тока зависит не только от эмиссионного поля (следовательно, коэффициента увеличения поля на выступах), но и от работы выхода электронов (для этого обрабатывают катод бором). Для увеличения эмиссионного тока предполагается использовать наноалмазы с отрицательным электронным сродством, которые уменьшат работу выхода электронов. В структурах с отрицательным электронным сродством увеличение поля происходит не снаружи от выступа (эффект острия), а внутри поверхности острия. При макроразмерах алмазы являются изоляторами и ток не проводят. Чем меньше размер наноалмаза, тем больше его поверхностная проводимость, однако плотность тока, текущего из одного автоэмиссионного центра, уменьшается из-за уменьшения размера. Для структур с отрицательным электронным сродством увеличение поля может достигать тысячи [7]. Плотность тока можно менять, изменяя количество автоэмиссионных центров на единицу площади и их размеры. Коэффициент увеличения поля зависит и от того, сколько и каких примесей находится в поверхностном слое наноалмазов, т. е. как он обработан.
На рис. 8 приведена зависимость автоэмиссионного тока с одиночного наноалмаза на молибденовом острие от напряжения, при расстоянии 10 мм [9]. Рост зависимости эмиссии с одиночного молибденового острия при увеличении напряжения уменьшается, а с наноалмаза (кривая 3) линейная, но растет. Можно предположить, что с ростом напряжения влияние молибденовой иглы будет уменьшаться.
Рис. 8. Одиночная, изолированная, прочно связанная наноточка детонационного алмаза на кончике иглы (а) и характеристики автоэлектронной эмиссии (б): с пленки наноалмаза (1), с голого молибденового наконечника (2), с изолированной частицы наноалмаза (3), а также схема экспериментальной установки (в) [9, рис. 2].
Из рис. 8, следует, что при расстоянии катод–анод 100 нм с наноалмаза 5 нм можно получить ток 10–5 А при напряжении катод–анод 4 × 10–3 В. С квадратного сантиметра (количество наноалмазов 1012 на cм2) можно получить ток 107 А. Известно, что при плотности тока 108 А/см2 наступает взрывная эмиссия [4]. При увеличении напряжения взрывная эмиссия может быть только из-за шероховатости поверхности (см. рис. 4). В наноалмазе с широкой запрещенной зоной нагрев (который отвечает за взрывную эмиссию) не столь значителен. Но мощность, выделяемая на приборе, будет очень велика. Поэтому нужно оптимизировать число наноалмазов или увеличить их размер. При плотности тока 104 А/см2 при тех же размерах и напряжении на приборе будет выделяться мощность 40 Вт, что легко отводится радиатором. Сопротивление прибора в состоянии насыщения 4×10–7 Ом, это позволяет в широком диапазоне менять напряжение источника питания и нагрузку. Если использовать автоэлектронную эмиссию (см. рис. 1–3), то, изменяя расстояние, можно получить на нагрузке мегаваттную мощность.
Следует отметить, что, изменяя размеры наноалмазов, мы изменяем ток, идущий с наноалмаза, а это равносильно изменению коэффициента увеличения поля. В процессе подготовки к эксперименту ограничимся следующими оценками.
Пусть, например, k = 10, U = 1000 В. Из рис. 9 видно, что изменение расстояния между катодом и анодом на 5 мкм вызывает рост сопротивления промежутка более чем на 12 порядков (на 4 мкм – на 9 порядков, до 1000 Ом). А внутреннее сопротивление автоэмиссионного прибора в открытом состоянии (расстояние катод–анод менее 1 мкм) на 2 порядка меньше, чем у полупроводников, и это не предел.
Рис. 9. Зависимость сопротивления R прибора от расстояния x катод–анод: а) R = R1 ×105 Ом, б) R = R2 × 1 Ом, в) R = R3 ×10–6 Ом; Uпит = 1000 В, коэффициент усиления поля 10 (расчет по формуле Фаулера–Нордгейма).
При параметрическом способе управления полем расстояние между катодом и анодом изменяется от десятков нанометров до нескольких микрон, следовательно, прибор работает в левой части кривой Пашена при давлении более 200 Торр (см. рис. 7). Более того, из рис. 7 следует, что автоэмиссионный прибор может работать при давлении 200 Торр и напряжении более 103 В и получать мегаваттную мощность на выходе.
Из рис. 3 следует, что шероховатость поверхности составляет 20…30 нм, следовательно, при атмосферном давлении произведение давления на расстояние составит 2.310–3 Торрсм, поэтому при минимальном расстоянии между катодом и анодом (например, 10–5 см) напряжение питания может составлять десятки киловольт, в этих условиях пробоя не будет. А чтобы получить необходимую плотность тока, нужно иметь большую плотность автоэмиссионных центров. Причем ток с одного автоэмиссионного центра ограничен, так как проводимость наноалмазов определяется поверхностными состояниями, число которых в зависимости от размера может достигать величины порядка 1014. Рост тока при повышении температуры незначителен из-за большой ширины запрещенной зоны наноалмаза. Необходимо отметить, что при увеличении расстояния катод–анод до 5 мкм при давлении 200 Торр и менее пробоя не будет, а автоэмиссионный ток стремится к нулю. Оценки показывают, что сопротивление прибора в открытом состоянии (при минимальном расстоянии катод–анод) менее 10–6 Ом/cм2. Следовательно, возможный КПД прибора (ключевой режим работы) более 99%.
К недостаткам можно отнести более низкую частоту (мегагерцы) генерации колебаний напряжения и тока прибора по сравнению с изменением тока с помощью изменения напряжения.
ЗАКЛЮЧЕНИЕ
Работа автоэмиссионных приборов высокой мощности предполагается на изменении электрического поля катод–анод до величин порядка 107 В/см, которое очень велико. Поэтому среднее поле уменьшают, используя увеличение эмиссионного поля на остриях и различные примеси, снижающие работу выхода электронов. Оценки показывают, что при повышении напряжения острия перегреваются до взрывной эмиссии. В этом случае воспользоваться уникальными свойствами автоэмиссионной электроники для получения мегаваттных мощностей не представляется возможным.
Вместе с тем, если расстояние между катодом и анодом изменять с помощью пьезоэлементов с десятков нанометров до нескольких микрон (при постоянном напряжении питания), то возможно получение мегаваттных мощностей. Подбирая в эксперименте размеры наноалмазов, мегаваттную мощность можно получить и при атмосферном давлении. Такие приборы обладают высоким КПД, и область их применения необычайно широка, в частности, позволит создавать прямоточные двигатели для полетов аэрокосмических самолетов на основе ускорения слабоионизованного воздуха бегущим электромагнитным полем [10].
Кроме того, следует отметить, что размеры и вес прибора сравнимы с полупроводниковыми транзисторами, а мощность, которую прибор может коммутировать, на порядки больше. Достоинством прибора являются небольшие габариты и вес, а диапазон частот весьма широк, от звуковых частот до мегагерцового диапазона.
Автор данной работы заявляет об отсутствии конфликта интересов.
БЛАГОДАРНОСТИ
Автор благодарит В. А. Миронова за просмотр рукописи и исправления, а также А. К. Котова, А. Н. Турко за просмотр рукописи и ценные замечания.
About the authors
V. G. Bondarenko
Institute of Applied Physics of the Russian Academy of Sciences
Author for correspondence.
Email: bonv@ipfran.ru
Russian Federation, Ulyanova str., 46, Nizhny Novgorod, 603950
References
- Шестеркин В.И. // РЭ. 2020. Т. 65. № 1. С. 3.
- Бондаренко В.Г. Способ управления автоэмиссионным током лампы и автоэмиссионная лампа для его осуществления. Пат. РФ № RU2316844. Опубл. офиц. бюл. «Изобретения. Полезные модели» № 4 от 10.02.2008.
- Артым А.Д. Усилители класса D и ключевые генераторы в радиосвязи и радиовещании. М.: Связь, 1960.
- Месяц Г. А. Взрывная электронная эмиссия. М.: Физматлит, 2011.
- Владимиров Г. Г. Физическая электроника. Ч. 2. Эмиссия в сильных электрических полях. Учебное пособие. СПб.: Изд-во СПб ун-та, 2012.
- Сливков И.Н., Михайлов В.И., Сидоров Н.И., Настюха А.И. Электрический пробой и разряд в вакууме. М.: Атомиздат, 1966.
- Усанов Д. А., Яфаров Р. К. Исследование автоэлектронной эмиссии из наноуглеродных материалов: Учебное пособие. Саратов: Изд-во Сарат. ун-та, 2006.
- Белл P. Л. Эмиттеры с отрицательным электронным сродством. М.: Энергия, 1978.
- Zhirnov V. V., Shenderova O. A., Jaeger D. L. et.al. // ФТТ. 2004. Т. 46. № 4. С. 641.
- Семенов В.Е., Бондаренко В.Г., Гильденбург В.Б. и др. // Физика плазмы и управляемый термоядерный синтез. 2002. Т. 44. № 12.
Supplementary files











