Comparative Analysis of Microservice and Serverless Technology Building Automatic Design Systems for Calculating the Instability of the Static Mode of Nonlinear Electronic Circuits
- Авторлар: Gridin V.N.1, Anisimov V.I.1,2, Vasiliev S.A.1,2
-
Мекемелер:
- Center of Information Technologies in Design, Russian Academy of Sciences
- St. Petersburg State Electrotechnical University LETI
- Шығарылым: Том 68, № 12 (2023)
- Беттер: 1230-1235
- Бөлім: PHYSICAL PROCESSES IN ELECTRONIC DEVICES
- URL: https://ogarev-online.ru/0033-8494/article/view/243615
- DOI: https://doi.org/10.31857/S0033849423120082
- EDN: https://elibrary.ru/GKPNZW
- ID: 243615
Дәйексөз келтіру
Толық мәтін
Аннотация
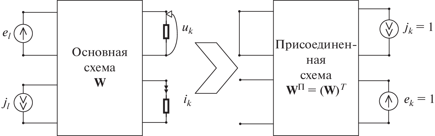
Methods for constructing distributed automation systems for circuit design to calculate the instability of the coordinates of the operating points of the static mode of nonlinear electronic circuits were considered. Two-terminal networks of type R and transmission parameters of dependent sources, as well as characteristics
of external influences (temperature, radiation, etc.) are taken as components that change under the influence of external factors. To solve the problem of calculating the instability of the coordinates of the operating points of the static mode of nonlinear electronic circuits, a technique is proposed based on the use of an auxiliary circuit, which is constructed by transposing the description of the original circuit. The features of the organization of serverless and microservice architecture for building circuit design automation systems are analyzed. The multitenant design of a microservice information system environment is described. The mechanism
of operation of the service as a service is presented to ensure the operation of the business logic of the server component.
Авторлар туралы
V. Gridin
Center of Information Technologies in Design, Russian Academy of Sciences
Email: info2@ditc.ras.ru
Moscow oblast, Russia
V. Anisimov
Center of Information Technologies in Design, Russian Academy of Sciences; St. Petersburg State Electrotechnical University LETI
Email: info2@ditc.ras.ru
Moscow oblast, Russia; St. Petersburg, 197022 Russia
S. Vasiliev
Center of Information Technologies in Design, Russian Academy of Sciences; St. Petersburg State Electrotechnical University LETI
Хат алмасуға жауапты Автор.
Email: info2@ditc.ras.ru
Moscow oblast, Russia; St. Petersburg, 197022 Russia
Әдебиет тізімі
- Шитько А.М. // Труды БГТУ. Сер. 3: Физико-математические науки и информатика. 2017. № 9 (200). С. 122.
- Гордина А.Т., Забродин А.В. // Интеллектуальные технологии на транспорте. 2022. № 1(29). С. 39.
- Гордина А.Т., Забродин А.В. // Интеллектуальные технологии на транспорте. 2022. № 1(29). С. 16.
- Анисимов В.И., Дмитревич Г.Д., Ежов С.Н. и др. Автоматизация схемотехнического проектирования на мини-ЭВМ. Л.: Изд-во Ленинград. ун-та, 1983.
- Сигорский В.П., Петренко А.И. Алгоритмы анализа электронных схем. М.: Сов. радио, 1976.
- Ильин В.Н. Основы автоматизации схемотехнического проектирования. М.: Энергия, 1979.
- Чуа Л.О., Лин Пен-Мин. Машинный анализ электронных схем. M.: Энергия, 1980.
- Влах И., Сингхал К. Машинные методы анализа и проектирования электронных схем. М.: Радио и связь, 1988.
- Гридин В.Н., Михайлов В.Б., Шустерман Л.Б. Численно-аналитическое моделирование радиоэлектронных схем. М.: Наука, 2008.
- Тарасик В.П. Математическое моделирование технических систем. Минск: Дизайн ПРО, 2004.




