Распространение мощных нано- и субнаносекундных видеоимпульсов в среде с меняющимися термодинамическими характеристиками
- Авторы: Глазунов П.С.1,2, Вдовин В.А.2, Салецкий А.М.1
-
Учреждения:
- Московский государственный университет им. М.В. Ломоносова
- Институт радиотехники и электроники им. В.А. Котельникова РАН
- Выпуск: Том 68, № 8 (2023)
- Страницы: 817-826
- Раздел: РАДИОФИЗИЧЕСКИЕ ЯВЛЕНИЯ В ТВЕРДОМ ТЕЛЕ И ПЛАЗМЕ
- URL: https://ogarev-online.ru/0033-8494/article/view/138362
- DOI: https://doi.org/10.31857/S0033849423080053
- EDN: https://elibrary.ru/UWMFWQ
- ID: 138362
Цитировать
Полный текст
Аннотация
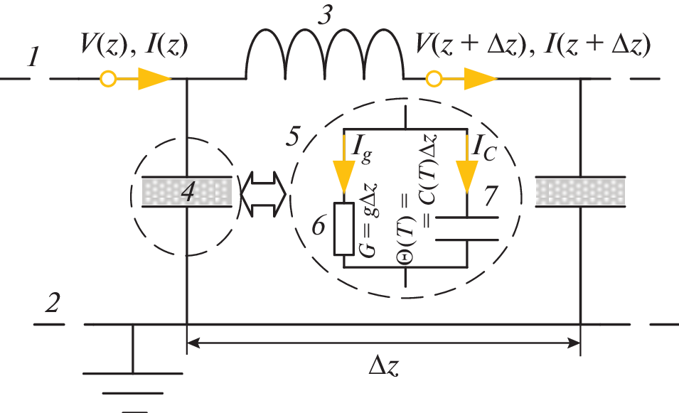
Предложена консервативная модель слабопроводящей материальной среды с меняющимися термодинамическими характеристиками в процессе распространения в ней импульса. Получены уравнения, описывающие изменение формы профиля видеоимпульса, распространяющегося в среде, а также в нелинейных линиях передачи с температурной зависимостью диэлектрической проницаемости. Показано, что если температурный коэффициент диэлектрической проницаемости отрицателен, то возможно увеличение пиковой мощности импульса с течением времени, в противном случае температурная зависимость диэлектрической проницаемости приводит к увеличению затухания.
Об авторах
П. С. Глазунов
Московский государственный университет им. М.В. Ломоносова; Институт радиотехники и электроники им. В.А. Котельникова РАН
Email: vdv@cplire.ru
Российская Федерация, 119991, Москва, Ленинские горы, 1; Российская Федерация, 125009, Москва, ул. Моховая, 7, стр. 11
В. А. Вдовин
Институт радиотехники и электроники им. В.А. Котельникова РАН
Email: vdv@cplire.ru
Российская Федерация, 125009, Москва, ул. Моховая, 7, стр. 11
А. М. Салецкий
Московский государственный университет им. М.В. Ломоносова
Автор, ответственный за переписку.
Email: vdv@cplire.ru
Российская Федерация, 119991, Москва, Ленинские горы, 1
Список литературы
- Rukin S.N. // Rev. Sci. Instrum. 2020. V. 91. № 1. P. 011501. https://doi.org/10.1063/1.5128297
- Gundersen M., Vernier P.T., Cronin S.B., Kerketta S. // IEEE Trans. 2020. V. PS-48. № 4. P. 742. https://doi.org/10.1109/TPS.2020.2972934
- Senaj V., del Barrio Montañés A.A., Kramer T. et al. // JACoW IPAC. 2021. V. 21. P. 4454. https://doi.org/10.18429/JACoW-IPAC2021-THPAB340
- Sokovnin S.Yu., Balezin M.E. // Radiation Phys. and Chem. 2018. V. 144. P. 265. https://doi.org/10.1016/j.radphyschem.2017.08.023
- del Barrio Montañés A.A., Senaj V., Kramer T. et al. // J. Phys.: Conf. Ser. IOP Publ. 2023. V. 2420. № 1. P. 012085. https://doi.org/10.18429/JACoW-IPAC2022-THPOTK044
- Jintao Q.I.U., Zhang C., Zehui L.I.U. et al. // Plasma Sci. Technol. 2021. V. 23. № 6. P. 064011. https://doi.org/10.1088/2058-6272/abf299
- Komarskiy A.A., Korzhenevskiy S.R., Komarov N.A. // AIP Conf. Proc. 2020. V. 2250. № 1. P. 020018. https://doi.org/10.1063/5.0013238
- Serguschichev K.A., Smirnov A.A., Ilyin V.A. et al. // J. Phys.: Conf. Ser. IOP Publ. 2019. V. 1410. № 1. P. 012237. https://doi.org/10.1088/1742-6596/1410/1/012237
- Zhang J., Zhang D., Fan Y. et al. // Physics of Plasmas. 2020. V. 27. № 1. P. 010501. https://doi.org/10.1063/1.5126271
- Fedorov V.M., Efanov M.V., Ostashev Ye.O. et al. // Electronics. 2021. V. 10. № 9. P. 1011. https://doi.org/10.3390/electronics10091011
- Efremov A.M., Koshelev V.I., Kovalchuk B.M. et al. // Laser and Particle Beams. 2014. V. 32. № 3. P. 413. https://doi.org/10.1017/S0263034614000299
- Singh S.K., Mitra S., Naresh P. et al. // Proc. 2014 Int. Conf. IEEE Int. Power Modulator and High Voltage Conf. Santa Fe. 1–5 Jun. 2014. P. 271. https://doi.org/10.1109/IPMHVC.2014.7287261
- Ahajjam Y., Aghzout O., Catala-Civera J.M. et al. // Advanced Electromagnetics. 2019. V. 8. № 3. P. 76. https://doi.org/10.7716/aem.v8i3.676
- Wen S., Wang M., Xie J., Wu D. // Microwave and Optical Technol. Lett. 2019. V. 61. № 4. P. 867. https://doi.org/10.1002/mop.31654
- Ahmad V., Sobus J., Greenberg M. et al. // Nature Commun. 2020. V. 11. № 1. P. 4310. https://doi.org/10.1038/s41467-020-18094-4
- Kozlov B.A., Makhanko D.S., Seredinov V.I., Pyanchenkov S.A. // J. Phys.: Conf. Ser. IOP Publ. 2019. V. 1393. № 1. P. 012010. https://doi.org/10.1088/1742-6596/1393/1/012010
- Kozlov B., Makhan’ko D., Seredinov V. // Proc. 2020 Int. Conf. 7th Intern. Congr. on Energy Fluxes and Radiation Effects IEEE. Tomsk. Russia. 14–16 Sept. 2020. P. 621. https://doi.org/10.1109/EFRE47760.2020.9241987
- Катаев И.Г. Ударные электромагнитные волны. М.: Сов. радио, 1963.
- Островский Л.А. // ЖТФ. 1963. Т. 33. № 9. С. 1080.
- Гапонов А.В., Островский Л.А., Фрейдман Г.И. // Изв. вузов. Радиофизика. 1967. Т. 10. № 9–10. С. 1376.
- Месяц Г.А. Импульсная энергетика и электроника. М.: Наука, 2004. Гл. 23.
- Driessen A.B.J.M., Beckers F.J.C.M., Huiskamp T., Pemen A.J.M. // IEEE Trans. 2017. V. PS-45. № 12. C. 3288. https://doi.org/10.1109/TPS.2017.2771275
- Gusev A.I., Pedos M.S., Ponomarev A.V. et al. // Rev. Sci. Instrum. 2018. V. 89. № 9. P. 094703. https://doi.org/10.1063/1.5048111
- Huang L., Meng J., Zhu D. et al. // IEEE Trans. 2020. V. PS-48. № 11. P. 3847. https://doi.org/10.1109/TPS.2020.3029524
- Gao J., Li S., Shi C. et al. // Rev. Sci. Instrum. 2019. V. 90. № 1. P. 014704. https://doi.org/10.1063/1.5053780
- Karelin S.Y., Krasovitsky V.B., Magda I.I. et al. // Problems of Atomic Sci. Technol. 2019. P. 65. https://doi.org/10.46813/2019-122-065
- Priputnev P., Romanchenko I., Tarakanov V., Pegel I. // Proc. 2020 7th Int. Congr. on Energy Fluxes and Radiation Effects (EFRE). Tomsk. 14–16 Sept. N.Y.: IEEE, 2020. P. 434. https://doi.org/10.1109/EFRE47760.2020.9241904
- Ulmaskulov M.R., Shunailov S.A., Sharypov K.A., Yalandin M.I. // J. Appl. Phys. 2019. V. 126. № 8. Article No. 084504. https://doi.org/10.1063/1.5110438
- Alichkin E.A., Pedos M.S., Ponomarev A.V. et al. // Rev. Sci. Instrum. 2020. V. 91. № 10. P. 104705. https://doi.org/10.1063/5.0017980
- Fairbanks A.J., Darr A.M., Garner A.L. // IEEE Access. 2020. V. 8. P. 148606. https://doi.org/10.1109/ACCESS.2020.3015715
- Alpert Y., Jerby E. // IEEE Trans. 1999. V. PS-27. № 2. P. 555. https://doi.org/10.1109/27.772285
- Zhong J., Liang S., Yuan Y., Xiong Q. // IEEE Trans. 2016. V. MTT-64. № 8. P. 2467. https://doi.org/10.1109/TMTT.2016.2584613
- Sid A., Debbache D., Bendib A. // Phys. of Plasmas. 2006. V. 13. № 8. P. 083107. https://doi.org/10.1063/1.2219431
- Andreev N.E., Courtois C., Cros B. et al. // Phys. Rev. E. 2001. V. 64. № 1. P. 016404. https://doi.org/10.1103/PhysRevE.64.016404
- Tuev P.V., Lotov K.V. // JOSA A. 2021. V. 38. № 1. P. 108. https://doi.org/10.1364/JOSAA.410552
- Peñano J.R., Sprangle P., Hafizi B. et al. // Phys. Rev. E. 2005. V. 72. № 3. P. 036412. https://doi.org/10.1103/PhysRevE.72.036412
- Petrov G.M., Davis J. // J. Phys. B: Atomic, Molecular and Optical Physics. 2008. V. 41. № 2. P. 025601. https://doi.org/10.1088/0953-4075/41/2/025601
- Ovchinnikov K.N., Uryupin S.A. // Contributions to Plasma Phys. 2019. V. 59. № 7. P. e201800119. https://doi.org/10.1002/ctpp.201800119
- Grigorovich D.A., Ovchinnikov K.N., Uryupin S.A. // Plasma Phys. Rep. 2022. V. 48. № 11. P. 1156. https://doi.org/10.1134/S1063780X22601286
- Рез И.С., Поплавко Ю.М. Диэлектрики: основные свойства и применения в электронике. РиС, 1989.
- Квасников И.А. Термодинамика и статистическая физика. Т. 1. Теория равновесных систем: Термодинамика. М.: Едиториал УРСС, 2002.
- Ахманов С.А. // Успехи физ. наук. 1986. Т. 149. № 7. С. 361.
- Silaghi M.A. Dielectric Material. 2012. https://doi.org/10.5772/50638
- Иоссель Ю.Я., Кочанов Э.С., Струнский М.Г. Расчет электрической емкости. Л.: Энергоиздат, 1981. С. 147.
- Калантаров П.Л., Цейтлин Л.А. Расчет индуктивностей. Л.:Энергоатомиздат, 1986. С. 132.
- Krupka J., Derzakowski K., Riddle B., Baker-Jarvis J. // Measurement Sci. Technol. 1998. V. 9. № 10. P. 1751. https://doi.org/10.1088/0957-0233/9/10/015
- Глазунов П.С., Вдовин В.А., Слепков А.И. // Журн. радиоэлектроники. 2019. № 2. https://doi.org/10.30898/1684-1719.2019.2.1
- Savage M.E., Bennett L.F., Bliss D.E. et al. // Proc. 2007 16th IEEE Int. Pulsed Power Conf. Albuquerque 17–22 Jun. 2007. N.Y.: IEEE, 2007. V. 2. P. 979. https://doi.org/10.1109/PPPS.2007.4652354
- Luo T., Shan X., Zhao J. et al. // J. Amer. Ceramic Soc. 2019. V. 102. № 7. P. 3849. https://doi.org/10.1111/jace.16415
- de Ligny D., Richet P. // Phys. Rev. B. 1996. V. 53. № 6. P. 3013. https://doi.org/10.1103/PhysRevB.53.3013
Дополнительные файлы







