Бортовая фазированная антенная решетка миллиметрового диапазона волн
- Авторы: Пономарёв Л.И.1, Васин А.А.1, Крехтунов В.М.2, Терёхин О.В.1, Комиссарова Е.В.2
-
Учреждения:
- Московский авиационный институт (национальный исследовательский университет)
- Московский государственный технический университет им. Н.Э. Баумана (национальный исследовательский университет)
- Выпуск: Том 68, № 8 (2023)
- Страницы: 772-781
- Раздел: К 100-ЛЕТИЮ Б.В. СЕСТРОРЕЦКОГО
- URL: https://ogarev-online.ru/0033-8494/article/view/138345
- DOI: https://doi.org/10.31857/S0033849423080107
- EDN: https://elibrary.ru/YRVQWN
- ID: 138345
Цитировать
Полный текст
Аннотация
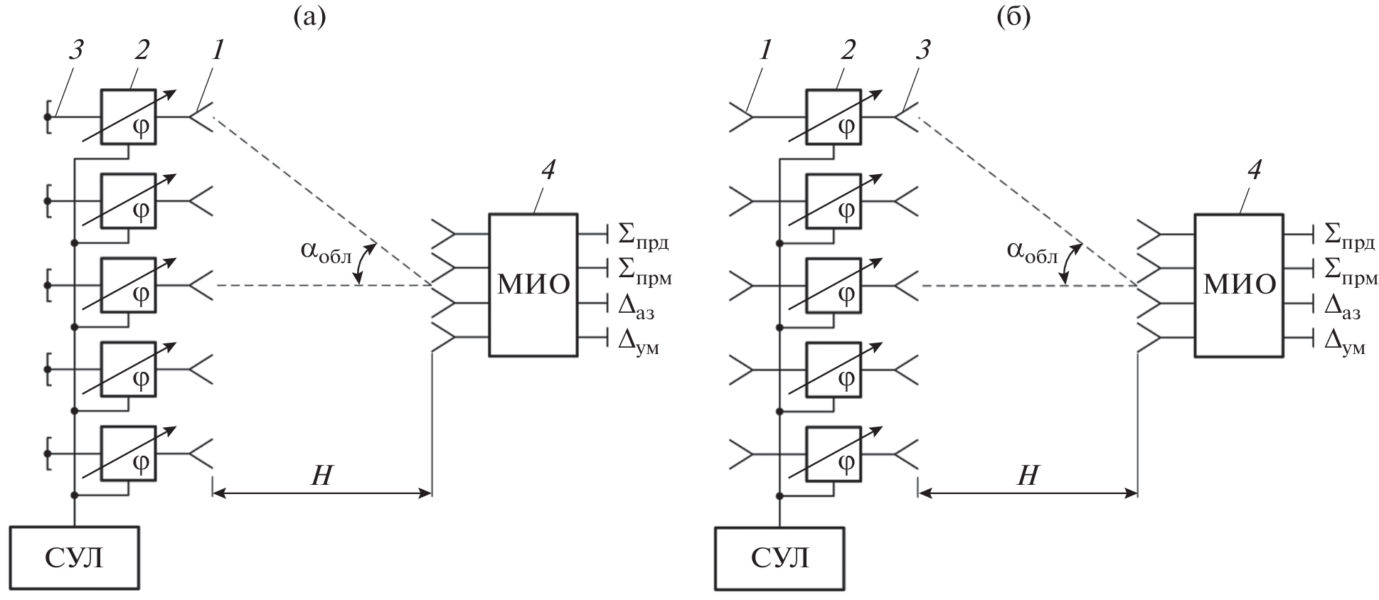
Определены требования, предъявляемые к характеристикам фазированных антенных решеток радиолокационных систем, предназначенных для зондирования земной поверхности с борта летательного аппарата. Рассмотрены особенности конструкции бортовой проходной фазированной антенной решетки с моноимпульсным облучателем. Приведены результаты расчета характеристик направленности и величины потерь коэффициента усиления фазированной антенной решетки.
Ключевые слова
Об авторах
Л. И. Пономарёв
Московский авиационный институт (национальный исследовательский университет)
Email: mai4062@mail.ru
Российская Федерация, 125993, Москва, Волоколамское шос., 4
А. А. Васин
Московский авиационный институт (национальный исследовательский университет)
Email: mai4062@mail.ru
Российская Федерация, 125993, Москва, Волоколамское шос., 4
В. М. Крехтунов
Московский государственный технический университет им. Н.Э. Баумана(национальный исследовательский университет)
Email: mai4062@mail.ru
Российская Федерация, 105005, Москва, 2-я Бауманская ул., 5
О. В. Терёхин
Московский авиационный институт (национальный исследовательский университет)
Email: mai4062@mail.ru
Российская Федерация, 125993, Москва, Волоколамское шос., 4
Е. В. Комиссарова
Московский государственный технический университет им. Н.Э. Баумана(национальный исследовательский университет)
Автор, ответственный за переписку.
Email: mai4062@mail.ru
Российская Федерация, 105005, Москва, 2-я Бауманская ул., 5
Список литературы
- Канащенков А.И. // Фазотрон. Информационно-аналитический журн. корпорации “Фазотрон-НИИР”. 2007. Т. 10. № 1–2. С. 3.
- Денисенко В.В., Дубров Ю.Б., Корчемкин Ю.Б. и др. // Антенны. 2005. № 1. С. 7.
- Антипов В.Н., Меркулов В.И., Самарин О.Ф., Чернов В.С. // Успехи современ. радиоэлектроники. 2009. № 10. С. 7.
- Рошаль Л.Б., Фирсенков А.И., Крехтунов В.М., Шевцов О.Ю. Элемент фазированной антенной решетки. Патент РФ № 2325711. Опубл. офиц. бюл. “Изобретения. Полезные модели” № 15 от 27.05.2008.
- Голубцов М.Е., Русов Ю.С., Крехтунов В.М. и др. Элемент проходной фазированной антенной решетки // Патент РФ № 2461991. Опубл. офиц. бюл. “Изобретения. Полезные модели” № 26 от 20.09.2012.
- Фирсенков А.И., Гуськов А.Б., Комиссарова Е.В. и др. // Электроника и микроэлектроника СВЧ. 2019. Т. 1. С. 4. https://mwelectronics.etu.ru/assets/files/ 2019/p01.pdf.
- Васин А.А., Канащенков А. И., Крехтунов В. М. и др. Проходной элемент фазированной антенной решетки. Патент РФ на полезную модель № 187274. Опубл. офиц. бюл. “Изобретения. Полезные модели” № 7 от 28.02.2019.
- Гуськов А.Б., Комиссарова Е.В., Крехтунов В.М. и др. // СВЧ-электроника. 2020. № 3. С. 29.
- Образумов В.И., Крехтунов В.М., Шевцов О.Ю. и др. Моноимпульсная антенна. Патент РФ № 2370863. Опубл. офиц. бюл. “Изобретения. Полезные модели” № 29 от 20.10.2009.
- Русов Ю.С., Голубцов М.Е., Крехтунов В.М., Нефедов С.И. Модуль проходной фазированной антенной. Патент РФ № 2461930. Опубл. офиц. бюл. “Изобретения. Полезные модели” № 26 от 20.00.2012.
Дополнительные файлы














