Влияние внешних магнитных полей на амплитудно-временные характеристики ионных источников пеннинга
- Авторы: Масленников С.П.1, Мамедов И.М.1
-
Учреждения:
- Национальный исследовательский ядерный университет “МИФИ”
- Выпуск: Том 68, № 5 (2023)
- Страницы: 487-491
- Раздел: ФИЗИЧЕСКИЕ ПРОЦЕССЫ В ЭЛЕКТРОННЫХ ПРИБОРАХ
- URL: https://ogarev-online.ru/0033-8494/article/view/138247
- DOI: https://doi.org/10.31857/S0033849423050133
- EDN: https://elibrary.ru/UHZSXJ
- ID: 138247
Цитировать
Полный текст
Аннотация
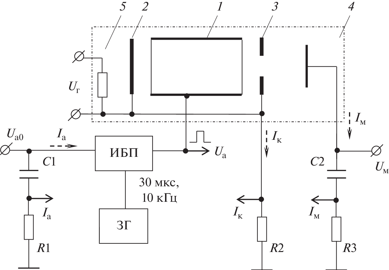
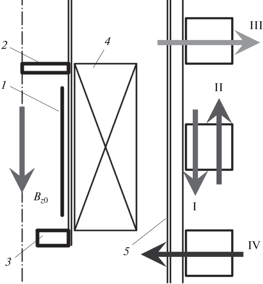
Рассмотрены режимы работы импульсных ионных источников Пеннинга при воздействии внешних магнитных полей, соответствующих условиям эксплуатации аппаратуры геофизических исследований скважин. Представлены результаты исследований зависимости амплитудно-временных характеристик ионных источников от величины и конфигурации магнитного поля. На основании полученных данных предложены варианты построения магнитных систем нейтронных трубок, обеспечивающие повышение стабильности работы нейтронных генераторов.
Об авторах
С. П. Масленников
Национальный исследовательский ядерный университет “МИФИ”
Email: spmaslennikov@mephi.ru
Российская Федерация, 115409, Москва,
Каширское шос., 31
И. М. Мамедов
Национальный исследовательский ядерный университет “МИФИ”
Автор, ответственный за переписку.
Email: spmaslennikov@mephi.ru
Российская Федерация, 115409, Москва,
Каширское шос., 31
Список литературы
- Бармаков Ю.Н., Боголюбов Е.П., Миллер В.В. и др. // Каротажник. 2006. № 10‒11 (151–152). С. 174.
- Юрков Д.И., Боголюбов Е.П., Миллер В.В. и др. // Каротажник. 2013. № 9(231). С. 77.
- Valkovic V. 14 MeV Neutrons. Physics and Applications. Boca Raton: CRC Press, 2016.
- Zhou X., Lu J., Liu Y., Ouyang X. // Nuclear Instruments and Methods in Physics Research A. 2021. V. 987. Article No. 164836. https://doi.org/10.1016/j.nima.2020.164836
- Liu W., Li M., Gao K., Gu D. // Nuclear Instruments and Methods in Physics Research A. 2014. V. 768. P. 120. https://doi.org/10.1016/j.nima.2014.09.052
- Hooper E.B. // Adv. Electronics and Electron Phys. 1970. V. 27. P. 295. https://doi.org/10.1016/S0065-2539(08)60040-2
- Chen F.K. // J. Appl. Phys. 1984. V. 56. № 11. P. 3191. https://doi.org/10.1063/1.333882
- Мамедов Н.В., Масленников С.П., Солодовников А.А., Юрков Д.И. // Физика плазмы. 2020. Т. 46. № 2. С. 172. https://doi.org/10.31857/S0367292120020067
- Mamedov N.V., Gubarev A.V., Zverev V.I. et al. // Plasma Sources Sci. Technol. 2020. № 2. Article No. 025001. https://doi.org/10.1088/1361-6595/ab6758
- Рачков Р.С., Пресняков А.Ю., Юрков Д.И. // Атомная энергия. 2019. Т. 126. № 6. С. 334.
- Масленников С.П., Серебрякова А.С. // РЭ. 2018. Т. 63. № 1. С. 80. https://doi.org/10.7868/S0033849417010119
- Комаров Д.А., Масленников С.П. // РЭ. 2019. Т. 64. № 1. С. 77. https://doi.org/10.1134/S0033849419010091
- Мамедов Н.В., Масленников С.П. Пресняков Ю.К. и др. // ЖТФ. 2019. Т. 89. № 9. С. 1367. https://doi.org/10.21883/JTF.2019.09.48062.34-19
- Мамедов Н.В., Щитов Н.Н., Колодко Д.В и др. // ЖТФ. 2018. Т. 88. № 8. С. 1164. https://doi.org/10.21883/JTF.2018.08.46304.2396
- Масленников С.П., Мамедов И.М. // РЭ. 2022. Т. 67. № 7. С. 722. https://doi.org/10.31857/S0033849422070117
- Mamedov N.V., Rohmanenkov A.S., Solodovnikov A.A. // J. Phys.: Conf. Ser. 2021. V. 2064. Article No. 012039. https://doi.org/10.1088/1742-6596/2064/1/012039
Дополнительные файлы








