Изучение термического газовыделения из люминофора Р43 и аэрогеля для применения в вакуумной системе ЦКП “СКИФ”
- Authors: Семенов А.М.1,2, Смирнов A.B.3
-
Affiliations:
- Институт ядерной физики им. Г.И. Будкера Сибирского отделения Российской академии наук
- Новосибирский государственный технический университет
- Институт общей физики им. А.М. Прохорова Российской академии наук
- Issue: No 2 (2024)
- Pages: 194–199
- Section: ЛАБОРАТОРНАЯ ТЕХНИКА
- URL: https://ogarev-online.ru/0032-8162/article/view/266156
- DOI: https://doi.org/10.31857/S0032816224020245
- EDN: https://elibrary.ru/QRGLTD
- ID: 266156
Cite item
Full Text
Abstract
Успешная работа ЛИНАКа ЦКП “СКИФ” напрямую связана с усовершенствованием методов диагностики для измерения поперечного профиля и продольного распределения заряда пучка, которые, в свою очередь, требуют использования новых материалов или методов их изготовления. В данной статье приведены результаты термического газовыделения аэрогеля и люминофора Р43, нанесенного методом электрофоретического осаждения, применяемых в диагностических устройствах ЛИНАКа ЦКП “СКИФ”.
Full Text
1. Введение
Как уже не раз отмечалось, в Новосибирске строится источник синхротронного излучения (СИ) 4+ поколения ЦКП “СКИФ” [1], в котором предъявляются требования к малому эмиттансу пучка (75 пм ∙ рад), для достижения которого необходим сверхвысокий вакуум. Поскольку по своим параметрам он превосходит многие зарубежные аналоги, предъявляются повышенные требования ко всем подсистемам, и к вакуумной системе в том числе.
Одной из важных частей, без которой невозможно представить себе ускорительный комплекс ЦКП “СКИФ”, является линейный ускоритель (ЛИНАК) с энергией пучка до 200 МэВ. Но получить электронный пучок мало, необходимо убедиться в его соответствии требованиям, предъявляемых к нему. Поэтому усовершенствуются методы диагностики пучка, для чего применяются материалы, мало изученные или совсем не изученные с точки зрения вакуумной техники, такие как сцинтиллятор Р43, изготовленный методом осаждения, или вспененный диоксид кремния.
Для контроля за поперечным профилем пучка используются люминофорные датчики. В связи с тем, что электроны с энергиями 0.6 МэВ тормозятся и испытывают сильное рассеяние в слое вещества с толщиной десятые доли миллиметра, существует необходимость введения люминофорного экрана непосредственно внутрь вакуумной камеры. Поэтому люминофорное покрытие должно быть совместимым с рабочим вакуумом ЛИНАК, для чего применяется люминофор Р43, нанесенный методом электрофоретического осаждения.
Измерение продольного распределения заряда осуществляется методом разрушающей диагностики, оно основано на использовании черенковского излучения, регистрируемого стрик-камерой. Для энергии электронов от 600 кэВ до 200 МэВ появляется возможность использовать в качестве радиатора вспененный диоксид кремния или аэрогель с коэффициентом преломления n = 1.05. Полное число черенковских фотонов с учетом углового распределения составило примерно 1010. Аэрогель применяется более 20 лет в ускорителях заряженных частиц, но до сих пор, с точки вакуумной техники, он мало изучен [2]. Все эти материалы требуют подробных исследований вакуумных свойств, таких как газовыделение, спектр остаточных газов и т. д., перед применением в высоковакуумных системах.
В статье представлены результаты измерения термического газовыделения для вспененного диоксида кремния и для люминофора Р43, нанесенного методом электрофоретического осаждения, в зависимости от длительности и условий вакуумных испытаний.
2. Экспериментальная установка и методика измерения
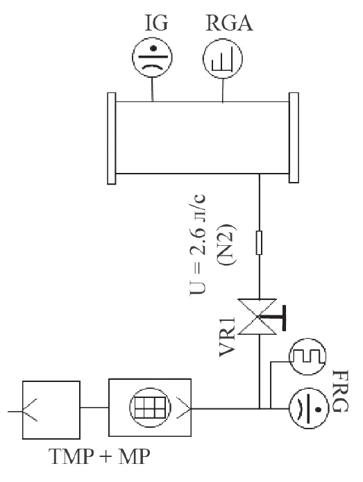
Схема установки для измерения коэффициента термического газовыделения для люминофоров и аэрогеля показана на рис. 1 [3].
Рис. 1. Стенд для измерения коэффициента термического газовыделения: VR1 − цельнометаллические угловые клапаны, IG − ионизационный датчик давления с горячим катодом типа Bayard-Albert, FRG − широкодиапазонный датчик давления от 10-10 мбар до 1000 мбар, TMP − турбомолекулярный насос, МР − безмасляный форвакуумный (мембранный) насос.
Стенд состоит из вакуумного объема, изготовленного из бесшовной нержавеющей трубы марки 304L, который отделяется от средств откачки цельнометаллическим угловым клапаном VR1.
Измерение давления в системе выполнялось ионизационным датчиком давления с горячим катодом IG (от 2 · 10-11 мбар до 10-4 мбар). Измерение парциальных давлений газов (до 100 а.е.м.) проводилось при помощи квадрупольного масс-спектрометра RGA фирмы SRS (Стэнфорд, США).
До проведения экспериментов по измерению коэффициента термического газовыделения была установлена диафрагма диаметром 6 мм и толщиной 3 мм с известной молекулярной проводимостью, равной 2.6 л/с по азоту, а также были измерены коэффициенты чувствительности датчика давления с горячим катодом и масс-спектрометра, кроме того, определялась газовая нагрузка из пустого вакуумного объема Qreference. После каждого напуска воздуха до атмосферного давления проводились повторная калибровка всех измерителей вакуума и измерение газовой нагрузки пустого объема.
Предварительная откачка системы производилась турбомолекулярной станцией, включающей в себя турбомолекулярный насос (TMP) и безмасляный мембранный насос (MP), через цельнометаллический угловой клапан VR1. Измерение форвакуума и высокого вакуума осуществлялось широкодиапазонным датчиком давления FRG фирмы Pfeiffer, состоящим из датчика Pirani (от 10-4 мбар до 1000 мбар) и датчика давления с горячим катодом (от 10-10 мбар до 10-4 мбар), расположенным на откачной станции.
Установка прогревалась резистивным методом, контроль за температурой выполнялся термопарами (хромель/копель).
Методика измерений основана на измерении перепада давлений на элементе с известной молекулярной проводимостью (в данном случае на диафрагме). Газовый поток может быть вычислен следующим образом:
где U – известная молекулярная проводимость диафрагмы, равная 2.6 л/с для азота; Рдо – давление в измерительной системе, мбар; Рпосле – давление на откачной станции, мбар; К – коэффициент чувствительности для датчика давления, равный 1.0 для азота.
Коэффициент термического газовыделения находится следующим образом:
где Аобр [см2] – полная площадь образцов, Qreference [л · мбар/с] – газовая нагрузка из пустого вакуумного объема.
3. Результаты и обсуждение
3.1. Сцинтиллятор Р43
Оксисульфид гадолиния, легированный тербием (Gd2O2S:Tb), известен как высококачественный порошковый рентгеновский люминофор с энергетической эффективностью эмиссии в видимой области спектра до 0.2. Кроме того, он имеет высокую плотность (7.34 г/см) и показывает не слишком большое время затухания (порядка 0.6 мс) 0.
В Институте общей физики (ИОФ РАН) был изготовлен образец размерами 270 × 480 мм2. Образец был изготовлен нанесением люминофора Р43 на металлическую подложку (сталь 12Х18Н9Т) методом электрофоретического осаждения. Этот метод дает повышенную термическую стойкость экранов, повышенную плотность упаковки зерен люминофора и лучшую их адгезию к подложке.
Контроль качества покрытия осуществлялся путем измерения нагрузки люминофорного покрытия (аналитические весы), ее значение составило 1.2–1.4 мг/см2, а также на установке с ультрафиолетовым возбуждением с помощью ртутной лампы.
Люминофор был помещен в измерительный объем стенда, показанный на рис. 1. Никакая дополнительная процедура очистки к образцу не применялась, но измерение коэффициента термического газовыделения выполнялось до и после каждого прогрева при 140 °С в течение 24 ч, а также после напуска воздуха в измерительный объем до атмосферного давления. Результаты представлены в табл. 1.
Таблица 1. Коэффициент термического газовыделения для сцинтиллятора Р43
Время | q, л∙мбар/(с∙см2) |
Откачка №1 | |
24 ч | 4.7 ∙ 10-8 |
48 ч | 1.33 ∙ 10-8 |
72 ч | 9.3 ∙ 10-9 |
23 дня | 7.4 ∙ 10-10 |
После прогрева №1 | |
72 ч | 1.0 ∙ 10-10 |
Напуск воздуха до атмосферного давления. Откачка ЛК №2 | |
24 ч | 1.1 ∙ 10-8 |
72 ч | 2.6 ∙ 10-9 |
После прогрева №2 | |
3 дня | 1.35 ∙ 10-11 |
4 дня | 2.1 ∙ 10-12 |
5 дней | 1.8 ∙ 10-12 |
Напуск воздуха до атмосферного давления. Откачка №3 | |
24 ч | 2.4 ∙ 10-10 |
48 ч | 4.8 ∙ 10-10 |
72 ч | 2.5 ∙ 10-10 |
7 дней | 1.6 ∙ 10-11 |
Как следует из табл. 1, каждый последующий прогрев уменьшает коэффициент газовыделения даже после воздействия воздуха при атмосферном давлении, при этом после напуска воздуха коэффициент термодесорбции меньше на порядок в сравнении с первоначальными измерениями. Объяснение этому кроется в том, что до того, как начались вакуумные испытания, образец находился без вакуумной “гигиены” на воздухе при атмосферном давлении около года. В нашем же случае образец находился без вакуума не более 24 ч до последующей откачки [5].
Поскольку в состав люминофора Р43 входит сера, наличие которой в вакуумной камере недопустимо ни при каких условиях, было важно изучить спектр остаточных газов до и после прогрева. На рис. 2 показаны спектры остаточных газов сцинтиллятора марки Р43 до и после прогрева при 140 °С в течение 24 ч с последующим остыванием до комнатной температуры. Как видно из спектров, пик 32 а.е.м. присутствует до прогрева, после прогрева данного газа почти нет.
Рис. 2. Спектр остаточных газов керамического сцинтиллятора Р43 до прогрева через 24 ч после старта откачки (а) и после прогрева через 5 дней после остывания до RT9 (б).
Если предположить наличие серы, то маловероятно ее восстановление в чистом виде из люминофора Р43. Если же это разложение из SO2 или H2S, то в таком случае должны доминировать пики, соответствующие 64 а.е.м. или 34 а.е.м., а в действительности они либо не были обнаружены, либо были меньше 32 а.е.м.
Если же это кислород, то в чистом виде его не бывает, если нет виртуальных течей. Косвенным подтверждением отсутствия виртуальных течей может служить тот факт, что кислород дает “фрагменты” пиков 16, 34 и 33 а.е.м. К сожалению, вычленить составляющую кислорода в пике 16 а.е.м., почти невозможно, так как пик 16 а.е.м. включает также метан и атомарный кислород из угарного газа и углекислого газа и т.д., которые всегда в том или другом количестве присутствуют в спектре остаточных газов. Пики, соответствующие 33 и 34 а.е.м., очень малы по сравнению с пиком 32 а.е.м., чтобы с хорошей точностью утверждать о наличии или отсутствии кислорода.
Другим способом изучения спектра остаточных газов было наблюдение за тем, как изменяется величина 32 а.е.м. в зависимости от температуры нагрева люминофора. Для этой цели был создан внутренний нагреватель из циркониевой проволоки диаметром 0.43 мм и длиной 2 м (электрическое сопротивление равняется 6.7 Ом при температуру 20 °С), намотанной на керамическую трубку диаметром 4 мм для избегания провисания нагревателя. Данный нагреватель располагался на расстоянии 10–15 мм с обратной стороны люминофора. Контроль за температурой осуществлялся при помощи термопары хромель-копель, закрепленной на люминофоре. Максимальная температура нагрева люминофора, равная 170 °С, была достигнута при токе 4.0 А и мощности 240 Вт.
Было обнаружено, что при увеличении мощности нагрева, а следовательно, и увеличении температуры на люминофоре, пик 32 а.е.м. также увеличивается, но при длительной выдержке при данной температуре происходит заметное уменьшение величины пика 32 а.е.м., что свидетельствует о наличии кислорода, а не серы.
Поскольку люминофор изготавливается из мелкозернистых фракций, он создает большую газовую нагрузку на вакуумную систему. Использование катода из циркония выполняло и вторую задачу. Во время нагрева сцинтиллятора происходит распыление циркония, который является хорошим газопоглотителем. Во время эксперимента был получен предельный вакуум порядка 3 · 10-10 мбар, что значительно превышает требование к вакууму в ЛИНАКе (уровень вакуума 10-8 мбар и лучше).
3.2. Аэрогель
Одним из аэрогелей, получившим широкое применение в диагностике пучка, является вспененный диоксид кремния, состоящий из совокупности частиц и пор. Размеры пор настолько малы, что эти поры рассеивают очень мало света, поэтому аэрогели очень прозрачны в видимом диапазоне длин волн. Важными параметрами аэрогеля являются оптические свойства (длина рассеянного света, длина поглощенного света, низкий коэффициент преломления (от 1.0006 до 1.11)), фотонный выход из аэрогеля, временное разрешение, а также максимальная толщина радиатора, которая ограничивается длиной рассеивания света [6].
Поскольку аэрогель имеет низкую плотность, но высокую пористость (90–99.9)%, при этом площадь внутренней поверхности достигает от 100 до 2000 м2/г, важно определить коэффициент термического газовыделения и спектр остаточных газов в зависимости от длительности откачки и предварительных условий подготовки образцов.
В Институте катализа были изготовлены образцы с коэффициентом преломления от 1.03 до 1.05 и геометрической площадью порядка 86 см2. На рис. 3, 4 представлены результаты термического газовыделения и спектр остаточных газов соответственно.
Рис. 3. Термическое газовыделение из вспененного диоксида кремния (аэрогеля) в зависимости от длительности откачки и предварительных условий подготовки образцов.
Рис. 4. Спектр остаточных газов из аэрогеля до прогрева (а) и после прогрева при 160 °С в течение 24 ч (б).
Выводы
- Измерены коэффициент термического газовыделения и спектр остаточных газов из люминофора Р43, изготовленного методом электрофоретического осаждения.
- Полученные результаты свидетельствуют о том, что данные люминофоры можно применять в сверхвысоковакуумных системах ионных ускорителей, где требуется получение вакуума на уровне (2–3)·10-11 Торр, чтобы не допустить нежелательной перезарядки ионов.
- Измерены коэффициент термического газовыделения и спектр остаточных газов из вспененного диоксида кремния (аэрогеля).
- Данный аэрогель успешно используется в черенковских датчиках на ЛИНАКе ЦКП “СКИФ” в качестве радиаторов, при этом взаимодействие с пучком никак не влияет на вакуум в ускорителе.
Благодарности
Авторы выражают искреннюю благодарность А.Ф. Данилюку за предоставленные образцы вспененного диоксида кремния (аэрогеля).
About the authors
А. М. Семенов
Институт ядерной физики им. Г.И. Будкера Сибирского отделения Российской академии наук; Новосибирский государственный технический университет
Author for correspondence.
Email: A.M.Semenov@inp.nsk.su
Russian Federation, 630090, Новосибирск, просп. Академика Лаврентьева, 11; 630073, Новосибирск, просп. Карла Маркса, 20
A. B. Смирнов
Институт общей физики им. А.М. Прохорова Российской академии наук
Email: A.M.Semenov@inp.nsk.su
Russian Federation, 119991, Москва, ул. Вавилова, 38
References
- ЦКП “СКИФ” https://srf-skif.ru/
- Zhao Q., Bähr J., Bohnet I., Flöttmann K., Lipka D., Richter D., Stephan F.// Proceed. Particle Accelerator Conference. 2001. Chicago, P. 2299.
- Бурдаков А.В., Варанд А.В., Краснов А.А., Мешков О.И., Михайленко М.А., Семенов А.М., Толочко Б.П., Шошин А.А. // ПТЭ. 2022. № 3. С. 146.
- Morlotti R., Nikl M., Piazza M., Boragno C. // J. Luminesc. 1997. V. 72. P. 772. https://doi.org/10.1016/S0022-2313(96)00330-4
- Semenov A.M., Burdakov A.V., Krasnov A.A., Shoshin A.A., Tolochko B.P., Varand A.V. // Proceed. IPAC. 2021. Campinas, P. 2447. https://doi.org/10.18429/JACoW-IPAC2021-TUPAB396
- Bähr J., Djordjadze V., Lipka D., Onuchin A., Stephan F. // NIM A. 2005. V. 538. P. 597. https://doi.org/10.1016/j.nima.2004.08.098
Supplementary files






