ФКИ-16 – формирователь импульсов для настройки и тестирования преобразователей время–код с калибруемой шкалой преобразования
- Авторы: Сидоркин В.В.1
-
Учреждения:
- Объединенный институт ядерных исследований
- Выпуск: № 1 (2024)
- Страницы: 213-215
- Раздел: ПРИБОРЫ, ИЗГОТОВЛЕННЫЕ В ЛАБОРАТОРИЯХ
- URL: https://ogarev-online.ru/0032-8162/article/view/263901
- DOI: https://doi.org/10.31857/S0032816224010317
- EDN: https://elibrary.ru/FINDFE
- ID: 263901
Цитировать
Полный текст
Полный текст
Формирователь калибровочных импульсов ФКИ-16 выполнен в стандарте КАМАК (2М). Его основной функцией является формирование калибровочных импульсов для определения передаточных характеристик преобразователей время–код (ПВК), временно́е разрешение которых может меняться в зависимости от текущих условий эксплуатации. К таким ПВК относятся, в частности, преобразователи прямого счета, использующие в качестве источника счетных импульсов кольцевые генераторы на логических элементах, в том числе и кольцевые генераторы, работающие в коде Джонсона [1–3]. Для ПВК этого типа определяющей причиной нестабильности является температурная зависимость времени задержки распространения сигнала внутри логического элемента.
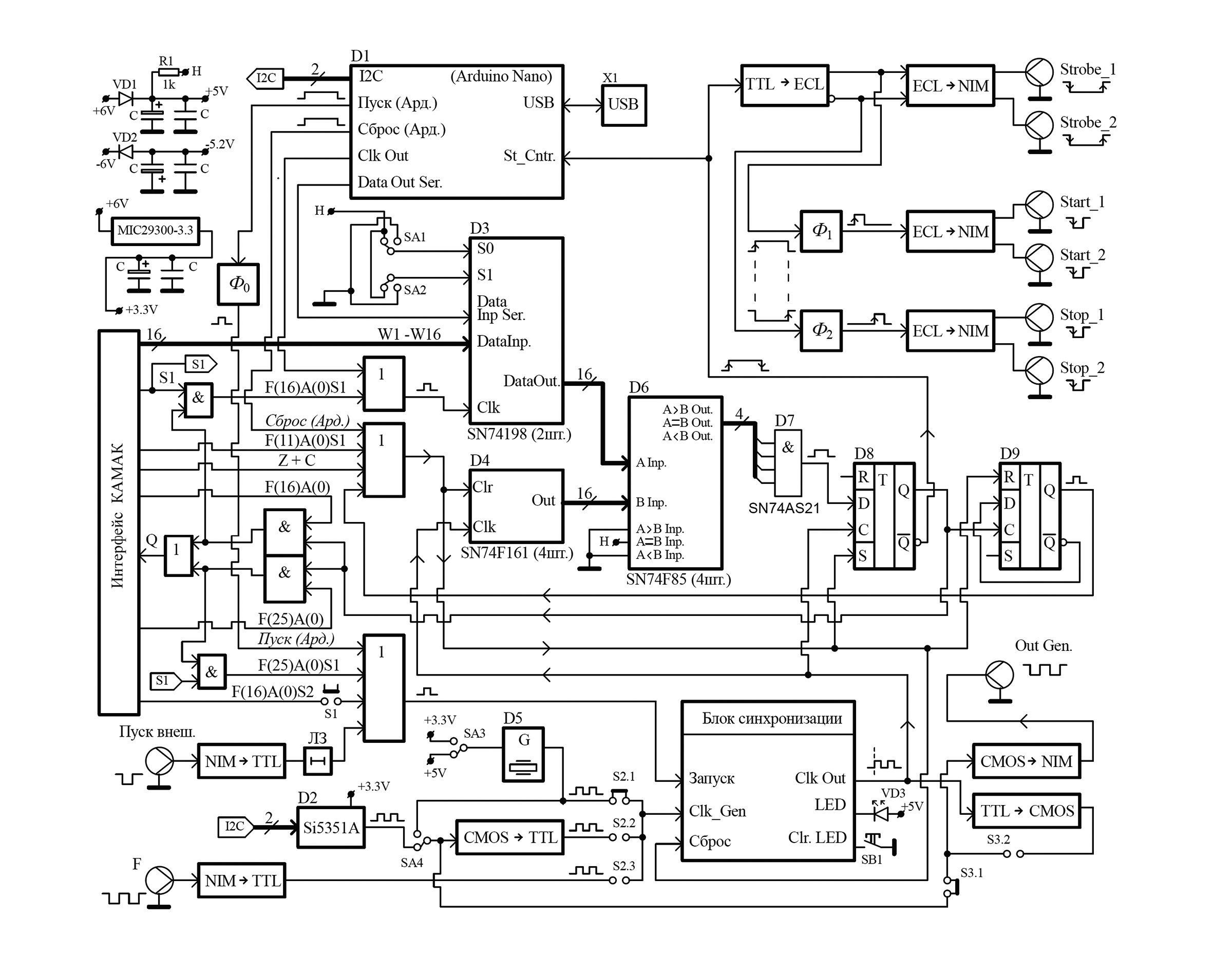
Функциональная схема формирователя ФКИ-16 представлена на рис. 1.
Рис. 1. Функциональная схема ФКИ-16.
В регистр D3 (SN74198 – 2 шт.) командой F(16)A(0)S1 загружается двоичный код длительности калибровочного импульса. Далее эти данные уже с выхода регистра D3 подаются на один из входов цифрового компаратора D6 (SN74F85 – 4 шт.). Данные для сравнения поступают на другой вход компаратора от счетчика D4 (SN74F161 – 4 шт.), на счетный вход которого после одной из команд на запуск (F(25)A(0)S1, F(16)A(0)S2, сигнала Пуск (Ард.) или сигнала от внешнего источника (“Пуск внеш.”)) подаются импульсы счетной последовательности. Данная последовательность формируется в “Блоке синхронизации” из сигналов тактового генератора D5 (или внешнего генератора, сигналы от которого подаются в модуль через разъем F).
По переднему фронту первого такта счетной последовательности переключается триггер D8, и на его инверсном выходе формируется передний фронт калибровочного импульса. Также по переднему фронту первого такта счетной последовательности начинается подсчет тактовых импульсов счетчиком D4. После того как компаратор D6 зафиксирует равенство содержимого регистра и счетчика и выдаст на выход “А=В” сигнал подтверждения, этот сигнал поступит на вход “D” триггера D8. Следующим фронтом тактового импульса триггер D8 переключится в исходное состояние, и на его инверсном выходе сформируется задний фронт калибровочного импульса. Импульс с прямого выхода триггера D8 перебросит триггер D9, сигнал с выхода которого через цепь для сигналов сброса переведет блок ФКИ-16 в исходное состояние, после чего модуль будет готов к следующей команде запуска. Содержимое регистра D3 при этом сохраняется.
Кроме калибровочных импульсов (выходы Strobe1 и Strobe2), модуль генерирует на выходах Start1 и Start2, Stop1 и Stop2 две пары идентичных друг другу импульсов, передние фронты которых в каждой паре формируются соответственно по переднему (формирователь Ф1) и заднему фронтам (формирователь Ф2) калибровочного импульса. Длительность этих сигналов порядка 20 нс.
В ФКИ-16 используется плата Arduino Nano. Через установленный на ней разъем USB возможно управление блоком непосредственно от компьютера в таком же объеме, как и от магистрали КАМАК. В этом варианте загрузка регистра D3 осуществляется последовательным способом с использованием сигналов с выходов “Data Out Ser.” и “Clk Out” платы Arduino Nano (режим загрузки регистра D3 определяется состоянием его входов S0 и S1). Поскольку получение коротких импульсов на выходах Arduino Nano затруднено, в цепи сигнала Пуск (Ард.) используется формирователь длительности сигналов Ф0. Он предназначен для сокращения излишней задержки при работе ФКИ-16 в режиме непрерывной генерации калибровочных импульсов (этот режим в первом варианте реализуется подачей сигналов с одного из выходов Stop1 или Stop2 на вход “Пуск внеш.”). Линия задержки (ЛЗ) обеспечивает минимально необходимое время задержки, которое требуется для возврата модуля в исходное состояние после завершения выполнения предыдущей команды запуска.
Блок синхронизации после подачи на его вход любого сигнала на запуск становится нечувствительным к командам запуска на время генерации калибровочного импульса. Узнать о текущем состоянии ФКИ-16 можно в случае управления от Arduino Nano по состоянию входа “St Cntr” – если на нем высокий логический уровень, то модуль занят. В случае управления от магистрали КАМАК узнать о текущем состоянии ФКИ-16 можно по состоянию линий “X” и “Q” в ответ на команды запуска F(25)A(0)S1 и F(16)A(0)S2. Значения X = 1 и Q = 1 означают, что команда на запуск прошла, значения X = 1 и Q = 0, – что команда не прошла. Для визуального контроля используется светодиод VD3, который фиксируется во включенном состоянии каждый раз, когда возникает ситуация ошибочного запуска. Сброс индикации осуществляется вручную кнопкой SB1. Использование световой индикации удобно при реализации второго варианта режима непрерывной генерации, когда на вход “Пуск внеш.” подаются тактовые импульсы от генератора с управляемой частотой выходного сигнала. Включение светового диода будет сигнализировать о достижении предельной частоты запуска.
Выбор кварцевого генератора D5 определяется поставленной задачей. На плате предусмотрены посадочные места для нескольких распространенных типов корпусов генераторов. Применение модуля шириной 2М, помимо улучшения теплового баланса, также обусловлено и учетом габаритов корпусов генераторов (главным образом по высоте).
В рассматриваемом варианте ФКИ-16 используется кварцевый генератор O14N01000XCSBXA с частотой выходного сигнала 1.000000 МГц, температурной нестабильностью ±20 ppm при -20 ÷ +70 °С (±5 ppm при 25 °С). Применение данного кварцевого генератора позволяет формировать калибровочные импульсы в диапазоне от 1 мкс до 65535 мкс с шагом в 1 мкс.
Опционально для расширения возможностей ФКИ-16 используется интегральная схема Si5351A-B-GT (производитель Skyworks, https://www.skyworksinc.com), являющаяся перестраиваемым генератором с управлением по I2C-интерфейсу (в данном случае от платы Arduino Nano).
ФКИ-16 может применяться и как тестовый генератор. В качестве тестовых сигналов, помимо описанных выше, могут использоваться сигналы с выхода Out Gen, на который подаются импульсы либо от генератора D5 (Si5351A), либо с выхода Clk Out блока синхронизации (выбирается перемычками S3.1 и S3.2). В последнем варианте сигналы формируются в виде цуга импульсов, количество которых задается кодом, загруженным в регистр D3.
Все входные и выходные сигналы ФКИ-16 соответствуют стандарту NIM для быстрых логических сигналов отрицательной полярности.
Изменение требований к стабильности, точности и длительности калибровочных импульсов с учетом экономической целесообразности решается заменой генераторов, размещаемых в самом модуле, либо использованием внешних термостабилизированных источников тактовой частоты.
Об авторах
В. В. Сидоркин
Объединенный институт ядерных исследований
Автор, ответственный за переписку.
Email: sidorkin@jinr.ru
лаборатории ядерных проблем, сектор №1 научно-экспериментального отдела физики элементарных частиц
Россия, 141980, Московская обл., Дубна, ул. Жолио-Кюри, 6Список литературы
- Сидоркин В.В. // ПТЭ. 2018. № 3. С. 41. https://doi.org/10.786 8/S003281621803028X
- Сидоркин В.В. // ПТЭ. 2018. № 4. С.152. https://doi.org/10.1134/S0032816218040304
- Сидоркин В.В. // ПТЭ. 2023. № 1. С.149. https://doi.org/10.31857/S0032816223010238, EDN: JWXZEQ
Дополнительные файлы



