Исследование работы детектора пролета высокоскоростных заряженных микрочастиц для времяпролетного масс-спектрометра
- Авторы: Воронов К.Е.1, Пияков И.В.1, Калаев М.П.1, Телегин А.М.1
-
Учреждения:
- Самарский национальный исследовательский университет им. акад. С.П. Королева (Самарский университет)
- Выпуск: № 6 (2023)
- Страницы: 135-141
- Раздел: ФИЗИЧЕСКИЕ ПРИБОРЫ ДЛЯ ЭКОЛОГИИ, МЕДИЦИНЫ, БИОЛОГИИ
- URL: https://ogarev-online.ru/0032-8162/article/view/233271
- DOI: https://doi.org/10.31857/S0032816223040183
- EDN: https://elibrary.ru/RBNSPE
- ID: 233271
Цитировать
Полный текст
Аннотация
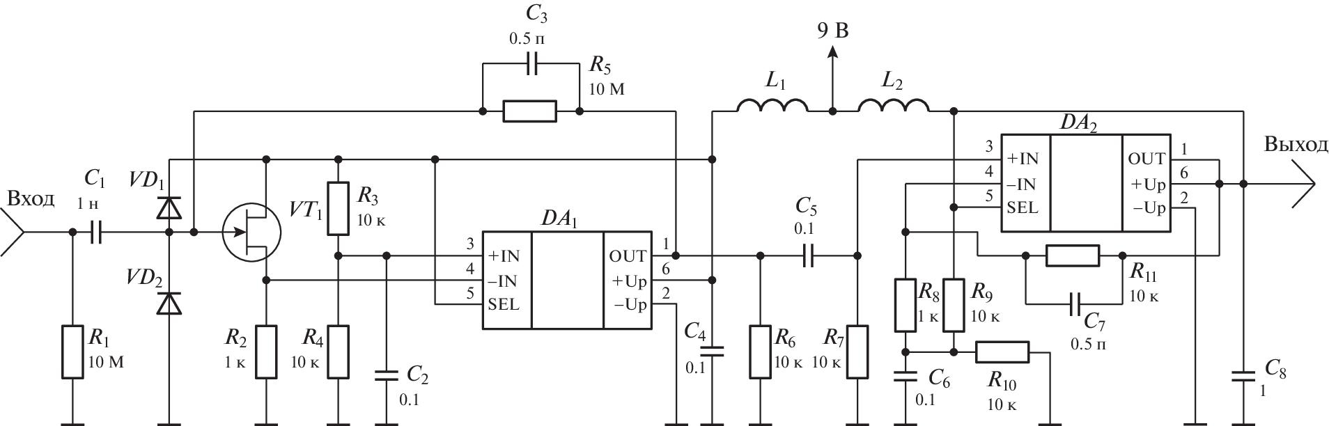
В работе рассмотрены различные конструкции детекторов пролета заряженных микрочастиц, которые могут быть установлены на масс-спектрометры с целью регистрации момента пролета микрочастицы и инициации процесса измерения. Наибольший диапазон регистрируемых масс и скоростей показала конструкция детектора, изготовленная на основе диэлектрического основания (PLA-пластик) с использованием 3D-принтера и нихромовой нити.
Об авторах
К. Е. Воронов
Самарский национальный исследовательский университет им. акад. С.П. Королева(Самарский университет)
Email: talex85@mail.ru
Россия, 443086, Самара, Московское шоссе, 34
И. В. Пияков
Самарский национальный исследовательский университет им. акад. С.П. Королева(Самарский университет)
Email: talex85@mail.ru
Россия, 443086, Самара, Московское шоссе, 34
М. П. Калаев
Самарский национальный исследовательский университет им. акад. С.П. Королева(Самарский университет)
Email: talex85@mail.ru
Россия, 443086, Самара, Московское шоссе, 34
А. М. Телегин
Самарский национальный исследовательский университет им. акад. С.П. Королева(Самарский университет)
Автор, ответственный за переписку.
Email: talex85@mail.ru
Россия, 443086, Самара, Московское шоссе, 34
Список литературы
- Auer S., Grün E., Kempf S., Srama R., Srowig A., Sternovsky Z., Tschernjawski V. // Review of scientific instruments 2008. V. 79. Art. № 084501. https://doi.org/10.1063/1.2960566
- Xie J., Sternovsky Z., Auerd S., Drake K., Grün E., Horanyi M., Le H., Srama R. // Planetary and Space Science. 2013. V. 89. P. 63. https://doi.org/10.1016/j.pss.2013.01.004
- Пияков А.В., Телегин А.М. // ПТЭ. 2022. № 4. С. 106. https://doi.org/10.31857/S0032816222040243
- Auer S. // Rev. Sci. Instrum. 1975. V. 46. № 2. P. 127. https://doi.org/10.1063/1.1134155
- Auer S., Grün E., Srama R., Kemp S., Auera R. // Planetary and Space Science. 2022. V. 50. P. 773. https://doi.org/10.1016/S0032-0633(02)00019-3
- Li Y., Kempf S., Simolka J., Strack H., Grün E., Srama R. // Advances in Space Research. 2017. V. 59. P. 1636. https://doi.org/10.1016/j.asr.2016.12.037
- Пияков И.В., Калаев М.П., Сухачев К.И., Воронов К.Е., Телегин А.М. // ПТЭ. 2020. № 6. С. 83. https://doi.org/10.31857/S0032816220060154
- Воронов К.Е., Телегин А.М., Рязанов Д.М. // Прикладная физика. 2021. № 4. С. 73. https://doi.org/10.51368/1996-0948-2021-4-73-80
- Фельд Я.Н. // Докл. АН СССР. 1953. Т. 93. № 3. С. 447.
- Герштейн Г.М. Моделирование полей методом электростатической индукции.М.: Наука, 1970.
- Телегин А.М. // Инженерная физика. 2021. № 9. С. 27.
- Иновенков А.Н., Константинов О.В., Пирогов В.И. // ЖТФ. 1993. Т. 63. № 9. С. 1.
- Поклонский Н.А., Вырко С.А., Кочерженко А.А. // ЖТФ. 2004. Т. 74. № 11. С. 75.
- Семкин Н.Д., Пияков А.В., Воронов К.Е., Богоявленский Н.Л., Горюнов Д.В. // ПТЭ. 2007. № 2. С. 140.
Дополнительные файлы










