Distribution of the Magnetic Field in the Gap between Two Permanent Magnets: Calculated and Experimental Data and Their Applications
- Authors: Osipov V.V.1, Orlov A.N.1, Lisenkov V.V.1, Maksimov R.N.1, Shitov V.A.1
-
Affiliations:
- Institute of Electrophysics, Ural Branch, Russian Academy of Sciences
- Issue: No 6 (2023)
- Pages: 111-118
- Section: ОБЩАЯ ЭКСПЕРИМЕНТАЛЬНАЯ ТЕХНИКА
- URL: https://ogarev-online.ru/0032-8162/article/view/233268
- DOI: https://doi.org/10.31857/S003281622306006X
- EDN: https://elibrary.ru/WWVDAG
- ID: 233268
Cite item
Full Text
Abstract
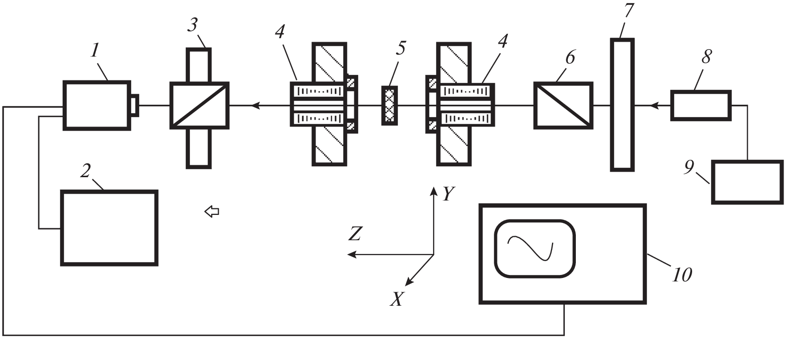
Theoretical and experimental studies of the magnetic field distribution in the space between two cylindrical permanent magnets with through holes in the center have been carried out. In the middle of a space measuring 2 × 2 × 2 mm3 near the symmetry axis, a magnetic field with an inhomogeneity of no more than 3% was found and one in the region of 1 × 1 × 1 mm3 with less than 1% was found. Based on the calculated and experimental results, a setup for determining the Verdet constant (V) using neodymium permanent magnets was developed and manufactured. The magneto-optical constants for samples of optical ceramics from Tb2O3 and Tb3Ga5O12 at wavelengths of 0.628 and 1.06 µm are determined.
About the authors
V. V. Osipov
Institute of Electrophysics, Ural Branch, Russian Academy of Sciences
Email: romanmaksimov@e1.ru
620016, Yekaterinburg, Russia
A. N. Orlov
Institute of Electrophysics, Ural Branch, Russian Academy of Sciences
Email: orlov@iep.uran.ru
620016, Yekaterinburg, Russia
V. V. Lisenkov
Institute of Electrophysics, Ural Branch, Russian Academy of Sciences
Email: romanmaksimov@e1.ru
620016, Yekaterinburg, Russia
R. N. Maksimov
Institute of Electrophysics, Ural Branch, Russian Academy of Sciences
Email: romanmaksimov@e1.ru
620016, Yekaterinburg, Russia
V. A. Shitov
Institute of Electrophysics, Ural Branch, Russian Academy of Sciences
Author for correspondence.
Email: romanmaksimov@e1.ru
620016, Yekaterinburg, Russia
References
- Осипов В.В., Шитов В.А., Максимов Р.Н., Соломонов В.И., Лукьяшин К.Е., Орлов А.Н. // Фотоника. 2018. Т. 12. № 3. С. 318. https://doi.org/10.22184/1993-7296.2018.71.3.318.334
- Валиев У.В., Малышева М.Е., Рахимов Ш.А., Султонов О.З. // Опт. и спектр. 2022. Т. 130. № 6. С. 937. https://doi.org/10.21883/OS.2022.06.52637.2892-21
- Железнов Д.С., Войтович А.В., Мухин И.Б., Пала-шов О.В., Хазанов Е.А. // КЭ. 2006. Т. 36. № 4. С. 383. https://doi.org/10.1070/QE2006v036n04ABEH013154
- Maksimov R.N., Osipov V.V., Karagedov G.R., Platonov V.V., Yurovskikh A.S., Orlov A.N., Spirina A.V., Shitov V.A. // J. Inorganics. 2022. V. 10. P. 173. https://doi.org/10.3390/inorganics10100173
- Veber P., Velazquez M., Gadret G., Rytz D., Peltz M., Decourt R. // Cryst. Eng. Comm. 2015. V. 17. P. 492. https://doi.org/10.1039/C4CE02006E
- Slezak O., Yasuhara R., Lucianetti A., Mocek T. // Opt. Mater. Express. 2016. V. 6. P. 3683. https://doi.org/10.1364/OME.6.003683
Supplementary files









