LED Internal Quantum Efficiency Meter
- Авторлар: Sergeev V.A.1, Radaev O.A.1, Frolov I.V.1
-
Мекемелер:
- Ulyanovsk Branch of the Kotelnikov Institute of Radio Engineering and Electronics, Russian Academy of Sciences
- Шығарылым: № 6 (2023)
- Беттер: 103-110
- Бөлім: ОБЩАЯ ЭКСПЕРИМЕНТАЛЬНАЯ ТЕХНИКА
- URL: https://ogarev-online.ru/0032-8162/article/view/233267
- DOI: https://doi.org/10.31857/S0032816223060071
- EDN: https://elibrary.ru/WWTKVO
- ID: 233267
Дәйексөз келтіру
Толық мәтін
Аннотация
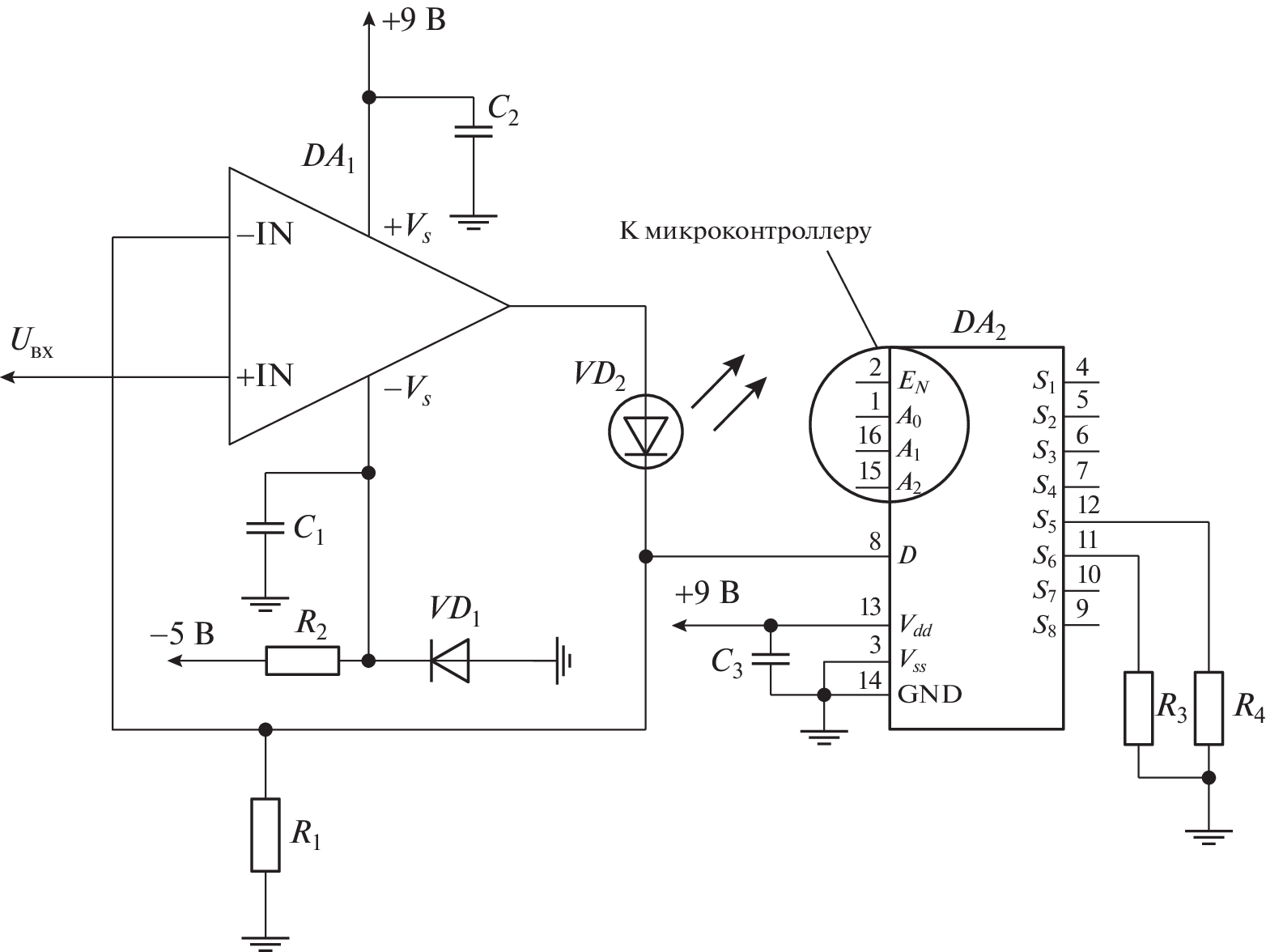
A description and characteristics of the developed internal quantum efficiency (IQE) meter for InGaN LEDs are presented. The meter allows one to determine the IQE of LEDs in the current range up to 25 mA by measuring the watt-ampere characteristic and solving a system of equations relating the values of the radiation power of the LED at two currents with an approximating function obtained on the basis of the ABC model (models of recombination of charge carriers in a light-emitting heterostructure, where A, B, and C are the coefficients of nonradiative, radiative, and Auger recombination, respectively). Unlike the well-known Russian and foreign analogues, the IQE meter is characterized by simplicity of hardware implementation and allows determining the IQE of LEDs at room temperature. The operation of the meter was tested on the example of measuring the IQE of commercial green and blue InGaN LEDs. The meter can be used in scientific laboratories as well as in the input control of enterprises–manufacturers of LED products.
Авторлар туралы
V. Sergeev
Ulyanovsk Branch of the Kotelnikov Institute of Radio Engineering and Electronics, Russian Academy of Sciences
Email: sva@ulstu.ru
432071, Ulyanovsk, Russia
O. Radaev
Ulyanovsk Branch of the Kotelnikov Institute of Radio Engineering and Electronics, Russian Academy of Sciences
Email: sva@ulstu.ru
432071, Ulyanovsk, Russia
I. Frolov
Ulyanovsk Branch of the Kotelnikov Institute of Radio Engineering and Electronics, Russian Academy of Sciences
Хат алмасуға жауапты Автор.
Email: sva@ulstu.ru
432071, Ulyanovsk, Russia
Әдебиет тізімі
- Шуберт Ф. Светодиоды / Под ред. А.Э. Юновича, Москва: Физматлит, 2008.
- Shim J.-I., Shin D.-S. // Nanophotonics. 2018. V. 7 (10). P. 1601. https://doi.org/10.1515/nanoph-2018-0094
- Marcinkevicius S., Yapparov R., Chow Y.C., Lynsky C., Nakamura S., DenBaars S.P., Speck J.S. // Appl. Phys. Lett. 2021. V. 119. P. 071102. https://doi.org/10.1063/5.0063237
- Wang L., Jin J., Mi C., Hao Z., Luo Y., Sun C., Han Y., Xiong B., Wang J., Li H. // Materials. 2017. V. 10. P. 1233. https://doi.org/10.3390/ma10111233
- Lu B., Wang L., Hao Z., Luo Y., Sun C., Han Y., Xiong B., Wang J., Li H., Chen K., Zhuo X., Li J., Kang J. // Applied Sciences. 2019. V. 9. P. 383. https://doi.org/10.3390/app9030383
- Прудаев И.А., Олешко В.И., Корепанов В.И., Лисицын В.М., Толбанов О.П., Ивонин И.В. Патент № 2503024 РФ.
- Han D.-P., Yamamoto K., Ishimoto S., Iwaya M., Takeuchi T., Kamiyama S., Akasaki I. // Appl. Phys. Express. 2019. V. 12. P. 032006. https://doi.org/10.7567/1882-0786/aafca2
- Фролов И.В., Сергеев В.А., Радаев О.А. // Журнал технической физики. 2021. Т. 91. С. 1264. https://doi.org/10.21883/JTF.2021.08.51102.54-21
- Сергеев В.А., Фролов И.В. Патент № 2740433 РФ.
- Van Opdorp C., 't Hooft G.W. // J. Appl. Phys. 1981. V. 52. P. 3827. https://doi.org/10.1063/1.329845
- Shim J.-I., Han D.-P., Oh C.-H., Jung H., Shin D.-S. // IEEE J. Quant. Electron. 2018. V. 54. № 2. Art. № 8000106. https://doi.org/10.1109/JQE.2018.2795044
- Фролов И.В., Сергеев В.А. Патент № 2789118 РФ.
- Karpov S. // Opt. Quantum Electron. 2015. V. 47. P. 1293. https://doi.org/10.1007/s11082-014-0042-9
- David A., Young N.G., Lund C., Craven M.D. // ECS J. Sol. State Sci.Technol. 2020. V. 9. P. 016021. https://doi.org/10.1149/2.0372001JSS
- Фролов И.В., Сергеев В.А. Диагностический контроль качества светодиодов по локальным параметрам электролюминесценции и фототока. Москва: СОЛОН-Пресс, 2023.
- Радаев О.А., Фролов И.В., Сергеев В.А. Радиоэлектронная техника: межвузов. сб. науч. тр. Ульяновск: УлГТУ, 2021. С. 116.
- Onwukaeme C., Lee B. and Ryu H.-Y. // Nanomaterials. 2022. V. 12. P. 2405. https://doi.org/10.3390/nano12142405
- Meyaard D.S., Lin G.-B., Cho J., Schubert E.F. Nitride Semiconductor Light-Emitting Diodes (LEDs): Materials, Technologies and Applications. 2014. P. 279.
Қосымша файлдар







