Сравнительное исследование коммутаторов мощных наносекундных импульсов на основе последовательно соединенных блоков динисторов с ударной ионизацией
- Авторы: Коротков С.В.1, Аристов Ю.В.1, Жмодиков А.Л.1, Коротков Д.А.1
-
Учреждения:
- Физико-технический институт им. А.Ф. Иоффе РАН
- Выпуск: № 4 (2023)
- Страницы: 74-78
- Раздел: ЭЛЕКТРОНИКА И РАДИОТЕХНИКА
- URL: https://ogarev-online.ru/0032-8162/article/view/138427
- DOI: https://doi.org/10.31857/S0032816223040146
- EDN: https://elibrary.ru/RBFCKV
- ID: 138427
Цитировать
Полный текст
Аннотация
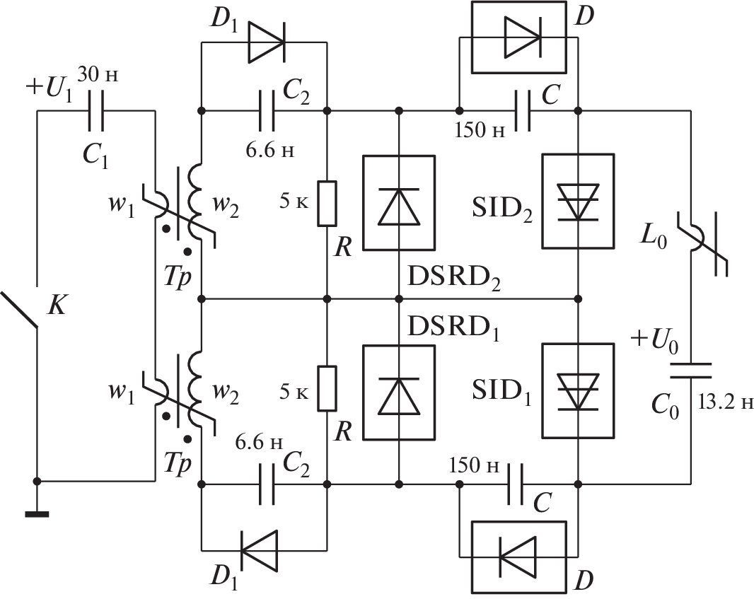
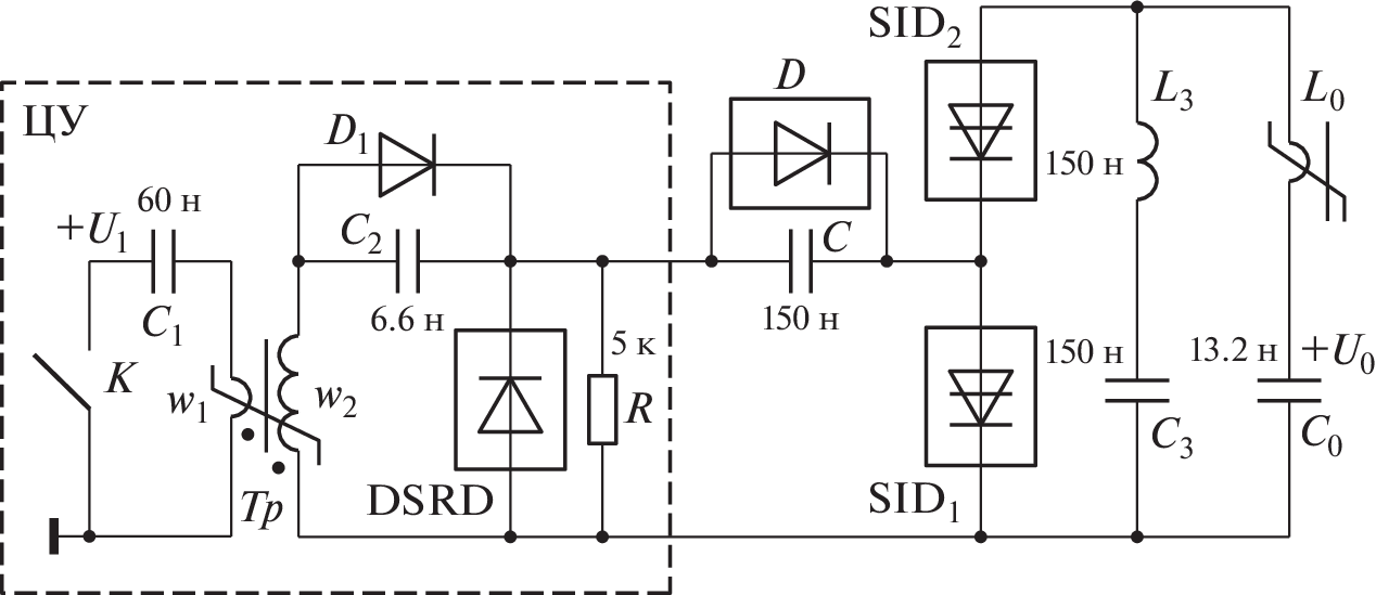
Описаны два типа коммутаторов мощных импульсов тока с рабочим напряжением 24 кВ, выполненных на основе блоков последовательно соединенных динисторов с ударной ионизацией. Рассмотрены процессы переключения этих коммутаторов, приведены результаты их сравнительного исследования. Показана возможность эффективной коммутации наносекундных импульсов тока с амплитудой 6 кА и скоростью нарастания 150 А/нс. Определены перспективы увеличения коммутируемой мощности.
Об авторах
С. В. Коротков
Физико-технический институт им. А.Ф. Иоффе РАН
Email: korotkov@mail.ioffe.ru
Россия, 194021, Санкт-Петербург, ул. Политехническая, 26
Ю. В. Аристов
Физико-технический институт им. А.Ф. Иоффе РАН
Email: korotkov@mail.ioffe.ru
Россия, 194021, Санкт-Петербург, ул. Политехническая, 26
А. Л. Жмодиков
Физико-технический институт им. А.Ф. Иоффе РАН
Email: korotkov@mail.ioffe.ru
Россия, 194021, Санкт-Петербург, ул. Политехническая, 26
Д. А. Коротков
Физико-технический институт им. А.Ф. Иоффе РАН
Автор, ответственный за переписку.
Email: korotkov@mail.ioffe.ru
Россия, 194021, Санкт-Петербург, ул. Политехническая, 26
Список литературы
- Efanov V.M., Kardo-Sysoev A.F., Tchashnikov I.G., Yarin P.M. // Proc. of 1996 International Power Modulator Symposium. USA, FL, Boca Raton, 1996. P. 22. https://doi.org/10.1109/MODSYM.1996.564440
- Grekhov I., Korotkov S., Rodin S. // IEEE Trans. on Plasma Science. 2008. V. 36. № 2. Part 1. P. 378. https://doi.org/10.1109/TPS.2008.918661
- Коротков С.В., Аристов Ю.В., Воронков В.Б., Жмодиков А.Л., Коротков Д.А., Люблинский А.Г. // ПТЭ. 2009. № 5. С. 90.
- Gusev A.I., Lyubutin S.K., Rukin S.N., Tsyranov S.N. // IEEE Trans. on Plasma Science. 2016. V. 44. № 10. Part 1. P. 1888. https://doi.org/10.1109/TPS.2016.2542343
- Grekhov I., Kardo-Sysoev A. // Soviet Technical Physics Letters. 1979. V. 5. № 8. P. 395.
- Коротков С.В., Аристов Ю.В., Коротков Д.А. // ПТЭ. 2022. № 5. С. 70. https://doi.org/10.31857/S003281622205007X
- Коротков С.В., Аристов Ю.В., Воронков В.Б. // ПТЭ. 2019. № 2. С. 24. https://doi.org/10.1134/S0032816219010130
- Коротков С.В., Аристов Ю.В., Жмодиков А.Л., Коротков Д.А. // ПТЭ. 2020. № 5. С. 75. https://doi.org/10.31857/S0032816220050171
- Korotkov S.V., Aristov Yu.V., Korotkov D.A., Zhmodi-kov A.L. // Rev. of Scie. Instruments. 2020. V. 91. Art. № 084704. https://doi.org/10.1063/5.0015284
- Grekhov I., Efanov V., Kardo-Sysoev A., Shenderey S. // Solid State Electronics. 1985. V. 28. № 6. P. 597. https://doi.org/10.1016/0038-1101(85)90130-3
- Грехов И.В., Жмодиков А.Л., Коротков С.В., Прижимнов С.Г., Фоменко Ю.Л. // ПТЭ. 2016. № 3. С. 32. https://doi.org/10.1134/S0020441216020202
Дополнительные файлы







