ИЗУЧЕНИЕ РАБОТЫ МАТРИЦ КРЕМНИЕВЫХ ФОТОУМНОЖИТЕЛЕЙ ПРИ КРИОГЕННОЙ ТЕМПЕРАТУРЕ
- Авторы: Бондарь А.Е.1,2, Борисова Е.О.1,2, Бузулуцков А.Ф.1,2, Носов В.В.1,2, Олейников В.П.1,2, Соколов А.В.1,2, Фролов Е.А.1,2
-
Учреждения:
- Институт ядерной физики им. Г.И. Будкера СО РАН
- Новосибирский государственный университет
- Выпуск: № 4 (2023)
- Страницы: 21-35
- Раздел: ТЕХНИКА ЯДЕРНОГО ЭКСПЕРИМЕНТА
- URL: https://ogarev-online.ru/0032-8162/article/view/138410
- DOI: https://doi.org/10.31857/S0032816223030035
- EDN: https://elibrary.ru/IRHOGC
- ID: 138410
Цитировать
Полный текст
Аннотация
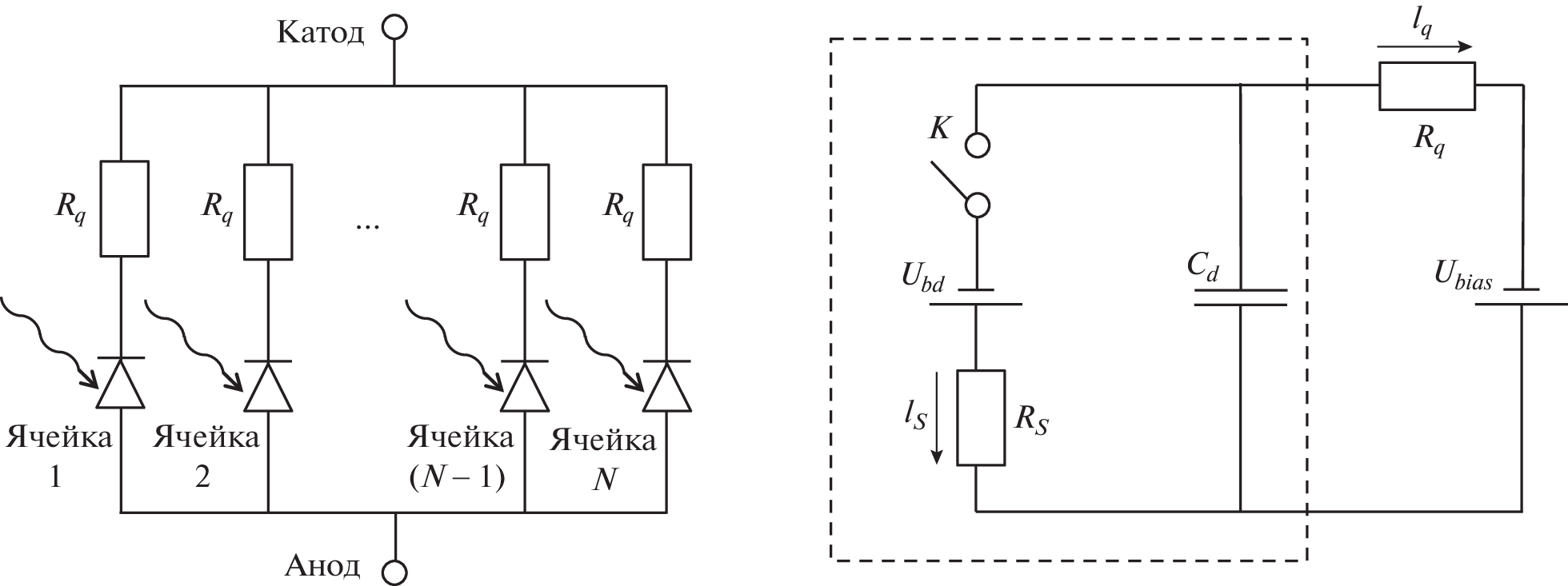
Исследована работа матриц Si-ФЭУ MPPC S13360-6050PE с параллельным и последовательным подключением элементов в условиях эксперимента с двухфазным детектором, а также выполнены теоретические расчеты характеристик сигналов таких матриц. Показано, что длительность сигнала при последовательном соединении Si-ФЭУ с хорошей точностью не изменяется, а при параллельном соединении увеличивается с увеличением числа Si-ФЭУ в матрице. В пределах ошибок интегральная амплитуда сигнала при параллельном соединении не зависит от числа элементов в матрице, а при последовательном соединении наблюдается ее ожидаемое падение, обратно пропорциональное числу элементов в матрице. По результатам данной работы для дальнейшего использования в двухфазном криогенном детекторе темной материи выбрана матрица Si-ФЭУ, состоящая из четырех элементов, соединенных параллельно, так как для такой матрицы продемонстрирована надежная регистрация однофотоэлектронных импульсов, при этом длительность сигнала остается приемлемой.
Об авторах
А. Е. Бондарь
Институт ядерной физики им. Г.И. Будкера СО РАН; Новосибирский государственный университет
Email: E.O.Shemyakina@inp.nsk.su
Россия, 630090, Новосибирск, просп. Акад. Лаврентьева, 11; Россия, 630090, Новосибирск, ул. Пирогова, 1
Е. О. Борисова
Институт ядерной физики им. Г.И. Будкера СО РАН; Новосибирский государственный университет
Email: E.O.Shemyakina@inp.nsk.su
Россия, 630090, Новосибирск, просп. Акад. Лаврентьева, 11; Россия, 630090, Новосибирск, ул. Пирогова, 1
А. Ф. Бузулуцков
Институт ядерной физики им. Г.И. Будкера СО РАН; Новосибирский государственный университет
Email: E.O.Shemyakina@inp.nsk.su
Россия, 630090, Новосибирск, просп. Акад. Лаврентьева, 11; Россия, 630090, Новосибирск, ул. Пирогова, 1
В. В. Носов
Институт ядерной физики им. Г.И. Будкера СО РАН; Новосибирский государственный университет
Email: E.O.Shemyakina@inp.nsk.su
Россия, 630090, Новосибирск, просп. Акад. Лаврентьева, 11; Россия, 630090, Новосибирск, ул. Пирогова, 1
В. П. Олейников
Институт ядерной физики им. Г.И. Будкера СО РАН; Новосибирский государственный университет
Email: E.O.Shemyakina@inp.nsk.su
Россия, 630090, Новосибирск, просп. Акад. Лаврентьева, 11; Россия, 630090, Новосибирск, ул. Пирогова, 1
А. В. Соколов
Институт ядерной физики им. Г.И. Будкера СО РАН; Новосибирский государственный университет
Email: E.O.Shemyakina@inp.nsk.su
Россия, 630090, Новосибирск, просп. Акад. Лаврентьева, 11; Россия, 630090, Новосибирск, ул. Пирогова, 1
Е. А. Фролов
Институт ядерной физики им. Г.И. Будкера СО РАН; Новосибирский государственный университет
Автор, ответственный за переписку.
Email: E.O.Shemyakina@inp.nsk.su
Россия, 630090, Новосибирск, просп. Акад. Лаврентьева, 11; Россия, 630090, Новосибирск, ул. Пирогова, 1
Список литературы
- Akimov D.Y., Bolozdynya A.I., Buzulutskov A.F., Chepel V. Two-phase Emission Detectors. World Scientific, 2021. P. 1.332. https://doi.org/10.1142/12126
- Chepel V., Araujo H. // JINST. 2013. V. 8. P. R04001. https://doi.org/10.1088/1748-0221/8/04/R04001
- Arcadi G., Dutra M., Ghosh P., Lindner M., Mambrini M., Pierre M., Profumo S., Queiroz F. S. // Eur. Phys. J. C. 2018. V. 78. P. 203. https://doi.org/10.1140/epjc/s10052-018-5662-y
- DarkSide Collaboration. Aalseth C.E. et al. // Eur. Phys. J. Plus. 2018. V. 133. P. 129. https://doi.org/10.1140/epjp/i2018-11973-4
- DarkSide Collaboration. Aalseth C.E. et al. // Eur. Phys. J. C. 2021. V. 81. P. 163. https://doi.org/10.1140/epjc/s10052-020-08801-2
- Baudis L., Galloway M., Kish A., Marentini C., and Wulf J. // JINST. 2018. V. 13. P. 10022. https://doi.org/10.1088/1748-0221/13/10/P10022
- Acerbi F., Paternoster G., Capasso M., Marcante M., Mazzi A., Regazzoni V., Zorzi N., Gola A. // Instruments. 2019. V. 3. P. 15. https://doi.org/10.3390/instruments3010015
- Yamamoto K., Nagano T., Yamada R., Ito T., Ohashi Y. // JPS Conference Proceedings. 2019. V. 27. P. 011001. https://doi.org/10.7566/JPSCP.27.011001
- Garutti E. // JINST. 2011. V. 6. P. C10003. https://doi.org/10.1088/1748-0221/6/10/C10003
- Anderhub H., Backes M., Biland A., Boccone V., Braun I., Bretz T., Bu J., Cadoux F., Commichau V., Djambazov L., Dorner D., Einecke S., Eisenacher D., Gendotti A., Grimm O. et al. // JINST. 2013. V. 8. P. P06008. https://doi.org/10.1088/1748-0221/8/06/P06008
- Mora A.D., Martinenghi E., Contini D., Tosi A., Boso G., Durduran T., Arridge S., Martelli F., Farina A., Torricelli A., Pifferi A. // Optics Express. 2015. V. 23(11). P. 13937. https://doi.org/10.1364/OE.23.013937
- Modi M.N., Daie K., Turner G.C., Podgorski K. // Optics Express. 2019. V. 27(24). P. 35830. https://doi.org/10.1364/OE.27.035830
- Otte A.N., Barral J., Dolgoshein B., Hose J., Klemin S., Lorenz E., Mirzoyan R., Popova E., and Teshima M. // Nucl. Instrum. and Methods. A. 2005. V. 545(3) P. 705. https://doi.org/10.1016/j.nima.2005.02.014
- Renker D. // Nucl. Instrum. and Methods. A. 2006. V. 567. P. 48. https://doi.org/10.1016/j.nima.2006.05.060
- Ozaki K., Kazama S., Yamashita M., Itow Y. and Moriyama S. // JINST. 2021. V. 16. P. P03014. https://doi.org/10.1088/1748-0221/16/03/P03014
- Cervi T., Babicz M.E., Bonesini M., Falcone A., Kose U., Nessi M., Menegolli A., Pietropaolo F., Raselli G.L., Rossella, M. Torti M., Zani A. // JINST. 2017. V. 12. P. C03007. https://doi.org/10.1088/1748-0221/12/03/C03007
- D’Incecco M., Galbiati C., Giovanetti G.K., Korga G., Li X. Mandarano A., Razeto A., Sablone D., Savarese C. // IEEE Trans. on Nucl. Science. 2017. V. 65. P. 591. https://doi.org/10.1109/TNS.2017.2774779
- Bondar A., Buzulutskov A., Dolgov A., Shemyakina E., Sokolov A. // JINST. 2015. V. 10. P04013. https://doi.org/10.1088/1748-0221/10/04/P04013
- Bondar A., Buzulutskov A., Dolgov A., Shekhtman L., Shemyakina E., Sokolov A., Breskin A., Thers D. // JINST. 2014. V. 9. P. P08006. https://doi.org/10.1088/1748-0221/9/08/P08006
- Popova E.V., Buzhan P.Zh., Stifutkin A.A., Ilyin A.L., Mavritskii O.B., Egorov A.N., Nastulyavichius A.A. // Journal of Physics: Conference Series. 2016. V. 737. P. 012041. https://doi.org/10.1088/1742-6596/737/1/012041
- Cova S., Ghioni M., Lacaita A., Samori C., Zappa F. // Applied Optics. 1996. V. 35. No. 12. P. 1956. https://doi.org/10.1364/AO.35.001956
- https://hub.hamamatsu.com/us/en/technical-notes/mppc-sipms/what-is-an-SiPM-and-how-does-it-work.html
- https://www.hamamatsu.com/
- Bondar A., Buzulutskov A., Grebenuk A., Pavlyuchenko D., Snopkov R., Tikhonov Y., Kudryavtsev V.A., Lightfoot P.K., Spooner N.J.C. // Nucl. Instrum. and Methods. A. 2007. V. 574. P. 493. https://doi.org/10.1016/j.nima.2007.01.090
- Bondar A., Buzulutskov A., Dolgov A., Nosov V., Shekhtman L., Shemyakina E., Sokolov A. // Europhysics Letters. 2015. V. 112. P. 19001. https://doi.org/10.1209/0295-5075/112/19001
- Bondar A., Borisova E., Buzulutskov A., Frolov E., Sokolov A. // JINST. 2020. V. 15. P. C06064. https://doi.org/10.1088/1748-0221/15/06/C06064
- Buzulutskov A., Frolov E., Borisova E., Nosov V., Oleynikov V., Sokolov A. // Eur. Phys. J. C. 2022. V. 82. P. 839. https://doi.org/10.1140/epjc/s10052-022-10792-1
- Aalseth C.E., Abdelhakim S., Agnes P., Ajaj R., Albuquerque I.F.M., Alexander T., Alici A., Alton A.K., Amaudruz P., Ameli F., Anstey J., Antonioli P., Arba M., Arcelli S., Ardito R. et al. // Eur. Phys. J. C. 2021. V. 81. P. 153. https://doi.org/10.1140/epjc/s10052-020-08801-2
- Rosado J., Hidalgo S. // JINST. 2015. V. 10. P. P10031. https://doi.org/10.1088/1748-0221/10/10/P10031
- Horowitz P., Hill W. The art of electronics. 3rd edition. Cambridge University Press, 2015. Chapters 8.5.7. P. 497−499 и 8.11.3. P. 538−539.
- Bondar A., Buzulutskov A., Grebenuk A., Sokolov A., Akimov D., Alexandrov I. and Breskin A. // JINST. 2010. V. 5. P. P08002. https://doi.org/10.1088/1748-0221/5/08/p08002
- Collazuol G. // The 15th Vienna Conference on Instrumentation VCI-2019. 18–22 Feb 2019. Vienna University of Technology. P 86, https://indi.to/DyMp5
- Cervi T., Babicz M., Bonesini M., Falcone A., Menegolli A., Raselli G.L., Rossella M., Torti M. // Nucl. Instrum. and Methods. A. 2018. V. 912 P. 209. https://doi.org/10.1016/j.nima.2017.11.038
Дополнительные файлы
















