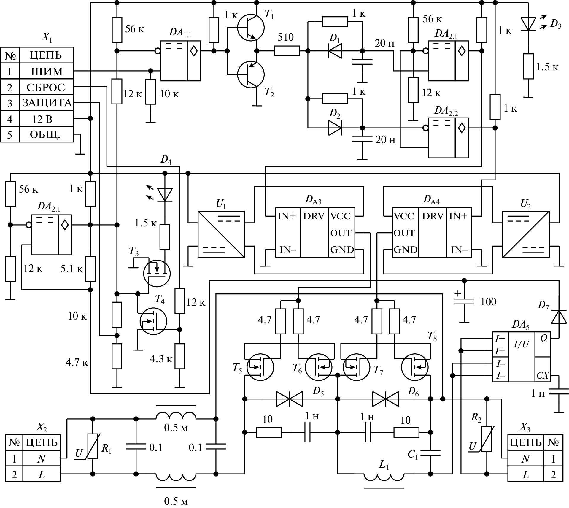
ЭЛЕКТРОННЫЙ РЕГУЛЯТОР ПЕРЕМЕННОГО НАПРЯЖЕНИЯ
- Авторы: Васильев А.Ф.1, Негинский И.В.2, Якимец А.Л.2
-
Учреждения:
- Волгоградский государственный университет, Институт математики и информационных технологий
- Волгоградский государственный университет
- Выпуск: № 3 (2023)
- Страницы: 148-150
- Раздел: ПРИБОРЫ, ИЗГОТОВЛЕННЫЕ В ЛАБОРАТОРИЯХ
- URL: https://ogarev-online.ru/0032-8162/article/view/138385
- DOI: https://doi.org/10.31857/S0032816223020271
- EDN: https://elibrary.ru/GTWEKM
- ID: 138385
Цитировать
Полный текст
Аннотация
ЭЛЕКТРОННЫЙ РЕГУЛЯТОР ПЕРЕМЕННОГО НАПРЯЖЕНИЯ
Об авторах
А. Ф. Васильев
Волгоградский государственный университет, Институт математики и информационных технологий
Email: instr@pleiadesonline.com
Россия, 400062, Волгоград, просп. Университетский, 100
И. В. Негинский
Волгоградский государственный университет
Email: instr@pleiadesonline.com
Россия, 400062, Волгоград, просп. Университетский, 100
А. Л. Якимец
Волгоградский государственный университет
Автор, ответственный за переписку.
Email: instr@pleiadesonline.com
Россия, 400062, Волгоград, просп. Университетский, 100;
Список литературы
- ГОСТ 12179-76 Кабели и провода. Метод определения тангенса угла диэлектрических потерь. М., 2003.
- ГОСТ 6433.4-71 Материалы электроизоляционные твердые. Методы определения тангенса угла диэлектрических потерь и диэлектрической проницаемости при частоте 50 Гц. М., 1972.
- Журавлев И.И., Панфилов Д.И., Асташев М.Г., Рожков А.Н., Красноперов Р.Н., Горчаков А.В. // Электротехника. 2022. № 6. С. 23. https://doi.org/10.53891/00135860_2022_6_23
- Доманов В.И., Доманов А.В., Муллин И.Ю. // Вестник Ульяновского государственного технического университета. 2009. № 2. С. 32.
- Куриченко А.А., Ивлиев А.Д. // ПТЭ. 2018. № 5. С. 149. https://doi.org/10.1134/S0032816218050105
Дополнительные файлы




