ПРЕЦИЗИОННЫЙ ИСТОЧНИК ТОКА С НАКОПИТЕЛЕМ ЭНЕРГИИ ДЛЯ ПИТАНИЯ СВЕРХПРОВОДЯЩИХ СТРУКТУРНЫХ МАГНИТОВ БУСТЕРА КОМПЛЕКСА NICA
- Авторы: Шиянов А.А.1, Сеннов Ю.М.1, Чистилин С.В.1, Мустафа Г.М.1, Гусев С.И.1, Карпинский В.Н.2, Ходжибагиян Г.Г.2, Шурыгин А.А.2, Травин Н.В.2
-
Учреждения:
- ООО “НПП ЛМ Инверторˮ
- Объединенный институт ядерных исследований
- Выпуск: № 3 (2023)
- Страницы: 23-36
- Раздел: ЭЛЕКТРОНИКА И РАДИОТЕХНИКА
- URL: https://ogarev-online.ru/0032-8162/article/view/138370
- DOI: https://doi.org/10.31857/S0032816223020118
- EDN: https://elibrary.ru/UXQSYW
- ID: 138370
Цитировать
Полный текст
Аннотация
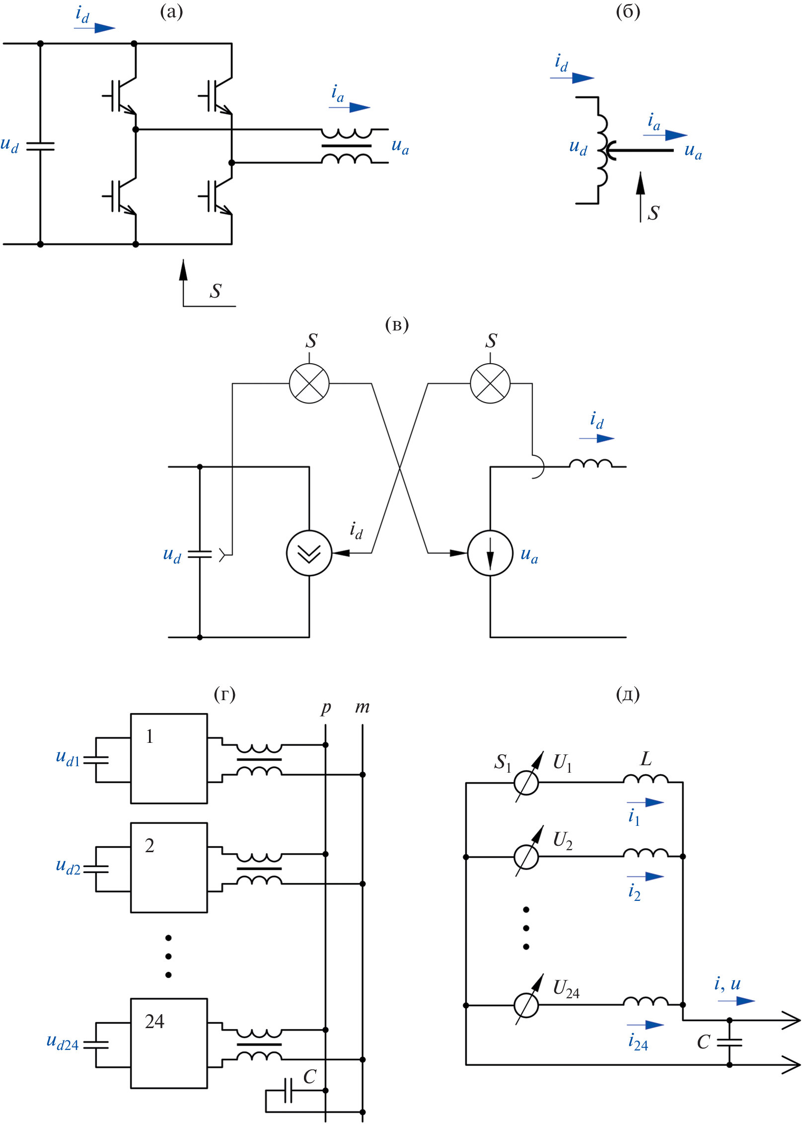
Прецизионный источник тока типа ПИТ11-260 мощностью 2.2 МВт предназначен для питания сверхпроводящих структурных магнитов Бустера коллайдерной установки NICA, создаваемой в Объединенном институте ядерных исследований. Источник формирует периодические импульсы тока трапециевидной формы амплитудой до 10 кА с точностью 0.001–0.01%. Источник выполнен на основе модульных многоуровневых транзисторных преобразователей напряжения в комбинации с емкостным накопителем энергии на 6.1 МДж, обеспечивающим снижение влияния мощной импульсно-периодической нагрузки на сеть общего пользования и снимающим проблему проникновения возмущений из сети в цепи питания сверхпроводящих магнитов.
Об авторах
А. А. Шиянов
ООО “НПП ЛМ Инверторˮ
Email: gusev-si@lm-inverter.ru
Россия, 111250, Москва, ул. Красноказарменная, 12
Ю. М. Сеннов
ООО “НПП ЛМ Инверторˮ
Email: gusev-si@lm-inverter.ru
Россия, 111250, Москва, ул. Красноказарменная, 12
С. В. Чистилин
ООО “НПП ЛМ Инверторˮ
Email: gusev-si@lm-inverter.ru
Россия, 111250, Москва, ул. Красноказарменная, 12
Г. М. Мустафа
ООО “НПП ЛМ Инверторˮ
Email: gusev-si@lm-inverter.ru
Россия, 111250, Москва, ул. Красноказарменная, 12
С. И. Гусев
ООО “НПП ЛМ Инверторˮ
Email: gusev-si@lm-inverter.ru
Россия, 111250, Москва, ул. Красноказарменная, 12
В. Н. Карпинский
Объединенный институт ядерных исследований
Email: gusev-si@lm-inverter.ru
Россия, 141980, Московской обл., Дубна, ул. Жолио-Кюри, 6
Г. Г. Ходжибагиян
Объединенный институт ядерных исследований
Email: gusev-si@lm-inverter.ru
Россия, 141980, Московской обл., Дубна, ул. Жолио-Кюри, 6
А. А. Шурыгин
Объединенный институт ядерных исследований
Email: gusev-si@lm-inverter.ru
Россия, 141980, Московской обл., Дубна, ул. Жолио-Кюри, 6
Н. В. Травин
Объединенный институт ядерных исследований
Автор, ответственный за переписку.
Email: gusev-si@lm-inverter.ru
Россия, 141980, Московской обл., Дубна, ул. Жолио-Кюри, 6
Список литературы
- Technical Project of NICA Acceleration Complex. Dubna, 2015.
- ГОСТ 32144-2013. Нормы качества электрической энергии в системах электроснабжения общего назначения. М.: Стандартинформ, 2014.
- Мустафа Г.М. // Электричество. 1987. № 2. С. 23.
- Hammond P. US patent 5625545A. Oпyбл. 29.04.1997.
- Marquardt R. Current rectification circuit for voltage source inverters with separate energy stores replaces phase blocks with energy storing capacitors // Publication number DE10103031 (DE). 25.07.2002.
- DIN EN 62391-1-2016. Fixed electric double-layer capacitors for use in electric and electronic equipment. Part 1: Generic specification (IEC 62391-1: 2015).
- Смит О.Дж. Автоматическое регулирование. Пер. с англ. / Под ред. Е.П. Попова. М.: ГИФМЛ, 1962.
- Калман Р., Фалб П., Арбив М. Очерки по математической теории систем. Пер. с англ. / Под ред. Я.3. Цыпкина. М.: Мир, 1971.
- Эйкхофф П. Основы идентификации систем управления / Пер. с англ. М.: Мир, 1975.
Дополнительные файлы














